Как готовить покемона.

Да, так. Попытка "запокемонить" сорокапятку ничем хорошим не завершилась.
Нужно смотреть на усиление пентода без ООС - произведение крутизны на сопротивление нагрузки. Вот для чего нужна хорошая крутизна. Для 6П14П это порядка 70-80, для 6П15П 90-100.
Это позволяет сделать глубину местной ООС вплоть до 20дБ. Отсюда низкое выходное сопротивление, малые искажения и пентодная мощность. Если берём 6П45С, то надо делать ей анодное питание вольт 600, чтобы работала с Ra порядка 8кОм. Если Ra до 2 кОм, толку не будет. Сорокапятка баба крепкая, она сдюжит. В строчной развёртке и не такую напругу держит. Только на экранной сетке не более 150 вольт надо.
Из ГУ-72 отличный покемон может получиться, с Ra 12-15 кОм. Только не надо там никаких катодных повторителей. Как базовый вариант, можно сначала попробовать драйвер на 6Ж51П из начала этой темы. Резистор ООС взять 390-470 кОм.

То, что драйвер нагружен на низкое сопротивление - это не баг, это фича. Вторая гармоника взаимно компенсируется двумя каскадами, а оптимальное подавление подбирается параметрами цепи ООС. В первом покемоне я дня два потратил, когда в железе подбирал оптимальную ООС. С моими экземплярами ламп получилось отлично. Те, кто повторял, приводили потом совсем другие цифры по искажениям. Фиг знает, почему так. Или лампы другие, или повтор не точный.
 
Последнее редактирование:
То, что драйвер нагружен на низкое сопротивление - это не баг, это фича. Вторая гармоника взаимно компенсируется двумя каскадами, а оптимальное подавление подбирается параметрами цепи ООС. В первом покемоне я дня два потратил, когда в железе подбирал оптимальную ООС. С моими экземплярами ламп получилось отлично. Те, кто повторял, приводили потом совсем другие цифры по искажениям. Фиг знает, почему так. Или лампы другие, или повтор не точный.
Вариант Покемона времен АП на 6н23п и 6п14п не устроил меня лично малым усилением схемы в целом и просадкой драйвера низким входным сопротивлением мощного каскада. Идеально работала эта схема на 4 Омную нагрузку, с питанием 300в. Наиоптимальнейшее сочетание параметров. Для 8 Ом уже пришлось ударить в бубны ума своего, поднять питание до 400 вольт, ток убавить до 35 вольт, экрансетку запитать от +250 в. Тогда получил под 4 ватта с низким выхсопром , чистым спектром и ясным звуком. В драйвере работали ЕСС81 ЕСС85 6Н1П в схеме СРПП.
 
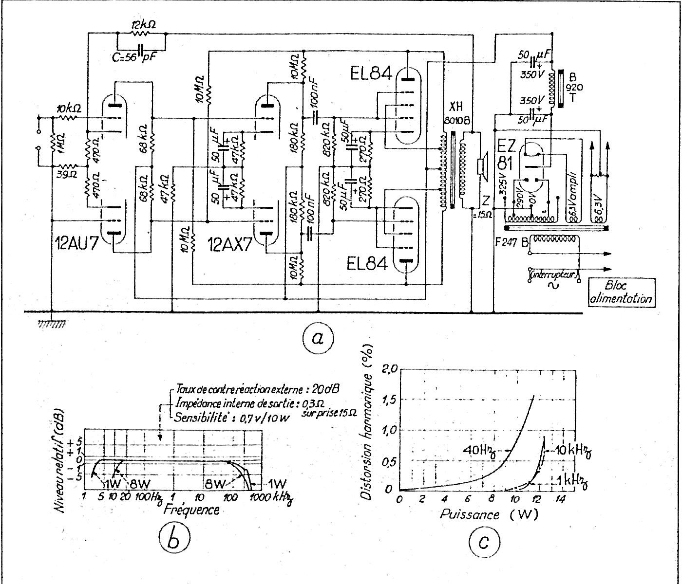
Как вам такой вариант РР "покемона"?
1776512196067.jpeg
 

Статистика форума

Темы
3,301
Сообщения
262,865
Пользователи
2,544
Новый пользователь
vlad'mir
Назад
Сверху Снизу