Классный звук на базе S-90

Дядя Миша, найдите в сети мультик старый, называется Густав и советчики. Про героя, у которого сломалась машина и все мимо проезжавшие ему советовали, что надо сделать.
 

Вложения

  • уменьшение чувствительности.png
    уменьшение чувствительности.png
    5.5 KB · Просмотры: 76
  • сниж чувств.png
    сниж чувств.png
    8.9 KB · Просмотры: 66
Михаил Нет пока не все съедобно,но наверно пути.
 
немного снизить искажения может ПАС ,резистор последовательно с головкой также уменьшает искажения, но требуется коррекция ачх,поэтому я бы не применял делители и резисторы параллельно головке а использовал ее высокую чувствительность для уменьшения искажений
Зы а вообще почему ВЫ привязались к 4 гд8е?сейчас масса хороших средников на рынке
Это не я привязался, а топикстартер ее использует для получения классного звука от S90.
 
единственно правильное решение было в "Radiotehnika S-70". Там "из того, что было" клон иномарки собирали (С90), её НЕВОЗМОЖНО сделать правильно (по фен шую) - "сшить" НЧ дубовую (для нигеров в пацаномобиль) и всё что выше (ТОЧКА).
По дешнану выполнение:
1. 4 КИТа на многоножках и в МОСТ https://www.ozon.ru/product/tsifrovaya-panel-usilitelya-moshchnosti-moshchnostyu-100vt-tda7293-7294-dvoynoy-12-32v-1658070277/?asb=8MKwa5%2FnpLMtKGIl7%2BH3HEZfE6%2F4832J6%2BQfmZRI1Ts%3D&asb2=9VfpiAmHRPA-qataWRyXj_99N39cIVOn0gCCiSz4j4EEtGB_xJkJuhcJ4GgVZgeAPuj2_bvYc4eIhN4fAigznQ&avtc=1&avte=2&avts=1725420286&from_sku=1658013295&from_url=https%3A%2F%2Fwww.ozon.ru%2Fcategory%2Felektronnye-moduli-31565%2F%3Fcategory_was_predicted%3Dtrue%26deny_category_prediction%3Dtrue%26from_global%3Dtrue%26text%3Dtda7294%2B%25D1%2583%25D1%2581%25D0%25B8%25D0%25BB%25D0%25B8%25D1%2582%25D0%25B5%25D0%25BB%25D1%258C&keywords=tda7294+усилитель&oos_search=false
2. 4 ИИП 24В
3. резать 100Гц и на малых токах (сабсоник)
4. ЭМОС применить (по желанию)

Как законченная конструкция и высший пилотаж - полностью "Активная АС", то на СЧ, ВЧ свой УМЗЧ добавить (второй или третий в ящик), тут качество УМЗЧ уже звук определяет. ВСЁ СОБИРАЕТСЯ НА ВАГО (паяльник отложить, шутка)

ВСЁ остальное - "вечно ищу свой звук" на "Ы90", которого НИ КОГДА НЕ БУДЕТ.

чуть мозг вкючил, фильтра - половину выбросить, эквализация по цифре, пресет на флешку и приклеить на гроб для поколений.
 
Последнее редактирование:
ВСЁ остальное - "вечно ищу свой звук" на "Ы90", которого НИ КОГДА НЕ БУДЕТ.
На данный момент ,после многочисленных вариаций,разрешение системы позволяет определять качество записанного файла .Распознается Мп3 как яркий ,вычищенный ,звенящий без послезвучий огрызок.На хорошей записи слышно какой инструмент фальшивит в оркестре или не попал в такт. Речь и вокал с разборчивыми словами.Басуха великолепная .Можно сказать начальная музыкальная радиоточка ,на которой можно и поднавалить громкости.
 
На данный момент ,после многочисленных вариаций,разрешение системы позволяет определять качество записанного файла .Распознается Мп3 как яркий ,вычищенный ,звенящий без послезвучий огрызок.На хорошей записи слышно какой инструмент фальшивит в оркестре или не попал в такт. Речь и вокал с разборчивыми словами.Басуха великолепная .Можно сказать начальная музыкальная радиоточка ,на которой можно и поднавалить громкости.
Миша, вы очень верно подметили особенность звучания МП3, как отсутствие послезвучий. Есть такой эффект, особенно заметный на всяких щеточках-тарелочках, звуки обрываются , не успевая затихнуть. Хотя ,ухи не ловят разницы на 320 кбит в с.
Другая особенность дурно сведенной колонки- отставание басовика от общего ритма, бас превращается в неясный гул, средина выделяется , лезет вперед и не выравнивается уровнем , торчит на любой громкости , слитность рушится в хлам. Это все последствия идиотского подхода обвалить басовик ниже и круче, якобы чтобы уменьшить какие-то там искажения.
Искажения может и уменьшили, да звук в целом похерили и все счастливы.
 
Последнее редактирование:
А вчера вместо 0,15 мГ.поставил 0,19.5 к 0,82мФ. И в музыке это слышно.Правая играет великолепно.А левая теперь проигрывает ,будем исправлять,и так пока не приблизимся к тем ,что 470.
 
Пробуйте , откинув пищалку, добиться от средника отсутствия неприятных прикриков наверху, этому виной всякие кондеры на выходе фильтра, они обваливают правый край и все как бы красиво на картинке, но появляются вопли .Как вариант- к емкости на выходе СЧ фильтра докидываем резистор, получая типа цобеля, с ним звук ровнее и спокойнее

Ещё- без кондера в правой ветке СЧ фильтра у нас полка валится вправо, катушка тому причина , а кондер подтягивает правый край и ровняет полку. Но он же дает прикрик , и тут есть выход. Подобрать фильтр, чтобы резонанс этот попал на 4 кгц, тогда у нас прочищается срединка, ясность появляется и рельеф в звуке. А дальше, выше 4 кил пищалка работает легко.
А если попадаем на 5=6 кил, то там уже неприятные призвуки , т н харч и шкварки, частоты поганые на слух. Если избыток небольшой .Но и без них нельзя, информация теряется.
ПС.Недавно вечером шел мимо ресторана в парке. там певчила один пел, вот где ужас был, сплошное ХЧШЩ , та самая шквара мерзкая.
 
Ещёбы от кондеров всех избавиться.Из-за красивых линий и музыка быстрее затухает.Они и горбяку на 500 и дуют.
 
Ещёбы от кондеров всех избавиться.Из-за красивых линий и музыка быстрее затухает.Они и горбяку на 500 и дуют.
Клиника.

Вы хоть понимаете что вам понадобилось больше года что бы вытащить пишалку из колодца ??? Замеры вашы бред полнейший как и ваши выводы .
 
Ещёбы от кондеров всех избавиться.Из-за красивых линий и музыка быстрее затухает.Они и горбяку на 500 и дуют.
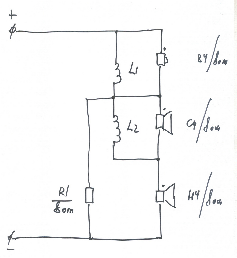
Попробуйте:
Фильтр1.jpg
Только есть одно условие - пищалка должна обладать высокой чувствительностью. Фильтр разработан какой-то западной фирмой, которая выпускала акустику с такими фильтрами. Мой товарищ нет-нет да и пробует его в какой-либо самоделке. Я тоже пробовал. Не срослось из-за СЧ динамика вокруг которого и собиралась акустика.
 
На данный момент ,после многочисленных вариаций,разрешение системы позволяет определять качество записанного файла .Распознается Мп3 как яркий ,вычищенный ,звенящий без послезвучий огрызок.На хорошей записи слышно какой инструмент фальшивит в оркестре или не попал в такт. Речь и вокал с разборчивыми словами.Басуха великолепная .Можно сказать начальная музыкальная радиоточка ,на которой можно и поднавалить громкости.
Слушать бас вернее нижний регистр на колонках при оценки от Yello конечно хорошо!
Но это не показатель, много где есть отменный бас в записях коллективов, упарюсь клаву мять ))
Когда у меня появился Supertramp '1985 Brother Where You Bound это прям ошеломило на сколько внушительно и читаемо может быть бас гитара при грамотной записи, сравните на своих колонках как звучит хотя бы в треке Сannonball словно пружина !))

Миша, вы очень верно подметили особенность звучания МП3, как отсутствие послезвучий. Есть такой эффект, особенно заметный на всяких щеточках-тарелочках, звуки обрываются , не успевая затихнуть. Хотя ,ухи не ловят разницы на 320 кбит в с.
Мп3 легко ловится при игре где звучит флейта, послезвучий (длинная реверберациия) совсем нет как паровозом обрезало ))
Что не скажешь об формате АСС.
 
ребята. Ваши сверления коллеги Михаила ровно до визита дяди Саши. После чего многое поменяется, многое останется, а финальная картина просто обязана понравиться всем, исключая привычно свернутых , которым как всегда, ничего и никогда.
Другое дело, дядя Саша сидит, вымучивает 25й вариант ламподрайвера для выхода на латералах, только вместо нирваны все время одно и тоже. на букву Ж.
И ему сильно не до дяди Мишиных траблов.
 
дядя Саша сидит, вымучивает 25й вариант ламподрайвера для выхода на латералах, только вместо нирваны все время одно и тоже. на букву Ж.
А вот это интересно и есть шанс что будет что-то удачно-новое.
Тема же с S-90 довольно банальна;
- правильный корпус достаточного объёма и без утопленных пищалок,
- правильные динамики, в первую очередь - не 15ГД-11,
- правильные фильтры под эти динамики.
Для последнего пункта надо или ставить динамики под известные фильтры (я их не пробовал), или другие динамики АЧХ которых ПРАВИЛЬНО измерены в корпусах.
Тогда можно с умеренным личным опытом при помощи некоторых товарищей сообразить на троих (динамиков) правильные фильтры.
Альтернатива тоже банальна - отдать динамики с корпусом Мастеру, в последнем случае дебаты здесь особого смысла не имеют, он сделает по-своему, как ему нравится.
 
ширик и ленту, бериллий для ВЧ (мне не надо, выше 14К, на спор, ни кто не услышал, на халяву много пива было выпито)
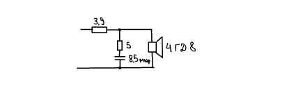
В первой вариации ,когда 6 гдв4 стояли в керамической чашке был эффект ,когда трубач подходит к туннелю,и дует,Вот такое эхо присутствовало и звона больше было.Если всего в меру то классно.
 
Необычность случая такова, что Миша сам, на слух, с поддержкой абы какой измерилы, сумел вырулить очень удачно звучащее изделие. На моей памяти такое впервые.
А для понимания, что обычно понимается под самодельной акустикой, выруленной на слух и по понятиям, держите АЧХ такой же колонки , на тех же динамиках, сделано красиво, но с дикими косяками.

В первой вариации ,когда 6 гдв4 стояли в керамической чашке был эффект ,когда трубач подходит к туннелю,и дует,Вот такое эхо присутствовало и звона больше было.Если всего в меру то классно.
Эти звуки проще передать среднику. чем выжимать их из пищалы в ведре.
 

Вложения

  • Виктория-Симфония.jpg
    Виктория-Симфония.jpg
    179.6 KB · Просмотры: 90
Последнее редактирование:
Необычность случая такова, что Миша сам, на слух, с поддержкой абы какой измерилы, сумел вырулить очень удачно звучащее изделие. На моей памяти такое впервые.
Я даже больше скажу.То слово достойный нужно заменить на великолепный.А достойный пускай достойные слушают

Эти звуки проще передать среднику. чем выжимать их из пищалы в ведре.
Если провести аналогию с басом ,мы его поджимаем он собранней.А пищалку поджимаем она тоже собраннее.Пропал пикантный звон ,может рупор изнутри алюминиевой пудрой задуть.
Сзади алюминиевое кольцо немного крутит против часовой линии вч,верхов добавляет.
 
Если провести аналогию с басом ,мы его поджимаем он собранней.А пищалку поджимаем она тоже собраннее.Пропал пикантный звон ,может рупор изнутри алюминиевой пудрой задуть.
Сзади алюминиевое кольцо немного крутит против часовой линии вч,верхов добавляет.
Вам бы пищалку нормальную.... https://www.audiomania.ru/pro_tweeter/sica/sica_lp66-25n14tw.html?5s_source=ac
Могу предоставить на изучение пару Монакоров DT25N , купольники с честными 93 дб на Ватт. Мы ими уже чинили редкие Пионеры S-07 .Свои пищалы крякнули, другое не подходило по габаритам.
 
Вам бы пищалку нормальную.... https://www.audiomania.ru/pro_tweeter/sica/sica_lp66-25n14tw.html?5s_source=ac
Могу предоставить на изучение пару Монакоров DT25N , купольники с честными 93 дб на Ватт. Мы ими уже чинили редкие Пионеры S-07 .Свои пищалы крякнули, другое не подходило по габаритам.
Это скорее всего если с в будущем с 2 гд-38 подружить.Наши старые друзья тоже петь умеют.

Наши старые друзья тоже петь умеют.
https://disk.yandex.ru/d/8ju6GsLN6B59aA Между колонками 130.до микрофона 170.Улица.Присутствующий фон .скорее всего от провода микрофона .комп и тд.В живую помех нет,Слышны были радио волны когда стоял дешевый РСА.

не спортивно (не Ы90 в итоге), 6гдв нужный - отбирать, из десятков брака, конечно, нереально найти рабочий.
Скорее всего верхняя планшетка с рупором имеет 4 винтика.Вот они крученные.недокрученные влияют на певучесть купола.Друшлак перед куполом.Нормально.Уроки труда в школе проходили.
 
Михаил
Уже хорошо,только по сч немного приподнять раздел и все нормально будет.

Вот трек попробуй https://www.youtube.com/watch?v=3kK_HGNOo9A
 
Скорее всего верхняя планшетка с рупором имеет 4 винтика.Вот они крученные.недокрученные влияют на певучесть купола.Друшлак перед куполом.Нормально.Уроки труда в школе проходили.
не помогут слесарные работы, сам динамик собран "тяп- ляп", материалы так же "из того, что было". Глобальный твик, не всегда возможен (поломается), а отдать мастеру, так не возьмутся (стоимость переделки того не стоит).
Как то повезло, залез на склад и выбирал, генератор, мощник, ослик, микрофонный,.. притащил (заморачивались, было время), сейчас вспоминаю, как "страшный сон" (а что делать, выбора и не было).
На авито можно "походить", бывают там радиолюбители (которые подобрали из мусора), Собино не знаю, работает (барахолка), там побывать.
 

Последние сообщения

Статистика форума

Темы
3,306
Сообщения
263,463
Пользователи
2,548
Новый пользователь
Александр Н.
Назад
Сверху Снизу