100ГДН-3-8 (75ГД-1)

  • Автор темы Автор темы LDS
  • Дата начала Дата начала

LDS

1 paнг
Регистрация
5 Июл 2019
Сообщения
5,020
Реакции
3,308
Баллы
145
Возраст
38
Страна
Украина
Имя
Дмитрий
68
Изготовитель:
ПО «Красный Луч».

Технические характеристики:

Диапазон частот: 25 – 1250 Гц
Чувствительность: 90 дБ
Номинальная мощность: 75 Вт
Паспортная (шумовая) мощность: 100 Вт
Сопротивление: 8 Ом
Частота резонанса: 25 Гц (±5 Гц)
Эквивалентный объем: 200 л (±50 л)
Полная добротность: 0,35 ±0,1
Размеры: Ø 315х190 мм
Вес: 6,5 кг


Конструкция:

Головка электродинамического типа, низкочастотная, круглая, с неэкранированной магнитной цепью. Корзина изготовлена методом литья под давлением из алюминиевого сплава.

Магнитная цепь:
  1. В головке применены 3 кольцевых ферритовых магнита марки М25БА-170-3К, размером 134х57х12 мм.
  2. Керн диаметром 49,6 мм
69
70
71
72
111.jpg

Подвижная система:
  1. Звуковая катушка выполнена из медной фольги намотанная медным проводом.
  2. Диффузор из бумажной массы.
  3. Подвес S-образной формы из резины или пены, подклеиваемый к внешнему краю диффузора.
  4. Центрирующая шайба из ткани с пропиткой.
  5. Колпачок сферической формы из бумаги.
3432.jpg
 
Последнее редактирование:
КрасавЕц динамик. Только вот заводы так и не дали ему нормального объёма для нормальной работы.
 
Да, из относительно доступных - лучший басовик. Ему литров 150 надо, а его всё в 60 пытались пихать.
Но в грамотном оформлении прекрасен.
 
Он хорош и в Корвете, и в Кливере. А что объём небольшой, то при грамотном исполнении оформления в том же корпусе он хорошо звучит в комнате: за счет высокой чувствительности и около стены (что способствует поднятию НЧ составляющих). Правда корпус требует установки на "табуреточку" высотой 0,3 -0,4 м.
 
Никуда не годные корпуса Корветокв и Кливеров. Ни по обьёму, ни по исполнению.
Что видно и по АЧХ - горб на 100 Гц, и чисто "японский", быстный спад низких частот.
Вот какой корпус требуется для 100ГДН-3 -
20210314_125912.jpg
 
КрасавЕц динамик. Только вот заводы так и не дали ему нормального объёма для нормальной работы.
Наоборот. Объём вполне подходящий для домашней 3-х полоски с 12" басовиком. Это параметры динамика под объём не подходят.
Каждый выбирает себе подходящую по размеру АС, какого размера басовик в неё ставить тоже. Глупо надеяться что маленький динамик будет басить так же как большой в том же объёме.
 
Никуда не годные корпуса Корветокв и Кливеров. Ни по обьёму, ни по исполнению.
Что видно и по АЧХ - горб на 100 Гц, и чисто "японский", быстный спад низких частот.
Вот какой корпус требуется для 100ГДН-3 -
А если бы этот корпус ещё бы поширше сделать, то вообще бы отлично было.
 
Расчётный объём 85 л. Корпус узкий преднамеренно - динамик лежит на боковых стенках, и на двух крестовых распорках.
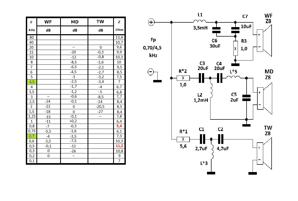
СЧ и ВЧ разработал специально для этих АС.
Среднечастотник с мягким тканевым куполом 50 мм, и центрирующей шайбой.
Высокочастотная головка с тканевым куполом диаметром 30 мм.
Звук "английский". )
 

Вложения

  • IMG_0310.JPG
    IMG_0310.JPG
    487.7 KB · Просмотры: 771
  • Фільтр_3-х _см._ АС_100ГДН-3_.jpg
    Фільтр_3-х _см._ АС_100ГДН-3_.jpg
    150.4 KB · Просмотры: 783
  • 20210314_125704.jpg
    20210314_125704.jpg
    523.5 KB · Просмотры: 781
Последнее редактирование:
КрасавЕц динамик. Только вот заводы так и не дали ему нормального объёма для нормальной работы.
ИМХО в погоне за возможностью очень халтурной сборки испортили сочетание зазор-катушка. Тут или зазор надо в полтора раза уже, или катушке слои добавить. Вот тогда добротность упадёт и с мягким подвесом станет бомба-динамик не требующий такой объём.
 
Хорошему динамику - хороший объём.
Ничего особо разработчики в нём не схалтурили. Добавили третье кольцо магнита к двум, повысили индукцию в зазоре, а ступенчатый керн надёжно вогнали в насыщение.
При таком смещении, как у подвижки 100ГДН-3, люфты зазора нельзя уменьшать.
При добавлении ещё одного слоя намотки общая добротность свалит до 0,1 - 0,15. И куда его потом? В компактбокс, с диапазоном 63 Гц снизу? Обитателям Страны восходящего солнца может и понравится такой вариант.
Кстати, попадались заводские варианты 100ГДН-3 с укорченной намоткой катушки - 17 мм, вместо 22,5.
Приходилось снимать и ставить нормальную.
 
А какой объем потребует с мягким подвесом? Зазор там нормальный (меньше, чем у 75гд), ход большой, резонансная в процессе эксплуатации снижается ниже 20 Гц.
 
Пробовал я раскачать на полную 75гдн с трёхслойной катушкой. Подвес был мягкий и голый динамик. Ничего не задевало. Потому и написал про излишний запас. Зазор там вроде как у 30гд2, только с третьим магнитом.
Добротность что у 30гд-2, что у этого в паспорте почти всегда красивее настоящей и как раз с третьим слоем спускается до паспортной 0,3
 
Зазор меньше точно. Третий слой круглым проводом намотать проблематично при сохранении сопротивления.
 
Зазор меньше точно. Третий слой круглым проводом намотать проблематично при сохранении сопротивления.
Значит здесь я не прав оказался))
Выходит мой франкенштейн был с МС от 30гд2 и доклееным третьим магнитом. Потому и влез третий слой.
 
Статистика Т-С по 100ГДН-3 в заводском исполнении, из моей старой тетради:
№..............Fs, Гц............Qa..............Qe.............Qt..............Vэкв, л
1................27,8................3,72..........0,29..........0,27...............-
2................27,7................3,52..........0,28..........0,26...............-
3.................22,2...............5,70...........0,24.........0,22...............-
4.................27,2...............3,45...........0,36..........0,33..............190
5.................29,0...............3,73...........0,37..........0,33..............173
6.................28,9................2,60..........0,31..........0,27...............-
 
Последнее редактирование:
Расчётный объём 85 л. Корпус узкий преднамеренно - динамик лежит на боковых стенках, и на двух крестовых распорках.
СЧ и ВЧ разработал специально для этих АС.
Среднечастотник с мягким тканевым куполом 50 мм, и центрирующей шайбой.
Высокочастотная головка с тканевым куполом диаметром 30 мм.
Звук "английский". )
Это какие же параметры у вашего 100ГДН, что хватило 85 литров?
 
Посчитайте, к примеру, на номера 4 и 5 таблицы.
Re, типовое, около 5,5 Ом.
 
Я мерил только резонансную: на новых 27-28 Гц и 17-18 Гц у поработавших лет 15. Приходилось менять подвесы на тряпичный полутор, получалось около 20 Гц.
 
Статистика Т-С по 100ГДН-3 в заводском исполнении, из моей старой тетради:
№..............Fs, Гц............Qa..............Qe.............Qt..............Vэкв, л
1................27,8................3,72..........0,29..........0,27...............-
2................27,7................3,52..........0,28..........0,26...............-
3.................22,2...............5,70...........0,24.........0,22...............-
4.................27,2...............3,45...........0,36..........0,33..............190
5.................29,0...............3,73...........0,37..........0,33..............173
6.................28,9................2,60..........0,31..........0,27...............-
Ага, посмотрел. Это у вас очень хорошие магниты были. У моих добротность 0,35-0,37.
 
Приведите, пожалуйста, полный набор параметров Т-С, если сохранились, расследуем вопрос.
Возможно, они из последних, просто со слабыми магнитами. Там даже оксидировки уже не делали, красили керн краской.
Но если основной резонанс сильно завышен. то добротность может залезть и в такие значения.
У низкорезонансного номера 3 она, наоборот, закономерно провалилась ниже нижнего паспортного предела.
 
Последнее редактирование:
Приведите, пожалуйста, полный набор параметров Т-С, если сохранились, расследуем вопрос.
Возможно, они из последних, просто со слабыми магнитами. Там даже оксидировки уже не делали, красили керн краской.
Но если основной резонанс сильно завышен. то добротность может залезть и в такие значения.
У низкорезонансного номера 3 она, наоборот, закономерно провалилась ниже нижнего паспортного предела.
То было 25 лет тому назад.
По памяти у имеющейся пары был резонанс 22-23 гц и добротность 0,35 - 0,37.
Что в общем-то всё равно очень хорошо.
С тех пор дел с ними не имел.
Да и где их сейчас добыть в хорошем состоянии непонятно.
 
Последнее редактирование:
Это у вас очень хорошие магниты были.
Или хорошая фантазия:
При добавлении ещё одного слоя намотки общая добротность свалит до 0,1 - 0,15.
При таких магнитах добротность ниже 0.15 можно получить при Mq ближе к 0.5. Для этого трёх слоёв явно недостаточно и четырёх тоже. Даже 6 маловато будет.
 
Или хорошая фантазия:
При таких магнитах добротность ниже 0.15 можно получить при Mq ближе к 0.5. Для этого трёх слоёв явно недостаточно и четырёх тоже. Даже 6 маловато будет.
Из советских бытовых динамиков самые низкодобротные были 25ГД-32 и 30ГД-1, с добротностью 0,25-0,27.
Первые создавались для работы в очень тесных корпусах - 3-4 литра. Вторые - спокойно работали в 55-60 л ФИ.
 
Статистика Т-С по 100ГДН-3 в заводском исполнении, из моей старой тетради:
№..............Fs, Гц............Qa..............Qe.............Qt..............Vэкв, л
1................27,8................3,72..........0,29..........0,27...............-
2................27,7................3,52..........0,28..........0,26...............-
3.................22,2...............5,70...........0,24.........0,22...............-
4.................27,2...............3,45...........0,36..........0,33..............190
5.................29,0...............3,73...........0,37..........0,33..............173
6.................28,9................2,60..........0,31..........0,27...............-
Для №4 в Спикершоп, без комментариев.
100ГДН-3.png
 
Для №4 в Спикершоп, без комментариев.
А если с комментариями, то -3 дБ на 40 Гц почти идеально для 12" низкочастотника.
Кстати, прога совсем не оперирует добротностью корпуса ФИ.

При таких магнитах добротность ниже 0.15 можно получить при Mq ближе к 0.5. Для этого трёх слоёв явно недостаточно и четырёх тоже. Даже 6 маловато будет.
Неправда.
Параметры 10ГД-30Е с трёхслойной катушкой:
№..............Fs, Гц............Qa..............Qe.............Qt..............Vэкв, л.........Re, Ом.
1................31,8................3,6............0,23..........0,22...............74.................6,4
Параметры 25ГДН-3 с трёхслойной катушкой:
№..............Fs, Гц............Qa..............Qe.............Qt..............Vэкв, л.........Re, Ом.
1................48,2................3,3............0,23..........0,21...............5,4.................5,5
Следующий слой обвалил бы добротность ниже 0,15, но это ни к чему.
 
Последнее редактирование:
Скажите, Вы написали в 10ГД30 "трехслойная катушка". В родном варианте она двухслойная. Вы сами дорабатывали?
А зачем такая низкая добротность нужна? Для работы в маленьком закрытом ящике?
 
Катушка моя, более стойкая, по сравнению с заводской.
10ГД-30Е с трёхслойной пошли на работу в маленькие ФИ.

Апгрейдированные 25ГД-26 и 10ГД-30 нормально работали в трёхполсках от стоваттного усилителя.
Подвижные системы там очень крепккие, а заводские катушки слабоваты.
 
Последнее редактирование:
Катушка моя, более стойкая, по сравнению с заводской.
10ГД-30Е с трёхслойной пошли на работу в маленькие ФИ.

Апгрейдированные 25ГД-26 и 10ГД-30 нормально работали в трёхполсках от стоваттного усилителя.
Подвижные системы там очень крепккие, а заводские катушки слабоваты.
Чегой-то Вы нахимичили. С такой низкой добротностью частота среза будет высокой (на уровне -6 дб). И фазоинвертор не спасет. Наоборот, только закрытый ящик. Для ФИ нужна добротность порядка 0,3-0,4, только тогда он может "раскрыться".
Для концертных АС еще туда-сюда, а для комнатных... Дело, конечно, Ваше, но я считаю - это Перебор.
 
А если с комментариями, то -3 дБ на 40 Гц почти идеально для 12" низкочастотника.
Кстати, прога совсем не оперирует добротностью корпуса ФИ.
Хорошо, тогда с комментариями.
В закрытом ящике объем можно снизить вдвое с 85 литров до 44 литров, это очень большая разница.
С одной стороны - хорошо, можно пилить или подобрать ящик размеры которого отличаются в разы и при этом АЧХ снизу практически не изменится, не нужна никакая настройка.
С другой стороны для динамика аж 12 дюймов (на мой взгляд, это максимальный разумный размер для квартиры, и то, только для самой большой комнаты) честная частота среза по -3 дБ составляет 62...66 Гц - многовато будет, это на уровне 10МАС-1М. Ведь для чего нужен огромный динамик с резонансной частотой 27 Гц, если не для баса начиная от этой резонансной частоты?
Я понимаю, что эффект от динамика 12 дюймов и от 5-дюймового 15ГД-14 совсем разный, но это только заслуга диаметра.
Значит остается только так нелюбимый многими ФИ.
Вот здесь в 75 литрах всё в порядке, но и объем в 1,5...2 раза больше, чем у S-90. Опять-таки из-за большого Vas динамика.
В 75 литрах ФИ по Спикершопу получим 40 Гц по -3 дБ и 32 Гц по -6 дБ. Отлично. Достаточно, больше и не надо. Вот на этом динамике надо было делать Ы-100, но дизигнеры обязательно загнали бы его в ящик 45 литров и это было бы доказательством крылатой фразы: "чтобы улучшить звук колонки, надо заткнуть порт ФИ ношеными носками".
В целом хорошие динамики, жаль, что имел с ними дело, но хорошо, что у меня нет соседей с такими динамиками. К счастью все предпочитают музцентры.
Справедливости ради замечу, что с точки зрения уменьшения занимаемого места, аналогичными параметрами будет обладать активный самбухер с которым достигнуть 40 Гц - не проблема и пара небольших сателлитов.
Относительно Спикершопа и его возможностей манипулировать добротностью корпуса ФИ - это хорошо, ибо каждый будет подгонять на бумаге эту добротность так как ему удобнее. Взята типовая добротность, и это правильно.
В любом случае программа не может учесть всего и особо продвинутые собиратели колонок должны будут настраивать систему "по месту", по факту.
Катушка моя, более стойкая, по сравнению с заводской.
10ГД-30Е с трёхслойной пошли на работу в маленькие ФИ.
Без конкретных данных и замеров - это слова. Многие штатный корпус 10МАС-1М превращают в ФИ (о, ужас!) и счастливы.
Апгрейдированные 25ГД-26 и 10ГД-30 нормально работали в трёхполсках от стоваттного усилителя.
Подвижные системы там очень крепккие, а заводские катушки слабоваты.
Избави Бог меня от таких соседей. Мощности неапгрейдированных динамиков более чем достаточно для квартиры.
А для эстрады всё-таки нужны другие динамики, "профессиональные" у которых мощности выражаются трехзначными цифрами, НОЭМА выпускает их в широком ассортименте.
При этом (я несколько раз писал уже) пионЭры в учебных заведениях с лёгкостью жгут басовики с мощностью в несколько сот ватт, катушка практически в пыль, а каптоновые каркасы в сморщенные грибы, а уж 10ГД-30, как его ни переделывай - раз плюнуть.
 

Статистика форума

Темы
3,315
Сообщения
264,872
Пользователи
2,552
Новый пользователь
Dmaren55
Назад
Сверху Снизу