2-х полосная АС с изогнутыми стенками (25гдн-1-8 + TW-70)

Движемся дальше. У макиты сломался опорный ролик, выписал новый, помыл и смазал лобзик. Для последнего слоя пришлось мочит и гнуть полоски. Просушив их на оправке.
Для себя ввëл самозапрет на изгиб панелей АС.
 
А что случилось?
Отломил?!!
Причины две: поломка опорного ролика и остаточные напряжения после сборки. На звуковом резонансе треснуть может с треском. Предпочитаю широкие и плоские панели в три диаметра динамика, без изгибов
 
Напоминают ATC SCM 19. Тяжёлые, корпус совершенно каменный, ни малейшего отзвука.
1757007208559.png
 
Напоминают ATC SCM 19. Тяжёлые, корпус совершенно каменный, ни малейшего отзвука.
Жаль Страдиварий не дожил – скрипка из "каменного" корпуса. У меня Ямахи трехполоски работали – цена курам на смех, корпус звонкий. Но как-то обошлось. А на этих АС (ATC ) размер НЧ колпака явно большее, чем диаметр купола ВЧ – звука не будет 🥲
 
Жаль Страдиварий не дожил – скрипка из "каменного" корпуса. У меня Ямахи трехполоски работали – цена курам на смех, корпус звонкий. Но как-то обошлось. А на этих АС (ATC ) размер НЧ колпака явно большее, чем диаметр купола ВЧ – звука не будет 🥲
Звук есть, но как бы не страдивариевский, это правда :) Хочется чем-то разбавить, хотя бы второй гармоникой.
Противоположная коцепция это HARBETH C7ES-3 XD2, эти избушка такая весёлая. Хочется убавить, но не вторую гармонику, а просто добавить грусти.
Что я и делал, купив такие штуки: Car Sound Deadening Material Mat - хорошо работают для этой цели.
1757009985835.png
 
Последнее редактирование:
Alq, у вас передняя панель съемная? Первый раз такую встречаю. Я обычно заднюю делаю. А фазик не маловат? Или так кажется, из-за большого фланца мидика... Чем-то S30 напоминает...
И все-таки, мне думается, что в этих гнутых боках больше понтов, чем звука. Я не прав? Уж не говоря о жуткой трудоемкости по сравнению с обычными стенками...
 
Последнее редактирование:
Alq, у вас передняя панель съемная? Первый раз такую встречаю. Я обычно заднюю делаю. А фазик не маловат? Или так кажется, из-за большого фланца мидика... Чем-то S30 напоминает...
И все-таки, мне думается, что в этих гнутых боках больше понтов, чем звука. Я не прав? Уж не говоря о жуткой трудоемкости по сравнению с обычными стенками...
Это готовые купленные (не мной), передняя и задняя панели съёмные. Внутри обработка слабая, но это такой дизайн, упор как раз на резонансы корпуса, харбеты этим как бы и знамениты.
Гнутые бока мне кажется особой выгоды не дают. Звук ATC довольно жёсткий, даже если слегка придавить 5-7кГц, то это мало что меняет.
Может быть у Ивана корпус получится менее жёстким и это будет лучше, не знаю. Это же всё слушать надо, динамики с кроссовером ведь тоже другие.
 
Последнее редактирование:
Это готовые купленные (не мной), передняя и задняя панели съёмные. Внутри обработка слабая, но это такой дизайн, упор как раз на резонансы корпуса, харбеты этим как бы и знамениты.
Гнутые бока мне кажется особой выгоды не дают, если иметь ввиду только корпус. Звук ATC довольно жёсткий, даже если слегка придавить 5-7кГц, то это мало что меняет.
Может быть у Ивана корпус получится менее жёстким и это будет лучше, не знаю. Это же всё слушать надо, динамики с кроссовером ведь тоже другие.
Идея с непараллельными сторонами АС правильная - проверенная и дает снижение неравномерности АЧХ динамика. Но, тут теперь сразу возникает вопрос, а какая АЧХ у динамика в открытом пространстве и в корпусе. Если автор проекта покажет эти графики, то появится предмет для обсуждения по существу перспектив точности звука. И желательно показать графики искажений. Хотя бы так, засунув всю самую важную информацию в одну картинку. _da
 

Вложения

  • АЧХ,ФЧХ, искажения и степ риспонс.jpg
    АЧХ,ФЧХ, искажения и степ риспонс.jpg
    652.3 KB · Просмотры: 68
Последнее редактирование:
Мне думается и обработка стенок мало что дает. Моды ящика эта обработка не снимает, а это основные паразиты, которые вредят звуку. Тут поможет только заполнение объема чем-то типа синтепона. Демпфировать резонансы самой стенки? Неужели стенка так сильно излучает звук? Слабо верится.
Звук ATC довольно жёсткий
Что такое жесткий звук?
 
Мне думается и обработка стенок мало что дает. Моды ящика эта обработка не снимает, а это основные паразиты, которые вредят звуку. Тут поможет только заполнение объема чем-то типа синтепона. Демпфировать резонансы самой стенки? Неужели стенка так сильно излучает звук? Слабо верится.

Что такое жесткий звук?
А вы пальцем постучите по стенкам своих АС, а потом по бетонной стене и сразу услышите разницу в призвуках корпуса АС.

Пока не забыл...тут недавно провел случайный эксперимент - замешал с ПВА по дереву плиточный - на цементе, строительный клей. Клеит все что было под рукой. После высыхания получается практически "эпоксидка" очень прочная масса серого цвета. Она очень жесткая, понятно, что не металл, но поддается обработке наждачной бумагой или болгаркой. Можно ПВА разбавлять и водой, но уже будет не "стекло". На гибкость не проверял. Я эту смесь применил для упрочения корпуса АС и заполнения технологических щелей - по углам получаются очень хорошие уголки прочности. Можно клеить и просто деревянные детали, ДПС, МДФ и использовать как прочную шпаклевку, которая не "течет" так сильно как эпоксидка.
 
Последнее редактирование:
Мне думается и обработка стенок мало что дает. Моды ящика эта обработка не снимает, а это основные паразиты, которые вредят звуку.
Реально работает. Только не "тряпочку" на стенки, а виброшумку с чем-то, чей декремент затухания отличный от материала ящика (поф*игу, в "+" или "–")
10мм фанера/мдф > резинобитумка > ковролин > резинобитумка/акриловая антишумка. Для особливых случаев + люминевый лист (офсетная печатная пластина). АвтоStP S2-3-4mm с рифлённой люминькой норм. Как и ДВП на мастике. Строительная пенка, густо.
Тут поможет только заполнение объема чем-то типа синтепона.
Это от стояков, и добывания 0.7 (не путать с 0.5;))
Демпфировать резонансы самой стенки?
Ага
Неужели стенка так сильно излучает звук? Слабо верится.
Пъезогуделку от старых телефонов на стенку прилепите. Будете удивлены.
Даже укутать пледом ящик из дешманско-тонкого материала. Услышите.

*) когда-то намЕрялся. ПрОцентов 30 от стенок бывает на своей ноте.
 
Последнее редактирование:
Мне думается и обработка стенок мало что дает. Моды ящика эта обработка не снимает, а это основные паразиты, которые вредят звуку. Тут поможет только заполнение объема чем-то типа синтепона. Демпфировать резонансы самой стенки? Неужели стенка так сильно излучает звук? Слабо верится.
Даёт, и немало. Именно такой обработкой (я писал выше чем) я добился в своих Fried A\6 того, что мне было нужно.
Что такое жесткий звук?
Субъективно конечно, звук который утомляет и именно по верхней середине.
А вы пальцем постучите по стенкам своих АС, а потом по бетонной стене и сразу услышите разницу в призвуках корпуса АС.
Совершенно точно. Одно дело постучать по АТС - как по бетонной стене. Совершенно другое дело постучать по харбетам, это "избушка". Звук соответственно очень разный.
 
Харбеты поинтереснее звучат, чем АТС, на мой ух. Середина приятнее, чище и прозрачнее. Но вариант с более крупным шелковым твиттером еще приятнее, не знаю, выпускаются ли они еще. Правда чуть чуть самого верха не хватало.
 
Причины две: поломка опорного ролика и остаточные напряжения после сборки. На звуковом резонансе треснуть может с треском. Предпочитаю широкие и плоские панели в три диаметра динамика, без изгибов
Это теория либо практика?
Переднюю никто гнуть и не предлагает, пока.
 
Харбеты поинтереснее звучат, чем АТС, на мой ух. Середина приятнее, чище и прозрачнее. Но вариант с более крупным шелковым твиттером еще приятнее, не знаю, выпускаются ли они еще. Правда чуть чуть самого верха не хватало.
Гораздо интереснее чем АТС и есть тонкий нюанс. Если чуть переглушить, самую малость, то они резко "скучнеют", т.к. вся фишка дизайна именно в резонансах корпуса.
Во всяком случае мне было слышно именно так, пришлось несколько раз открывать и прибавлять-убавлять заглушку, пока не получилось что хотелось.
 
А на этих АС (ATC ) размер НЧ колпака явно большее, чем диаметр купола ВЧ – звука не будет 🥲
БудетЬ бум-тынц для определённых жанров, хорошего звука от этих динамиков в понтовых корпусах вряд ли услышать можно )
 
Звук есть, но как бы не страдивариевский, это правда :) Хочется чем-то разбавить, хотя бы второй гармоникой.
Противоположная коцепция это HARBETH C7ES-3 XD2, эти избушка такая весёлая. Хочется убавить, но не вторую гармонику, а просто добавить грусти.
Что я и делал, купив такие штуки: Car Sound Deadening Material Mat - хорошо работают для этой цели.
Оба-на! Таких АС и не видел и не слушал! Это редчайшие биполосные колонки на базе резонатора им. Ф.И. Гельмгольца, с которыми меня "роднят" только бифок@льные 0чки, с помощью которых я и смотрю на Мир звука. Закруглённые ранее стенки выпрямились под действием давления звука.

БудетЬ бум-тынц для определённых жанров, хорошего звука от этих динамиков в понтовых корпусах вряд ли услышать можно )
Такой (ну почти) могучий колпак Гельмгольца вроде Дюнаудио вроде любила применять.
 
Последнее редактирование:
Дядя Саша будет сводить??? ))
Это вряд ли, нужно было повторить "кубики".
 
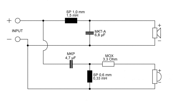
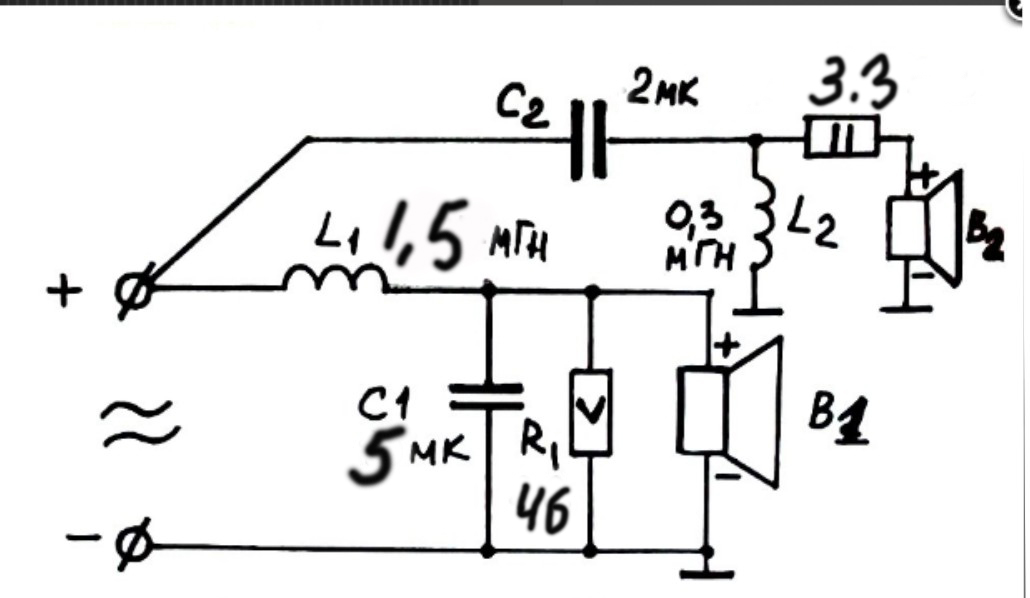
Близится к завершению отделка корпусов. Попробовал фильтры. Остановился на "бокаревском". Лежал ещё готовый "визатоновский", но у него слишком яркая середина.

Подарили старенькую внешнюю звуковуху Focusrite Scarlettsolo. Хочу измерения провести, но у карты микрофон xlr. Ищу переходник usb-xlr, если есть такой конечно.
 

Вложения

  • 0011.jpg
    0011.jpg
    111.4 KB · Просмотры: 70
  • 0022.jpg
    0022.jpg
    40.3 KB · Просмотры: 69
Подарили старенькую внешнюю звуковуху Focusrite Scarlettsolo. Хочу измерения провести, но у карты микрофон xlr. Ищу переходник usb-xlr, если есть такой конечно.
Стоит поступить проще чем искать переходники о которых лично я не слышал. Внешнюю карту используете как источник звука, а юзб микрофон как обычный микрофон подключенный к компу сделав соответствующие настройки в используемом ПО.
 
Стоит поступить проще чем искать переходники о которых лично я не слышал. Внешнюю карту используете как источник звука, а юзб микрофон как обычный микрофон подключенный к компу сделав соответствующие настройки в используемом ПО.
Добавлю... тем более, что РЕВа позволяет это делать элементарно. А переходника такого в принципе быть не может. У карты XLR - это аналоговый вход с фантомным питанием 48В.
 
Когда вот так набираешь кривой профиль из полосок, очень удобно перепады снимать не шкуркой, а небольшим рубанком. При должном умении и боковины друг к другу пристругиваются с минимальными зазорами за 10 секунд.
 
Подарили старенькую внешнюю звуковуху Focusrite Scarlettsolo. Хочу измерения провести, но у карты микрофон xlr. Ищу переходник usb-xlr, если есть такой конечно.
Купите себе К35. отличный цифровой радио микрофон. Для измерений АЧХ и поиска оптимальных мест расположения точки прослушивания и расположения АС в КП очень удобно. У приемника выход 3,5 джек, через переходник на 6,5мм джек и в линейный вход карты, если там нет 3,5 микр. входа. А главное никаких проводов. Микрофон можно пристегнуть к волосам или на плечо и ходить с ним по комнате. А на экране монитора смотреть форму АЧХ шумового сигнала от АС.
 

Вложения

  • Петличный радиомикрофон.jpg
    Петличный радиомикрофон.jpg
    159.3 KB · Просмотры: 70
  • Сравнение петличного, цифрового мик. K35 с измерительным мик. ECM 8000.jpg
    Сравнение петличного, цифрового мик. K35 с измерительным мик. ECM 8000.jpg
    729.4 KB · Просмотры: 70
Купите себе К35. отличный цифровой радио микрофон. Для измерений АЧХ и поиска оптимальных мест расположения точки прослушивания и расположения АС в КП очень удобно. У приемника выход 3,5 джек, через переходник на 6,5мм джек и в линейный вход карты, если там нет 3,5 микр. входа. А главное никаких проводов. Микрофон можно пристегнуть к волосам или на плечо и ходить с ним по комнате. А на экране монитора смотреть форму АЧХ шумового сигнала от АС.
Заинтересовало посмотрел на озоне отзывы. Пишут есть задержка примерно 200мс, есть шумоподавление :(
 
Заинтересовало посмотрел на озоне отзывы. Пишут есть задержка примерно 200мс, есть шумоподавление :(
Это на измерения практически не влияет, а на шуме - тем более. АЧХ будет усредняться. Шумоподавление динамическое и срабатывает очень быстро. На графике в левом нижнем углу видно, как на свипе резко упали нелинейные искажения при появлении сигнала от АС согласно её АЧХ, когда сигнал стал выше порога. Только нужно брать именно эту модель к35. Есть еще внешне похожие аналоги, но у них очень кривая АЧХ - задраны СЧ и ВЧ на 10-20 дБ и завал на НЧ. А тут АЧХ практически совпадает с измерительным микрофоном. Похоже, что капсюль WM-61. И микрофон инвертирует фазу сигнала.
 
Последнее редактирование:
У вас такой микрофон есть? Картинки выше ваши или из интернета?
 

Статистика форума

Темы
3,312
Сообщения
264,410
Пользователи
2,551
Новый пользователь
Александр Н.
Назад
Сверху Снизу