2-х полосная настольная АС (25гдн-3 + Vifa)

это звуковая карта внешняя?
https://nl.aliexpress.com/item/1005...=scene:pcDetailTopMoreOtherSeller|query_from:
Это 6 канальная внешняя ЮСБ аудио карта, 16 бит. Для старта более чем достаточно если китайцы не перемудрили с полкой шума.
Я не проверял эту звуковую карту, но думаю чисто для поиграться её цена вполне приемлемая. Далее если вы признаете активное деление как необходимое вам условие, то вы уже сможете сами решить достаточно ли вам параметров этой звуковой карты, или вы хотите что то более хорошее. Но вообще если у карточки полка шума будет ниже порога слышимости, то 16 битов хватит для активной двух полоски с головой.
Поймите что актив развязывает руки по полной, можно творить с двух полосками и трёх полосками всё что душе угодно.

800 грн на розетке, 96 кГц/91дБ динамический диапазон, больше никаких данных.
Для актива на двух полоску нужно четыре канала минимум.

В отзывах люди пишут что они её как раз с АРО и используют. И правильно делают, актив сильно упрощает достижение желаемого результата.
Screenshot_1.png
 
Попытка свести АС без подставки, прямо на столе.
Вариант с переворотом корпуса верх ногами не подошел.

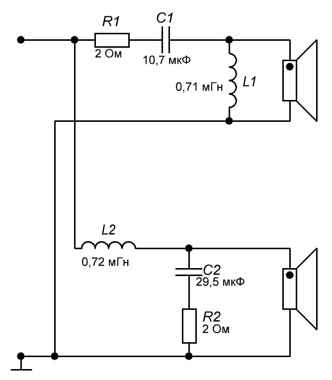
Электрическая схема:
минипк.GIF

Сумма и по полосам:
photo_2025-02-03_16-31-48.jpg

Сводили без гриля, если его одеть (зеленая), то получается такое. Рупор на ВЧ конус от 3д печати:
photo_2025-02-03_16-39-56.jpg

Для интереса добавил подставку 6 см, как в прошлом фильтре (черная):
photo_2025-02-03_16-40-59.jpg

Сравнение с предыдущей на подставке (красная) и новая без подставки (черная):
2442342.png

Импеданс на столе (черный) и в свободном поле:
photo_2025-02-05_15-45-54.jpg

Если АС со стола перенести в свободное поле, то получим следующую АЧХ, расстояние 0,8 м, между ВЧ и НЧ, без гриля:
photo_2025-02-05_15-45-33.jpg

Если поднять микрофон выше оси на 25 см, то АЧХ будет следующей (красная кривая):
photo_2025-02-05_15-45-36.jpg
 

Вложения

Последнее редактирование:
Во втором варианте фильтра АС сводились на столе, без подставок. Вроде выровняли АЧХ, но стоило приподнять АС на 5 см и выше как звук становился более легким, не таким гундосным. Причина - близко к столу расположен НЧ динамик.

решили вернутся к первому варианту фильтра с подставкой, помучавшись пару дней удалось получить еще более достойный результат. Подставка минимум 5 см.

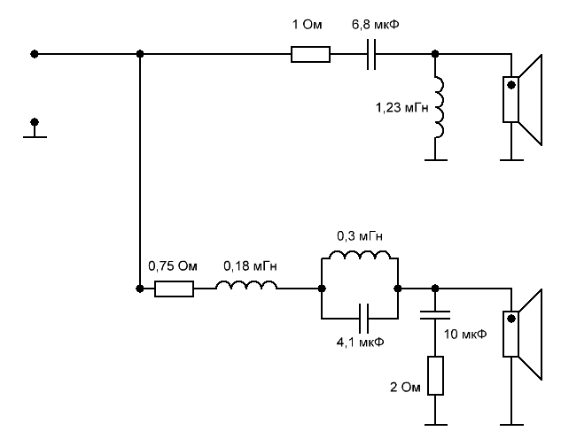
Схема:
photo_2025-02-13_10-34-02.jpg

АЧХ на месте прослушивания (окно 15 мс), с грилем и конусным рупором на ВЧ:
1.png 2.png

АЧХ на месте прослушивания (окно 15 мс), без гриля:
3.png 4.png

Сравнение кривых с грилем (черная) и без него (красная):
5.png

Импеданс (снимался на столе, но в свободном поле аналогичен):
photo_2025-02-11_09-37-20.jpg

АС создавались как прикомповые. Был смоделирован стол, монитор и место прослушивания. Решил посмотреть кривые в свободном поле с расстояния 0,8 м. Микрофон между осями динамиков. Окно выбрал так же 15 мс.

АЧХ с 0,8 м, с грилем и конусным рупором на ВЧ:
6.png 7.png

АЧХ с 0,8 м, без гриля:
8.png 9.png

Корпус еще в процесе подготовки, по этому ЗПМ внутри не определен. АЧХ по оси НЧ, 2 см, 100 мс:
photo_2025-02-10_10-27-31.jpg
 
Последнее редактирование:
Симпатично, не ясно только, это что почти больше одной октавы совместной работы НЧ и ВЧ?
 
Оформление не закончено, импеданс на НЧ не смотрИте.
это что почти больше одной октавы совместной работы НЧ и ВЧ?
Да. Во временнОм окне 3 мс примерно так
674.png
Широкая зона совместной работы спасает от провалов АЧХ, вызванных отражением от стола. Динамики находятся на разной высоте, и частоты провалов не совпадают.
кривые в свободном поле с расстояния 0,8 м. Микрофон между осями динамиков.
АЧХ с 0,8 м, без гриля:
Посмотреть вложение 124065
В данной точке фильтр явно неоптимален!
Завал АЧХ ФВЧ на частоте резонанса ВЧ динамика (550 Гц) равен -20дБ от полки, а крутизна ската сооветствует ФВЧ-2 <=> ВЧ динамик защищён и не будет перегружен амплитудой.
 
Последнее редактирование:
Ну ладно, если это вынужденная мера. Пора наверное переходить на цифровое сведение полос АС
 
Закончил финишную отделку корпусов. Акриловый грунт + акриловый глянец. Глянец плохо лег, местами мат, местами блеск. Нужно было мат брать. Все накладки окрашены в черный мат. Рупор на ВЧ возможно еще дополнительно закрою тканью.
photo_2025-02-14_17-32-00.jpg photo_2025-02-14_17-31-31.jpg photo_2025-02-14_17-31-46.jpg photo_2025-02-14_17-31-51.jpg

Так же было отслушано оформление ФИ и ЗЯ. ФИ выиграл, он здесь заводской с настройкой на 58 Гц. Пробовал настройку 45 Гц - становилось хуже. Затем подкинул ИТУН на 2050 он с коррекцией на НЧ и тут уже выиграл ЗЯ.

Красная - ФИ, синяя - ЗЯ, черная - ФИ, но с настройкой на 45 Гц (+13 см к длинне трубы). Микрофон по оси НЧ в 7 см:
photo_2025-02-14_12-32-53.jpg

Черная - ЗЯ, зеленая - ФИ. 1 см по оси НЧ:
photo_2025-02-14_17-39-41.jpg

АЧХ с коррекцией не мерял, поленился, но видимо стоит сделать для общего пониания.
 
IMG_E6948-min.JPG


Колонки собраны и установлены на рабочем месте. Возможен доворот на слушателя без особых проблем. Но для меня высоких частот и так хватает. Записал видео. Что бросается на слух после записи, там это обрезанные высокие частоты, их на самом деле больше, но они не давят на уши. И обрезаные (не так сильно как высокие) низкие частоты. Так же позже добавлю еще несколько видео по разным жанрам.


Фильтры собраны на фанерной доске. Удифильские провода ПВС залог успеха. Вместо резисторов 2 Ома применил номонал 2,2 Ом.
34543 (1)-min.JPG 34543 (2)-min.JPG 34543 (10)-min.JPG 34543 (11)-min.JPG 34543 (12)-min.JPG

Подставка поднимает АС на высоту 5,5 см. на ножки добавил войлочные наколейки. Площадка оргстекло 5 мм, ножки - бук, кругляк. Все видимые части окрасил в черный мат под стиль АС.
34543 (5)-min.JPG 34543 (6)-min.JPG 34543 (7)-min.JPG

Готовое изделие:
IMG_6939-min.JPG IMG_6940-min.JPG IMG_6942-min.JPG IMG_6943-min.JPG IMG_6944-min.JPG IMG_6945-min.JPG IMG_6948-min.JPG
Спасибо Николаю за помощь в настройке фильтров.
 
Посмотреть вложение 128169

Колонки собраны и установлены на рабочем месте. Возможен доворот на слушателя без особых проблем. Но для меня высоких частот и так хватает. Записал видео. Что бросается на слух после записи, там это обрезанные высокие частоты, их на самом деле больше, но они не давят на уши. И обрезаные (не так сильно как высокие) низкие частоты. Так же позже добавлю еще несколько видео по разным жанрам.


Фильтры собраны на фанерной доске. Удифильские провода ПВС залог успеха. Вместо резисторов 2 Ома применил номонал 2,2 Ом.
Посмотреть вложение 128154 Посмотреть вложение 128155 Посмотреть вложение 128159 Посмотреть вложение 128160 Посмотреть вложение 128161

Подставка поднимает АС на высоту 5,5 см. на ножки добавил войлочные наколейки. Площадка оргстекло 5 мм, ножки - бук, кругляк. Все видимые части окрасил в черный мат под стиль АС.
Посмотреть вложение 128156 Посмотреть вложение 128157 Посмотреть вложение 128158

Готовое изделие:
Посмотреть вложение 128162 Посмотреть вложение 128163 Посмотреть вложение 128164 Посмотреть вложение 128165 Посмотреть вложение 128166 Посмотреть вложение 128167 Посмотреть вложение 128168
Спасибо Николаю за помощь в настройке фильтров.
Дед Страдиварий схватился за ... печень от белой з@висти!
 
Когда я писал, что 5ка ни о чем в 12-15 кв.м находились спорщики.
А две 5-ки? В молодости две S-30 (бедные студенты) в комнате 15 квадратов от усилителя 2*25 басили так, что ах ушки закладывало. Ну как-басили... громко, но на грудь это не давит. Сейчас занялся дурацкой задачей - запихнуть в корпус маленького саба Panasonic (аж 4 литра!) 25ГДН-3. В сабе изначально отвратительный динамик, нет ЗПМ и ФИ настроен на 75 Гц. Сделаю попытку получить что-то лучше с 25-кой. Расчётно выходит более-менее для такой коробочки, 60 Гц по -6дБ.
 
А две 5-ки? В молодости две S-30 (бедные студенты) в комнате 15 квадратов от усилителя 2*25 басили так, что ах ушки закладывало. Ну как-басили... громко, но на грудь это не давит. Сейчас занялся дурацкой задачей - запихнуть в корпус маленького саба Panasonic (аж 4 литра!) 25ГДН-3. В сабе изначально отвратительный динамик, нет ЗПМ и ФИ настроен на 75 Гц. Сделаю попытку получить что-то лучше с 25-кой. Расчётно выходит более-менее для такой коробочки, 60 Гц по -6дБ.
9 литров ФИ с идеальной АЧХ внизу . Утрамбовать в 4 литра- выйти на 60 Гц эт вряд ли.
 
Пересмотрел еще разок тему:
photo_2025-02-11_09-37-20-jpg.124049

Но где горбулька от работы ФИ?
 
800 грн на розетке, 96 кГц/91дБ динамический диапазон, больше никаких данных.
Вот бы еще узнать один момент, есть ли у этой лушпайки АЦП двухканальный? Или хотя бы узнать что там за чип стоит.

1749724787793.png


На 25 гц)
Около 50 гц расчетная настройка
Не верю!
 
Красная - ФИ, синяя - ЗЯ, черная - ФИ, но с настройкой на 45 Гц (+13 см к длинне трубы). Микрофон по оси НЧ в 7 см:
Посмотреть вложение 124214
С расстояния 7 см, при близком от микрофона выхлопе порта ФИ, на АЧХ влияют и динамик, и ФИ, не понять ничего.
АЧХ с коррекцией не мерял, поленился, но видимо стоит сделать для общего пониания.
Я бы оставил ЗЯ и навалил НЧ коррекции, пущай отдувается!
Оформление не закончено, импеданс на НЧ не смотрИте.
Это было НЕ финальное измерение, а какое-то промежуточное, со щелями.
 
Последнее редактирование:
Натянул ткань на рупор, плотно вставил в посадочное место на гриле, лишнюю ткань сзади обрезал. Рупор жестко закреплен, тогда как ткань хорошо натянута. Клей не использовал.

photo_4_2025-07-27_15-41-01.jpg photo_3_2025-07-27_15-41-01.jpg photo_2_2025-07-27_15-41-01.jpg photo_1_2025-07-27_15-41-01.jpg

По звучанию высоких можно и больше, хоть и настроены в уровень. Не утомляют. Бас отсутствует на месте прослушивания, у противоположной стены есть. Для этого недостатка, я купил плату корректора баса.
 
Бас отсутствует на месте прослушивания, у противоположной стены есть.
Место прослушивания - у компа за 1 метр, и - бас отсутствует? :unsure: График в ТП - в студию.
Для этого недостатка, я купил плату корректора баса.
Не перегрузИте ФИ низкими (для него) частотами.
 
Для этого недостатка, я купил плату корректора баса.
Если источник звука компьютер то на кой ляд вам плата корректора? Намного удобнее поставить на комп EQ APO и там сделать необходимую эквализацию частотки АС.
Вот я ради прикола ровнял частотку у 10ГДШ с помощью АРО.
Screenshot_1.png

Аро чем удобна, так тем что она находится между звуковой и виндой т.е. все звуки винды идут через АРО. Т.е. один раз настроил частотку через АРО и забыл за неё.
 
Место прослушивания - у компа за 1 метр, и - бас отсутствует? :unsure: График в ТП - в студию.

Не перегрузИте ФИ низкими (для него) частотами.

Если источник звука компьютер то на кой ляд вам плата корректора? Намного удобнее поставить на комп EQ APO и там сделать необходимую эквализацию частотки АС.
Вот я ради прикола ровнял частотку у 10ГДШ с помощью АРО.
Посмотреть вложение 144677

Аро чем удобна, так тем что она находится между звуковой и виндой т.е. все звуки винды идут через АРО. Т.е. один раз настроил частотку через АРО и забыл за неё.
Так эквализация дает задержку и пердеж некий или у вас не так? Похоже на еквалайзер в проигрывателе. Один раз я подключил эти АС у ИТУНу и сделал закрытый ящик - лучше баса и не придумать.
 
Так эквализация дает задержку и пердеж некий или у вас не так?
Кто вам такие страсти рассказал? _scare

Бубнёж чаще всего связан со стоячей волной в помещении которую возбуждает динамик, что бы уменьшить проявление стоячей волны, нужно ввести коррекцию в АЧХ в точке прослушивания, тем самым бубнёж будет загнан под порог слышимости.....

Цифровая эквализация это далеко не те дешёвые эквалайзеры которые стояли в бюджетных магнитофонах от которых вреда было больше чем пользы. С помощью компа и микрофона можно так рихтануть АЧХ, что мало какая АС дотянется до такого результата.

В общем…. Если вы хотите проверить мои слова своими ушами, и готовы установить АРО на комп и дать мне измерения АЧХ от каждой АС в точке прослушивания в программе REW, то я вам сделаю файл коррекции для АРО который вы просто добавите в АРО и послушаете результат. Далее уже примете решение стоит использовать АРО или лучше старым дедовским методом применять аппаратные решения.
 
Если делать эквализацию БИХами то нет там ни какой задержки. Да и КИХ умеренной длины вносит незаметную задержку. КИХ применять приходится в случае необходимости раскручивания фазы, для рихтовки только АЧХ, БИХа более чем достаточно.

кривой интеграцией в систему ПО с названием
Вы же им сами пользуетесь. Как у вас дела с задержкой и бумнежом?
 
Как у вас дела с задержкой и бумнежом?
1. При использовании стандартного 31-и полосного эквалайзера, звук начинает "коробить", рывки, не контролируемые изменения тона и запаздывание звука при воспроизведении вдиео со звуком.
2. В моём варианте, APO каким то образом перекручивает фазу сигнала, из за чего пассивный сабвуфер перестаёт работать вообще.
 
1. При использовании стандартного 31-и полосного эквалайзера, звук начинает "коробить", рывки, не контролируемые изменения тона и запаздывание звука при воспроизведении вдиео со звуком.
Я при коррекции 10ГДШ использовал настройки фильтров рассчитанные REW, описанных вами проблем у меня не было. У меня базовая версия АРО.

2. В моём варианте, APO каким то образом перекручивает фазу сигнала, из за чего пассивный сабвуфер перестаёт работать вообще.
С таким я не сталкивался, думаю что там там перемудрено с настройкой в АРО, в каком то смысле АРО тяжёлая к освоению программа, и там много всяких нюансов который порой приводят к неожиданному результату.
 
думаю что там там перемудрено с настройкой в АРО
Ну не сказал бы что там сильно перемудрено, скорее всего это глюк или кривая совместимость APO и внешней звуковой карты.

А так да, корректировал АЧХ при помощи REW. Но для Canton GLE40 это не требуется:
1753640253563.png

Ну не то что бы всё идеально, но вот так "из коробки" выглядит сумма АЧХ в месте прослушивания, без какой либо цифровой/аналоговой обработки.
 
скорее всего это глюк или кривая совместимость APO и внешней звуковой карты.
Да, скорее всего проблема совместимости.

Ну не то что бы всё идеально, но вот так "из коробки" выглядит сумма АЧХ в месте прослушивания, без какой либо цифровой/аналоговой обработки.
Вполне терпимо.
 
Кто вам такие страсти рассказал? _scare

Бубнёж чаще всего связан со стоячей волной в помещении которую возбуждает динамик, что бы уменьшить проявление стоячей волны, нужно ввести коррекцию в АЧХ в точке прослушивания, тем самым бубнёж будет загнан под порог слышимости.....

Цифровая эквализация это далеко не те дешёвые эквалайзеры которые стояли в бюджетных магнитофонах от которых вреда было больше чем пользы. С помощью компа и микрофона можно так рихтануть АЧХ, что мало какая АС дотянется до такого результата.

В общем…. Если вы хотите проверить мои слова своими ушами, и готовы установить АРО на комп и дать мне измерения АЧХ от каждой АС в точке прослушивания в программе REW, то я вам сделаю файл коррекции для АРО который вы просто добавите в АРО и послушаете результат. Далее уже примете решение стоит использовать АРО или лучше старым дедовским методом применять аппаратные решения.
Сам убедился в этом. Вот снова настроил, пол часа прослушивания. Бас не гудит он как бы в перегрузе работает. И чем больше дБ добавлять - тем больше перегруз и даже задержка. Так это я не много накручиваю, 6 дБ максимум.
 

Статистика форума

Темы
3,312
Сообщения
264,410
Пользователи
2,551
Новый пользователь
Александр Н.
Назад
Сверху Снизу