6ГДВ-4-8 (6ГД-13)

Дима

3 ранг
Регистрация
16 Июл 2019
Сообщения
85
Реакции
42
Баллы
18
6гдв-4-8-ldsound_ru-7.jpg
Изготовитель: завод «Красный Луч», г. Красный Луч.
Назначение: для применения в выносных акустических системах высшей и первой группы сложности в качестве высокочастотного звена для работы в помещениях.

Технические характеристики:

Диапазон частот: 3150 – 25000 Гц
Неравномерность АЧХ: не более 8 дБ
Чувствительность: 93 дБ
Среднее звуковое давление: 1,26 Па
Коэффициент гармонических искажений при рабочей мощности: 3%
Сопротивление: 8 Ом
Максимальная шумовая (паспортная) мощность: 6 Вт
Максимальная кратковременная мощность: 10 Вт
Вес: 900 г

Особенности конструкции:

Головка электродинамического типа, высокочастотная, круглая, с неэкранированной магнитной цепью. Установочный фланец и акустическая линза изготовлены из пластмассы.

Магнитная цепь состоит из:

  1. Кольцевого ферритового магнита марки М16БА 190-1 размером К85х35х15 мм;
  2. Керна диаметром 25 мм;
  3. Верхнего фланца с отверстием диаметром 26,6 мм
  4. Высота воздушного зазора 2,6 мм, его радиальная ширина 0,8 мм, индукция в зазоре 1,25 Тл.
Подвижная система включает в себя:

  1. звуковую катушку, намотанную проводом марки ПЭВЛ диаметром 0,1 мм, намотка двухслойная, общее число витков 51, в первом слое 26 витка, во втором – 25, высота намотки 2,7 мм, омическое сопротивление 7 ±1 Ом. Каркас катушки изготовлен из бумаги марки ЭН-70 толщиной 0,070 мм. Высота ЗК 4,5 мм, внутренний диаметр 25,4 мм, внешний (вместе с намоткой) 26,05 мм;
  2. куполообразную диафрагму с подвесом, изготовленным на основе пленки из полиэтилентерефтолата.

6uld.jpg6гдв-4-8-ldsound_ru-6.jpg10gd35_6gd13-ldsound.ru_.jpg
 
Последнее редактирование модератором:
Что интересно, их выпускади с "пулей" и без. А так же с медным колпачком на керне и без него. При чём, не всегда как то разделённо по годам. Можно встретить как с "пулей" так и без неё и 6гд-13 старых выпусков и новые 6гдв-4. Аналогичная история и с медным колпаком. А ведь параметры будут, может и не значительно, но будут отличаться при разной так сказвть комплектации.
 

6342424369.jpg 6342424410.jpg

Первые образцы:
fe54t5g (2).jpg fe54t5g (1).jpg
 
Последнее редактирование:
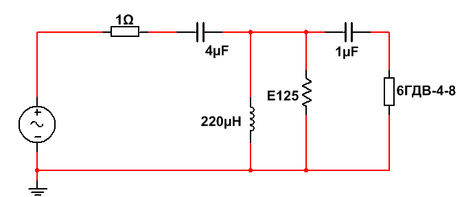
Играясь с 3-х полосная АС на базе 35АС-028 "Старт", сравнил звучание 6ГДВ-4-8 с Dibeisi e125, дешёвым клоном SC10n. Для выравнивания чувствительности подключил вот так:
compar.png
При этом громкости примерно одинаковы.
АЧХ по напряжению на Е125 - синим, 6ГДВ - красным:
compar2.png
Отдачи просто не сравнимы. Но 6ГДВ звучит настолько грязно и призвучно, что слушать невозможно! Динамик 1991 года, перестроечный. Резонансная біла 2,4 кГц сейчас значительно выше. А направленность - повернул голову=выключил динамик. Бан в сравнении с тканевым куполом.
 
Последнее редактирование:
У наших пищал резонансы очень большой горб имеют, их надо резать минимум 2-м порядком с 6 кгц, тогда хоть как-то применимы. А направленность -да, тело венте даёт точечную направленность. Сидеть надо, прибитым гвоздём в одной точке, есть такое.
 
Мучился я с этими 6гдв4, в итоге из этого роя, не вышло ни....чего. магниты отделю, всё остальное в помойку. Кливеры 50ас на чердаке лежали, там 25гдн-1л и 6гдв4, пытался типа кубиков Салтыкова сделать
 
Прискорбно, но ВЧ-динамики в СССР делать так и не научились. Точнее, копировать.
Один хуже другого.

Знакомый жаловался на "кислотный" звук своих S-90, оказалось, там была сильно защемлена диафрагма. Подвижка головок на фото выше не имеет гофра, а подвес очень жесткий. Нечему колебаться.
 
Последнее редактирование модератором:
не знаю от куда столько негатива в сети на эти динамики ,у меня кливеры играют приятнее чем с 90
,да и барыги просят за них в 2 раза почти больше чем за 10гдв , но нужно делать замеры
вопрос такой отличия 6гдв4 от 10гдв4 только в колпаке медном получается?
 
Сэкономил я себе много лет жизни, начав акустическую тему сразу с нормальных фирменных пищалок, а уже потом через много лет познакомившись с нашими. Хотя, и в лабораторию попадали всякие залетные отечественные. Один раз попалась необычно ровная и с красивым звуком 3ГД-2. Думал, все такие. крепко ошибся. А ещё 1ГД-3 в Симфонии, еще тот ужас .
В сочетании с убогими примитивными фильтрами они не способны были ни на что . кроме мерзкого едкого шипения.
Сейчас вокруг есть много хороших недорогих динамиков, но почему-то народ упорно считает эту пакость динамиками, тратит силы на их ремонт и доработку. Не понимаю такого совершенно.
С весны подалал много чего на щедрых дарах от нашего kolobrkin, и всегда скромняги Визатоны TW70 уживались с любым басовиком, особенно с низко работающим, на что не способны купольные тканевые пищалы. Поэтому нет и в мыслях что-то сочинять на "винтаже" типа 10ГДВ .
 
Последнее редактирование:
TW70 за такую цену прилично , я думаю кто ковыряет старые колонки там есть % ностальгирования ,вч я как то покупал несколько штук SC 13/8 ,очень понравилось особенно года от стоил 900р)))
щас же 2000 , когда есть 6гдв4 за 500 р
 
скромняги Визатоны TW70 уживались с любым басовиком, особенно с низко работающим, на что не способны купольные тканевые пищалы.
Прямо сейчас снял АЧХ микрофоном с рук и с разных расстояний.
Динамик прилеплен кое-как (для моих целей это неважно) на картонном неглубоком ОЯ шириной около 0,3 м.
tw70 20sm.png

Это вблизи с 20 см.
tw70 100sm.png

А это с метра. Удивительно и радует, что результаты совпадают.
С метра виден резонанс 1,5 кГц. Это нормально.
На слух розовый шум нормальный.
(Думаю, розовый аудиофилы выбирают из-за глямура, чтобы быть в трынде).
Само собой, с фильтром АЧХ изменится. Провальчик около 8 кГц должен давить сибилянты. Пик около 15 кГц - вряд ли плохо.
А вот с полуметра и под углом примерно 30 град.
tw70 50sm 30grad.png

Недурно.
Если кому не нравится кривизна, то могу сказать, что в реальных домашних условиях так и должно быть.
А рекламные АЧХ из заглушенных комнат - условность или обман, в чём я недавно очередной раз убедился на подобных, но других динамиках.
Как будет звучать и сшиваться, пока утверждать не могу, пока.
Но пока всё нормально, особенно с учетом бюджетной цены.
 
До кучи импеданс TW-70. Индуктивность катушки примерно 0,05 мГн.
Резонанс 1,35 кГц. Диаметр диффузора около 5,5 см.
TW70 limp.png

Планирую в корпус 10МАС-1М, а вот с каким басовиком - посмотрим.
 
TW70 за такую цену прилично , я думаю кто ковыряет старые колонки там есть % ностальгирования ,вч я как то покупал несколько штук SC 13/8 ,очень понравилось особенно года от стоил 900р)))
щас же 2000 , когда есть 6гдв4 за 500 р
Визатон SC10N за свои 2000 играет на пять. А наш за 500 играет на 100р.

Прямо сейчас снял АЧХ микрофоном с рук и с разных расстояний.
Динамик прилеплен кое-как (для моих целей это неважно) на картонном неглубоком ОЯ шириной около 0,3 м.
Посмотреть вложение 6902
Это вблизи с 20 см.
Посмотреть вложение 6903
А это с метра. Удивительно и радует, что результаты совпадают.
С метра виден резонанс 1,5 кГц. Это нормально.
На слух розовый шум нормальный.
(Думаю, розовый аудиофилы выбирают из-за глямура, чтобы быть в трынде).
Само собой, с фильтром АЧХ изменится. Провальчик около 8 кГц должен давить сибилянты. Пик около 15 кГц - вряд ли плохо.
А вот с полуметра и под углом примерно 30 град.
Посмотреть вложение 6904
Недурно.
Если кому не нравится кривизна, то могу сказать, что в реальных домашних условиях так и должно быть.
А рекламные АЧХ из заглушенных комнат - условность или обман, в чём я недавно очередной раз убедился на подобных, но других динамиках.
Как будет звучать и сшиваться, пока утверждать не могу, пока.
Но пока всё нормально, особенно с учетом бюджетной цены.
АЧХ идентична моим замерам, все именно так. Фильтр с плавным выходом на полочку делает звучание воздушным и прозрачным. Резкий спад подчеркнет торчок на резонансе и прощай красота звука.
 
АЧХ идентична моим замерам, все именно так. Фильтр с плавным выходом
Привожу свои измерения (и не только здесь) не потому, что "я самый умный" и "у меня правильнее всех", а для информации.
Вполне ведь может быть, что в новых партиях деталей кто-то их инновацизировал (испортил). Кроме того, сами результаты зависят от условий измерений, помещения и так далее.
Могу и ошибаться (бывает), могут быть и систематические ошибки. А недавно пришлось обновлять драйверы звуковой карты из-за того, что результаты стали странными. Почему - не знаю.
Резонанс, кстати, на мой взгляд, весьма умеренный, катушка динамика имеет небольшую индуктивность. Похоже, что на резонансе не торчок, а небольшой выступ. Так думаю ПОКА не пробовал сводить и слушать. Наклон АЧХ тоже не пугает - фильтры должны его выровнять. Пока предположу, что от 3 кГц и выше всё должно быть хорошо. а уж от 4...5 кГц - точно.
Визатон SC10N тоже купил пару на пробу. Позже измерю и послушаю.
Оба динамика TW-70 и SC-10 одни из самых дешёвых, сопоставимы по цене с советскими. Поэтому если на руках советских динамиков нет, лучше сразу покупать эти или подобные. Возни с ними меньше, разброс наверняка меньше. Но советские интереснее и с ними требуется большее искусство.
Конечно, при замене других динамиков, скорее всего надо подправлять фильтры.

Раз уж я влез в эту тему и не вполне по теме, приведу на закуску прикидку TW-70 в LSP CAD по результатам измерений с расстояния около 0,5 м.
TW70-04.png

Первая прикидка с фильтром 1-го порядка. Понимаю, что это неправильно, надо резать выше и т. д. Не показываю басовик, чтобы не мешал. Просто хотел показать, что фильтр выравнивает АЧХ.
Это для тех, кто сам не измеряет. Результат на удивление.
Допускаю, что "торчок" резонанса даже если, как здесь, не виден, то его может быть слышно.
 
Почему в теме про советские ВЧ идёт обсуждение визатонов? Куда смотрит модерация?

Заметил, что куда бы один из здесьприсутствующих не сунулся, сразу заходит тема про фостексы да визатоны, из чего следует, что кроме этих динамиков он ничего в руках и не держал.


Что интересно, их выпускади с "пулей" и без. А так же с медным колпачком на керне и без него. При чём, не всегда как то разделённо по годам. Можно встретить как с "пулей" так и без неё и 6гд-13 старых выпусков и новые 6гдв-4. Аналогичная история и с медным колпаком. А ведь параметры будут, может и не значительно, но будут отличаться при разной так сказвть комплектации.

Звук паршивый, что с пулей, что без. Виновна подвижка (причем не важно, шелк это или лавсан), она в обоих случаях очень жесткая и ее легко ущемить, излишне туго затянув винты. Звук в этом случае будет сиплый, как бы придушенный. В целом, конструкция динамика очень уродская. В некоторых моделях ВЧ, использующих эту же подвижку, были попытки убрать противофазный участок, демпфируя купол снаружи, кусочком поролона. Эти звучат чуть благороднее. Но повторяю, дело в жесткости купола, и петь сладко он не будет, хоть демпфируй его, хоть нет.
 
Последнее редактирование модератором:
И 6ГДВ-4 (6ГД-13) и 10ГДВ-4 (10ГД-43) - очень приличные пищалы. Просто они низко не играют. Им надо давать всё, что выше 5 кгц. А с приличным фильтром попробуйте найдите хоть что-то импортное с реальным чутьём 93-94 дб. Так что за эти деньги наши пищалы равных не имеют.
 
Чуть выше написано умным человеком: Визатоны по цене сравнимы с советскими . И лучше по качеству. Но если упор делается именно на советские, то советы и советующих иное можно послать по адресу. Как обычно.
 
Чуть выше написано умным человеком: Визатоны по цене сравнимы с советскими . И лучше по качеству. Но если упор делается именно на советские, то советы и советующих иное можно послать по адресу. Как обычно.
Ну как сравнимы? 2ГД-36 стоит иногда и 0 рублей, а в среднем 100 рублей. Он близок по звучанию и АЧХ к TW70, который стоит 1100 р.
10ГДВ-4 с его 94 дб чутья не имеет аналогов при его ценнике 500 р за шт.
То, что все наши динамики надо "допиливать" обсуждать не будем. Тот же KSV прекрасно с этим справляется и получает хороший результат.
 
А с приличным фильтром попробуйте найдите хоть что-то импортное с реальным чутьём 93-94 дб

Не надо демагогии. Счастье отнюдь не в чуйке в > 90 Дб.
Я попробую вылить пресс-форму для этих подвижек и изготовлю самодельные купола, из зонтичной ткани. Тогда будет, чем показать на деле. А сейчас просто трёп.
 
да, может они и хорошие, советские, но свыше 5кГц их пускать,(а значит начинать резать надо с 10) получается направленость острая, звук сухой, нет обьёмности звучания. от высокого раздела получается плохой звук
 
Не надо демагогии. Счастье отнюдь не в чуйке в > 90 Дб.
Если бы у вас был усилитель мощностью 2-3 вт, то вам бы ох как нужны были эти 94 дб. Если 25-30 вт, то конечно тогда и 87 дб нормально.
 
Ну как сравнимы? 2ГД-36 стоит иногда и 0 рублей, а в среднем 100 рублей. Он близок по звучанию и АЧХ к TW70, который стоит 1100 р.
10ГДВ-4 с его 94 дб чутья не имеет аналогов при его ценнике 500 р за шт.
То, что все наши динамики надо "допиливать" обсуждать не будем. Тот же KSV прекрасно с этим справляется и получает хороший результат.
Визатоны можно не глядя брать и они одинаковые. А те же 2ГД-36 - дикий разброс, мусорное качество. Играть в лотерею с нашими пищалами 10ГДв, которые с завода кривые - спасибо, не хочется.

да, может они и хорошие, советские, но свыше 5кГц их пускать,(а значит начинать резать надо с 10) получается направленость острая, звук сухой, нет обьёмности звучания. от высокого раздела получается плохой звук
В двухполоску однозначно нельзя, а в три полосы- средник нужен ровный. И снова яма с волками.
 
Играть в лотерею с нашими пищалами 10ГДв, которые с завода кривые - спасибо, не хочется.
Повторю:
если кто-то захочет незадорого собрать 3-полоску с РЕАЛЬНЫМ чутьём 93-94 дб, то ему прямая дорога к нашим пищалам, потому что ничего импортного он не найдёт.
Всякий прибор надо использовать по назначению. Назначение наших пищал 6ГДВ-4, 10ГДВ-4 - ВЧ-полоса в высокочувствительных АС.
 
Пи-Аудио РНТ 409 или 407 создают такое же давление без всяких хлопот, работают с 2, 5 -3 килогерц, в продаже всегда, искать не надо и выбирать из хлама. Но если помучиться, то конечно. Реализовать потенциал высокочувствительных пищалок- для этого нужен и басовик такого же чутья, иначе смысла в задавленной пищале меньше нуля. И назовите мне хоть один басовик с такой чувствительностью, желательно отечественный. И доступный на сегодня.
 
Пи-Аудио РНТ 409 или 407 создают такое же давление без всяких хлопот, работают с 2, 5 -3 килогерц, в продаже всегда, искать не надо и выбирать из хлама. Но если помучиться, то конечно. Реализовать потенциал высокочувствительных пищалок- для этого нужен и басовик такого же чутья, иначе смысла в задавленной пищале меньше нуля. И назовите мне хоть один басовик с такой чувствительностью, желательно отечественный. И доступный на сегодня.
Сравнивать обычные пищалы с рупорными некорректно. Тогда уж надо вспомнить 1А-17 с 110 дб и прочие...
Из басовиков и мидбасовиков:
4ГД-4, 4ГД-5, 4ГД-7, 5ГД-3, 6ГД-2, 5ГД-1, 6ГД-1, 6ГД-3, 8ГД-1.
Но не надо забывать, что басовики можно ставить и парами и квартетами, сразу увеличивая чутьё на 3-6-9 дб. А вот пищалы так ставить нельзя.
93 дб можно получить от пары 8ГД-1-25, от квартета 10ГД-30, 30ГД-1, 25ГД-41, 100ГДН.
Вариантов масса.
 
Пишка она рупорная скорее наличием рупора, внутри куполок да фазовыравнивающая мулька впереди. А задир внизу фильтром убирается, в остатке ровная протяженная ачх без закидонов, спокойный неокрашенный звук с чистым спектром . Знаком с ними лет 15, прекрасное мнение о них, да и не только у меня.
Из перечисленных вами динамиков многие хороши, но страшно представить, во что выльется поиск двух квартетов таких динамиков , подобранных по одинаковым параметрам.
Время ушло, а жить надо сегодня и тем, что есть реально.
 
Повторю:
если кто-то захочет незадорого собрать 3-полоску с РЕАЛЬНЫМ чутьём 93-94 дб, то ему прямая дорога к нашим пищалам, потому что ничего импортного он не найдёт.
Трёхполоска обычно подразумевает отдельный басовик, который СЧ играть не может совсем. Реальная чувствительность таких басовиков в рабочей области частот, а не на СЧ где у них отдача выше, как правило, очень низкая. Ни о каких 93-94 дБ и речи нет. Значит СЧ и ВЧ придется подрезать под уровень басовика.
Есть хорошие советские чувствительные динамики, например 4ГД-5. Но это ни разу не басовики для трехполоски. В трехполоски их ставят скорее в СЧ канал. Для двухполоски они хороши, но без особой претензии на бас.
Так что поставил басовик - зарезал чувствительность всей колонки.
Речь идет о советских НЧ динамиках, не о самоделках и уникальных экземплярах. Хотя я и в современные PRO басовики с такой чувствительностью не очень верю, скорее всего цифры чувствительности будут завышены.
Импортные и дешевые пищалки с высокой чувствительностью есть.
Это, например, вышеупомянутые PHT-407, PHT-409.
Обещают под 100 дБ. Врут, конечно, но всяко, явно и намного выше 90 дБ.
Думаю, есть и другие. Но вот незадача - чтобы в этом убедиться, их надо купить и испытать, а это дело затратное и всё равно никому ничего не докажешь.
Относительно того, что я написал не в тему, выше я сразу принёс свои извинения. Но затевать тему ради прикидочных измерений, несерьёзно. А представить результаты измерений аналога 6ГД-13, думаю, грех не слишком велик.
По поводу цен. Они вполне сравнимы, тем более на Авито в Москве.
Стоимость динамиков составляет не главную часть стоимости АС.
Кроме того, кто может поручиться, что я куплю эти 6ГД-13, которым уже полсотни лет и хламом они не окажутся??! Я купил подобным образом немало старых динамиков и очень часто приходилось их ремонтировать, если ремонт был вообще возможен. Поэтому вполне может быть, что покупать надо в 2-3 раза больше.
И я повторяю. Рекомендовал покупать, если нужных динамиков в товарном количестве в чулане нет.
У меня кое-что из старья в чулане есть и я стараюсь это использовать. Но много будет толку, если я буду описывать звук итальянских динамиков IREL 60-летней давности? Кто их и, главное, где купит??!
А проклятые визгатоны доступны в магазине, наверняка обладают высокой повторяемостью, схемы и фильтры для них известны.
 
Пищалки ПиАудио 407 и 409 -там реального чутья честных 92-93 дБ. Потому как ачх своеобразная, страус головой в песок, задницей наружу. После фильтра остается среднее чутьё.
Зато всегда под заказ. А наши динамики- там обычно полная печаль в плане отдачи, а намагнитить пока негде, хотя обещают. И последнее. Скажем, тряхну стариной, затею постройку колонок, измерения динамиков, - а кому оно надо вообще и кто возместит труды . Нет уж. Чисто хобби -для чисто хоббита. :)
 
4ГД-4, 4ГД-5, 4ГД-7, 5ГД-3, 6ГД-2, 5ГД-1, 6ГД-1, 6ГД-3, 8ГД-1.
Где из взять-то? И не просто взять, а в приличном состоянии? И не просто в приличном состоянии, но по разумным ценам?
Практически все из вышеуказанных не чистые басовики, резонанс у них высокий (после высыхания очень высокий) и практически все требуют очень больших ящиков "холодильников".
Их параметров толком нет даже в справочниках. А те параметры что есть, относятся к новым динамикам и цифры были верны лет 70 назад.
Для моно еще туды-сюды, но чтобы подобрать идентичную пару для стерео, нужно много динамиков.
Думаю, мало кто из современников руках держал эти динамики.
Я вот из интереса купил пару 5ГД-14. Да, это не 5ГД-1, но баса у них нет и не будет. Звук средний. Им нужен ОЯ или очень большой ЗЯ. И хотя они с рупорком, весь диапазон они не выдают, однополоска из них получится посредственная.
P.S. Ну выдам я отчёт по 5ГД-14. И кому он будет нужен? Не просто почитать ради забавы, а повторить проект, сделать его в железе дереве?
Вопрос риторический, и так понятно - ни-ко-му. Мало того, даже сделанные колонки вряд ли кто-то из моих друзей возьмёт в подарок. Не просто возьмёт, чтобы меня не обидеть, но будет периодически слушать Опять - ни-кто.
То же касается и колонок с хорошими вышеупомянутыми динамиками.
Учитывая мощщу современных усилителей, спалить динамики с номинальной мощностью в 4 Вт - легко. А если захотят басссса и накрутят его регулятором тембра - очень легко.
Я не против этих динамиков и они мне интересны. Но, увы, с ними всё очень не просто.
 
Последнее редактирование:

Статистика форума

Темы
3,304
Сообщения
263,025
Пользователи
2,544
Новый пользователь
vlad'mir
Назад
Сверху Снизу