Германиевые УНЧ

Вопрос к всем ЗНАЮЩИМ
Квазикомплементарный ВК. Он как есть НЕсимметричен.
К примеру, ВК на германии. Так легче суть спросить.
Так вот, если в Шиклаи первый транзистор сделать КРЕМНИЕВЫМ, то по идее будет на нём добавочное падение, как раз 0,7 вольта, и того Шиклаи сравняется с Дарлингтоном.
И ещё - если ВК кремниевый, то сделать германиевым один из транзисторов Дарингтона.
Так вот, правильная ли ТЕОРЕТИЧЕСКАЯ идея меня посетила?
 

Вложения

  • IMG_20230628_114705.JPG
    IMG_20230628_114705.JPG
    62.1 KB · Просмотры: 117
Не выстрелит идея. У Шиклая открывается входной транзистор, порог открывания не сумма двух переходов б-э, а один переход верхнего транзистора.
Дарлингтон- там сумма двух переходов. Ежели Шиклаю в эмиттер диода врезать или диодно-резисторную пару-тогда да, получим два перехода. Резистор нужен чтобы убавить диодные 0,6 в до транзисторных 0,56. (я ТАК думаю!)
Насчет женить кремния с германием, то германий своими обратными токами и капризами нагрева испортит суровому кремню настроение .
Дельфин и русалка
Германий и кремний
Непара непара непара
 
Последнее редактирование:
Не, ну идея то в том, что переход кремния в 2 раза ''тяжелее'', чем германия.
Видел я схемы, где ''разброд и шатание'' - в ВК и кремний и германий а плечах. Но то на выходе.
Может для того и сделано???
А вот в преде у составного я такого не видел....
 
Вопрос к всем ЗНАЮЩИМ
Квазикомплементарный ВК. Он как есть НЕсимметричен.
К примеру, ВК на германии. Так легче суть спросить.
Так вот, если в Шиклаи первый транзистор сделать КРЕМНИЕВЫМ, то по идее будет на нём добавочное падение, как раз 0,7 вольта, и того Шиклаи сравняется с Дарлингтоном.
И ещё - если ВК кремниевый, то сделать германиевым один из транзисторов Дарингтона.
Так вот, правильная ли ТЕОРЕТИЧЕСКАЯ идея меня посетила?
А зачем вам выравнивать входные потенциалы повторителей ВК ?Обратная связь установит всё как надо. Относительно искажений - применяйте хорошие транзисторы любого типа по любой схеме.
 
А зачем вам выравнивать входные потенциалы повторителей ВК ?Обратная связь установит всё как надо. Относительно искажений - применяйте хорошие транзисторы любого типа по любой схеме.
Видимо, чтобы не расходовать потенциал ООС на передергивание всяких костылей типа разнопороговых переходов.
 
Да, вы правы. забыл.
Кстати,в параллельнике Агеева при небольшом питании тоже можно применить несимметричные кремниево-германиевые(диагональные) пары(потенциалы входа-выхода уравняются) . Ещё интересная схема Радио 7-8 1981 с 34
 
Там у Агеева все на комплементарах.....

Про ''токовую компенсацию'' в псевдокомплементарах что то я не слышал..... ?
 
Кстати,в параллельнике Агеева при небольшом питании тоже можно применить несимметричные кремниево-германиевые(диагональные) пары(потенциалы входа-выхода уравняются) . Ещё интересная схема Радио 7-8 1981 с 34
Теперь понятно, откуда родом параллельник. А ведь видел эту схему, в те годы и внутренне поморщился, фи, как же можно , совместить несовместимое...Оказывается, можно.
Такие смелые и тонкие схемные решения стали понятны только сейчас, когда сам многое понял.
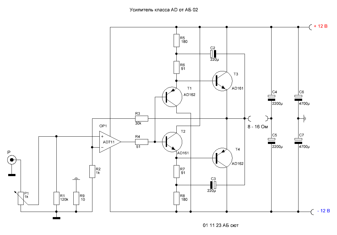
Но мне мой параллельник на АД161-162 нравится больше. )))
 

Вложения

  • АД 161-162 АБ 02 (1).GIF
    АД 161-162 АБ 02 (1).GIF
    19 KB · Просмотры: 268
Александр, возможно в вашей схеме применение к140уд1Б ?По параметрам усь естественно будет хуже,чем на AD711,но по звуку может быть интереснее,тк искажений высоких порядков не будет.Ведь она на германии. Был усилитель Короля,на этой микросхеме и на германии,кто собирал-очень хорошо отзывались о звуке.Сейчас постараюсь схему найти.
О! нашёл,но пока не то,но интересно.Вот В.Король предлагает заменить микросхему на входе Агеева интересной схемой на 4 транзисторах.Вот если бы первые кремниевые в ней оставить,а вторые заменить на ГТ402/404,и дальше на Агеевсий-АБ выхлоп на AD161/162.
f.1986-07.043.jpg
 
Последнее редактирование:
Видимо, чтобы не расходовать потенциал ООС на передергивание всяких костылей типа разнопороговых переходов.
Насправді, ООС на її глибину байдуже, кого і куди "передергивать" (С). Робота в неї така ;)
А ліпити разом кремній з германієм то доля бідних розумом. Сьогодні достатньо транзисторів для використання в підсилювачах для звуку, є з чого вибрати.
Кувати бліх - вибір придурків

Возможно ошибаюсь.Всегда откуда то считал ,что К140уд1а/б и к237ун1 на германии были .Но наверное не так.
Не так. Обидві мікросхеми кремнієві. 140 монокристальна, 237 гібридна, на кремнієвих транзисторах навісом на полікоровій платі.
Не переймайтесь ви тим германієм. Немає в ньому нічого магічного. Просто застарілий матеріал для активних компонентів, не більше. Але поєднувати германієві і кремнієві компоненти в єдинівй схемі сьогодні нерозумно.
В доісторичні часи, коли дівки були молодшими, а трава також ;), деякі схемотехніки робили так від безвиході. Спочатку на деякі позиції не вистачало нпн транзисторів, потім пнп. От вони, бідненькі. і ліпили підсилювачі з того, що змогли вкрасти на виробництві.
Сьогодні вже краще стоячі і в гамаку._hm_
Або підходити до ситуації раціонально.
 
Германиевыми микросхемы были 102, 103, 116, 117 серии, но они логические, и как пишут они уникальные не только для советских микросхем
http://155la3.ru/k102.htm
Остальные кремниевые или на кремнии
На германии были модули похожие на гибридные микросхемы УП1-1 и УП2-1
УП1-1, УП2-1.jpgУП1-1.jpgУП2-1.jpg
 
Александр, возможно в вашей схеме применение к140уд1Б ?По параметрам усь естественно будет хуже,чем на AD711,но по звуку может быть интереснее,тк искажений высоких порядков не будет.Ведь она на германии. Был усилитель Короля,на этой микросхеме и на германии,кто собирал-очень хорошо отзывались о звуке.Сейчас постараюсь схему найти.
О! нашёл,но пока не то,но интересно.Вот В.Король предлагает заменить микросхему на входе Агеева интересной схемой на 4 транзисторах.Вот если бы первые кремниевые в ней оставить,а вторые заменить на ГТ402/404,и дальше на Агеевсий-АБ выхлоп на AD161/162.
f.1986-07.043.jpg
140УД1 интересная потому что широкополосная ,выход с малой максимальной амплитудой,для Видерхольда подойдёт
 
140УД1 интересная потому что широкополосная ,выход с малой максимальной амплитудой,для Видерхольда подойдёт
Туди підійде К153УД1, якщо ми з вами за одного Відерхольда думаємо. В тому підсилювачеві матриця корекції використовує другий полюс використаної Відерхольдом А109, тому, заміна операційника там дійство нетривіальне. Не кожному з місцевих рукосуїв до снаги.
 
Последнее редактирование:
Латералы на выход и усилитель будет спасён
Поклон вам за мысль. Про латералы-то и не вспомнил. А то валяются две пары Эксиконов , да в ТО-3, а что врезать в Кёртинга взамен его дрековских АЛ 103 , мыслей нет. Всех делов- смещение вычистить, делители поделать и вперед.
Другое дело, жаль смертельно такие транзисторы пихать в эту жестянку .
Ему туда 2Т818Б вместо германия, по Хуану и сомбреро.
 
Туди підійде К153УД1, якщо ми з вами за одного Відерхольда думаємо. В тому підсилювачеві матриця корекції використовує другий полюс використаної А109, тому, заміна операційника там дійство нетривіальне. Не кожному з місцевих рукосуїв до снаги.
553УД1 - четырёхкаскадная, трудноуспокаеваемая ,у двукаскадной 140УД1 - усиление в звуковом диапазоне хорошее и достаточное Заменял для эксперимента в усилителях мощности ею первый каскад . Звук действительно чистый .Ну с коррекцией проблем особых не было
 
1Т910АД слишком дорого в качестве термодатчика.ГТ321 не пойдёт? У него и кристалл уже изолирован от корпуса.
 
Поклон вам за мысль. Про латералы-то и не вспомнил. А то валяются две пары Эксиконов , да в ТО-3, а что врезать в Кёртинга взамен его дрековских АЛ 103 , мыслей нет. Всех делов- смещение вычистить, делители поделать и вперед.
Другое дело, жаль смертельно такие транзисторы пихать в эту жестянку .
Ему туда 2Т818Б вместо германия, по Хуану и сомбреро.
Латералы после трансформатора - Схема упрощается до предела (если ток покоя не добавлять)Трансформатор разгружается , коррекция облегчается

Поклон вам за мысль. Про латералы-то и не вспомнил. А то валяются две пары Эксиконов , да в ТО-3, а что врезать в Кёртинга взамен его дрековских АЛ 103 , мыслей нет. Всех делов- смещение вычистить, делители поделать и вперед.
Другое дело, жаль смертельно такие транзисторы пихать в эту жестянку .
Ему туда 2Т818Б вместо германия, по Хуану и сомбреро.
Если латералов жалко - то как болгары делали составные ,из вашей же брошюрки.Не из-за плохости транзисторов ,а по спасению фазы и повышению качества

Поклон вам за мысль. Про латералы-то и не вспомнил. А то валяются две пары Эксиконов , да в ТО-3, а что врезать в Кёртинга взамен его дрековских АЛ 103 , мыслей нет. Всех делов- смещение вычистить, делители поделать и вперед.
Другое дело, жаль смертельно такие транзисторы пихать в эту жестянку .
Ему туда 2Т818Б вместо германия, по Хуану и сомбреро.
"Ему туда 2Т818Б вместо германия, по Хуану и сомбреро". Вряд ли вам будет интересен этот надёжный дубово-мощный немузыкальный по современным требованиям "усилвател", только прохожих пугать или как частотный привод
 
Латералы после трансформатора - Схема упрощается до предела (если ток покоя не добавлять)Трансформатор разгружается , коррекция облегчается


Если латералов жалко - то как болгары делали составные ,из вашей же брошюрки.Не из-за плохости транзисторов ,а по спасению фазы и повышению качества


"Ему туда 2Т818Б вместо германия, по Хуану и сомбреро". Вряд ли вам будет интересен этот надёжный дубово-мощный немузыкальный по современным требованиям "усилвател", только прохожих пугать или как частотный привод
ржу и киваю вам за умные советы !
 
1Т910АД слишком дорого в качестве термодатчика.ГТ321 не пойдёт? У него и кристалл уже изолирован от корпуса.
ГТ321 не изолирован, возможно Вы имели в виду ГТ322, но он не пойдет, там ток 28 мА через транзистор
 
Добавлю. 1Т910 АД дает на удивление малое напряжение для смещения базы выходного транзистора , если брать падение на базовом переходе или коллектор+база -эмиттер. .Зато в роли термотранзистора с парой резисторов он шикарно работает .и крепится удобно. Просится идейка для смещения ГТ906-го применить его собрата в пластике, крепить тоже несложно, подошва, слюда и винты через втулки-изоляторы.
 
Вы с 905-м не путаете? А то 906-х в пластике не припомню.
905 и 906 есть в металле, алюминий. И есть 906й в пластике. Хорошие такие, пластик от подошвы отрывается )))))
 
905 и 906 есть в металле, алюминий. И есть 906й в пластике. Хорошие такие, пластик от подошвы отрывается )))))
не попадались. Толко 905-е такие до сих пор есть, а 906-е только в железе встречал. Пластиковые 906 тож в развёртках ТВ работали, или куда их?
 
wvmsU59QgSE.jpgwBo1WpKnApk.jpg
Как вам такой наборчик под проект?
 

Статистика форума

Темы
3,307
Сообщения
263,564
Пользователи
2,548
Новый пользователь
Александр Н.
Назад
Сверху Снизу