Германиевые УНЧ

GD617+GD607 от Теслы, не они?
50 пар продает.
 
Маленькие (здесь была чехословацкая схема на них) https://alltransistors.com/ru/transistor.php?transistor=35256
Тип материала: Ge

Полярность: PNP

Максимальная рассеиваемая мощность (Pc): 4 W

Макcимально допустимое напряжение коллектор-база (Ucb): 32 V

Макcимально допустимое напряжение коллектор-эмиттер (Uce): 20 V

Макcимально допустимое напряжение эмиттер-база (Ueb): 12 V

Макcимальный постоянный ток коллектора (Ic): 1 A
 
Не, продает он как раз 161 - 162, про Теслы я просто спросил.
 
ну и что тогда в пару к 906-му?
Полумост сделайте. И не будит квази - шмази. Хотя есть один чел, который утверждает и с доказательствами, что несимметричные вых каскады музыку воспроизводят заметно лучше, чем комплиментарные пары. Что противоречит теории))) но как бы есть уши. Я хз, попробую и то и другое.
 
Если вкратце ,то в даташите написано,что 2n2147 разработан для специального применения в высококачественных усилителях в классе B,по схеме с межкаскадным трансом и питанием не более 22 Вольт,при этом максимальная его выходная мощность составляет не более 25 Ватт.

Хотя есть один чел, который утверждает и с доказательствами, что несимметричные вых каскады музыку воспроизводят заметно лучше, чем комплиментарные пары. Что противоречит теории))) но как бы есть уши. Я хз, попробую и то и другое.
Я тоже слышал такое мнение,особенно если третий транзистор в нижнее плечо диодом включить.Но на практике этим не занимался.Тут появляется коллега с ником Boyu 63 (прошу прощенье если не правильно ник написал).Он на 1Т906 делал несколько вариантов ,может что расскажет интересного,с третьим транзистором в виде диода.
 
Я тоже слышал такое мнение,особенно если третий транзистор в нижнее плечо диодом включить.Но на практике этим не занимался.Тут появляется коллега с ником Boyu 63 (прошу прощенье если не правильно ник написал).Он на 1Т906 делал несколько вариантов ,может что расскажет интересного,с третьим транзистором в виде диода.
Он уже штук сорок германиевых схем собрал. И заметьте, он практически ничего не измеряет, только слушает. Все выходные каскады у него по единой схеме и по моему БЕЗ эмиттерных резисторов (практически все). Почему так??? Он же не измеряет полосу, а тупо слушает звук. Был бы он лучше с резисторами, наверняка в каждой схеме бы применял. Может кто нибудь тоже такое попробует?
 
Все выходные каскады у него по единой схеме и по моему БЕЗ эмиттерных резисторов (практически все).
Эмиттерные резисторы придумали трУсы. Нормальные резисторы в ВК дорогое удовольствие. С цементными, к которым магнит липнет, или аля с5-16, звук не очень. Но если весь усилок спаян на резисторах по баксу за ленту, или млт, и проводами от стиральной машины, всё равно какие резисторы в эмиттерах.
 
Последнее редактирование:
не более 25 Ватт.
1а (макс 3,5а) нормируется Кг=5% без ООС в стандартном включении.Выше была твбличка.

Bayu 63 - схемы у него разные. С разными германиевыми выхлопами.От простого Лина к более сложным, квазикомплементарные двойки, тройки, диод Шоу, безосники, есть свой Худ на П217:) Временами проскальзывает кремний (с ним лучше))). В роликах- макетка, схема и различная музыка через колонки от МЦ. Разнообразные решения (есть интересные), без измерений.
В этом ролике - херманиевый Худ: https://www.youtube.com/watch?v=9SOGAw-Hexk
 

Вложения

  • Схема.jpg
    Схема.jpg
    236.6 KB · Просмотры: 279
  • Германиевый ус&#10.JPG
    Германиевый ус&#10.JPG
    382.3 KB · Просмотры: 305
Точно как наши ГТ906

ну и что тогда в пару к 906-му?
906й. Схема такая, одинаковые на этажах. И в раскачке такой же.

Эмиттерные резисторы придумали трУсы. Нормальные резисторы в ВК дорогое удовольствие. С цементными, к которым магнит липнет, или аля с5-16, звук не очень. Но если весь усилок спаян на резисторах по баксу за ленту, или млт, и проводами от стиральной машины, всё равно какие резисторы в эмиттерах.
с2-10 в эмиттере. Или манганин с5-16мв. Если эмиттерные резисторы придумали трусы, то цементную китаезу ставят балбесы. Точно, мрак .
Эмиттерники заметно протягивают полосу вверх , что в плане устойчивости и термостабильности плюс. Но потери тоже растут.
 
Я тоже слышал такое мнение,особенно если третий транзистор в нижнее плечо диодом включить.Но на практике этим не занимался.Тут появляется коллега с ником Boyu 63 (прошу прощенье если не правильно ник написал).Он на 1Т906 делал несколько вариантов ,может что расскажет интересного,с третьим транзистором в виде диода.
Третий транзистор в ВК это отсюда:
 

Вложения

  • b.1977-03.041.jpg
    b.1977-03.041.jpg
    663.4 KB · Просмотры: 257
  • b.1977-03.042.jpg
    b.1977-03.042.jpg
    638.2 KB · Просмотры: 246
Итак, вырулил германиевый унч на AD161-162. То, что я считал ступенькой, оной не являлось, точки на сигнале появлялись на высокой частоте. выше 50 кгц вследствие нехватки тока драйвера( он 40-50 мА, надо чуть больше) Ступеньку увидел лишь закоротив базы выходных транзистором. А смещения между базами достаточно 250мВ, и то, с резисторами в эмиттерах по 0,5 Ома. Ток покоя вообще не измеряется, весь ток покоя за счет драйвера. Полоса за 100 кил на малом сигнале. на среднем и выше среднего-. 60 кгц. Роста сквозного тока нет до самых запредельных частот. Охрененные транзисторы.
Сигнал красивый, не то слово. Звук услышим завтра.
Касательно тока покоя. Когда дрессировал Корвет на П214а ток покоя был 1-2мА, даже тремя мультиметрами измерял, не мог поверить.
 
Итак, вырулил германиевый унч на AD161-162. То, что я считал ступенькой, оной не являлось, точки на сигнале появлялись на высокой частоте. выше 50 кгц вследствие нехватки тока драйвера( он 40-50 мА, надо чуть больше) Ступеньку увидел лишь закоротив базы выходных транзистором. А смещения между базами достаточно 250мВ, и то, с резисторами в эмиттерах по 0,5 Ома. Ток покоя вообще не измеряется, весь ток покоя за счет драйвера. Полоса за 100 кил на малом сигнале. на среднем и выше среднего-. 60 кгц. Роста сквозного тока нет до самых запредельных частот. Охрененные транзисторы.
Сигнал красивый, не то слово. Звук услышим завтра.

Не мое. Но сильно)))
Осмелюсь доложить - что именно эти зазубринки на слух очень заметны и портят сигнал.
Я не стал влезать в творческий процесс, но этот зубчик он действительно из за того что "единичка" нагружает усилитель напряжения. Тут вариантов два- или поставить ещё один каскад усиления по току, сделать двойку, или сделать усилитель напряжения каскодным(как вариант), задирать ему ток- путь экстенсивный.
Между прочим- все эти сигналы меандры и прочее- обычная отладка усилителя. Я своего чернодьявола мк2 послушал дня наверное через четыре после того как включил.
Вернее не так- первое включение- с замкнутым входом и на выходе тестовый динамик от пожарной сигнализации- он дубовый, его не жалко, это позволяет быстро среагировать если какие ошибки в монтаже. Затем он отцепляется, цепляется эквивалент из двух резисторов по 3.8 ом @ 20ватт и не отцепляется пока не закончится отладка, съём всех этих меандров клипов и искажений. И только день на четвёртый- можно послушать. И услышать. Что если у тебе синусоида до 150кГц почти идеальна, меандр без выбросов и низкие искажения- то оно зазвучит. Непременно. И будут и скрипки, и барабаны, и Дире Стрейтс. Всё будет.
А вот эти бредни все "собрал не звучит- разобрал", так даже не пытался понять чего оно не звучит, где ошибка, они меня здорово раздражают и вызывают желание стукнуть по голове.
 
Здесь мудрость. Кто имеет ум, тот сочти число зверя, ибо это число человеческое; число его шестьсот шестьдесят шесть.
Для тех,то не в курсе:
На андреевском флаге нарисован андреевский крест.Андреевский крест-это астрофизический прибор ,перекрестье которого сделано под углом 66,6 градуса .Именно настолько в старину имела наклон наша планета (сейчас 66,5 градуса).При помощи этого креста и его ориентировке на полярную звезду мореплаватели достаточно точно определяли (высчитывали) координаты своего нахождения в океане.
Но изуитам любая грамотность населения не нужна-умного тяжелее одурачить.Поэтому число 666 было объявлено числом бесовским и упоминание его запрещено,а на кресте якобы распяли Андрейку -святаго человека.Так наука наших предков была заменена церковным бредом,который яростно продвигается для челяди и сейчас ...
 
Касательно тока покоя. Когда дрессировал Корвет на П214а ток покоя был 1-2мА, даже тремя мультиметрами измерял, не мог поверить.
Воистину так. В моей схеме параллельно термистору на десятки Ом стоит переменник, регулировочный шунт. И он в положении КЗ давал какое-то отличное от нуля значение. И его хватало создать начальный ток с отсутствием ступеньки. Только закорачивание выводов переменника пинцетом вызвало ступеньку на синусоиде.

Касательно тока покоя. Когда дрессировал Корвет на П214а ток покоя был 1-2мА, даже тремя мультиметрами измерял, не мог поверить.
В сравнении с кремнием разница просто чудовищная. И возник к себе самому вопрос, зачем я Ашники на германии сочинял? :)
 
У Корвета поставлено 50 ма, п215 на вых, как поставил в 1981, так и стоит
 
Осмелюсь доложить - что именно эти зазубринки на слух очень заметны и портят сигнал.
Я не стал влезать в творческий процесс, но этот зубчик он действительно из за того что "единичка" нагружает усилитель напряжения. Тут вариантов два- или поставить ещё один каскад усиления по току, сделать двойку, или сделать усилитель напряжения каскодным(как вариант), задирать ему ток- путь экстенсивный.
Между прочим- все эти сигналы меандры и прочее- обычная отладка усилителя. Я своего чернодьявола мк2 послушал дня наверное через четыре после того как включил.
Вернее не так- первое включение- с замкнутым входом и на выходе тестовый динамик от пожарной сигнализации- он дубовый, его не жалко, это позволяет быстро среагировать если какие ошибки в монтаже. Затем он отцепляется, цепляется эквивалент из двух резисторов по 3.8 ом @ 20ватт и не отцепляется пока не закончится отладка, съём всех этих меандров клипов и искажений. И только день на четвёртый- можно послушать. И услышать. Что если у тебе синусоида до 150кГц почти идеальна, меандр без выбросов и низкие искажения- то оно зазвучит. Непременно. И будут и скрипки, и барабаны, и Дире Стрейтс. Всё будет.
А вот эти бредни все "собрал не звучит- разобрал", так даже не пытался понять чего оно не звучит, где ошибка, они меня здорово раздражают и вызывают желание стукнуть по голове.
Поклон вам за мудрые советы.
Вот что было дальше. . Резисторы с бутстрапом в нагрузке драйвера сменил на транзисторный ИТ на BD139 , ток 56 мА. Драйверный транзистор BD140. ОБа кипят, прикрутил на мелкие радиаторы. Питание 30 вольт, средняя точка ровно 15 в.
Вот это да!!! На полном сигнале до 400 кГц, на слабом Мегагерц. Меандр на 100кГц идеальный.
Меняю BD140 на П605......Вай.....Ой......Худо все как. Вместо красивейшего синуса на 400 килах огрызок пилы. На 100кГц нормально.
Осталось прицепить к новому драйверу выход на 161-162 с куриным током покоя.
И если увиденные зубчики останутся , придется либо смириться с явлением , либо отказаться от единички на выходе. Но тогда вопрос. что на предвыход ставить будем. Снова BD-шки? Ой, как не хочется тулить туда тормоза МП21-МП10.
Итог битвы с зубчиками. Скоростной , токовый драйвер на ИТ в коллекторе драйвера свел проблему зубчика на нисходящей ветви синусоиды к еле заметной точечке выше 30 килогерц. Ниже чисто. Можно выдохнуть.
 
Последнее редактирование:
Иржи Свобода не зря говорил
 

Вложения

  • Свобода Модульные усилители mrb0908 1976г_043.png
    Свобода Модульные усилители mrb0908 1976г_043.png
    502.1 KB · Просмотры: 267
Поклон вам за мудрые советы.
Вот что было дальше. . Резисторы с бутстрапом в нагрузке драйвера сменил на транзисторный ИТ на BD139 , ток 56 мА. Драйверный транзистор BD140. ОБа кипят, прикрутил на мелкие радиаторы. Питание 30 вольт, средняя точка ровно 15 в.
Вот это да!!! На полном сигнале до 400 кГц, на слабом Мегагерц. Меандр на 100кГц идеальный.
Меняю BD140 на П605......Вай.....Ой......Худо все как. Вместо красивейшего синуса на 400 килах огрызок пилы. На 100кГц нормально.
Осталось прицепить к новому драйверу выход на 161-162 с куриным током покоя.
И если увиденные зубчики останутся , придется либо смириться с явлением , либо отказаться от единички на выходе. Но тогда вопрос. что на предвыход ставить будем. Снова BD-шки? Ой, как не хочется тулить туда тормоза МП21-МП10.
Ага. Генератор тока всё таки зашел наконец.))
На предвыход , ток то не велик, мощность на предвыходе будет не оч большая. Можно попробовать 2n5551/5401, заместо МП21/10 вполне себе подойдут.
Ещё ради интереса можно замкнуть для начала базы выходной единички друг на друга конденсатором где нибудь 0.1-1мкф, можт зубчики и пропадут.
 
Финальный вариант Осеннего германца Термик воьзму 10 Ом, (поклон Дим Димычу за мешок зеленых шайб ММТ-8) Ток драйвера конский, убрать ступеньку хватает падения в 200-250мВ.
результатом доволен. Сейчас бум слушать, что напаято.
 

Вложения

  • IMG_20231006_130023.jpg
    IMG_20231006_130023.jpg
    335.2 KB · Просмотры: 360
Последнее редактирование:
Иржи Свобода не зря говорил
Да, все так. Пробовал на ходу параллелить нагрузку 10 Ом таким же резистором. Звук тона сразу становится зудящим. словно включил меандр. А синусоида- идеальная!!! Спектр стопудово будет откровенно гадким, как и звук. Точно не рассчитана схема на низкоомную нагрузку. Но к счастью, заказчик слушает колонки на 16Ом .С ними вопросов не возникает никаких. Сигнал чистейший. Выходное не получилось измерить, там мизер мизерный.

Иржи Свобода не зря говорил
Емкость в коррекции излишне велика. Я 100 пик ставлю- выше 20 кГц курочит меандр люто. без нее до 400кГц бежит . На входе впаяю пик 300 , завалить помехи. И усё.
 
Вот эта схемка:
IMG_20231002_152047.jpg
напомнила мне детство и навеяла мне одну идею:
схема.jpg
ИМД на выходе:
ИМД.jpg
При размахе на выходе 5вольт Кг на 1кГц чуть меньше 0.02%
Скорость нарастания порядка 20В/мкс , клип очень мягкий почти "ламповый".
Главные недостатки схемы впрочем остались на месте- низкое входное сопротивление и зависимость постоянки на выходе от сопротивления резистора в ООС.
 
Последнее редактирование модератором:
Читаю свои опыты по превращению схемы на германии в схему на кремнии, вспомнился анекдот, как наши коктейль решили делать, по рецепту. Виски- заменили водкой. мартини- тоже водкой, кампари- водкой, джин- водкой. Попробовали- хм....Водку напоминает. И что эти западники в коктейлях нашли....
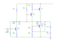
Когда нельзя, но очень хочется, то можно. Проблема германца на входе JLH в том, что у него обратный ток коллектора большой. А работать ему надо с током коллектора меньше 100мкА. Ну и не надо его заставлять, раз он не может. Надо укоротить цепь общей ООС по постоянному току. Сделать два независимых контура и соединить по переменке. Тогда германец на входе со своей задачей справится. Не указываю номиналов, у меня всё равно нет германиевых моделей. Надеюсь, идея понятна.
 

Вложения

  • Ge.png
    Ge.png
    7.5 KB · Просмотры: 171
Когда нельзя, но очень хочется, то можно. Проблема германца на входе JLH в том, что у него обратный ток коллектора большой. А работать ему надо с током коллектора меньше 100мкА. Ну и не надо его заставлять, раз он не может. Надо укоротить цепь общей ООС по постоянному току. Сделать два независимых контура и соединить по переменке. Тогда германец на входе со своей задачей справится. Не указываю номиналов, у меня всё равно нет германиевых моделей. Надеюсь, идея понятна.
Изначально так и думал, оторвать входной каскад от выходного с драйвером, сделать два контура с двумя петлями ООС. Потом лень сказала, да ладно, успеешь намудрить.
Сейчас добавил на вход емкостишку на 3000 пик, фильтр вч помех. Спад по минус 3 на 45-50 кгц. 20 кил не трогает . Меандр конечно уже не тот, но на душе спокойнее.
Следующий ход- меняем полярность усилителя. Минус будет на земле.
Входной 2SA970 , драйвер BD139 Филипс, серенький , внизу AD162 , вверху AD161. Питание достану из тумбочки, импульсник Минвелл. Он от 15 до 28в.

Когда нельзя, но очень хочется, то можно. Проблема германца на входе JLH в том, что у него обратный ток коллектора большой. А работать ему надо с током коллектора меньше 100мкА. Ну и не надо его заставлять, раз он не может. Надо укоротить цепь общей ООС по постоянному току. Сделать два независимых контура и соединить по переменке. Тогда германец на входе со своей задачей справится. Не указываю номиналов, у меня всё равно нет германиевых моделей. Надеюсь, идея понятна.
Кстати, в журналах за 60-е много подобных схем увидел мимоходом.
 
Саша, не поймю, почему усложняешь, 4 транз норма, первая 402-404 на 161-162
 

Вложения

  • mrb1032  СССР-Чехи_013.png
    mrb1032 СССР-Чехи_013.png
    438.8 KB · Просмотры: 215
  • Uher-23-63-amp.gif
    Uher-23-63-amp.gif
    13.8 KB · Просмотры: 210

Статистика форума

Темы
3,306
Сообщения
263,403
Пользователи
2,548
Новый пользователь
Александр Н.
Назад
Сверху Снизу