Катушка Тесла-Мишина. Работающая схема от АБ

щуп вч от осциллографа поднесли к катушке- видит напряженность электрического поля, замкнули на конец щупа земляной конец-получили магнитный датчик -петлю- смотрим магнитное поле. Зачем вам Холла городить на пустом месте, мистер 701-я специальность?
 
Вот и мне,как недоучке по 705 специальности, непонятны такие танцы с бубном. smile_10
 
Я тоже 701 и что-то об электродинамике вроде знаю, но далеко не все. Лет 35 занимаюсь АФАР и прочей ерундой. На знания о болячках не претендую, далеко не медик, тут учиться надо. Вот суставы начали подавать нехорошие сигналы, поэтому и возник интерес в этим катушкам.
Суставы в возрасте дают о себе знать, особенно коленные и плечевые, для плечевых даже есть термин, импиджмент-синдром. Я свои плечевые исправил катухой, потому советую.
Судороги в стопе уходят гарантированно, недавно пришлось ночью. включать прибор, думал обойтись без него- не получилось. С катухой через несколько минут судороги ушли бесследно.

Вам что, поспорить? Когда не помню, купил по Сашиной наводке две катушки тор и плоскую, остальное сам, почти так, транз. кт814-815 и кт818-819. Помогает...
Юра, я потом у тебя спрошу. как ты укротил схемку с разными катушками, у меня не получилось завести с тороидальной катушкой, там импеданс велик, ПОС недостаточно. А с плоской- все сразу завелось.
 
Макет усилителя, собранный по мотивам приведенных здесь схем, нагруженный на плоскую катушку (описана АБ в 1-м посте) при питании от источника с напряжением 32 В и максимальном выходном син. сигнале 10 В(эфф), обеспечивающий двойную амплитуду тока (пик-ту-пик) около 3,2 А (что дико много) потребляет не более 18 Вт.
Лечебные режимы должны быть значительно значительно мягче, поэтому можно обойтись без принудительного охлаждения, если использовать под каждую пару транзисторов ал. пластины 110х40х4 мм.
 
Чисто позанудствовать: алюминий 110х40 понятно, а вот 4 уже вызывает ехидную улыбку.
 
Занудствуйте, мне будет приятно, 4 мм - толщина пластины. В р/техн. приборах обязательно уточняют (ДхШхВ), но я вырубился в 6.15. Любопытно, что другое можно предположить в 4-х мерной системе координат?

Может не надо тратить силы.
Раньше в ситуациях с коленями мовалисом выходил из кризиса и забывал.
Теперь сделал син. генератор и катушки Мишина, но, что-то пара недель воздействия безрезультатна. Пора возвращаться на мовалис.
Прочитал его патенты, обсуждения, насмотрелся видео от ютуба (от школяров до дедов) и этого катушечного деятеля, восхитился его таланту технического юмориста (даже не торсионщика, те более доказательны). Он популярен и добился народного признания и общего положительного настроя к своим даже не идеям, а намекам на направления.
Отключил техн. образование и остатки вбитой ранее неклассической информации (когда-то техн. безграмотные руководители в надежде на манну небесную настоятельно привлекали к анализу предложений Акимова и Шипова), не обращаю внимания на отсутствие результатов измерений характеристик поля, непонятно почему определенного как "электростатическое" и поскрипев зубами от боли пару ночей делаю вывод, что весь этот "Тольяттинский проект"......
Впрочем решайте сами.
 
Занудствуйте, мне будет приятно, 4 мм - толщина пластины. В р/техн. приборах обязательно уточняют (ДхШхВ), но я вырубился в 6.15. Любопытно, что другое можно предположить в 4-х мерной системе координат?
Да вроде толщина материала ни о чем. На способность радиатора отводить тепло влияют его площадь, теплопроводность материала и разность температур.

Может не надо тратить силы.
Если бы не заявление Бокарева, я бы в эту сторону и глядеть не стал. Не то, чтобы читать, или делать.
 
Уважаю, Ваше спокойствие и последовательность, благодарен за столь ценные сведения, мне уже очень приятно!
Но, прошу прошения, всякие там р/губители и даже р/инженеры со стажем от прошлого века, расчет плоского ал. радиатора макета, ну никак не могут доверить компам (могут перегреться от усердия) и делают все больше по старинке на глаз, без учета упомянутых Вами характеристик. Метод простой - ножовку в руки и за первым попавшимся листом люминия, если не напрягает масса изделия, то можно попробовать практически любой металл, вплоть до Au.
Вскройте любой неисправный бесперебойник для компа, там найдете походящие радиаторы. Прошу Вас, берегите себя, не вдавайтесь в расчеты, хочется обсудить результаты испытаний в ближайшем будущем.
Осциллограф едет, не забыли?
А вот мой старейшина С1-114 сегодня отказался лучики показывать - трагедия!
Пока разберу, пока .., пока соберу, трубка была на исходе, 17 тыс!
Засим откланиваюсь.

Да, и я тоже.
Повторяю, его схемы отлично скомпонованы, минимизированы и хорошо работают, но дело не в схеме, а в самом экспериментаторе. Увлеченный, настойчивый и верящий человек меняет результат эксперимента уже своей энергией. Катушки здесь вторичны. Начинает работать мощное подсознание и вера экспериментатора. Это сродни творчеству, не все же пишут мощные картины, мелодии и прочее.
Изобретатель же подает принцип работы катушек, как бред непонятный бабушкам и дедушкам и современным ЕГЭистам, ну типа как молитву недоучившегося современного электрика, что-то знающего о достижениях Теслы и других мощных энергетиков.
Вера в высокое запускает подсознание людей и они как-то реагируют. Главное убедить.
 
Последнее редактирование модератором:
Осциллограф едет, не забыли?
Не забыл.
Вот даже гнездышко ему подготовил. Как прийдет, тут ему сразу и все условия.
IMG_20210729_112603.jpg

В деревне я живу, мужик. Тут с радиокомпонентами не загуляешь особо.
Любая малость - выбор не богат. Digikey, Mouser, Amazon, Aliexpress.
Ну или наковырять, если есть откуда.
 
Последнее редактирование:
Достался во временное пользование прибор Сарапул в
комплектации три катушки: тор, большая диаметром 190мм,
малая 110мм. Схема на TDA7056B. Для проверки использовал
китайский тестер для напряжения, ослик С1-112. соединения с
прибором на БНЦ, между прибором и кат коакциал 50 Ом, в
разрыв оплетки провода резюк 0,64 Ом для опред тока, форму
импульса на катушках использовал несколько витков провода на ослик.
На холостом ходу на вых 250кГц, синус красивый.
Больш катуха: на вых прибора 270Гц, на кат 256Гц;
малая катушка: на вых прибора 312Гц, на кат 333Гц;
тор: на вых прибора 256Гц, на кат 312Гц.
Ток постоянно 0,4-0,5А
Я не электронщик и мне непонятно - так должно быть? Или
катушки не настроены под резонанс.
 
Достался во временное пользование прибор Сарапул в
комплектации три катушки: тор, большая диаметром 190мм,
малая 110мм. Схема на TDA7056B. Для проверки использовал
китайский тестер для напряжения, ослик С1-112. соединения с
прибором на БНЦ, между прибором и кат коакциал 50 Ом, в
разрыв оплетки провода резюк 0,64 Ом для опред тока, форму
импульса на катушках использовал несколько витков провода на ослик.
На холостом ходу на вых 250кГц, синус красивый.
Больш катуха: на вых прибора 270Гц, на кат 256Гц;
малая катушка: на вых прибора 312Гц, на кат 333Гц;
тор: на вых прибора 256Гц, на кат 312Гц.
Ток постоянно 0,4-0,5А
Я не электронщик и мне непонятно - так должно быть? Или
катушки не настроены под резонанс.
Мои сочинения генератора начались именно с 7056, позже изучил готовый прибор на её основе.
Сказать, что пародия жалкая и ущербная -мало сказать. Главное- светится индикатор и все думают, что прибор работает. Что в принципе не так.
Дима Большаков прислал купленный набор из рук одного вуньдера.Прибор красивый. Только не работает ни хера , в принципе. Откровенно бездареый фейк, которых в сети гуляет 99 процентов.
Зато просят за свои рукожопые поделки как за фирменный прибор , совести в людях видимо не осталось вовсе.
 
Последнее редактирование:
Купил ослика специально, чтобы сделать сабж. Остался вопрос по катушке: как подключаются выводы катушки к прибору ведь всего 4 вывода? Как мотается тор насколько плотно?
 
Мотанная бифиляром катушка вызванивается тестером, имеем два начала и два конца. Сигнал с генератора дается в начало одной катушки и в конец второй. Они не спаяны, просто как бы два провода, запитанных с противоположных концов. Ток через катушку в районе 0,7А эфф, 1 ампер на пике. Импеданс плоской 10 Ом, у тора все плохо, импеданс 20 ом, ток еле на полампера, добротность контура дрянная. Но и поле там острое, как раз под мелкие суставы.
И вот ещё что, важнее важного. Мы даем в катушку ток со стороны низковольтных проводов, за счет крутого резонанса и высоченной добротности катухи на её свободных концах получаем до 1000 вольт напряжения , способного прожечь дырку в пальце, а уж дым от шкуры- запросто. Эти концы нужно упрятать в толщу доски и заклеить скотчем, иначе поджаритесь неожиданно.
На плоскую катуху идет метров 12 двойного провода, на тор из-за его конской емкости - метров 7 всего. Народ мотает UTP , наверное неплохо, но у меня не было, мотал 0,5мм.
Мотается на всю длину, потом генератор включается, смотрим резонанс. Он обычно сильно ниже задуманного, вытягиваем провода и медленно движемся к заветной цифре в 270-300кил

Аксакалы, а в компьютерных блоках питания вентиляторы на какое напряжение? Утилизирую корпус от БП для катушки Мишина.
Подумалось, а чего бы радиаторы транзисторов им бы да не обдувать? Маркировка проводов черный-красный. Тоись похоже низковольтный на постоянном напряжении.
Саня. Высаживаемое транзисторами тепло спокойно отводится парой плоских радиаторов размеров с пачку сигарет. Схема так мудро сделана, что нагрев одного транзистора уменьшает нагрев смежного с ним, схема стабильна до диких температур, которых там нет , греется примерно до 70 градусов. Вентилятор ну точно мимо смысла.
 

Вложения

  • Picture 94 - копия.jpg
    Picture 94 - копия.jpg
    85.7 KB · Просмотры: 300
Последнее редактирование:
Саня. Высаживаемое транзисторами тепло спокойно отводится парой плоских радиаторов размеров с пачку сигарет. Схема так мудро сделана, что нагрев одного транзистора уменьшает нагрев смежного с ним, схема стабильна до диких температур, которых там нет , греется примерно до 70 градусов. Вентилятор ну точно мимо смысла.
уже проще. У меня чудненькая коробочка из под TV-терминала есть.
Там все раскладывается прекрасно.
В выходные начну копошиться. Китайский суповый наборчик с микросхемою уже сметал, выходные транзисторы и осциллограф пришли.
 
Вопрос: у меня ос С1 112, к нему щуп, если включить 1:10, то сопротивление на концах щупа 9МОм, если 1:1 то 330кОм. Это правильно при внутреннем акт.сопротивлении осц 1МОм?
 
Входное осциллографа 1 МОм, к нему подкинут щуп с 9 МОм, получается делитель 10 к 1 и входным в 10 МОм. В режиме 1 к 1 , что там подкинуто в параллель- не знаю. Главное- чтобы не искажался импульс и не падало входное ниже плинтуса
 
А на размер амплитуды в реж 1:1 такое сопротивление не сбрешет?

Да, точные замеры по амплитуде никто, наверное, не делает, главное форма сигнала.
 
А на размер амплитуды в реж 1:1 такое сопротивление не сбрешет?
Возьмите другой кабель, без делителя, получите входное 1МОм
ПС. Форма импульса на экране скопа напрямую связана с его ачх и постоянством усиления во всей полосе. Без этого получите сюрпризы при измерениях. Для настройки щупов предусмотрен калибратор.

Да, точные замеры по амплитуде никто, наверное, не делает, главное форма сигнала.
С чего бы вдруг - такие выводы? Точности осциллографа вполне достаточно во многих случаях .
 
Последнее редактирование:
Собрал схему на К544 и. BD9xx, осцилограмма на клемах катушки (тор) получилась не синус, а измерил форму сигнала излучения (измерял на катушке 10 витков рядом с кат Мишина) получился син со щербинкой.
Вопрос: 1. как избавиться от щербинки
2. На входе на катушку такая должна быть форма сигнала
Напряжение на катушке 3.8В
 

Вложения

  • 20210925_092524-1.jpg
    20210925_092524-1.jpg
    698.5 KB · Просмотры: 189
  • 20210925_093346-1.jpg
    20210925_093346-1.jpg
    747 KB · Просмотры: 179
Собрал схему на К544 и. BD9xx, осцилограмма на клемах катушки (тор) получилась не синус, а измерил форму сигнала излучения (измерял на катушке 10 витков рядом с кат Мишина) получился син со щербинкой.
Вопрос: 1. как избавиться от щербинки
2. На входе на катушку такая должна быть форма сигнала
Напряжение на катушке 3.8В
Схему киньте , что там с питанием и вообще.BD911 912 сейчас идут через один подделка, может это ваш случай. Я нарвался.
На выходе мощника (на входе в катушку ) в норме 10 в на пике чистого синуса. 7 вольт эффективных. Ток в катушке 1 ампер если плоская или полампера примерно с тором.
Питание 30 вольт, ток покоя примерно 150 мА.

датчик поля покажет вам сильно приукрашенный ток в катушке, в то время, как на выходе у вас кошмар . Сперва добейтесь чистого сигнала на выходе, просто резистор 10 ом впаять вместо катушки.
Вариант- возбуд 544УД2, можно убрать его, врезав резистор на выход опера, Ом 100. Можно кинуть емкостишку с выхода на вход инвертирующий, пик 33-47. У вас там явно по одному полупериоду возбуд либо обрыв связи с выхода на вход, поэтому фронт вместо синусоиды.
 
Интересная тема, никогда прежде не слышал. Немного не понял про катушку, точнее на какие питание подаётся. Судя по картинке автора, на один провод снаружи катушки, а на второй - который внутри? Т.е. на начало одной обмоткмки и на конец другой, а стальные 2 конца висят в воздухе?
 
Последнее редактирование:
Интересная тема, никогда прежде не слышал. Немного не понял про катушку, точнее на какие питание подаётся. Судя по картинке автора, на один провод снаружи катушки, а на второй - который внутри? Т.е. на начало одной обмоткмки и на конец другой, а стальные 2 конца висят в воздухе?
Катушка это последовательный резонансный контур на сосредоточенных параметрах, то есть, за счет собственной индуктивности 0,18 мгн и емкости витков 1800пф имеем резонанс на 300 кгц. За счет резонанса входное напряжение 10 вольт разгоняется на концах катушки до 500-1000в. Возникающее электростатическое переменное поле обладает выраженным лечебным эффектом.

Уважаю, Ваше спокойствие и последовательность, благодарен за столь ценные сведения, мне уже очень приятно!
Но, прошу прошения, всякие там р/губители и даже р/инженеры со стажем от прошлого века, расчет плоского ал. радиатора макета, ну никак не могут доверить компам (могут перегреться от усердия) и делают все больше по старинке на глаз, без учета упомянутых Вами характеристик. Метод простой - ножовку в руки и за первым попавшимся листом люминия, если не напрягает масса изделия, то можно попробовать практически любой металл, вплоть до Au.
Вскройте любой неисправный бесперебойник для компа, там найдете походящие радиаторы. Прошу Вас, берегите себя, не вдавайтесь в расчеты, хочется обсудить результаты испытаний в ближайшем будущем.
Осциллограф едет, не забыли?
А вот мой старейшина С1-114 сегодня отказался лучики показывать - трагедия!
Пока разберу, пока .., пока соберу, трубка была на исходе, 17 тыс!
Засим откланиваюсь.

Да, и я тоже.
Повторяю, его схемы отлично скомпонованы, минимизированы и хорошо работают, но дело не в схеме, а в самом экспериментаторе. Увлеченный, настойчивый и верящий человек меняет результат эксперимента уже своей энергией. Катушки здесь вторичны. Начинает работать мощное подсознание и вера экспериментатора. Это сродни творчеству, не все же пишут мощные картины, мелодии и прочее.
Изобретатель же подает принцип работы катушек, как бред непонятный бабушкам и дедушкам и современным ЕГЭистам, ну типа как молитву недоучившегося современного электрика, что-то знающего о достижениях Теслы и других мощных энергетиков.
Вера в высокое запускает подсознание людей и они как-то реагируют. Главное убедить.
Ваши сообщения остались без ответа, я в это время валялся в ковиднике, в интенсивной терапии. Только успевай подставлять конечности под иголки разного калибра и лежа на пузе (иначе летит подзатыльник от дежурной сестры или врача) И точно не до интернету.

Макет усилителя, собранный по мотивам приведенных здесь схем, нагруженный на плоскую катушку (описана АБ в 1-м посте) при питании от источника с напряжением 32 В и максимальном выходном син. сигнале 10 В(эфф), обеспечивающий двойную амплитуду тока (пик-ту-пик) около 3,2 А (что дико много) потребляет не более 18 Вт.
Лечебные режимы должны быть значительно значительно мягче, поэтому можно обойтись без принудительного охлаждения, если использовать под каждую пару транзисторов ал. пластины 110х40х4 мм.
А! У вас 10 в эффективных, у моего прибора -пиковых , эффективных 7. На импедансе плоской катушки в 7 Ом( у тора он около 20 Ом в силу дрянной добротности) получался ток 1 А. (на пике 1, 4)
Катушка в центре нагревается до 50 примерно градусов, работает как грелка, кроме других эффектов.

Мотается бифилярно, в два провода. запитывается в начало одной катушки и в конец другой. Свободные концы, на которых высокое напряжение, упрятываются в толщу ручки . Иначе жиганет и дым от шкуры полетит.
 
Схему киньте , что там с питанием и вообще.BD911 912 сейчас идут через один подделка, может это ваш случай. Я нарвался.
На выходе мощника (на входе в катушку ) в норме 10 в на пике чистого синуса. 7 вольт эффективных. Ток в катушке 1 ампер если плоская или полампера примерно с тором.
Питание 30 вольт, ток покоя примерно 150 мА.

Схему киньте , что там с питанием и вообще.BD911 912 сейчас идут через один подделка, может это ваш случай. Я нарвался.
На выходе мощника (на входе в катушку ) в норме 10 в на пике чистого синуса. 7 вольт эффективных. Ток в катушке 1 ампер если плоская или полампера примерно с тором.
Питание 30 вольт, ток покоя примерно 150 мА.
Ток в разрыв катушки мерил стрелочным - ничего. Грешил, что частота не даёт отобразить, тогда проверил в разрыв питания на схему стрелочным показал ~40mА, а транзисторы греются. При отключено катушке транз все равно греются.
Схему киньте , что там с питанием и вообще.BD911 912 сейчас идут через один подделка, может это ваш случай. Я нарвался.
На выходе мощника (на входе в катушку ) в норме 10 в на пике чистого синуса. 7 вольт эффективных. Ток в катушке 1 ампер если плоская или полампера примерно с тором.
Питание 30 вольт, ток покоя примерно 150 мА.

датчик поля покажет вам сильно приукрашенный ток в катушке, в то время, как на выходе у вас кошмар . Сперва добейтесь чистого сигнала на выходе, просто резистор 10 ом впаять вместо катушки.
Вариант- возбуд 544УД2, можно убрать его, врезав резистор на выход опера, Ом 100. Можно кинуть емкостишку с выхода на вход инвертирующий, пик 33-47. У вас там явно по одному полупериоду возбуд либо обрыв связи с выхода на вход, поэтому фронт вместо синусоиды.
Собрано по прикрепленному рис.
Нагрузку повеси 20ом на выходе к544 частота 100Гц.
Кроме того перекос в плечах по напруге 10 и 12в . Замерил отдельно блок пит тоже облом, дает просадку на лампочке 12В 4Вт с 18В до 12В. Буду все разбирать, уже купил замену 912 911, BD139 140, коэф ус 140, выше не нашел.
Генератор для Мишина.jpg
 
Последнее редактирование модератором:
Ток в разрыв катушки мерил стрелочным - ничего. Грешил, что частота не даёт отобразить, тогда проверил в разрыв питания на схему стрелочным показал ~40mА, а транзисторы греются. При отключено катушке транз все равно греются.

Собрано по прикрепленному рис.
Нагрузку повеси 20ом на выходе к544 частота 100Гц.
Кроме того перекос в плечах по напруге 10 и 12в . Замерил отдельно блок пит тоже облом, дает просадку на лампочке 12В 4Вт с 18В до 12В. Буду все разбирать, уже купил замену 912 911, BD139 140, коэф ус 140, выше не нашел.
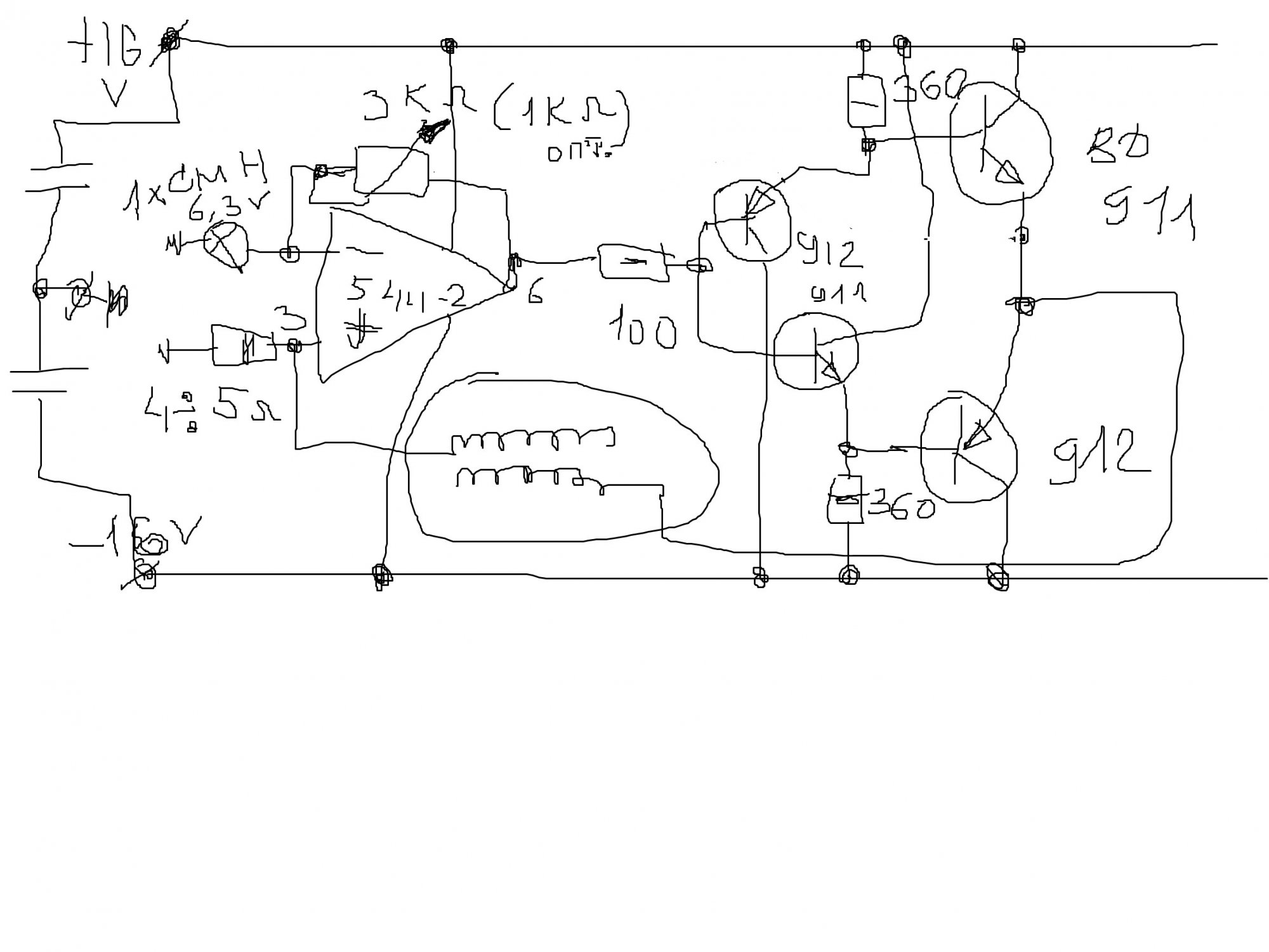
Выводы 1 и 8 микросхемы замкните. без этого будет генерить. Резисторы цепи ООС и ПОС нужно подбирать по осциллографу. Тороидальная катушка в силу неважной добротности требует большого сопротивлени я резистора в цепи ПОС (3-4 Ома) , полезный сигнал теряется на нем.
Схемка скорее показать идею, а настройка- дело тонкое, возиться нуна.
Резисторы смещения выходного каскада (360 Ом) лучше взять как два по 100-120 ом 1 ватт, в их среднюю точку впаять конденсаторы по 0,1 мкф, включенные на выход схемы. Вырастет неискаженный сигнал

Ток в катушке меряется на резисторе ПОС, который на 3-4 ома. Осциллографом смотрим его величину и форму.

Я тут одному нашему форумчанину взялся сочинить генератор для катушки Мишина, вот будет повод вам получить отлаженную схему. Потому как то, что вы повторяете, были самые первые шаги в этой теме, сырая схема, сейчас все будет иначе, по-взрослому.
 
Я тут одному нашему форумчанину взялся сочинить генератор для катушки Мишина, вот будет повод вам получить отлаженную схему. Потому как то, что вы повторяете, были самые первые шаги в этой теме, сырая схема, сейчас все будет иначе, по-взрослому.
Вам легко, Вы электронщик, а я металлург, мои знания чуть больше чем было в программе обучения.
ОС как понимаю перемен.резюк 3кОм, а ПОС это где?
Когда-то работал вед.конструктором, был разговор с одним электронщиком. Он мне говорит "как это вы видите куда должна крутиться шестерня, если движок стоит на таком расстоянии и крутится в другую сторону. Другое дело электрика - здесь все понятно, электрон движется от минуса к плюсу, а ток течет от плюса к минусу."
У меня случай навыворот.

Схема не помешает, а пока буду лепить эту.
В этой схеме мне не понятно как происходит генерация без емкости и индуктивности.
 
Сама катушка Мишина представляет собой последовательный колебательный контур, который включен в цепь ПОС. Каждый из проводов катушки образуют обкладки конденсатора и одновременно являются индуктивностями
Ind-5-1.jpg
 
Сама катушка Мишина представляет собой последовательный колебательный контур, который включен в цепь ПОС. Каждый из проводов катушки образуют обкладки конденсатора и одновременно являются индуктивностями
Посмотреть вложение 21993
Значит, если вместо катуш Миш вставить резистор никаких колебаний не будет? Что такое ПОС?
 
Цепь ПОС - с выхода мощника на неинвертирующий вход операционника. Цепь ООС- с выхода на инвертирующий вход операционника. Катушка Мишина- высокодобротный контур последовательного типа, на резонансе его сопротивление несколько Ом у плоской и пара десятков Ом у тороидальной. Усиление по цепи ПОС до начала генерации выше, чем цепи ООС, из-за холодной лампочки. Возникает генерация, идет ток через катушку, и одновременно через делитель ООС на лампочке. Она нагревается, делитель меняет сопротивление, сигнал на инвертир входе растет и амплитуда сигнала устанавливается.

ну денек выдался сегодня. Решил с утра сочинить выходной каскад для катушки, простой. надежный, без сюрпризов. И влип с транзисторами по самы ухи. К вечеру полтетрадки изрисовал схемами, а в сухом остатке пока одна. И то, на транзисторах от дяди Паши Пыжэ, на них была последняя надежда. Пока запускал -осцилл перегрелся, начал дулю показывать. Жду пока остынет, продолжу.
Выводы такие и они недобрые.
1. BD911 -912 нужно крепко постараться найти настоящие. Настоящие я попалил, а купленные в другой лавке с таким же названием- оказались диким фуфелом, на экране жуть вместо синусоиды, половинки разные, с кривулинами. Вычеркнул ис порядочных.
2. Воткнул замурованные в пластик пары D998 -B788 . По одной половине лажа в сигнале, и гадит в сигнал Р транзистор с блеклой маркировкой, а они у меня все такие. Долой .
3. Ставлю фирменные-префирменные Тошибы 2SA1941 2SC5198 , прародители известных 1943-5200. Суперские транзисторы, не придраться . Все бы ничего, да мало их у меня, будем дальше смотреть, что подойдет.
4. Для прикола ткнул на выход по Агеевской схеме на входе и выхоле -одинаковые BD139-BD140 .
С полпинка схемка завелась, ток в катушке на пике 1, 5 Ампера, синусоида чистая, полоса до 600кгц без сюрпризов. Но транзисторы работают на пределе, без запаса, а я это дело не люблю.
5.Принес от дяди Паши Пыжэ пару 1943- 5200. Генерят сволочи, но резисторами в базе по 4 ома
как бы убралось. Вроде остыл осциллограф. гляну, что там дальше.
 
Вот спасибочки, Александр С. Про 911—912 прямо таки вовремя, а то назревал взрыв ума. И про агеевский вариант на 139—140 хорошие вести.
 
Вот спасибочки, Александр С. Про 911—912 прямо таки вовремя, а то назревал взрыв ума. И про агеевский вариант на 139—140 хорошие вести.
Итак, приступим. Схемка перед вами. На 139- 140 раскачка, на мощных 1943-5200 либо на наших кт818 кт819 либо на BD911 912 (настоящих) делаем выходной каскад. Резисторы 0,33 в эмиттерах выходных транзисторов- обязательное условие работы схемы. Иначе кряк за мгновение.
Ток покоя выходного каскада 275 ма. На полном сигнале с током в катушке 1 А ток потребления 600ма.
На экране скопа видим сигнал амплитудой 1, 5 вольта, он взят с датчика тока, резистор 1 Ом в земляном проводе катушки, означает он , что на пике ток в катушке 1, 5 Ампера. Эффективного имеем ампер. Катушка теплая, поле мощное. Частота ровно 300кгц.
На выходе схемы напряжение сигнала на нагрузке в 7-10 Ом равно 10 в эффективных, 15 в на пике с небольшим запасом.
ПС Конденсаторы вольтдобавки с выхода на резисторы смещения взял на 1мкф, можно и меньше, с 0,1мкф тоже работает.
IMG_20210927_200447_1.jpgIMG_20210927_200504.jpgIMG_20210927_200524.jpg

Это мощный выходной каскад, сам генератор будем сочинять позже, через денек примерно.
Агеевская схемка на одинаковых транзисторах по плечам 139-140 , там выпаиваем резисторы 0,33 ома и все. Ток покоя сразу меньше. 150 ма, работает без проблем . Спалил по запарке. не увидел отвалившегося провода. Два транзистора выжег.
 
Последнее редактирование модератором:

Статистика форума

Темы
3,302
Сообщения
262,876
Пользователи
2,544
Новый пользователь
vlad'mir
Назад
Сверху Снизу