Постройка басовой секции

  • Автор темы Автор темы Пётр
  • Дата начала Дата начала
Тогда стоит собрать элементарную схемку и прогнать по диапазону 10Гц-20кГц, изменяя положение R1.
Вы откроете для себя изумительный мир соответствия моделирования реальным измерениям.
Поменяйте сигареты, а лучше - бросьте навсегда. В них грибы.
Схема проста как двери, оценивается одним взглядом. У Вас - ошибка в схеме в симуляторе.
Реально выходное сопротивление РГ будет изменяться меньше, чем на 3 кОм = <30%.
Сорри, спешу. Забыл о 33 кОм после разделительного 10 мкФ на землю. Изменение меньше, чем на 27%.
 
Последнее редактирование:
Пассивный ФНЧ НЕ поднимет 40...60 Гц, его работа - подавить СЧ и дать нужный сдвиг фазы для стыковки с СЧ полосой... Коррекция этого участка теперь будет до ИМС.
Я понимаю - что корректировка по поднятию (горбу) на 40 Гц - это одна задача. А ФНЧ для стыковки с СЧ - другая задача.
Я лишь хотел сказать - что в плане ФНЧ - мне без разницы, какой вариант. Готов даже катушку рассмотреть пассивную за УНЧ, 3 мГн (хотя мне кажется что проще перед УНЧ его организовать - на ОУ или без - не принципиально для меня).
А вот именно корректировка 40 Гц - я так панимаю, после УНЧ уже не сделать.
В общем - пока ожидаю, читаю все сообщения тут. Какой вариант предложат. Конечно - проще, когда номиналы уже посчитаны под мою непосредственную ситуацию. Да по-другому я и не осилю...
 
Посмотрите внимательно картинку из поста #4,433.
Все строго по законам схемотехники: почитайте теорию ОУ в инверсном включении и сумматор на ОУ.
Удачи в познании очевидного.
о.png - возможный путь влияния деталей, стоЯщих на входе, указал зелёным. РГ в него не попадает, он мощно зашунтирован по ВЧ. Если наводка была на петлю - да, источник напряжения. Проблема экранировки от выхода.
С детства не курю, чего и вам желаю.
Отлично, я - тоже. Вдруг симулятор закурил? :unsure:
Ошибки нет. Вы зря упираетесь в очевидных вещах.
Упираетесь Вы. 10 кОм+33нФ=484 Гц, Вы не чувствуете порядок номиналов и не верите реально снятой АЧХ, это плохо. Моя рекомендация о порядках* остаётся в силе.
Это вообще ни о чем, в вопросе завала на ВЧ. C11 с R2 - это ФНЧ, который дает завал ниже 1 Гц.
Это - к вопросу о влиянии положения движка РГ на выходное сопротивление узла в точке, где 10 мкФ. Ищите ошибку в схеме в симуляторе. Чтобы получить частоту среза 200 кГц с конденсатором 33 нФ на землю, нужно перед ним включить резистор сопротивлением 24 Ома. А по схеме 10 кОм + изменяющихся 3 кОм.
 
Последнее редактирование:
Это - к вопросу о влиянии положения движка РГ на выходное сопротивление узла в точке, где 10 мкФ. Ищите ошибку в схеме в симуляторе.
Не зависимо от положения регулятора R1 частота среза ФНЧ C11(10мкФ) и R2(33кОм) равна 0,483 Гц(по уровню -3дБ).
Что и подтверждает симулятор и расчет "на бумажке" по формуле fсреза=1/(2*Пи*R*C).
 

Вложения

  • ФНЧ_низ.png
    ФНЧ_низ.png
    46 KB · Просмотры: 77
Конечно - проще, когда номиналы уже посчитаны под мою непосредственную ситуацию.
Петр, обозначь что ты хочешь получить (может уже написано, тогда ссылки на посты - просто читать 4000 постов, и выискивать "задуманное" влом). Чем смогу, помогу.
 
И при уменьшении R1 на 50% снижается до 300Гц. И кто что "не чувствует"?
Ручной расчёт. РГ сопротивлением 15 кОм в среднем положении представляет собой 2 резистора по 7,5 кОм. Верхняя точка РГ подсоединена к телефонному выходу ПК, с выходным 100 Ом, которые игнорируем. Итого, максимальное выходное сопротивление чистого РГ равно 7,5/2=3,75 кОм, минимальное - 0. В параллель есть 33 кОм, выходное сопротивление становится максимум 3,4 кОм. Частота среза по -3дБ для худшей точки (середина РГ) гуляет от 484 Гц до 484/1,34=361 Гц. В схеме ожидается подключение к движку этого РГ верхней точки другого РГ, сопротивлением 50 кОм, что ещё уменьшит болтанку выходного сопротивления узла.
Как все запущено...
Ваша версия влияния положения РГ на возникновение возбуждения - в студию, с подробным описанием, и я сливаюсь под корягу. При описании учтите, что на ВЧ усиление ИМС составляет немного меньше, чем 330 000 ))), что 220 пФ имеют в 150 раз меньшее сопротивление, чем 33нФ, а резистор 10 кОм - на частоте 20 кГц, в свою очередь, в 41 раз большее, чем 33 нФ.
Независимо от положения регулятора R1 частота среза ФНЧ C11(10мкФ) и R2(33кОм) равна 0,483 Гц(по уровню -3дБ).
Что и подтверждает симулятор и расчет "на бумажке" по формуле fсреза=1/(2*Пи*R*C).
Никто об этой частоте не говорит, разговор о
1.png
 
Последнее редактирование:
Не понимаю, что вы так зацепились тут... вдвоём.
А что касается помощи мне - дабы не было 7 нянек, буду ожидать пока что рекомендаций от Николая.
Если пойму, что у него не хватило терпения... тогда и буду думать как поступить.

Пока не было причин как-то усомниться в его искреннем желании помочь. То что я не смог осилить гиратор в цепи ООС мощника - это моя заслуга личная. Николай откровенно признался - что и он сам такого пока ещё не делал. Это - повод для меня - не пытаться далее это сделать (гиратор в ООС мощника). Поэтому - я лишь в ожидании. Что будет предложено дальше. От Николая. Вроде, он уже высказал в общем - но я пока не уловил мысль настолько, чтобы взяться за паяльник. Ранее - я действительно хотел обойтись пассивными элементами... потом - минимальным количеством ОУ... теперь я уже не предъявляю таких хотелок

Отдельное спасибо KSV - за то что он в горящий для меня момент дал хладнокровные и подробные подсказки - как следует устранять и выявлять западню, в которую попал.
Вроде - всё обошлось. Пока что.
 
Последнее редактирование:
Просто очевидные (для схемотехника) вещи сначала отвергаются, а потом высказываются те же утверждения, но другими словами.
Моя ошибка - в том, что я не предупредил Петра о необходимости минимизации площади петель и длины проводов. А также - не указал ему на схеме керамику в параллель питанию ОУ.
Ошибка Петра - в том, что у него всё большое и не экранированное (ламповод))).
Ваша ошибка - что доверяете симулятору больше, чем здравому смыслу. Найдите и выложите ошибку, которую Вы допустили, получив

1.png - тогда можно говорить о смехопикнике схемотехнике.
 

Вложения

  • ФНЧ_регулятор.png
    ФНЧ_регулятор.png
    45.8 KB · Просмотры: 82
Синусоида борется за право называться треугольником.И уже делает успехи.
А в чём может быть причина того, что я на выходе УНЧ на осциллографе - увидел синусоиду больше похожую на треугольник? Это усилитель так её исказил? Он испортился и теперь у него большой коэффициент искажений?
 
Два варианта с корректором Элиотта. В первом будет коэффициент усиления на НЧ: 2 раза активный ФНЧ и примерно столько же - корректор Элиотта. вместе 4 раза. Полный срез ВЧ в схеме активного ФНЧ не сделать, поэтому цепочка для их среза должна быть или до ОУ-ФНЧ, или перед 3886. Во втором варианте усиление буфера можно сделать 1 раз, пассивный ФНЧ перед 3886 убирает ВЧ. шумы ОУ и их искажения высоких порядков ))). Шучу, искажений не должно быть слышно и без фильтра. А вот шумы уберутся. Второй - в тренде.
2.png
ОУ+гиратор позже.
А в чём может быть причина того, что я на выходе УНЧ на осциллографе - увидел синусоиду больше похожую на треугольник? Это усилитель так её исказил? Он испортился и теперь у него большой коэффициент искажений?
Маловероятно, скорее, поплыл осциллограф. Посмотрите ним синус прямо с генератора. Подключитесь на выход любым динамиком через 200 Ом и послушайте, что там творится.
 
Последнее редактирование:
А в чём может быть причина того, что я на выходе УНЧ на осциллографе - увидел синусоиду больше похожую на треугольник? Это усилитель так её исказил? Он испортился и теперь у него большой коэффициент искажений?
Это у тебя может быть не синусоида а генерация на вч.
 
Два варианта с корректором Элиотта. ... Второй - в тренде.
Я так понимаю - три ОУ на канал предвидится?
Я могу возвращать китайскую плату с 3886 к первоначальному варианту? Теперь - она будет как пришла ко мне, без вмешательств?

Кстати, были такие ещё мысли в голове. Я этот УНЧ - часто использовал при измерениях (ну, например, когда на сетку выходной лампы надо подать синусоиду большой амплитуды). И хорошо бы было иметь какой-то тумблер (RCA разъём), позволяющий отключать и подключать коррекцию с ФНЧ. Но только чтобы это не повлияло плохо на сигнал или надёжность (стабильность работы). Но это так - мысли вслух.
Это у тебя может быть не синусоида а генерация на вч.
Ранее я пользовался этим УНЧ при измерениях. Не замечал, чтобы синусоида была искажена. Запланирую проверить как-нибудь при случае. Если это ВЧ генерация - как я понимаю, при переключении тумблера верхнего, диапазона частот - я должен что-то увидеть...?
 
Последнее редактирование:
Я так понимаю - три ОУ на канал предвидится?
Я могу возвращать китайскую плату с 3886 к первоначальному варианту? Теперь - она будет как пришла ко мне, без вмешательств?
Предвидится 4 ОУ, по 2 в канале, по одному корпусу. 3886 будет нетронутой. Только проверьте её по полной.
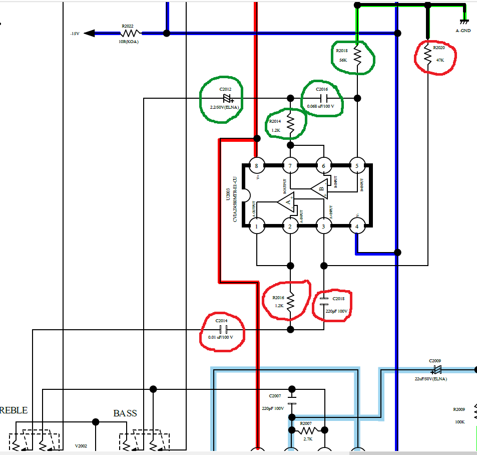
Третий вариант, на гираторе. Усиление на НЧ: +10дБ на 40 Гц, остальное - 0дБ. Пассивный ФНЧ между ОУ и 3886.
Схема немного упрощена, как видите. Выбирайте между вторым и третьим вариантом, рисую полную схему. Во втором варианте корректор Элиотта просимулирую в понедельник, не раньше.
3.png
 
Предвидится 4 ОУ, по 2 в канале, по одному корпусу.
То есть - первые два варианта вообще без гиратора...
А в третьем варианте - два ОУ (один корпус на оба канала)?

Признаться - визуально по схеме - больше нравится третий вариант (меньше "проходных" конденсаторов, меньше количество ОУ). Но смущает - откуда берутся +10 дБ? Не уменьшит ли это устойчивость (надёжность) платки. KSV рассказывал - что принцип в том, что мы не поднимаем 40 Гц, а как бы - опускаем вокруг 40 Гц частоты ниже и выше этих самых 40 Гц. А Вы пишите - что в третьем варианте у нас 40 Гц +10Дб, а остальное 0 дБ. Выигрыш без плохих последствий?
Это лишь мои дилетантские мысли вслух. Можно не обращать внимания. Мне - все варианты по душе. Лишь бы заработало.
 
То есть - первые два варианта вообще без гиратора...
А в третьем варианте - два ОУ (один корпус на оба канала)?
Как это: один корпус на оба канала? У Вас - счетверённый разве?
Признаться - визуально по схеме - больше нравится третий вариант (меньше "проходных" конденсаторов, меньше количество ОУ). Но смущает - откуда берутся +10 дБ? Не уменьшит ли это устойчивость (надёжность) платки. KSV рассказывал - что принцип в том, что мы не поднимаем 40 Гц, а как бы - опускаем вокруг 40 Гц частоты ниже и выше этих самых 40 Гц. А Вы пишите - что в третьем варианте у нас 40 Гц +10Дб, а остальное 0 дБ. Выигрыш без плохих последствий?
Элиоттовский корректор тоже должен иметь +10дБ в Вашем случае. Пассивный вариант с гиратором возможен только в сторону минус дБ: резистор и последовательный контур на землю, где вместо катушки - гиратор.
Гираторы стоЯт в половине многополосных эквалайзеров. Последний раз столкнулся в Маранце, полгода назад, там было 50 Гц и 14 кГц +/-10дБ. Увеличивали глубину регулировки по ВЧ - возраст слушателя.
4.png - в Маранце поставили 2,2 мкФ электролитический... никого не печёт!
 
Как это: один корпус на оба канала? У Вас - счетверённый разве?
Я увидел на Вашем третьем варианте всего лишь один ОУ https://ldsound.club/data/attachments/83/83743-6d949b00b561dc15ee23c874de3f08f5.jpg Как понимаю - это один канал. Ну и сделал вывод, что на два канала надо два ОУ. Корпус у меня с 8-ю ногами, то есть - сдвоенный ОУ.
 
Я уже боюсь гиратор полностью рисовать ))) Он там внизу, под кодовыми литерами Мэ и Жо, после 3,3 мкФ.
 
Николай, я абсолютно не понимаю в чём разница у предлагаемых трёх вариантов. Я прошу Вас сделать выбор. А я - попытаюсь реализовать. Как сумею.
 
Николай, я абсолютно не понимаю в чём разница у предлагаемых трёх вариантов. Я прошу Вас сделать выбор. А я - попытаюсь реализовать. Как сумею.
Пусть читающие тему выскажутся, а то я чёт очкую ;)
 
Признаться - визуально по схеме - больше нравится третий вариант (меньше "проходных" конденсаторов, меньше количество ОУ).
Честно говоря, писать не хочется, особенно когда видишь что твои тексты стирают. Время впустую тратить не хочу.
Пётр! Вы нахватались аудифильских "премудростей", вижу что вреда от них больше чем пользы.
Конденсаторы вам не нравятся? А то что они в отдельном НЧ тракте до 300 Гц - что там они испортят? Кому не нравятся, мотают трансформаторы. Вы готовы? Для нежелающих мотать, есть в продаже, вот только цены явно негуманные, а главное - лучше не будет.
Не нравятся ОУ? Тогда надо первым делом выкинуть 3886. Вы готовы?
Я еще с пионерских времен, делая радиоприёмники убедился что экономия одного транзистора в рефлексных схемах того не стоит.
Но смущает - откуда берутся +10 дБ? Не уменьшит ли это устойчивость (надёжность) платки. KSV рассказывал - что принцип в том, что мы не поднимаем 40 Гц, а как бы - опускаем вокруг 40 Гц частоты ниже и выше этих самых 40 Гц.
Все эти децибелы относительны - насколько одно выше другого.
Можно расчитать и даже сделать фильтр для вас на базе катушек, но если возьмётесь, быстро почувствуете что все прошлые проблемы были просто ерундой. Пикантно что эти катушки станут ещё и антеннами и жадно будут слушать эфир, обмениваясь с ним сигналами.
Поэтому RC фильтры. А они могут только ослаблять. Одни частоты меньше, другие - больше, но только ослаблять и для компенсации этой слабости нужны усилители. Любые. А самые простые и малогабаритные - ОУ.
А Вы пишите - что в третьем варианте у нас 40 Гц +10Дб, а остальное 0 дБ. Выигрыш без плохих последствий?
А что такое плохие последствия? Неминуемое снижение перегрузочной способности - плохо или нет? Почитайте, например, сайт Аудиокиллера, он немало написал про это.
Вы хотите, как в поговорке, и невинность соблюсти и капитал приобрести?
Чтобы что-то получить, неизбежно придётся платить - усложнением, деталями, настройкой.
С аудиофильской точки зрения лучше всего пассивный RC фильтр + усилитель, на практике это большая редкость и RC цепи ставят в ООС ОУ или другого усилителя, пример - все регуляторы тембра (исключения - редкость). Добиться высокой крутизны и настроить такие фильтры - не очень просто.
Радуйтесь, что Николай Марков не пишет что происходит с фазой сигнала от всех этих корректоров - вам ночью кошмары спать не дадут. Меньше знаешь - крепче спишь.
Вам потребовались перламутровые пуговицы - вам их предложили. На выбор. Несколько вариантов. Выбирайте что больше нравится.
Все решения - компромисс.
 
Дядя Петр, давно бы взял напрокат у знакомых или где -тупой эквалайзер, накрутил на слух нужную конфигурацию АЧХ, потом смоделировал ее в схеме у себя , под присмотром Спектры.
 
Дядя Петр, давно бы взял напрокат у знакомых или где -тупой эквалайзер, накрутил на слух нужную конфигурацию АЧХ, потом смоделировал ее в схеме у себя , под присмотром Спектры.
Эквалайзер есть. Только он - не физический ящик с движками - а программа в Виндовс. Так вот, в программном эквалайзере - я накрутил, послушал. Осталось "смоделировать в схеме у себя". И понятно - что потом смотреть и корректировать через Спектралаб и микрофон.
Или же Вы - имеете в виду именно ящик с ползунками, физический? И "смоделировать у себя" - собрать схему такого ящика?
 
Эквалайзер есть. Только он - не физический ящик с движками - а программа в Виндовс. Так вот, в программном эквалайзере - я накрутил, послушал. Осталось "смоделировать в схеме у себя". И понятно - что потом смотреть и корректировать через Спектралаб и микрофон.
Или же Вы - имеете в виду именно ящик с ползунками, физический? И "смоделировать у себя" - собрать схему такого ящика?
Нет доверия кантуперным мулям. Обычный честный криволайзер надежнее.
Рассуждаю, как бы я сделал. Хотя, может получиться что угодно, включая полный провал.
 
Радуйтесь, что Николай Марков не пишет что происходит с фазой сигнала от всех этих корректоров - вам ночью кошмары спать не дадут.
Могу написАть. Поскольку система - точно фазо-минимальная, то выравнивание АЧХ (в прямой волне, без отражений!) выравнивает ФЧХ! Нас ведь интересует ФЧХ всего тракта, включая АС, мы их и корректируем. Крутой срез АЧХ - опять же, портит Фазу. С точки зрения ФЧХ, АЧХ должна идти как можно дальше вниз и потом с минимальной крутизной, без углов, сваливать в канаву. Со щитом не добьёмся, точно. Он и измерить вблизи не даст - соврёт, что безконечный!
 
Последнее редактирование:
Вы нахватались аудифильских "премудростей", вижу что вреда от них больше чем пользы.
Конденсаторы вам не нравятся? А то что они в отдельном НЧ тракте до 300 Гц - что там они испортят?
На этот счёт - я спокоен. У меня в любом случае, на СЧ/ВЧ планируется ламповый УНЧ. Он и передаёт основное большинство нюансов и оттенков, приятных мне. И все конденсаторы и ОУ на басовой секции - сюда повлиять не должны на звук. По басовой секции за "качество" звука - не борюсь. Тут мне важнее (в случае с щитом) - чтобы присутствовал нужный бас (АЧХ на 40 Гц). И чтобы УНЧ - мог двигать диффузор большого лопуха.
Признаюсь, что Вы правы. Критерии выбора по количеству конденсаторов по пути сигнала, для басовой секции - не могут быть критериями. Я отписался - типа выбираю - машинально, пытаясь сделать вид, что выбираю... чуть позже это осознал.
 
На этот счёт - я спокоен. У меня в любом случае, на СЧ/ВЧ планируется ламповый УНЧ. Он и передаёт основное большинство нюансов и оттенков, приятных мне. И все конденсаторы и ОУ на басовой секции - сюда повлиять не должны на звук. По басовой секции за "качество" звука - не борюсь. Тут мне важнее (в случае с щитом) - чтобы присутствовал нужный бас (АЧХ на 40 Гц). И чтобы УНЧ - мог двигать диффузор большого лопуха.
Признаюсь, что Вы правы. Критерии выбора по количеству конденсаторов по пути сигнала, для басовой секции - не могут быть критериями. Я отписался - типа выбираю - машинально, пытаясь сделать вид, что выбираю... чуть позже это осознал.
И кто тебе мешает вытащить из твоего лампача на 6с4с НЧ сигнал в единицы вольт , сняв его с резистора в сетке 6С4С, потом через НЧ фильтр с коррекцией подать на 3886. Этот сигнал будет связан с уровнем поданным на СЧ-ВЧ секцию всегда. Можешь добавить, убавить- крутилкой на входе микросхемы. Развел дебри, залез в джунгли , туда, где знаний мизер, одни воображения. Не плоди сущности. все проще.
 
И кто тебе мешает вытащить из твоего лампача на 6с4с НЧ сигнал в единицы вольт , сняв его с резистора в сетке 6С4С, потом через НЧ фильтр с коррекцией подать на 3886.
Насчёт взять сигнал оттуда - эти мысли уже всплывали. Есть запас по амплитуде - это тоже осознаю. То что он прошёл несколько каскадов - фиг с ним, это для НЧ... Даже примерно понимаю, что R и C могут делать ФНЧ. Но вот как коррекцию делать, чтобы был "горб" на АЧХ на 40 Гц - понятия не имею.
 
И кто тебе мешает вытащить из твоего лампача на 6с4с НЧ сигнал в единицы вольт , сняв его с резистора в сетке 6С4С, потом через НЧ фильтр с коррекцией подать на 3886. Этот сигнал будет связан с уровнем поданным на СЧ-ВЧ секцию всегда. Можешь добавить, убавить- крутилкой на входе микросхемы. Развел дебри, залез в джунгли , туда, где знаний мизер, одни воображения. Не плоди сущности. все проще.
Можно-то можно. Пробовал пассивными цепями что-то получить, мура полная вышла. Даже добротность не корректируется нормально, о щите молчу. Приходится просить активные цепи, с добротностью поболее 0,5, и даже - больше 1,5 единицы.
 
Можно-то можно. Пробовал пассивными цепями что-то получить, мура полная вышла. Даже добротность не корректируется нормально, о щите молчу. Приходится просить активные цепи, с добротностью поболее 0,5, и даже - больше 1,5 единицы.
На той же микре 3886 (если она позволит) ,спаять макаку с выбросом на 40 ,
RCL контур на 40 гц в цепи ООС, к примеру. Остальное добить пассивным НЧ фильтром.
 

Статистика форума

Темы
3,305
Сообщения
263,284
Пользователи
2,548
Новый пользователь
Александр Н.
Назад
Сверху Снизу