Постройка басовой секции

  • Автор темы Автор темы Пётр
  • Дата начала Дата начала
Не люблю такой монтаж... от вх. гнезд до РГ провода экран? Поставте антизвон, 100-300ом на сетку, может ловить. У меня от РГ тоже длинные провода до гнезд, каждый парой UTP, и в кембриках, расстояние ~20мм.
К78-17, один внешний, второй внутренний, внешний на землю.
 
от вх. гнезд до РГ провода экран?
Да, там микрофонный кабель - два провода и оплётка в виде медных волосинок вокруг них.
В основном в интернете народ жалуется, что у них максимальная наводка когда регулятор громкости посередине. А у меня противоположная ситуация - максимальная наводка в крайних положениях.
 
Выкинул бы микр. кабель, поставил UTP. Даже в корр. не наводится...
 
Спасибо. А есть способ убедиться что именно антизвонные резисторы нужны? С помощью осциллографа, например?
 
Землю выполнить из медного провода не тоньше 1 мм, все земли на него, накал витой парой, корпус РГ заземлить, антизвонники ближе к сеткам, резистор утечки первого каскада самый качественный, лучше угольный, ВС вполне, все провода как можно короче, и чтоб выводы деталей сигнальных цепей не магнитились, или максимально их укорачивать. Фон искать от выхода к входу, но как показывает практика, либо неграмотный монтаж входных цепей, либо неграмотная земля. Экранированный провод это крайняя мера, в основном в корректоре, в УМ достаточно витой пары.
 
Землю выполнить из медного провода не тоньше 1 мм, все земли на него, накал витой парой, корпус РГ заземлить, антизвонники ближе к сеткам, резистор утечки первого каскада самый качественный, лучше угольный, ВС вполне, все провода как можно короче, и чтоб выводы деталей сигнальных цепей не магнитились, или максимально их укорачивать. Фон искать от выхода к входу, но как показывает практика, либо неграмотный монтаж входных цепей, либо неграмотная земля. Экранированный провод это крайняя мера, в основном в корректоре, в УМ достаточно витой пары.
нечего добавить, все советы в десятку.
 
Браво, Александр! В очередной раз Вы сэкономили мне кучу времени и нервов, поставив правильный диагноз.
Припаял дополнительные "антизвонные" резисторы к сеткам первых каскадов 6Н8С номиналом по 220 Ом и проблема исчезла.
Если кому интересно, так выглядела осциллограмма (на сетке второго каскада 6Н8С) в положении минимума регулятора громкости:
DSC_0975 2.jpg

и в положении максимума регулятора громкости:
DSC_0976 2.jpg

А так стала выглядеть после установки антизвонных резисторов:
DSC_0980 2.jpg

И "землю" не пришлось на "остова" делить.
И музыку слушать очень приятно...
 
Да, забыл, если уж хотите заземлить ФТ-3, паяйте к корпусу провод, флюс для аллюминия в помощь, медь плюс аллюминий гальваническая пара, контакта хорошего не будет. В сигнальных цепях лучше моножила, мгтф хорош только для распайки накалов, не плавиться изоляция. В качестве сигнального не очень, т.к. изоляция не герметична, медь со временем окисляется, попадались внутри даже зеленые. А по ним идет сигнал!
 
Браво, Александр! В очередной раз Вы сэкономили мне кучу времени и нервов, поставив правильный диагноз.
Припаял дополнительные "антизвонные" резисторы к сеткам первых каскадов 6Н8С номиналом по 220 Ом и проблема исчезла.
Если кому интересно, так выглядела осциллограмма (на сетке второго каскада 6Н8С) в положении минимума регулятора громкости:
Посмотреть вложение 2194
и в положении максимума регулятора громкости:
Посмотреть вложение 2195
А так стала выглядеть после установки антизвонных резисторов:
Посмотреть вложение 2196
И "землю" не пришлось на "остова" делить.
И музыку слушать очень приятно...
Дядя Пётр, все мои советы - это капканы, в которые сам попадал.
 
Корпус стальной, поскреб ножом, флюсом ЛТИ-120 или пастой канифольно-вазелиновая, припаял, готово. Стальным хомутом и шурупом прикрутил ФТ к фанерке, как и Саша, нету флюса люменевого...
МГТФ и сигнальные провода, НИКОГДА, насмотрелся зелени.
ПС: К78-17 и др. пластмассовые, в корректорах особенно, соблюдать полярность, фон зависит.
 
Я больше всего теперь переживаю за нагрев. Тепла на анодных резисторах 6Н8С и на катодном 6С4С выделяется по моим подсчётам около 14 Вт с двух каналов. Хоть я и просверлил отверстий в фанере и в нижней крышке - но переживаю, насколько всё в подвале будет нагреваться.
 
Померяйте температуру внутри, отверстия есть-хорошо. Страшнее локальный перегрев, если мощности резисторов не правильно подобраны.
Юрий Робертович, на счет полярности: фт-3 тоже хорошо осцилографом, имеет смысл проверять. Недавно медные Дженесены ставил, решил проверить, ради интереса, на одном не совпало, вот и фирмА:)) После этого проверил свои запасы, рикен аудио, мультикапы, все соответствует.
 
К40-У9, К40П-2Б, КБГ-М2, КБГ-И, К72П-6, ФТ чувство такое, маркировку от фонаря наносили, почти 50 на 50 проц.
 
Пётр, чего-то много насчитали, около 14 Вт с двух каналов.
6с4с, С5-5 5вт 2 шт последовательно 430+430ом, всего 10вт, ~53в*60-62ма=~3,3вт
 
У наших у всех, даже у новых к78-34, надписи от балды. А у импортных и у старых много с маркировкой внешней обкладки попадаются.
 
Я так считал мощности. Ток через каждый из анодов 6Н8С ок. 5 мА. Тогда 0,005^2*(30k+30k+30k+47k)=3,4 Вт - в одном канале. Два канала 6,8 Вт - это на анодных резисторах 6Н8С. И катодный резистор 6С4С: 0,05^2*1200=3 Вт (два канала - 6 Вт). В сумме 6,8+6=12,8 Вт.
Да, переборщил с 14-тью. Но когда палец прикладываю к отверстиям, откуда должен выходить нагретый воздух - чувствую, что фанера почти горячая. Вот и переживаю.
По поводу внешней обкладки у моих ФТ-3. Тоже посмотрел осциллографом. Из четырёх - у троих внешняя обкладка получилась на том отводе, что сверху маркировки (если читать надпись как положено - слева направо, держа конденсатор вертикально), а у одного - получилось что снизу маркировки. Удивился, ещё раз посмотрел. Так и есть - у одного с другой стороны...

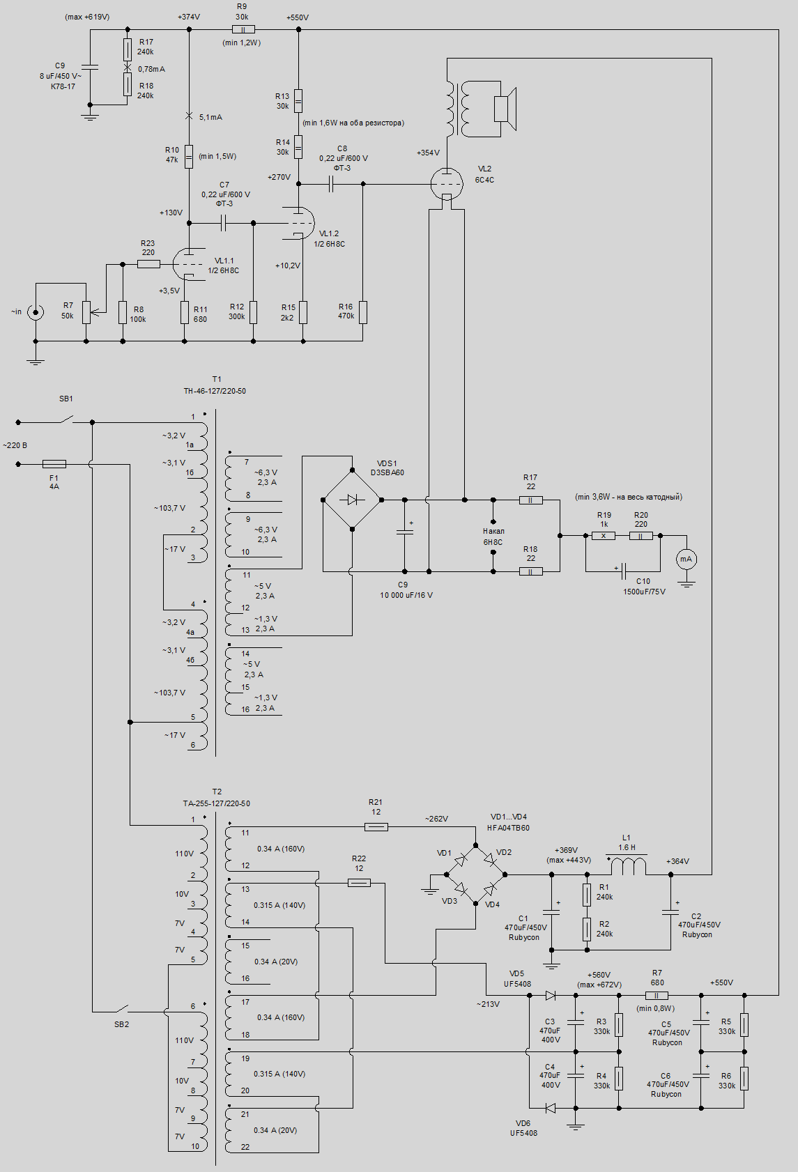
А схема одного канала усилителя на данный момент у меня такая:
1.png
 
Последнее редактирование:
Первая половинка 6н8с, анодный 1,3вт(он 2вт), вторая половинка 1,3вт(4вт), ничего не сделается.
6с4с, ТВО 10вт, тем более.
 
И все ж, поставил первый ССГ-1 48000пф*350в, второй КБГ-М1 0,2мкф*400в, и закрыл вопрос. Никогда эти кондеры не взорвутся, 3 кВ держат...
 
Браво, Пётр!
Усилитель есть.
А чем дело закончилось с басовой секцией?
Про отказ от двухполосного усиления прочитал.
 
Приветствую, Сергей!
Дело с басовой секцией - не закончилось, продолжается.
Вкратце - существующий басовик Бейма 15" в закрытом ящике 120 литров - на данный момент на мой слух лучшее что удалось раздобыть. Этот вариант на мои уши - звучит интереснее, чем 6ГД-2 в щите. А в свою очередь - вариант 6ГД-2 в щите по басу звучит лучше, чем 4А-32 в ОЯ (поэтому-то я и продал уже 4А-32).
Но я не могу сказать, что удовлетворён басовой секцией. Хотел бы найти другой вариант, получше. Собственно и ищу... Но из бюджетных вариантов - ничего не вижу...
Из ранее опробованных басовиков - у меня остались в памяти хорошие впечатления о 6ГД-1 в щите. Хочу ещё раз послушать. Но очень возможно, что было лишь обманчивое впечатление...
Ещё есть маленькая надежда, мысли навеянные Александром Бокарёвым - создать выходной трансформатор специфичный, с отводами на вторичке. Чтобы - по краям вторички подключить мой басовик в ЗЯ с малой добротностью - с заниженным Ктр и с увеличинной амплитудой сигнала и повышенным выходным сопротивлением, а на отвод вторички - подключить СЧ-ВЧ секцию (без гасилок в пассивном фильтре, т.к. амплитуда сигнала будет тут поменьше). Этим и живу - всё рассчитываю попробовать в будущем.
Но и другие идеи, варианты ищу.
 
Понятно.
По идее возможно намотать поверх всех обмоток выходного трансформатора отдельную обмотку с отводами для басовой секции. Некоторые уважаемые люди так делают. Я не делал, но слышал хорошие отзывы.
 
Вкратце - существующий басовик Бейма 15" в закрытом ящике 120 литров - на данный момент на мой слух лучшее что удалось раздобыть. Этот вариант на мои уши - звучит интереснее, чем 6ГД-2 в щите. А в свою очередь - вариант 6ГД-2 в щите по басу звучит лучше, чем 4А-32 в ОЯ (поэтому-то я и продал уже 4А-32).

Понимаю почему 15" Бейма нравится больше чем 6ГД-2. Мне самому нравятся большие басовики. И тоже не особо понравился 6ГД-2 в щите. Наверное по той же причине.
 
Пётр, чего-то много насчитали, около 14 Вт с двух каналов.
6с4с, С5-5 5вт 2 шт последовательно 430+430ом, всего 10вт, ~53в*60-62ма=~3,3вт
300в да на 5 мА, полтора ватта с драйвера. С двух- 3 ватта плюс пшик с первого каскада. Итого, 3, 3 ватта, как Юра пишет. Семечки.
 
Понимаю почему 15" Бейма нравится больше чем 6ГД-2. Мне самому нравятся большие басовики. И тоже не особо понравился 6ГД-2 в щите. Наверное по той же причине.
быстренько заткнулись бы оба с Петей, кабы услышали звук настоящего басовика от Фостекса, W300A . Только басовик такой по цене небольшой квартиры нынче.
 
Саша, этот Фостекс тоже не мелкий, а 12".
Наш чудесный 6ГД-2 не обижаем, просто не сильно любим. Вкусовщина, понимаешь ли...
Кстати, я тоже ищу небольшой Дин с хорошим басом и за вменяемые деньги. Не нашел пока.
 
потомушто векторы сильно разные. Небольшой- за вменяемые-и с хорошим. Лебедь Рак и Щука.
ПС. Добавь четвертого: с чутьём шоб не меньше 94. Тогда склалось.
 
Последнее редактирование:

Статистика форума

Темы
3,304
Сообщения
263,102
Пользователи
2,544
Новый пользователь
vlad'mir
Назад
Сверху Снизу