Постройка басовой секции

  • Автор темы Автор темы Пётр
  • Дата начала Дата начала
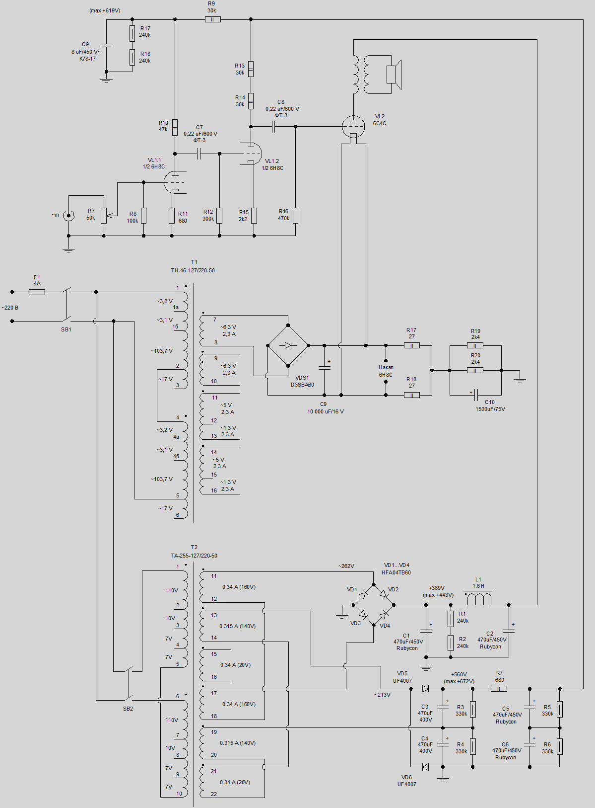
Юрий Робертович обратил внимание на диоды в удвоителе. Я тоже за них переживаю (как они выдерживают обратное напряжение).
Своими глазами видел, как при плавании напряжения в сети, напряжение после удвоителя достигало +670В. Как я понимаю - диоды в удвоителе должны быть рассчитаны на полуторное выпрямленное напряжение. 670*1,5=1005В.
Поиском, для UF4007 и UF4008 встречается несколько разная информация (по поводу допустимого обратного напряжения). Я нашёл два источника, где и для одного и для другого варианта указано 1000В.
1.JPG
2.jpg

Но в некоторых источниках указано для UF4007 - 800В, для UF4008 - 1000В.
Пойду в наш маленький местный радиоларёк. Спрошу UF4008.
UF1008 - выдерживает до 800В обратного напряжения, как мне удалось узнать.
Может, посоветуете, какие ещё диоды можно спросить в ларьке для удвоителя?
 
Еще, я бы поставил С7 ССГ-1 48000пф*350в, можно R12 увеличить до 470-510ком. И С8 КБГ-М1 0,2мкф*400в.
Хотел бы попробовать, послушать звучание с этими межкаскадными конденсаторами. Но, переживаю по поводу - выдержат ли они напряжение высокое. Дело в том, что всю схему усилителя я хочу для надёжности составить так, чтобы без ламп в панельках - в корпусе усилителя при включении ничего бы не взорвалось. Как я понимаю - если я поставлю ССГ-1 и КБГ-М1 - и включу усилитель без 6Н8С - на этих конденсаторах будет перепад напряжения в 600В - не взорвутся ли?
 
Александр, прочитал Ваше дополнение.
Видите ли, в чём дело. Я написал уже выше, что при нагрузке 5 Ом - ограничения наступают одновременно, как положено. Весь вопрос остаётся - какое значение принять в качестве нагрузки при измерениях. А то - начну я сейчас подгонять катодный резистор под 8 Ом, а на самом деле - динамики подключённые в сумме могут дать и как раз 5 Ом, для которых сейчас - идеально...
Или же правильно - ориентироваться именно на 8 Ом, раз такая цифра написана на басовике?
Ясно . Вых каскад рассчитан на более низкоомную нагрузку, значит, для 8 Ом нужно будет запереть лампу , увеличив катодный резистор , чтобы на 8 Омах получить симметричное ограничение и максимальный полезный сигнал.Заодно анодное подрастет из-за меньшего тока, мощность вернется.
 
Хотел бы попробовать, послушать звучание с этими межкаскадными конденсаторами. Но, переживаю по поводу - выдержат ли они напряжение высокое. Дело в том, что всю схему усилителя я хочу для надёжности составить так, чтобы без ламп в панельках - в корпусе усилителя при включении ничего бы не взорвалось. Как я понимаю - если я поставлю ССГ-1 и КБГ-М1 - и включу усилитель без 6Н8С - на этих конденсаторах будет перепад напряжения в 600В - не взорвутся ли?
ставь 600-в кондёры для такой ситуации. Хотя, наши кондёры испытывают утроенным напряжением, если что.
Я себе впаял 0,1мк 1000в, плёнка к78-34. И забыл
 
Какие ещё я могу сделать замеры? АЧХ и спектр?
АЧХ не помешает, спектр можно глянуть, но там обычно все чисто до самого ограничения, дальше искажения взрываются. Это признак настроенного усилителя, если до самого клипа все чисто.
Дрянной драйвер гонит грязь уже на средних уровнях.
 
У Малинина Uобр мах=1,3*Uнагр для удвоения.
Urrm - пиковое, Urms - действущее, 1008, 4008 достаточно.
Без ламп, конечно, лучше не включать, а в принципе, ССГ-1 и КБГ-М1 ничего не сделается...
 
У меня в Бруски первым кондером стоит КБГ-И 0,1мкф*200в, на нем в рабочем режиме 150-160в.
 
У меня вот такие мысли. Чтобы подбирать катодный резистор 6С4С, мне необходимо знать сопротивление нагрузки (акустической системы). Так как я сомневаюсь - насколько верно принимать его именно 8 Ом, я думаю провести эксперимент.
Замерить относительный импеданс АС в зависимости от частоты с помощью Спектралаба, затем вместо АС поставить резистор (например, 8 Ом) и снова произвести замер. Затем сравнить полученные графики и попытаться сделать вывод - какое сопротивление нагрузки следует принять для корректного подбора резистора в катоде 6С4С (по условию симметричного ограничения сигнала по осциллографу).
Это разумно (подобный эксперимент)?
 
На данный момент схема моего макета выглядит так:
2.png
 
У меня вот такие мысли. Чтобы подбирать катодный резистор 6С4С, мне необходимо знать сопротивление нагрузки (акустической системы). Так как я сомневаюсь - насколько верно принимать его именно 8 Ом, я думаю провести эксперимент.
Замерить относительный импеданс АС в зависимости от частоты с помощью Спектралаба, затем вместо АС поставить резистор (например, 8 Ом) и снова произвести замер. Затем сравнить полученные графики и попытаться сделать вывод - какое сопротивление нагрузки следует принять для корректного подбора резистора в катоде 6С4С (по условию симметричного ограничения сигнала по осциллографу).
Это разумно (подобный эксперимент)?
ну, получишь кривулину, с перепадом импеданса от 60 ом до 5 , и что? Ориентируйся на 6 Ом, как среднее по больнице. С ними и настраивай унч.
 
Пётр, я всегда делаю накал, потом через 1-2мин анод, уже все прогрето. Конденсатоы, для них 150в и 300в, рабочее, ставлю 200в и 400в.
"конденсаторы выдерживают без нарушения герметичности и перекрытия изоляторов напряжение постоянного тока, равное 120% от номинального рабочего напряжения, при атмосферном давлении 90 мм. рт. ст."
"конденсаторы на рабочие напряжения до напряжения до 1000в включително выдерживают в течении 10 сек, не пробиваясь, испытательное напряжение постоянного тока, равное тройному".
Это теория. Практика - К40У-9 не мог пробить 200в и 3 кВ...
 
Только что закончил делать замеры. Докладываю.
Снова достал и припаял трансформатор, чтобы подать сигнал большой амплитуды на сетку 6С4С. Впаял последовательно с катодным резистором мощный переменник (чтобы увеличивать номинал катодного резистора на ходу). Подключил на выходные клеммы макета нагрузку 6 Ом. Приготовился ловить, искать нужный номинал катодного резистора.
Изменение размера DSC_0965.jpg

Но поиски были недолгими. На 6 Омах, примерно так же как и на 5-ти Омах, ограничение по верхней и нижней волне наступает примерно одинаково. Крутить переменник на увеличение не пришлось. Вот так выглядит ограничение на осциллографе, при нагрузке 6 Ом и катодном резисторе 1,2 кОм:
Изменение размера DSC_0963.jpg

По-моему - вполне себе симметрично...

Далее стал мерить АЧХ макета, на той же нагрузке 6 Ом. Результаты:
1.png

Красная линия - АЧХ звуковой карты самой на себя
Малиновая линия - АЧХ макета при максимальной мощности
Синяя линия - АЧХ макета при напряжении на нагрузке равном 2/3 от максимального
Зелёная линия - АЧХ макета при напряжении на нагрузке равном 1/3 от максимального

Далее замерял спектр.
Спектр самой звуковой карты:
4.png


Спектр макета усилителя:
2.png

здесь
Красная линия - сама звуковая карта
Малиновая линия - спектр макета на максимальной мощности
Синяя линия - спектр макета при напряжении на нагрузке 2/3 от максимального
Зелёная линия - спектр макета при напряжении на нагрузке 1/3 от максимального

Напоследок зафиксировал спектр при мощности более максимальной (искажена синусоида). При показаниях на осциллографе таких:
Изменение размера DSC_0966.jpg

спектр макета УНЧ выглядит так (синяя линия):
3.png


Хотелось бы услышать комментарии по моим полученным результатам измерений.
 
Все замечательно, можно сказать. идеально.
Единственный момент, спектр ограниченного сигнала мерить нет смысла. там забор с гвоздями.

Но даже в твоём случае, с ограниченний синусоидой, имеем уровень гармоник минус 25 дб относительно основного тона, а это 5 процентов . Форма округлая, значит и звук будет не гадкий, а спокойный, даже при ограничении верхушек.
Я делал ещё так: в режиме мультипл тонс подавал на усилитель два вч сигнала отстоящих на 1 кгц, скажем, 17 и 18кгц, они дают палку интермодуляции на 1 кгц, крутим режим по уменьшению этой палки в минимум.
 
Последнее редактирование:
дядя Пётр!
Вчера один знакомый принес щиток с динамиком 5ГД-1 и какой-то пищалкой бумажной немецкой на предмет сшивки . Изначально он врезал 5ГД-1 в самый низ щитка, над ним пищалу. И когда стал измерять ачх, на ней в районе 1 кгц яма и приличная. Стали разбираться. И когда повернул щит вверх ногами, чтобы ширик оказался вверху, провал исчез. Быстро вырулил стык, для ширика хватило катушки на 0,6 мГн, пищалка- там отдельная история, был пик могучий на 7500, пришлось побиться. Но получилось, и звук оказался шикарный. Вероятно, отражения от от опоры складывались с прямым звуком от динамика и вычитались в районе кило.
 
Александр, спасибо. Буду пробовать в дальнейшем - и от опоры приподнять щиток и перевернуть пищалкой вниз.
 
Оббежал я два имеющихся у нас в городе ларька с радиодеталями. UF4008 и UF1008 - нет. Предложили UF5408. Купил. Выводы толстые. А так - вроде до 1000В и время восстановления то же что и у 4008.
Ещё спрашивал мощные резисторы на 1,2 кОм (в катод 6С4С). Ничего советского не нашлось, только китайские белые кирпичики на 5 Вт.
1.JPG

Что лучше - эти белые "кирпичи", или пара запараллеленных МЛТ-2? Другого пока нет...
 
У меня С5-5 5вт, 2шт последовательно. Можно МЛТ-2, "кирпичей" всяко лучше. В прямонакале, все что в катоде, оно и слышно...
 
Пётр, у Вас естьТВО 1,5ком, добавьте в параллель МЛТ-2 6,2ком, вот и всё. Ничего и не надо!
 
ТВОшки -10ваттные куда круче всякого китайского фарфора. Для забавы расколоти один китаец и посмотри внутренности.
 
Попробовал по совету Юрия Робертовича, подключил ССГ и КБГ
DSC_0969 2.jpg

сильной разницы в звучании не услышал. Единственное, на интуитивном уровне - показалось, что с ССГ музыка чуть аккуратнее звучит, а с ФТ-3 - чуть ярче. В общем - мне больше нравится вариант звучания с ФТ-3.
Посмотрел, что у меня имеется из резисторов ТВО
DSC_0971 2.jpg

я вижу вариант: 1 кОм ТВО + 220 Ом МЛТ-2. Но не знаю - каково это, последовательное соединение разных резисторов...
Можно ещё 1 кОм + 150 Ом, оба ТВО...
 
смысла ставить два бревна ТВо, одно на 1к другое на 150 ом - ноль, там справляются две МЛТ-шки или МТ-шки в параллель. Дотянуться МЛТ-2 до ТВОшки и всё.
Про выслушивание межкаскадных кондёров давно закрыл тему, ставлю то, что по ёмкости подходит, по габариту и по вольтажу. Пленку предпочитаю бумажке, МБГО ставлю только куда-нибудь в питание. звучат они мерзко.
 
1 кОм ТВО + 220 Ом МЛТ-2. По-моему, ТВО 1,5ком 10вт были от Александра, напутал...
Разд. конденсаторы: определяем НАРУЖНУЮ обкладку, щупы осциллогр. переподключаем(чувствительнсть мах, разв. ~10мсек), где больше, там наружная, ее к АНОДУ. ССГ, КБГ-М1, КБГ-И, К40-У9 среди наших, первоклассные.
 
Разд. конденсаторы: определяем НАРУЖНУЮ обкладку, щупы осциллогр. переподключаем(чувствительнсть мах, разв. ~10мсек), где больше, там наружная, ее к АНОДУ.
Расскажите чуть подробнее. Я планирую использовать ФТ-3. Как понимаю - у него тоже есть наружная обкладка. Значит, я выпаиваю из макета ФТ-3, "крокодила" от осциллографа цепляю на корпус алюминиевый ФТ-3, а щупом - тыкаю сначала на один вывод конденсатора, затем на второй - и по осциллографу смотрю, где наводка получится больше по амплитуде. Верно?
 
Просто на оба вывода, и поменять местами, не надо корпус алюминиевый...
Еще, ноль и фазу сет. вилки осц. попробовать поменять местами, в одном положении лучше. Глядишь, и тоже ФТ-3 не понравятся.
 
КБГ-М1 корпус соединен с обкладкой - на анод. КБГ-М2 обе изолир., найти наружную. В корректорах, ВСЕГДА заземляю корпус. В УНЧ с чуств. ~1в, как хочу, бывает и нет, лень...
 
В корректорах, оч. удобно в коррекции, конденсаторы КБГ-М1, К40П-2А, стаканом(или рюмкой, кому как...) на землю, и готово, автоматически.
 
Да я тут думал - может задаться целью, закупить более качественные резисторы (из советских) в схему для усилителя (анодные нагрузки, катодные). Пробежался по объявлениям на Аудиопортале. Но, - нужно не так много для схемы УНЧ (из-за этого связываться с пересылкой - вроде и не очень удобно), найти конкретные нужные мне номиналы у одного продавца - проблемно...
Может, не стоит с этим связываться и на моём уровне вполне пойдут имеющиеся у меня МЛТ и немножко ТВО?
 
Вроде, имеется некоторое количество денег, которые можно было бы потратить на детали для усилителя. А вот, что в первую очередь предусматривать к замене - определиться не могу. Выходные трансформаторы - планирую в перспективе ещё попробовать намотать своими силами, с повышенным числом витков вторичной обмотки - для басовика, чтобы и по добротности (повышенное выходное сопротивление) и по чувствительности (сделать отводы от вторички для СЧ-ВЧ секции). Для этих целей в далёких планах - приобрести новый провод (в надежде избавиться от преследующих меня пробоев), железо имеется - есть ещё два сердечника от ОСМ-0,25.
Ну а какие ещё детали есть смысл менять, тратиться - не знаю. Не хочется в какие-то крайности по эзотерике, винтажу впадать, но есть действительно разница в некоторых деталях.
 
Резисторы шунтированы емкостями, поэтому задача их выдержать нагрев , остальное мимо них.
Не трать деньги. ТВО и МЛТ нормальные детали.
Так думаю, выпади такой случай, на слух определить, какой конденсатор сейчас включен, я точно не определил бы . Мне вольтаж важнее , чтобы лампу не выпалить.
А то ребятки насовали в схему винтажа, потом угли из подвала выгребали .
 

Статистика форума

Темы
3,304
Сообщения
263,079
Пользователи
2,544
Новый пользователь
vlad'mir
Назад
Сверху Снизу