Схемотехника усилителей 2021

  • Автор темы Автор темы rngtng
  • Дата начала Дата начала
Ежели там переменник проволочный- поверю в правильность
прецизионных резисторов.
Иначе - просто понты.
Суть та, что показан пример построения прекрасной конструкции. Применение её - это уже наши проблемы, но схемка-то простая, а линейность у ней высочайшая. Там и биполяры меняются на полевики, и токи варьируются под задачу, но общий принцип - превосходен.
 
И, всё-таки, чем заменить пять диодов?
 
Шумит.
 
Я бы хотел совсем без подстройки...

С другой стороны, выводные диоды (КД521) позволяют упростить рисунок печатной платы, - их можно расположить мостиком/перемычками над другими дорожками (если требуется).

Буду смотреть по месту...
 
Никто в мире не знает ответа, только Пабло в Мексике и Агеев в Москве.
Не, куда мне знать такое. Берите билет в плацкарт и езжайте в Москву_da
Я бы хотел совсем без подстройки...
А что сложного в том, чтобы покрутить подстроечный резистор? Транзистор вы при необходимости сможете прикрутить рядом с выходниками, а вот стабилитрон или интегральный стабилизатор типа TL431 вам дадут определенное значение смещения и остальное будет зависеть уже в большей степени от резисторов местной ООС по току в эмиттерах. Так что тут уж вы сами как разработчик определяете что вам нужно.

Вот вам данные на некоторые элементы из книги крайнего издания Хоровитца и Хилла.
1718724297042.png
 
Это ж все - бандгапы, и напряжение их кратно 1,23 В. Если не кратно, то в бандгапе есть встроенный усилитель с делителем ООС.
 
Вот вам данные на некоторые элементы из книги крайнего издания Хоровитца и Хилла.
Замечательная таблица!
Ссылочку бы на неё (а лучше, - на всю книгу)! Там полно отсылок на доп-условия, а в них может быть что-то весьма важное.
 
Ссылочку бы на неё (а лучше, - на всю книгу)! Там полно отсылок на доп-условия, а в них может быть что-то весьма важное.

Я в разделе 9.10 это взял, чтобы вы долго не искали.
 
Последнее редактирование модератором:
Все, що рукосуєві потрібно знати про режими вихідних каскадів підсилювачів і їх стабілізацію досить детально розписано в "Настільній книзі .." Селфа, розділи 5,6 і 12.
Два перших про те, як і чому режими вибирають, а 12 розділ про термостабілізацію тих режимів і як це має бути реалізовано в залізі.
Там і Ube splitter розглянуто з усих можливих ракурсів.
Селф також в процесі посилається на першоджерела.
Можуть бути цікавими кілька статей від Хоуксфорда і Олівера.
Далі тільки бери і втілюй. Або йди на дно і не мороч голови поважному товариству.
Art of Electronics від Хo-Хі гарна книга, але трохи про інше.
Bandgap, в чистому вигляді, в якості стабілізатора режиму двохтактного повторювача в класі А чи АВ виглядає збоку смішно.
 
Последнее редактирование:
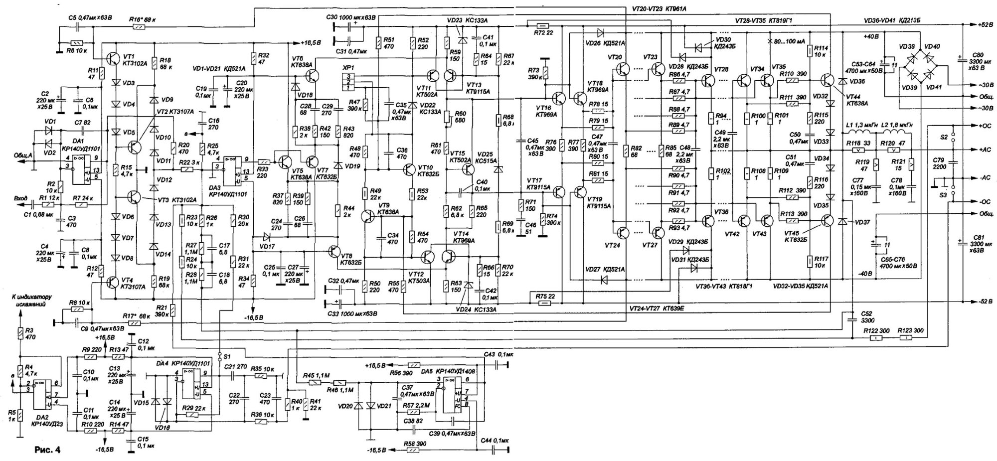
Обзор\разбор схем усилителей с квазикомплементарным выходом за 10 лет. Печалька- все транзисторы не наши, а на выходе- Санкеновские дарлингтоны. На ТИПах тоже есть немного.
 
Наши позорные 818 -819 вообще применять не стоит, а если применять, то с оглядкой. У них выше 200кгц обвалом растет сквозной ток , чего напрочь нет у Тошибовских пар 5200- 1943 и 5198-1941
Сергей, наверное фамилии лучше не коверкать.

И при доступных Тошибах или их работающих клонах для чего использовать 818 - 819?
Мне это любопытно.

Агеевский ВК на Тошибах 5198 - 1941 прекрасно работал за мегагерц и даже прямоугольник на 1 МГц имел вполне приличный вид.
 
дело даже не в том. когда они появились (818/819) то были настоящим чудом для тогдашних товарищей. в том числе и для Бокарёва. а теперь значит позорные.
этим транзисторам 40 с хреном лет уже и на них вполне и сейчас можно высоколинейные схемы собирать. значит их делали с огромным заделом на будущее. и он ещё не исчерпан.
 
дело даже не в том. когда они появились (818/819) то были настоящим чудом для тогдашних товарищей. в том числе и для Бокарёва. а теперь значит позорные.
этим транзисторам 40 с хреном лет уже и на них вполне и сейчас можно высоколинейные схемы собирать. значит их делали с огромным заделом на будущее. и он ещё не исчерпан.
Ответ нравится.
Действительно, эти транзисторы, особенно в металле, для нас в СССР были просто чудом.
Саша, думаю, имел ввиду, что если есть в наличии транзисторы лучше чем 818 - 819, то лучше применить их.
То, что наши транзисторы из далёких лет ещё служат и нужны, здорово. Правда, если в шкафу нет наших, люди покупают импорт.
 
Транзисторы К818, КТ819 тоже разные. Общеизвестно что в металле именно 818-819 звучат хуже, а не в металле хороши только до 1990 г.
 
Транзисторы К818, КТ819 тоже разные. Общеизвестно что в металле именно 818-819 звучат хуже, а не в металле хороши только до 1990 г.
У меня когда-то были с индексом ГМ. Других просто не было. Да и не додумался бы сравнивать с пластиковыми.
Это сейчас всё доступно, импорт тоже.
 
Транзисторы К818, КТ819 тоже разные. Общеизвестно что в металле именно 818-819 звучат хуже, а не в металле хороши только до 1990 г.
после 1990 года много брака. зато сейчас я купил 2019 года- качество опять как до 1990.
в металле пока не юзаю, не удобно.
 
У них выше 200кгц
У нас нету сигналов 200 кГц, о которых тебе рассказывают тупорылые шарлатаны. Звуковые сигналы заканчиваются - много - на частоте 20 кГц, далее полоса обрезана ФНЧ высоких порядков в режиссёрских пультах и сверхлинейных УМ:

УМЗЧ СЛ.JPG

Например, в УМ СЛ Агеева мы видим и фильтр 20 кГц второго порядка на входе и КТ818/819 - на выходе. Что он сделал не так?

В умелых руках и лом - балалайка, а дай дураку хлин стеклянный - он и его побьёт, и пальцы порежет.

И при доступных Тошибах или их работающих клонах для чего использовать 818 - 819?
Мне это любопытно.
Современные технологии разработки усилителей позволяют применять эти транзисторы с прекрасными результатами по звуку. Отходы - в доходы, убытки - в прибытки.

Обзор\разбор схем усилителей
vbe-png.1197313

Наш человек, юань или нуболуп. Хотя, у нас все так рисуют.
Тема тут - полный позор и идиотия.

Транзисторы К818, КТ819 тоже разные. Общеизвестно что в металле именно 818-819 звучат хуже, а не в металле хороши только до 1990 г.
Качество выходников, как раз, не играет ни малейшей роли. Я сам удивлялся лет-лет и памяти нет тому назад, что Агеев и Андронников (ЕВПОЧЯ) говорили на вегаляпе: что ВЧ-выходники с фт=30М, что НЧ с фт=4М - монопенисуально.

А их, действительно, можно менять без потери качества звука, тогда как вход ВК и предвыход низзя менять на КТ502/503 и КТ814/817, ибо рухнет уже не качество звука, а сама устойчивость: наступит возбуд и потребуется перекорректировка УМ с потерей звука.
 
как Николай II, и статью Вашу пролистл, можно тыкнуть на 2 порядок?
1720806455661.png

Моделируй.

1720806826943.png

1720806842860.png

Как понять порядок фильтра?
Запускаем расчёт АЧХ. На АЧХ ставим перекрестие курсора на 100к (например) и 200к, считываем разницу уровней: 12 дБ, что типично для фильтра второго порядка с изменением частоты на октаву.
 

Вложения

Вложения

1720810855947.png


это шутка, 22+22кОм на входе?
Крутить не буду (осваивать), меня ОрКад достал на работе (осваивать).
БлагоДарю за симуляцию. Может кто другой покрутит.
 
Мне нравятся интересные схемы, нетривиальные
Вот такой в свое время мне увиделась ФМ 50-2, и я не ошибся в выборе
Это - схема Локанти:

1720935359545.png

1720935394180.png

за январь 67-го года. См. внизу ПДФ. Какая ж она нетривиальная, если ей - 60 лет в обед? Я тебе таких кучу могу подогнать:

Мало того. Спроси меня: а чо ты ею не занимался?
А я тебе скажу: вот же она:

МАСТЕР-Т117.png


Есть небольшая разница меж УНЧ-50-8 и МАСТЕРОМ:
64.PNG


У МАСТЕРА интермоды 1, 18 и 21к лежат на уровне -160 дБ.
А у Локанти - 0,01%. Есть же разница?

33.PNG

Агеевский тест 500+501к дал результат: -70 дБ разностной частоты 1к.
Это - уровень усилителя Батя и Середы, только при усилении им 19+20к.

Я не занимаюсь тривиальным фуфлом, потому, что оно - тривиальное фуфло и вносит много НЕЛИНЕЙНЫХ искажений. После прослушивания чистого звука ВВС-2011 я стал их хорошо слышать у грязных усилителей, и они мне мешают.
Тебе - нет. Ты стремишься к тому, от чего я отказался.

Ну, то ладно, с половиной предъявы разобрались: твои схемы - тривиальное старьё.
Давай ответ по второй половине:
А ваши схемы каноничны
В каком месте ты видел мои схемы, что смог бы доказать факт каноничности и воровства их мною оттудова? Вот - МАСТЕР, ограничимся, хотя бы, им.

Ты где его видел?
 

Вложения

Там "коллективный разум" и без оскарблений и эмоций, есть понимание, что опыт у всех разный, в приорите человек человеку друг, а не ГОВНО.
Вы делаете ГОВНО. Вы - друзья по ГОВНУ. Конечно, у вас отношения, как меж мухами: одна другую не обидит.
Проекты от Рус2000 и Финн32
Крыса нерусь200 пришла ко мне на форум, не я - к ней, и упорола этот форум своими амбициями: вы у меня воруете схемотехнику.
Она осталась одна и писать ей не о чем - хотя, казалось бы, некому больше воровать. Более того: она и мои темы оттуда не удаляет. Понимает, что нафига людям форум без идей? - не нужен.
А ведь платить за форум надо.
Тут - противоречие, хотя и гармония: ни ума, ни денег.
Я уж и говорить не буду о содержании предъяв крысонеруся200 о моём у неё воровстве, если прямо в начале его темы про парафин написано, что в основу его единственного отличного от ВВ и СЛ каскада легли мои разработки:
Сравнение дифов.png

Ба. Даже терминология - и та моя. Я назвал разогнутым каскад потому, что так называют вещи в шахте. На самом деле, это - дифкаскад с последовательным питанием транзисторов. Но откуда об этом знать крысе?

Точно так же, крыса не сказала, что я месяц долбил ей плешь в теме по усилителю Ломакина-Паршина:

1720937585624.png

сними ОЭ, поставь туда диф! Если он не стёр мои посты, там

и до сих пор видно, что парафин ему навязан мною,
а он ему сопротивлялся. Ровно, как и ты с лубом - сейчас.

Берите лучшую.png
Алан - чем лучше.png

Нипанимаить.
диф.png

1720937893267.png

Так оно и вышло, по моим словам. Теперь оно косит бабос на продаже парафина, а мне расставило подписи к акку.
 
Последнее редактирование:
А чё это мне сюда вход заблокирован?
Мне тоже, не переживайте. Ну не любят они слушать объективных мнений, желают в собственном соку вариться. Их право.
Добить, наконец, хоть один проект, хоть на 10% приблизиться к "Натали", "ОМы", ВВшки,.. про выполнение от Финн32, вообще, молчу, там каждый квартал новое. И Финн32 вышел из секты "Нулевые", отслушав 0.1% усь (Белка, Алекс, ... ни когда там не были, т.к. опыт практичный имеют и сетапы соотвествующие).
Как то так "Пень от Ясеня".
Если вы о проектах СМЕРШа, то их реализованных куча, но вы их видеть не хотите или вас не устраивает то, что не все вам на блюдечке с голубой каемочкой? Тогда это ваша проблема, а не сообщества.
Кстати, ВВшник стал нормальным усилителем только после того, как был переработан до уровня ВВС-2011. Угадайте с трехъ раз кто перерабатывал.
меня, с подачи Жуковского, заблокировали и там, и там, а без схем (вложений) мне там делать не чего.
Где пруф? Где представление, подписанное Жуковским, на имя администрации? Ему больше делать нечего, как вас там отлавливать по одному? Вас выкинул с форума тот мистер в очках, вероятнее всего - просто потому что ему так захотелось и вы шли в разрез с курсом партии и видением руководства, пытавшимся селекционировать определенный контингент согласных во всем поддакивать.
Да, и пустое это, другие схемы смотреть, когда печатки собственного изготовления лежат, хватит симулировать, "мешки таскать" (свои) давно пора, но и Лимит для ширика (в банке) для комнаты достаточно (спасибо Финну, две ЛМки рабочие прислал, а Кузьмич пп с сабсоником и КРУН14 в мост)
Приоткрою вам секрет - использованная в Лимите структура была показана публично тем самым Жуковским в теме про композиты. Только там она была сначала в обобщенном виде, а затем применительно к ZD-50 Николая Швыдкого как вариант апгрейда. Кроме всего прочего там были и другие версии. Но вы считаете что это все заслуга господина в очках и Финн32. А помню те времена, когда господин в очках не знал как рассчитать резистор для стабилитрона и его терпеливо натаскивал Жуковский, отвечая на банальные вопросы уровня ниже радиокружка "Веселый гетеродин".
 
1720950134073.png

Чтобы не быть голословным, вот схема с комментариями Жуковского. Салатовым обведена цепочка коррекции между двумя операционными усилителями, которую и позаимствовал господин в очках для Лимита. Учитывая, что он был дубовый по пояс и теорией автоматического управления не владемши, то отсюда он ее и свистнул. Люди же в теме знают это из курса ТАУ как одну из схем базовых корректирующих звеньев, но это же нужно знать, а не просто очки нацепить для умного вида.
Для знающих людей не составляет трудности определить за кем приоритет в этом споре. Поэтому это, по сути, лакмусовая бумажка на профпригодность и одновременно на порядочность. Господин в очках и его окружение этот тест с треском провалили.
 

Статистика форума

Темы
3,304
Сообщения
263,134
Пользователи
2,544
Новый пользователь
vlad'mir
Назад
Сверху Снизу