A-1
1 ранг
- Регистрация
- 25 Июн 2020
- Сообщения
- 1,210
- Реакции
- 133
- Баллы
- 31
- Страна
- Россия
- Имя
- Александр
- Предупреждений
- 1
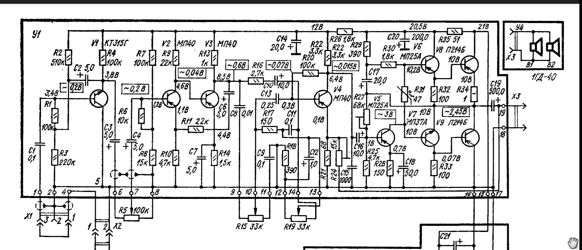
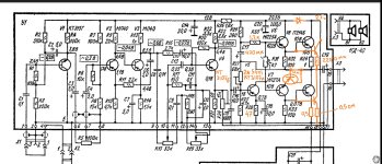
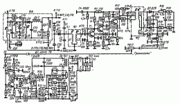
Вот у меня сейчас трансформатор 40 Вт на выходе 39 в выпрямленныхсколько ватт нужно? сопротивление динамика
Динамики есть четыре и восемь
Меньше десяти ватт номинала нет смысла заниматься естественно никакие тpа 3118d2 никакие TDA меня не интересуют я всего этого наелся.
У меня есть плата концертный 304 туда если можно припараллерить ещё пару п213 и увеличить мощность вот это будет круто


