Германиевые УНЧ

to ABK:
Можно и режим В, и тоже какой-то звук получится.
Вопрос - зачем все это, если есть "експериментальная" схема с хорошим результатом.

Если статуэтка орла с крыльями не устраивает, можно отпилить ему крылья, или голову отпилить.
И радоваться результату. Есть такое.
 
Сань, на 605 мощность и выходное сопротивление какие получились?
 
Швидше, КАЛОriffer. Хоча. в кожному жарті частка жарту таки присутня

GRUNDIG RF720​

OIP (1).jpg
 
Ви плутаєтесь в свідченнях ;)
Та, байдуже .Це, насправді. впливає лише на схильність до збудження підсилювача в разі кривоїдної схеми і необхідність корегувати її в дійсний спсіб. Жодне золоте вухо того не почує. як не побачить. Хіба що, дядько бокарьов в процесі чергового жорстокого сексперименту над черговою нещасною парою транзисторів.
 
Будете смеяться. Не пробовал переводить схему Худа в АВ. Не было задачи. До этого повозился со всякими АВшниками из 60-х, жалкие результаты. Ашник на 806 убежал под 800кГц, остальные сдулись на 50-100.
Само сочетание П605- ГТ806 удачнее прочих. Можно как кубики складывать , получая красивые простые и звучные схемы.
не, не буду (если писать с приколом, то это как бы Ваше ТВОРЧЕСКОЕ УПУЩЕНИЕ).
А вот тут и я подвернулся - попросить ТАКОЕ исследование.
Если, конечно, оно Вас вдохновит на свершение

Вот схем из 60х, вот их НЕнадо.... Как это там ЩАС пушуть - "ПГ" (печальное эксримент) :-)
А можно "задачу" задать, ну как в школе кадата...
Это если, на может быть, сохранился таковой Худовый макетик...
Так вот если к П605 (без букифки), да оконечники какие нибудь П214 (лучше П215), да это всё в режим АВ (никаких В), с током эдак 25 мА.
Ну и прицепить какие нибудь не самые плохие старенькие ширики, вот КАКОЙ звук будет ????
 
Тёзка, можно вопрос?

Меня нечаянно ткнули носом в Вашу интересную статью.
Действительно интересная оказалась.
Да, раньше я видел схемы с германиевым Худом, а у Вас оказалось нечто усовершенствованное.
К сожалению - на редкостных деталях (терморезисторы или "странных" транзистор в нижнем плече).
Ну и режим А....

Так вот вопрос - прошу подсказать, А ЧТО БУДЕТ, если Худу (типовой схемы или Вашей, экспериментальной, НО если обойтись самыми распространёнными деталями) уменьшить ток ВК, переведя Худа в режим АВ?

Тоесть - а можно ли Худу задать режим АВ и КАКОЙ звук при этом у него получится ?
Саня хочешь я тебе подгоню рабочий макет германиевого худа. Я уже наигрался. Вот ссылка на фото.
 
да оконечники какие нибудь П214 (лучше П215)
Оооо, что опять?
Выше все схемы на п213,214 это ПГ, уг или зовите как хотите, а Бокареву так сразу интересно может будет....
Ушел за попкорном
 
Саня хочешь я тебе подгоню рабочий макет германиевого худа. Я уже наигрался. Вот ссылка на фото.
Какая то нестыковка картинки со схемой...
И непонятно - что за такой транзистор ?
У него что - усиление=4 ?
Про режим чаще непонячтки - вот с ТАКИМ радиатором и режим А, да ещё на германии ?
Это КАКАЯ у него МОЩЩА на выходе - ПОЛватта ?
 

Вложения

  • JLH-Ge.jpg
    JLH-Ge.jpg
    636.6 KB · Просмотры: 142
Какая то нестыковка картинки со схемой...
И непонятно - что за такой транзистор ?
У него что - усиление=4 ?
Про режим чаще непонячтки - вот с ТАКИМ радиатором и режим А, да ещё на германии ?
Это КАКАЯ у него МОЩЩА на выходе - ПОЛватта ?
Усиление как считали? Аж интересно.
Моща простая, исходя из КПД Ашника , 20 -25 процентов. 30 в 1 а, 30 ватт. Умножь на КПД, 6 ватт.
 
Какая то нестыковка картинки со схемой...
И непонятно - что за такой транзистор ?
У него что - усиление=4 ?
Про режим чаще непонячтки - вот с ТАКИМ радиатором и режим А, да ещё на германии ?
Это КАКАЯ у него МОЩЩА на выходе - ПОЛватта ?
Поясню.
1. На фото не видны 806 на радиаторах.
2. транзистор на радиаторе П605.
3. "4" это я так маркирую транзисторы когда подбираю по параметрам. Сейчас глянул в свои записи тразистор №4 имеет Iэ=235мА Iб=2,35 h21=108
4. режим "А" Iпок=1А
5. При питании 30в на выходе при Rнагр=8 Ом P=8вт не искажённых.
6. Плата сделана именно по схеме которую вы приложили.

1674320790572-jpeg.55098
 
Последнее редактирование:
О, все по заветам юаня для калориферных схем процессорный кулер
 
О, все по заветам юаня для калориферных схем процессорный кулер
А вы как хотели класс А получить. Не хотите кулеры ставьте радиатор килограмм на 5 германию выше 70гр.С нельзя, чем ниже температура тем лучше.
 
Ещё вариант транзисторы на пластину,20*20см а на нее кастрюльку алюминиевую с водой,кремний вообще при 100град только раскрывается))))))бэта растет,и перегреть не реально при полной тишине,как пулемет Максим)))
 
А ЧТО БУДЕТ, если Худу
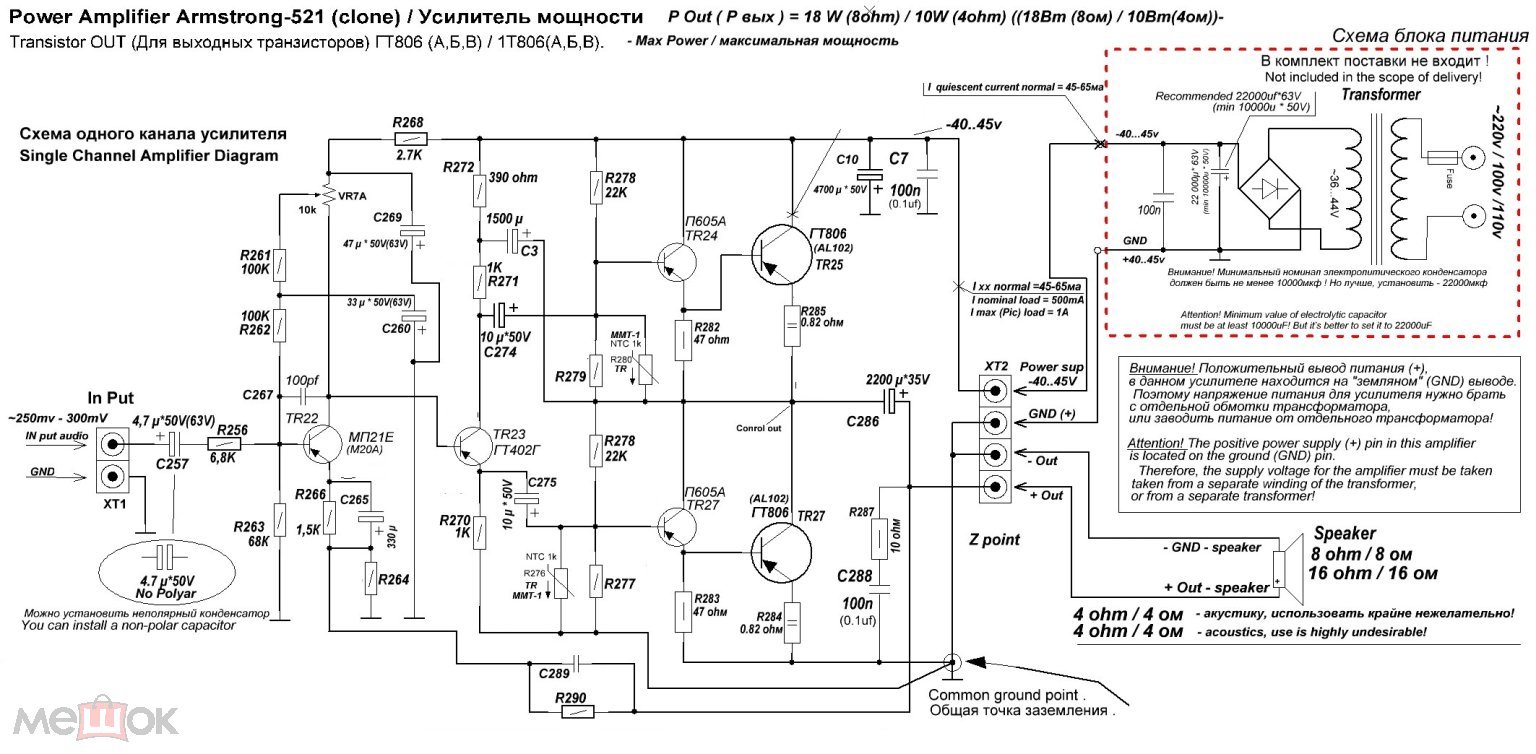
Будет Армстронг 521 или Hohner
 

Вложения

  • 318396670.6.jpg
    318396670.6.jpg
    196.3 KB · Просмотры: 157
Последнее редактирование:
кастрюльку алюминиевую с водой
Или пивную банку:)

Или пивную банку:)
В кастрюльке испарение ещё работает хорошо,забирая тепло))))

оконечники какие нибудь П214 (лучше П215)
Для бабушкиного радио (оставь надежду всяк их берущий-из Данте)))

Печалит сам спектр. Мощный такой частокол, плотный... На 1-2Вт, наверное всё намного лучше.
Вообще-то , снимая спектр , доводить уровень до такого дикого штакетника на экране- не знаю, кем надо быть. И режим усилителя выруливается по наиболее чистому и короткому спектру. И если все правильно, то взрывной рост искажений начинается у самого начала ограничения, при этом обе половины синусоиды ограничиваются одновременно.
А что можно понять в этом сраче, на картинке- без понятия.

ДОйдёт до финала...
Естественным путём, по мере истощения невозобновляемых запасов:(

Голимый кремний...

В моем планшете встроен нейтринный детектор и гравиметр.
Вот чешу репу, как их использовать для измерения параметров Т-С в полевых условиях.
Может, кто поделится опытом?

В наличие куча разных. С медным колпаками - 10ГД-36К, с кольцами 10ГДШ-1 то есть более поздние.
Где-то читал звучат по разному.
Вес диффузоров у них тоже сильно разный.
У 10ГДШ-1 от 3,9 до 6,5 г, у 10ГДШ-2 свыше 6 г.

Ставим на выход П605А, устанавливаем на эмиттерном резисторе (увеличиваем до 2 ом) меньше 0,5 в., добавляем по схеме Дарлингтона КТ837 (на небольших радиаторах) и получаем выходной каскад по схеме А+С (В трудно поймать за скользкий хвост))).
Я же написал что уже наигрался.

Подскажите TFK OD 603 какая частота?
германий Р, 30 вольт 3ампера 6 ватт бета 15-25 полосы вч нет, только у ОД 650 100кгц

Аз есмь АВ, если на англицкий манер.

Аз есмь АВ, если на англицкий манер.
Аз - може есть, а може и НЕ есть - АЗму, может она НЕФКУСНАЯ..

А вот что подразумевал автор схемы мне непонятно.

Аз - може есть, а може и НЕ есть - АЗму, может она НЕФКУСНАЯ..

А вот что подразумевал автор схемы мне непонятно.
автор схемы для себя делал, и памятку рисовал, а не для непонятливых, кто АБ от АВ не отличает :)
Было бы кирилицей Ге, тогда рядом-АБ. А коли латиницей Ge- изволь, все по-ихнему.
 
Будет Армстронг 521 или Hohner
В схеме Хонера мудрое решение, отвязка нижнего выходного триода по гальванике от транзистора драйвера. И дополнили базовый резистор термиком. Проблема термо-нестабильности ушла. Вот чего схеме моих Германо-Худов не хватало.
А для пущей надежности по термоотбойнику 60 град на радиатор, через них питание заводим.Вскипело- отрубилось. Остыло-включилось.Утюг . Гладить подано )))
 
Последнее редактирование:
А вообще кто-то слышал эти воронежские клоны Ликов 30, Армстронгов и пр. на ГТ806?
 
ВАР, навіщо воно Вам? У нас на лохах справжні, не клони, на справжніх автентичних германієвих транзисторах проскакують.
 
Последнее редактирование:
подгоню рабочий макет германиевого худа. Я уже наигрался
Ставим на выход П605А, устанавливаем на эмиттерном резисторе (увеличиваем до 2 ом) меньше 0,5 в., добавляем по схеме Дарлингтона КТ837 (на небольших радиаторах) и получаем выходной каскад по схеме А+С (В трудно поймать за скользкий хвост))).
 
Последнее редактирование:
Динозпвр, спасибо, вот именно такая, только на буржуйских траисторах недавно в обсуждении была.
Ну немного не по феншую - пара конденсаторов в плечах мешает.
Вот бы без них....

И П215 не из Данте, а из собственной заначки.
В которой они - самые луДЧие, из гераниевых.
П605 ( 1)без букифки А, 2)без радиаторов, 3) с усилением аж по 35 попугаеф) не в счёт.
 
ВАР, навіщо воно Вам? У нас на лохах справжні, не клони, на справжніх автентичних германієвих транзисторах проскакують.
Час бере своє. В справжніх прийдеться міняти конденсатори та багато чого ще.
Я германієву тему для себе ще не закрив. Можливо захочеться колись "порукосуйнічать"...

Посмотрел на мешке набор Беслика 3.01 воронежского разлива. THD при выходной мощности от 2,5 до 6 Вт (??? - это они так написали) 0,32%. Печалька. Зато честно...
 

Вложения

  • TND Беслик  v3.01.jpg
    TND Беслик v3.01.jpg
    82.3 KB · Просмотры: 66
Последнее редактирование:
Последнее редактирование:
пара конденсаторов в плечах мешает.
От нижнего можно избавиться, заменив на кремниевый диод (как скажется на КНИ, не знаю).
Вместо вольтодобавки можно использовать отдельный источник с повышенным напряжением и\тили источник тока.
И вообще, вспомним старика Гендина:)
https://ldsound.club/attachments/gendin-unch-mrb0577-1965g_083-png.75531/
 
Последнее редактирование:
ВАР, для "истинного германиевого Беслика" это примерно правильные %, а у кремний-германиевой версии 2,1 намного лучше.

Динозавр, там у Мовинга есть ранее доведённое схемное решение с ХОРОШИМИ %и.
Чисто германий, который круче Бесликовского.
А вот по Вашей ссылке, только развивается идея.
Может и ДОйдёт до финала...
Может и будет победителем...
 
ВАР, для "истинного германиевого Беслика" это примерно правильные %, а у кремний-германиевой версии 2,1 намного лучше.
Печалит сам спектр. Мощный такой частокол, плотный... На 1-2Вт, наверное всё намного лучше.
 
Искажения А класса и АВ нельзя сравнивать в процентах,ТК спектры разные,и глубокая оос делающая нули убивает звук,причем даже в ламповых усилителях с глубокой общей оос
 
Печалит сам спектр. Мощный такой частокол, плотный... На 1-2Вт, наверное всё намного лучше.
ВАР, ну не всё так плохо.
Я, конечно, не адвокат Беслика, но ВОЗРАЖУ.
Вот ТОТ спектр который 0,38% это чисТЕЙший германий. И частоКОЛ ейный.
А вот кремний-германиевая версия намного др будет.
ПрилОживаю.
 

Вложения

  • v2,0  -10db  8ом.JPG
    v2,0 -10db 8ом.JPG
    46.5 KB · Просмотры: 89
  • v2.1   -10db   8ом   П217В.JPG
    v2.1 -10db 8ом П217В.JPG
    47.9 KB · Просмотры: 93
Последнее редактирование:

Статистика форума

Темы
3,310
Сообщения
264,159
Пользователи
2,550
Новый пользователь
Александр Н.
Назад
Сверху Снизу