Динозавр
1 ранг
- Регистрация
- 31 Янв 2023
- Сообщения
- 3,443
- Реакции
- 1,077
- Баллы
- 72
- Страна
- Россия
- Город
- станица Пашковская
- Имя
- Александр
- Предупреждений
- 3
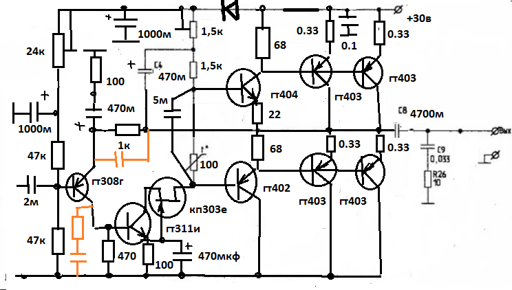
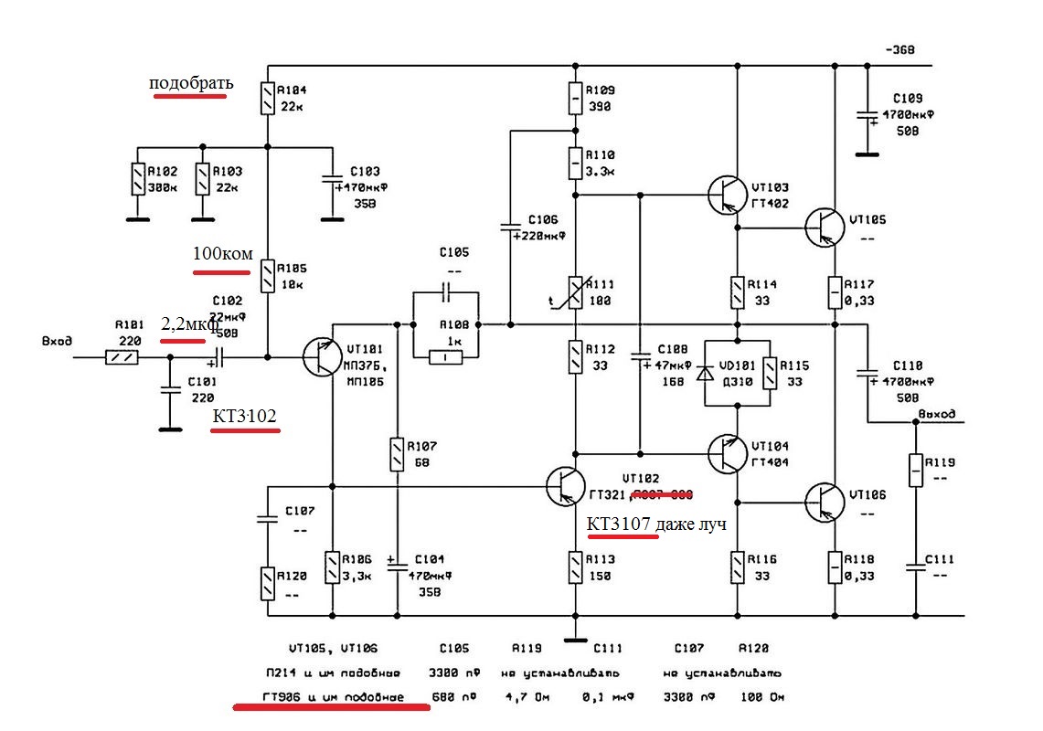
а с кремнием н-р-н в раскачке?вот чисто ВК без оос
Смотрите видео ниже, чтобы узнать, как установить наш сайт в качестве веб-приложения на домашнем экране.
Примечание: Эта возможность может быть недоступна в некоторых браузерах.
а с кремнием н-р-н в раскачке?вот чисто ВК без оос


Только до 8 ом нагрузки. На 4 ома понадобятся по 4хГТ403 в плечо (подобранных в квартеты) - дайте ведро!фанатов германия
да кто мешает гт 806 поставить? тут весь цимес в подборе транзисторов в первых каскадах,высокочастотных и с большой бэтой,причем у гт308г 20в предельное,значит при грамотном исполнителе,можно и 40в питание сделать,лишьбы кп303е выдержал,но Бокарев говорит у них запас большой по напряжению,кто боится то при 40в 2SK170 ставим с большим напряжением отсечки,а лучше деплетон bsp129,только 100ом ему в затвор врезать тк крутизна большая ,может свистеть без резюкаТолько до 8 ом нагрузки. На 4 ома понадобятся по 4хГТ403 в плечо
я делал с кремнием забраковали,вакулы,самоделкины,вот вам германий кошерный и каскод в уне оооочень малой кровью -джифет добавленПричём транзисторы только германиевые. С кремниевыми естественно только лучше станет. Это даже козе понятно. В отличии от тебя.
Вот-вот, ты и смотри, что в схеме EPfinal стоят не фигня всякая как у тебя - типа полевиков и гт3°°весь цимес в подборе транзисторов в первых каскадах,высокочастотных и с большой бэтой
2-200 000 Гц, хотябы. А лучше до 0,5 МГцнам не надо. у нас диапазон 20Гц-20кГц. На этом всё. Любые формы сигнала в этом диапазоне нормальный усилитель легко и непринуждённо усилит.
С какой ещё целью? У тебя УПЧ АМ что ли ? Ну так я тебя разочарую. В музыкальном сигнале выше 20кГц жизни просто нет.2-200 000 Гц, хотябы. А лучше до 0,5 МГц
Объяснял уже для чего нужны сотни кгц унч, не хочу по новой. Измени настройку RF фильтра в несколько раз, и послушай на высоко разрешалистом сигнале разницу. Услишишь что она есть, даже на унч с п213 в вк.С какой ещё целью? У тебя УПЧ АМ что ли ? Ну так я тебя разочарую. В музыкальном сигнале выше 20кГц жизни просто нет.
250000 вистачить _da2-200 000 Гц, хотябы. А лучше до 0,5 МГц
ну так. на гамне оно заметно. а у нормальных усилков Фт 3-5МГц. На этом всё. Но в звуке всё равно выше 20кГц ничего нет. Да и не услышишь ты никак.Объяснял уже для чего нужны сотни кгц унч, не хочу по новой. Измени настройку RF фильтра в несколько раз, и послушай на высоко разрешалистом сигнале разницу. Услишишь что она есть, даже на унч с п213 в вк.

не введение обратной связи их порождает, а убогая измериловка пациентов измеряющих германий или лампы. они просто есть всегда.Где то читал исследования, что введение обратной связи порождает высшие гармоники до 81.
И тут как всегда 2 лагеря, кто то за, кто то против.
а ты не видишь? какие импульсы нафиг, у тебя на втором графике выше 18кгц ноль ноль и хрен повдоль.Электронная музыка тоже набор синусоид? Я просто не в курсе.
На графиках похоже на набор импульсов.
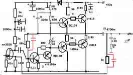
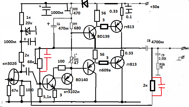
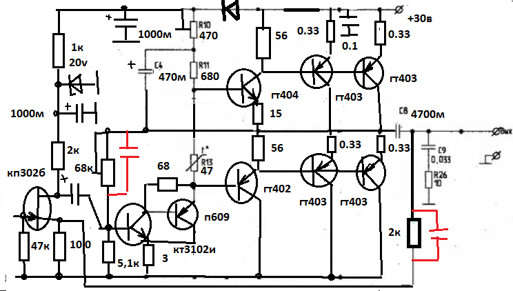
Пост 5.830. При использовании транзисторов 1Т813 питание можно увеличить до 40-42 вольт и вполне реально получить 30 ватт на 4 ома. Это очень приличная мощность для уся на германии!А по какой именно схеме?
А первый транзель какой? мп37?Пост 5.830
Загадку разгадали или как?))
1т813 оч. хорошие транзисторы в плане крепкости, но у них есть одна беда - большая утечка К-Э. Проверять обычным советским тестером. Из коробки примерно 40-50 % покажут сопротивление К-Э Ом так 300, а то и меньше - эти бракуем однозначно. Так что.. для отбора нужно иметь запас))Их есть у меня! И даже -ОСМ
Если этот усилитель собрать на кремниевых транзисторах, то он легко и непринужденно натянет свою исходную версию на германиевых транзисторах и любую поделку с местного форума на тех же германиевых транзисторах. По той причине, что в нём частично использована идеология построения сверхлинейников.Какая срачина тут возникла)) А из за чего собственно?
Время экспериментов с усями на германии у меня уже прошла, так что могу (и хочу) поделиться своими наблюдениями и выводами.
Усилитель В.Перепёлкина был собран в макете ("рыба") и весьма тщательно отслушан. Отслушан был не только мною, но и другими очень "ушастыми" парнями (любители музыки в качестве), у которых домашние системы стоят как квартира в Москве.
Усилитель Перепёлкина "натянул" усилитель Беслика легко и просто!)) Это действительно реально играющий усилитель на деталях "из тумбочки"!
Что касается деталей, типа везде должен быть германий, ну так же просто бред!
Обитает на форумах некто Женёк, который утверждает что в германиевом усилителе германиевые должны быть ВСЕ детали, даже стабилитроны, иначе всё это фигня)) Он даже сочинил ОУ на германиевых дискретах!
Теперь на счёт звука. У приятеля есть АС на которых слышно буквально всё! Количество усилителей которые к нему приносили, типа хочу послушать свой усилитель на "твоих" колонках даже затруднюсь сказать сколько.
Одно могу сказать, абсолютное большинство слушателей (а среди них были и те самые ребята у которых аппаратура стоила как квартира) всем усилителям предпочли усилитель на ГЕРМАНИЕВЫХ транзисторах!
Усилитель который "трахнул" все именитые был собран по стандартной схеме, типа "Аккорд", правда был тщательно "вылизан". ВК был на транзисторах 1Т813, в УН КТ601БМ.
Владельцы глыбокоОСных усей (за многие "тонны" зелени" , впрочем и самодельщики тоже) были в печали))
НЧ на германиевом усилителе это нЕчто!! Никто так не может!))
P.S. В сраче участвовать не буду)) Надеюсь мудело и декодер захлебнутся собственным говном))
Уточните, проверка на утечку К-Э производится с оторванной базой?1т813 оч. хорошие транзисторы в плане крепкости, но у них есть одна беда - большая утечка К-Э. Проверять обычным советским тестером. Из коробки примерно 40-50 % покажут сопротивление К-Э Ом так 300, а то и меньше - эти бракуем однозначно. Так что.. для отбора нужно иметь запас))
попробуй УН на кт3102+буфер п609а как в моей схеме ,только с 813 на выходе,на входе можно биполяр 3102 поставить,но ему прийдется смещение делатьВК был на транзисторах 1Т813, в УН КТ601БМ.
там оос параллельная дядя,второй каскад вместе с вк ею хваченПрименение JFET, низкое усиление усугубленное нагрузкой на низкое входное сопротивление второго каскада.
это лучше,тк под оос ,чем на входе без оос,но не вопрос,можно убрать,тут просто джифет выбирал с большой крутизной из совдепа,линейность зато у джифета выше и не надо очень глубокой обще оос,второй каскад +буфер в Аклассе дает не много искажений там своя петляМежкаскадная связь через реактивность.
Для мощности и низкоомной нагрузки - с дарлингтонами на выходе.гавно,ИТ внизу не модулируется,кпд будет низкий ,вдвое ниже чем у худа,это подобие Чуфолли на биполярах,с кучей межкаскадных электролитовНашлась та самая схема инженеров ГДР
Похоже, у автора схемы дядя работает зав базой резисторов. У него этого гуталину-навалом. И со схемой не паримся, берем смещение из учебника, 4 резистора в обвеске, классика. Работать будет, куда денется.Нашлась та самая схема инженеров ГДР (правда, на отечественных транзисторах (МРБ995)Посмотреть вложение 124756