Германиевые УНЧ

В "Делко" трансформатор работает от каскада ОЭ, в других- от повторителей (ОК) или двухтактных драйверов. Однотактный режим (SE) можно организовать подгрузкой выхода ОУ резистором.
зачем там однотактный режим?лучше когда транс работает от источника напряжения(вых сопр стремится к нулю) при этом его полоса расширяется а искажения уменьшаются
 
Тем более как все пишут SK18752 лучше ,чем LM1875
кто ВСЕ?
ЛМку "на вшивость" проверить в композитном подключении и можно, подбирая ППК и первый опер (игра на скорость).
Мусорные мне и попадались, и (в)попуЛярные магазы слали фейк.
Кстати, ищу Пятиножки эти, при одном условии, что "Лимит" запустили с ними (ссылка на продавца)
 
Последнее редактирование:
Але, як підсилювач для навушників, згодиться.
А как драйвер для германиевого усилителя с трансформатором? Можно попробовать...
Попытка-не пытка (как говорил Лаврентий Павлович)
 
Гвалтуйте, якщо з задоволенням, але пам'ятайте, більше ніж 300 мА вона не дасть в навантаження. Нікому, ні під якими катуваннями. Вище згадані альтернативи можуть дати вдесятеро більше.
І захист її виходу від неадекватних проявів трансформатору за заповітом дідуся Бейкера буде незайвим.
 
Последнее редактирование:
не долго, "Б" не туда полез, лучше сидел бы на трубе (шутка). Отвлечься немного (разбавить).
Как можно на фейках что то строить и писать об этом, "Муху" хорошо не вспомнили (УН7)

Не пренебрегайте 157УД1
игнорирую, хотя, в дешманский сетап, отличный ОУ.
 
Как можно на фейках что то строить
нагрузите ее (1875) на 100...200ом и посмотрите искажения
у нее ток покоя 80ма ступеньки не будет остальное не важно,на звук не влияет ,даже 0,5% без ступеньки не слышно
 
Последнее редактирование:
игнорирую, хотя, в дешманский сетап, отличный ОУ.
Весь пізній совок категорії складності 2 і вище мав її в своєму складі в якості підсилювача для навушників, тобто за прямим призначенням. І нічого, а ви гидуєте? Убери таки ні, я вище надав посилання. Але, вони додали до неї трохи ззовні. Ще на вегалабах була досить вдала на ній конструкція, не пм'ятаю вже від кого, зі зміненою корекцією.
 
квадратом 40К, 544УД2Б, как оптимальную по скорости и "пожарить" (перегреть от свиста), разломать и "хронить" очередную кучку (фейк).
Без композита она НЕ ИНТЕРЕСНА!!! А фейк не в этом месте ставить (в УМЗЧ).

это Вы, схемотехники в них "шарите", я лишь Хоровица с Хиллом ещё учу (кстати, познавательное чтово, в части эмиттерных повторителей и режимы в(или "на"?) постоянном токе - сейчас "жую"), есть не соответствия с переменным (но думаю "дойду")
 
Кто-то знатно закупился телефонными SMD трансформаторами Bourns: https://eltsi.ru/upload/files/SMLP5001.pdf
 
Последнее редактирование:
куда их?из рогатки стрелять?
 
Может, на аналоговую развязку с системными блоками\телевизором\линией сгодятся (если подешевеют раз так в 10, когда поймут...)))
Всю номенклатуру не смотрел -может, есть с тремя обмотками...
 
Последнее редактирование:
серия ТОТ стоит копейки и вполне приличные
 
Как кто замеряет граничное напряжение?
Нужно из МП38А отобрать на вольт 30-40.
 
Как кто замеряет граничное напряжение?
Нужно из МП38А отобрать на вольт 30-40.
Дилетанский подход. Смотрите параметры -15 В.
Граничное напряжение биполярного транзистора
- напряжение между коллектором и эмиттером при нулевом токе базы и заданном токе эмиттера
Напряжение между выводами коллектора и эмиттера при токе базы, равном нулю, и заданном токе эмиттера.
Обозначение
UКЭОгр
U(L)CEO
[ГОСТ 20003-74]
 

Вложения

Спасибо что про 15 вольт напомнили, а то я не знал.
Только люди их с граничным за 40 находили. Вот и хотелось бы взглянуть на схемку проверочника.
 
Как то это всё ЗАГАДОЧНО...
К примеру - пример
Обратите внимание на допустимые напряжения и РАСТОЛКУЙТЕ - Э-К меньше К-Б.
Ну вот КАК это может быть - часть больше целого???
 

Вложения

  • IMG_20250506_095402.JPG
    IMG_20250506_095402.JPG
    107.7 KB · Просмотры: 66
Нужно из МП38А отобрать на вольт 30-40
Те,которые не пройдут проверку, будете выбрасывать? Тогда очень просто...
В схеме ОЭ с резистором Б-Э (1к) и нагрузке резистором 390к при питании импульсом 40 в со скважностью >10.
Яркий светодиод в нагрузке последовательно. Моргает- значит того...Можно взять полпериода 50 гц с амплитудой 40в.
 
Последнее редактирование:
Те,которые не пройдут проверку, будете выбрасывать? Тогда очень просто...
С чего это, ничего не случится с ними, измерения просто покажут их предел.
Мощные, к примеру 808,819, 827 я замерял по схемке Бокарева. Очень многие держат К-Э на 50-70% больше от справочника.
 
Спасибо что про 15 вольт напомнили, а то я не знал.
Только люди их с граничным за 40 находили. Вот и хотелось бы взглянуть на схемку проверочника.
Диод, емкость на пару мкф и резистор на 1 мом. Это все к тестеру на предел 300 вольт, транзистор сам покажет, сколько держит. База- эмитер закоротить.
 
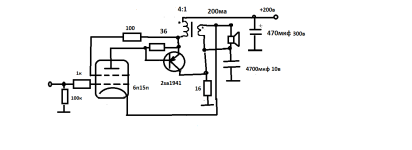
сколько реально держат 2SA1941? никто не мерял?
 
в таком гибриде не должны подохнуть?
 

Вложения

  • гибридник простой8.png
    гибридник простой8.png
    14.9 KB · Просмотры: 81
но тут 36ом и напряжение примерно 190в с учетом падения на трансе и смещении 4в на 6п15п ,просто не знаю как 6п15п при 150в работает поэтому проверенные 200в питания применил
скупой платит дважды))))наверное все таки надо 2sa1943 у них 230в по паспорту да и мощи запас
либо 6э5п при 140в ставить
 
Последнее редактирование:

Статистика форума

Темы
3,314
Сообщения
264,538
Пользователи
2,550
Новый пользователь
Александр Н.
Назад
Сверху Снизу