Германиевые УНЧ

AD161/162, 32 В, 1A, 6Вт, выдержат. Но посмотреть на радиаторы, чтобы не перегрелись...
Ну а в этой схеме видеотона 3602
Можно подавать 16 вольт?
Посмотреть на прогрев?
Радио отрежу кстати
Это условно радиаторы?
По моему теплоотвод как-то не очень, да и близко друг к другу они
 

Вложения

  • IMG_20211109_203155.jpg
    IMG_20211109_203155.jpg
    109.4 KB · Просмотры: 183
Последнее редактирование:
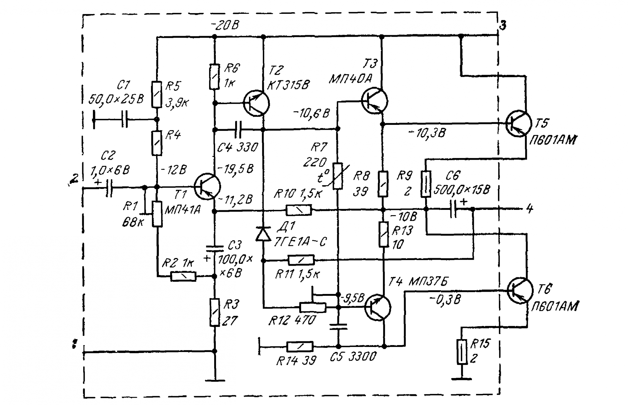
Мне вот эта схема на германии понравилась, хотел даже собрать, да вот непонятно по трансформатору, какой коэффициент трансформации.
Может кто подскажет...
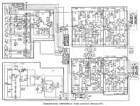
Схема Korting 821
 

Вложения

  • korting 821.jpg
    korting 821.jpg
    402.9 KB · Просмотры: 376
Купил ранний Урал-авто-2 1979 года с зелёной шкалой
А у него встроенный динамик
0,5 гд-30-125 на 16 ом
Выхода на внешний динамик не предусмотрено
Но есть плата от Урал авто
Там межкаскадный транс и согласующий транс для динамика на плате 0,5 гд-21
8 ом
Или на внешний 4,5 ом
IMG_20211109_230614.jpg
 
Последнее редактирование:
Разъем магнитофон
Это и вход и выход?
Он без земли к нему подпаян провод без изоляции.
3,5 Джек болтается в нем
 
Videoton rd3602 с ad161,162 завтра приедет
А визуально когда выходникиэти горят можно понять?

Или брать не глядя, а потом можно аналоги поставить?
AD161 -гт705д
AD162 - гт703г
 
А визуально когда выходникиэти горят можно понять?

Или брать не глядя, а потом можно аналоги поставить?
AD161 -гт705д
AD162 - гт703г
когда выйдет серый дым. А потом завсегда можно продать следующему маньяку.smile_25
гт703-705 горят еще быстрее чем ад161-162. В приемнике очень плотный монтаж, доступ к деталям весьма не прост для юного пионера. Для гитары лучше брать ат64 или а370. потому как трансформаторная схема не позволит выпалить выходные транзисторы. и второе, ачх как у верблюда - самое то для гитары.
 
Последнее редактирование:
От болгарской рации типа Лен
Оконечник 12 вольтовый рабочий
Хотят подарить с Ессентуков
 

Вложения

  • IMG_20211110_112431.jpg
    IMG_20211110_112431.jpg
    184.6 KB · Просмотры: 286
  • COgaSl-XBtQ.jpg
    COgaSl-XBtQ.jpg
    292.8 KB · Просмотры: 309
От болгарской рации типа Лен
Оконечник 12 вольтовый рабочий
Хотят подарить с Ессентуков
Транзисторы от Тунгсрам, венгерские. Хорошее качество.
 
Для гитары лучше брать ат64 или а370. потому как трансформаторная схема не позволит выпалить выходные транзисторы. и второе, ачх как у верблюда - самое то для гитары.
На d классе бесит верх на минусах и на гитаре
А германий слабо по мощности
Вега-101 еле еле вытянет
22 вольта- 6+6 Вт на 8 ом
Есть 2 8 омных динамика но огород городить лень из Веги 101
 
Последнее редактирование:
А германий слабо по мощности
Вега-101 еле еле вытянет
22 вольта- 6+6 Вт на 8 ом
Есть 2 8 омных динамика но огород городить лень из Веги 101
Ты идёшь по моим стопам: аккордс, вега, а370, ат64, видеотон рд3602 , лён, грюндики, b&o - не ходи туда, там тупик.
 
На d классе бесит верх на минусах и на гитаре
А германий слабо по мощности
Вега-101 еле еле вытянет
22 вольта- 6+6 Вт на 8 ом
Есть 2 8 омных динамика но огород городить лень из Веги 101
Берте современные обкатанные чисто германиевые схемы. Мощности у них вполне достаточно.
Качество куда выше этих авто- и прочих задохликов.
Кстати, самый мощный "звуковой" германиевый усилитель планеты сделан именно в РФ.
Не обязательно и чисто германиевые, лишь бы выход был на нём. Короткий, "однотактный" хвост гармоник, отсутствие высших, мягкий клиппинг - всё на месте.
Платы, настройки, всё есть в соответствующих темах.
Мороки, пожалуй, поменьше будет, чем почти всё перелопачивать в антикварных девайсах
 
Последнее редактирование:
Берте современные обкатанные чисто германиевые схемы. Мощности у них вполне достаточно.
Качество куда выше этих авто- и прочих задохликов.
Кстати, самый мощный "звуковой" германиевый усилитель планеты сделан именно в РФ.
Не обязательно и чисто германиевые, лишь бы выход был на нём. Короткий, "однотактный" хвост гармоник, отсутствие высших, мягкий клиппинг - всё на месте.
Платы, настройки, всё есть в соответствующих темах.
Подскажите куда рыть
 
Даже на П213-215
 

Вложения

  • 123.png
    123.png
    800.1 KB · Просмотры: 401
Только Аккорд, Вега и тп - НЕ НАДО
 
Не обязательно и чисто германиевые, лишь бы выход был на нём. Короткий, "однотактный" хвост гармоник, отсутствие высших,
Ну да, так-то преамп под гитару и минуса есть.
Но оконечник тогда нужен Германиий моно
15 вт номинал!!! На 4 или 8 ом
Самые ходовые динамики гитарники 8 и 16 ом
Но уже эстрада на неодиме есть 4 ома
С удобным питанием под аккумулятор от гироскутера на 36 вольт например
 
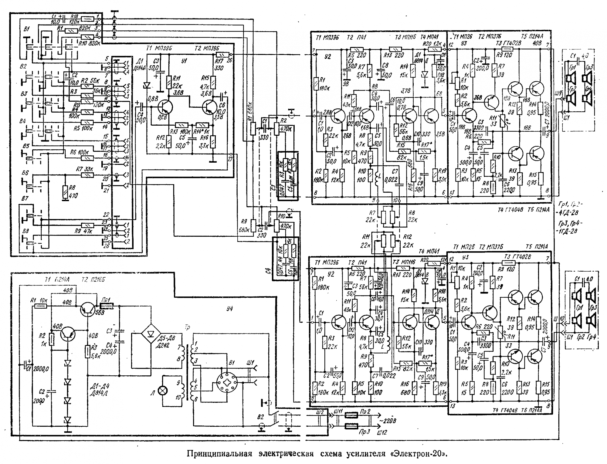
С 36в можно и Электрон-20 заделать
 

Вложения

  • Электрон-20 (паспорт)_012.png
    Электрон-20 (паспорт)_012.png
    1.7 MB · Просмотры: 358
Эти слова электрон-20 Вега 101
ругательные, их лучше вслух моему знакомому не говорить
Электрон 20 чиненый перечиненый он вспоминать даже не хочет. Когда в каждой школе "в каморке что за актовым залом"....
 
Надо просто из него делать охреннительный усилитель, и ВСЁ. Уж я то знаю, какую с ним вытворяете херню, и хочете чтоб работал... фиг вам. Хоть бы один почитал ВНИМАТЕЛЬНО инструкцию, "в каморке что за актовым залом" вам понятней...
 
Надо просто из него делать охреннительный усилитель, и ВСЁ. Уж я то знаю, какую с ним вытворяете херню, и хочете чтоб работал... фиг вам. Хоть бы один почитал ВНИМАТЕЛЬНО инструкцию, "в каморке что за актовым залом" вам понятней...
Да это не мне, а тем, кто родился в 50-х 60-х и застал все версии электронов.
Вообще любой обыватель, знакомый с электроникой воспринимает германиевые усилители как нечто неуправляемое ( при нагреве параметры плывут) с кучей искажений и вечно горящее.
Непонятно почему.
Или переход на кремний и компрессионные динамики с низкой чувствительностью шел параллельно с похоронами членов политбюро и постепенному переходу к капитализму
Или ещё что. При этом и люди с консервативным складом ума понимают что лампа да, а германий нет, фу Германий.
Вообщем тараканы в голове у всех разные.
Я за музыкальность, комфортность для ушей, чтоб не уставать от прослушивания

А что касается гитарного всего оборудования то там цепочка очень длинная
Гитара, датчики, струны, примочки усилитель, динамик в кабинете.
Электрон 20 кстати 2 раза чуть не купил - там просто сложно было покупать удаленно, да и мне такая мощность не нужна для дома.
 
Последнее редактирование:
Надо выжать больше мощщи и не спалить
Тоже самое с Урал авто 1
Хочется больше чем 2 вт номинал
Ну хотя б 3- 3,5 вт
А вот такой смешной вопрос: вы представляете какое усиление у этого усилителя от приемника видеотон рд3602? В смысле какой уровень сигнала вы планируете на него подавать, напрямую с хамбакера? :)
 
В смысле какой уровень сигнала вы планируете на него подавать, напрямую с хамбакера?
Гитара идёт в гитарный процессор.
А в них выходы разные есть. есть процессоры с линейным выходом и с выходом на наушники
И все это с кучей тонких настроек
Если чуть перегружает по входу
Усилителя, то тоже можно не сам вход демпфировать, а сигнал уменьшать.
А есть кстати настраиваемый по чувствительности вход и он в предусилителе
А приемник можно как оконечник использовать.
Но не нужно.
От 5 вт есть смысл, а
2 вата это слишком мало, тихо.
Есть куча гитарного аналога
Тысячи вариаций гитарных предусилителей, да много всего придумано.
Под задачи всегда идёт оборудование. Под стиль, площадку и тд.
 
Гитара идёт в гитарный процессор.
А в них выходы разные есть. есть процессоры с линейным выходом и с выходом на наушники
И все это с кучей тонких настроек
Если чуть перегружает по входу
Усилителя, то тоже можно не сам вход демпфировать, а сигнал уменьшать.
А есть кстати настраиваемый по чувствительности вход и он в предусилителе
А приемник можно как оконечник использовать.
Но не нужно.
От 5 вт есть смысл, а
2 вата это слишком мало, тихо.
Есть куча гитарного аналога
Тысячи вариаций гитарных предусилителей, да много всего придумано.
Под задачи всегда идёт оборудование. Под стиль, площадку и тд.
Вопрос был не про буквы, а про цифры: коэффициент усиления унч приёмника видеотон рд3602 сколько? он заточен под какой входной сигнал? Какой у вашего источника уровень выходного сигнала и Rвых?
 
Последнее редактирование:
Да это не мне, а тем, кто родился в 50-х 60-х и застал все версии электронов.
Вообще любой обыватель, знакомый с электроникой воспринимает германиевые усилители как нечто неуправляемое ( при нагреве параметры плывут) с кучей искажений и вечно горящее.
Непонятно почему.
Или переход на кремний и компрессионные динамики с низкой чувствительностью шел параллельно с похоронами членов политбюро и постепенному переходу к капитализму
Или ещё что. При этом и люди с консервативным складом ума понимают что лампа да, а германий нет, фу Германий.
Случайно забрел, восторгаюсь, ни сотой дюйма корреляции, поясните, что надобно?
 
Последнее редактирование модератором:
Вопрос был не про буквы, а про цифры: коэффициент усиления унч приёмника видеотон рд3602 сколько? он заточен под какой входной сигнал? Какой у вашего источника уровень выходного сигнала и Rвых?
Без понятия. У меня 3-ка по физике, это за пределами моих познаний. Я здесь чтоб получить ответы на свои вопросы и те, кому охота нянчиться да всем вообще огромное спасибо, пользуясь случаем!!!
На эскорте входа 5и10 мв
ЭП. магнитофон.гитара
Все хорошо.
На предусилителе от другого комбика
микрофонный вход ослабляли резистором 30кОм
В целом проблем не было.
Выход с процессора универсальный- стерео на наушники, моно на усилитель 15+15мв
Но при моно-Джеке на выходе как сигнал идёт не знаю
Наверное 15 мв

Случайно забрел, восторгаюсь, ни сотой дюйма корреляции, поясните, что надобно?
В теории надо получить усилитель оконечный на батарейках
10-15 вт на 4 ома
Оконечник на германии.
Преампом может выступать
как мини микшер, так и просто гитарный процессор. выход с процессора 15 миливольт
Это моно и в нем минусовка и гитара

Рабочий вариант с оконечником d класса на tla3116d2 уже есть
Там в идеале скорее всего дросселя надо просчитывать
переделывать и промерять
что выдает. Но и в стоке у китайцев в принципе все звучит в соответствии со звуком d класса.
Но д класс + неодимовый динамик верха пока не знаю как.
Не сказать чтоб прямо ухо резало. Да вроде терпимо.
Про мощность
10 Вт это например электрон-20
Готовая плата на 1 канал

Просто для электрогитары достаточно 5 вт звука
На 4 ома динамик 8-10"
С максимальным предусилением
Эту задачу вроде как решить проще. Но просто 1 гитара- сейчас нет в этом нужды.
 
Без понятия. У меня 3-ка по физике, это за пределами моих познаний. Я здесь чтоб получить ответы на свои вопросы и те, кому охота нянчиться да всем вообще огромное спасибо, пользуясь случаем!!!
На эскорте входа 5и10 мв
ЭП. магнитофон.гитара
Все хорошо.
На предусилителе от другого комбика
микрофонный вход ослабляли резистором 30кОм
В целом проблем не было.
Выход с процессора универсальный- стерео на наушники, моно на усилитель 15+15мв
Но при моно-Джеке на выходе как сигнал идёт не знаю
Наверное 15 мв
Ладно, если уж тройка по физике, то скажу - коэффициент усиления у него 500, и его следует уменьшить до необходимого выбросив проволочку 2 ома и поставив туда ом 10 - 20. А входное около 10ком и его следует увеличить, для гитары нужен вход hi-z.
Речь не про регулятор громкости, а про входное сопротивление усилителя, делитель из резисторов что в базе первого транзистора, увеличить раз в 10 каждый резистор, первый транзистор 315 заменить на bc107. А выход с процессора - процессоров я в глаза не видел, мы играли на ламповом перегрузе, других тогда не было.
 
Последнее редактирование:
мы играли на ламповом перегрузе, других тогда не было
Спасибо за посильную помощь, информацию, опыт!!!
За юмор тоже, без него никак!
Я играю на ламповом перегрузе
В Peavey Classic 50
Когда нужно записать обзор на дорогую гитару без всяких гитарных процессоров,только честный звук -гитара, Шнур, усилитель, кабинет микрофон с края динамика и запись да хоть в рекордер Zoom
Это кому то надо кстати и люди смотрят эти обзоры

Видеотоны rd3602 (приемник москвич 408, ваз 2101 на ad161,162) 2 штуки получил
Может усилок стерео сварганить?
20 вольт питание от концертный 304 (моно) потянет наверное?
 
Последнее редактирование:

Последние сообщения

Статистика форума

Темы
3,306
Сообщения
263,499
Пользователи
2,548
Новый пользователь
Александр Н.
Назад
Сверху Снизу