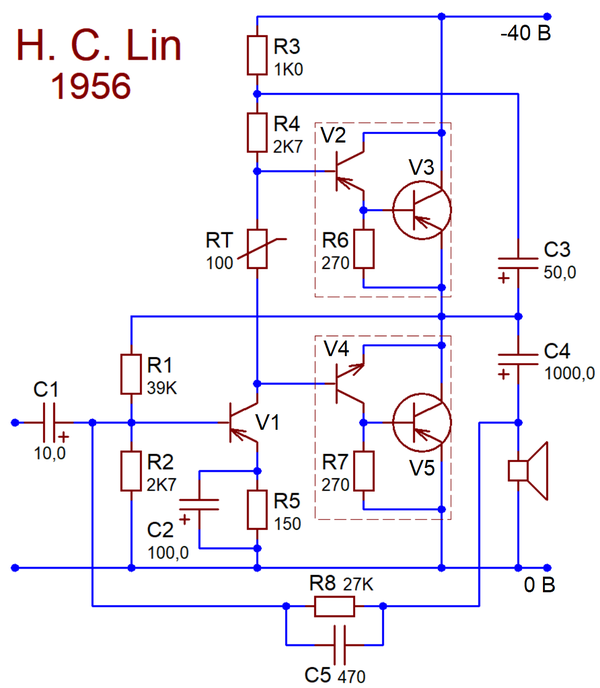
Германиевые УНЧ

Скоро застрелюсь от этих Аккодов, Вег и пр. муйни, 1956г, не надоело?
 

Вложения

  • 1956_H.C.Lin_amplifier_schematic_-_The_Original_Lin.png
    1956_H.C.Lin_amplifier_schematic_-_The_Original_Lin.png
    94.1 KB · Просмотры: 233
Так других схем полно, не только Веги та Аккорды середины прошлого века.
Причин я не знаю, просто сообщил о том что обнаружил. У меня к сожалению нет времени на лабораторные работы..
Вот это плохо. Потому что эта информация никакой ценности представлять не будет.
Может даже увести в сторону, или по сути быть ложной.
 
эта информация никакой ценности представлять не будет.
У меня другое мнение. Эта инфу считаю интересной и может быть даже важной. лично у меня сейчас никакой возможности проводить лабораторные работы по организации многоэтажного питания УНЧ на германии, хотя вижу в этом перспективу, но это всего лишь теоритческие задумки, до которых руки скорее всего не дойдут..
 
Измерения частотных свойств по этому способу не корректны. Очень большое базовое сопротивление стенда вместе с входными емкостями, в том числе емкостью дяди Миллера, валит частотку. В выигрыше получаются маломощные, с меньшим кристаллом, и с меньшей бетой.
А если источник сигнала, резистор между базой и эмиттером не 51 Ом, а , скажем, всего 10 или 5 Ом? Что вполне реально в жизни. Перезарядка емкостей будет быстрее. К этим 51 Ом надо добавить еще и выходное усилителя, подающего измерительный сигнал.
В первой серии измерений в базе был резистор на порядок больше - 560 Ом. А если мощный выходной транзистор включен по схеме с ОК, а не ОЭ? Или имеется резистор местной ООС в его эмиттере?
Примерно об этом и я вчера безуспешно пытался сказать.
У П216, в зависимости от условий измерения т.е. изменения Rбэ и Rвых генератора
результаты отличаются в разы.

Да вот плохо, что такие измерения фальшивым образом похоронят кучу транзисторов с очень даже хорошими параметрами.
Это вообще золотые слова.
 
П216, 217, П210 можно в гитарные усилители с верхн. частотой до 12-14кгц, и все. Еще вспомните такой, это вообще жесть!
4.jpg

Почитайте лучше инж. Колосова
f.1969-02.033.jpgf.1969-02.034.jpgf.1969-02.035.jpg
 
Последнее редактирование модератором:
П216, 217, П210 можно в гитарные усилители с верхн. частотой до 12-14кгц, и все. Еще вспомните такой, это вообще жесть!
Почитайте лучше инж. Колосова
Юрий Робертович, вы сами с собой,что ли разговариваете?
Разве где то говорилось,что П216 равен ГТ806 ?
Речь шла лишь о том,что при разных условиях измерения и результаты разные.
 
Примерно об этом и я вчера безуспешно пытался сказать.
У П216, в зависимости от условий измерения т.е. изменения Rбэ и Rвых генератора
результаты отличаются в разы.
В паспорте приводятся частотные свойства, измеренные в определенных условиях. В том числе и с определенным сопротивлением в цепи базы.
Но ведь можно это сопротивление, уменьшить, если это допускает схема.
Таким образом частотные свойства окажутся в реальности лучше паспортного значения.
 
В паспорте приводятся частотные свойства, измеренные в определенных условиях. В том числе и с определенным сопротивлением в цепи базы.
Но ведь можно это сопротивление, уменьшить, если это допускает схема.
Таким образом частотные свойства окажутся в реальности лучше паспортного значения.
Абсолютно согласен. Кстати у Левицкого в "Усилителе с индуктивной коррекцией", резисторы бэ у оконечников ,вообще по 1 Ому. Хотя там цель видимо немного другая.

"Стенд корректнее работал бы с включением транзисторов ОК, и прямо с выхода генератора"
То же приходило в голову, но поскольку мой ГЗ-109 агрегат мощный,решил отложить на потом.
 
Последнее редактирование:
Измерения частотных свойств по этому способу не корректны. Очень большое базовое сопротивление стенда вместе с входными емкостями, в том числе емкостью дяди Миллера, валит частотку. В выигрыше получаются маломощные, с меньшим кристаллом, и с меньшей бетой.
А если источник сигнала, резистор между базой и эмиттером не 51 Ом, а , скажем, всего 10 или 5 Ом? Что вполне реально в жизни. Перезарядка емкостей будет быстрее. К этим 51 Ом надо добавить еще и выходное усилителя, подающего измерительный сигнал.
В первой серии измерений в базе был резистор на порядок больше - 560 Ом. А если мощный выходной транзистор включен по схеме с ОК, а не ОЭ? Или имеется резистор местной ООС в его эмиттере?
Здесь, я переделал схему измерения
https://ldsound.club/index.php?threads/vybor-tranzistorov-dlja-usilitelja.643/post-30190
Заменил резисторы нагрузочные на безреактивные, уменьшил входной резистор на 51 ом (выходное сопротивление генератора Г3-112 - 50 ом), после этого эффект Миллера пропал, пробовал конденсатор коллектор-база на 1000 пФ цеплять разницы практически не стало, в отличие от 510 ом входного резистора. В схеме можно измерять с ОК и с ОЭ.
Данные получились
П605 - 440 кГц
П605А - 340-480
П606 - 480
П608А - 200
П609 - 260
ГТ806Б - 70
1Т813Б - 115
1Т910АД - 70-85 кГц
1Т321А - 360
1Т321Е - 290
ГТ402А - 57
ГТ404А - 29 кГц
ГТ403Г - 15 кГц
МП25 - 35 кГц
МП39Б - 37 кГц
МП42Б - 76 кГц
Здесь видно что мощные даже лучше чем маломощные МП или ГТ402, ГТ404 и здесь частота не граничная, а -3 дБ относительно 1 кГц
 
Здесь, я переделал схему измерения
https://ldsound.club/index.php?threads/vybor-tranzistorov-dlja-usilitelja.643/post-30190
Заменил резисторы нагрузочные на безреактивные, уменьшил входной резистор на 51 ом (выходное сопротивление генератора Г3-112 - 50 ом), после этого эффект Миллера пропал, пробовал конденсатор коллектор-база на 1000 пФ цеплять разницы практически не стало, в отличие от 510 ом входного резистора. В схеме можно измерять с ОК и с ОЭ.
Данные получились
П605 - 440 кГц
П605А - 340-480
П606 - 480
П608А - 200
П609 - 260
ГТ806Б - 70
1Т813Б - 115
1Т910АД - 70-85 кГц
1Т321А - 360
1Т321Е - 290
ГТ402А - 57
ГТ404А - 29 кГц
ГТ403Г - 15 кГц
МП25 - 35 кГц
МП39Б - 37 кГц
МП42Б - 76 кГц
Здесь видно что мощные даже лучше чем маломощные МП или ГТ402, ГТ404 и здесь частота не граничная, а -3 дБ относительно 1 кГц
ГТ905 не попался?

Здесь, я переделал схему измерения
https://ldsound.club/index.php?threads/vybor-tranzistorov-dlja-usilitelja.643/post-30190
Заменил резисторы нагрузочные на безреактивные, уменьшил входной резистор на 51 ом (выходное сопротивление генератора Г3-112 - 50 ом), после этого эффект Миллера пропал, пробовал конденсатор коллектор-база на 1000 пФ цеплять разницы практически не стало, в отличие от 510 ом входного резистора. В схеме можно измерять с ОК и с ОЭ.
Данные получились
П605 - 440 кГц
П605А - 340-480
П606 - 480
П608А - 200
П609 - 260
ГТ806Б - 70
1Т813Б - 115
1Т910АД - 70-85 кГц
1Т321А - 360
1Т321Е - 290
ГТ402А - 57
ГТ404А - 29 кГц
ГТ403Г - 15 кГц
МП25 - 35 кГц
МП39Б - 37 кГц
МП42Б - 76 кГц
Здесь видно что мощные даже лучше чем маломощные МП или ГТ402, ГТ404 и здесь частота не граничная, а -3 дБ относительно 1 кГц
Странно, что 402 и 404 так разнятся...
 
"Стенд корректнее работал бы с включением транзисторов ОК, и прямо с выхода генератора"
То же приходило в голову, но поскольку мой ГЗ-109 агрегат мощный,решил отложить на потом.
С OK проверять транзисторы смысла нет как показала практика, транзисторы в ОЭ с частотой 50-70 кГц и транзисторы 200-300 кГц имели в ОК частоту от сотен кГц до 1-2 Мгц, при этом мало отличались между собой в отличии от ОЭ

ГТ905 не попался?
ГТ905 и ГТ906 есть, но замерю в ноябре, сейчас в отпуске
На частоты сильно не обращайте внимание, это оценочные и у одного и того же типа могут различаться в 2 раза, просто выборочно брал 1-2 транзистора и измерял, иногда больше, поэтому если частоты примерно рядом как у ГТ402 и ГТ404 можно подобрать пары, вот если 25 и 100 здесь трудно
 
Странно, что 402 и 404 так разнятся...
Не факт. Для статистики хотя бы по десятку измерить, и с каждым привести его бету.
Если статистически не будет видно корреляции с бетой, то Миллера тоже не будет.

Вот интересно, что лампы народ меряет вдоль и поперек, индивидуальные ВАХи, крутизна, эмиссия и прочее, а если бы к транзисторам такой подход, куда веселее бы было с ними. И им с нами.
 
Последнее редактирование:
уменьшил входной резистор на 51 ом
И после этого частота П605 уменьшилась в полтора раза, я правильно понял ?

Вот выдержка из старой и новой таблиц
из новой
П605 - 440 кГц
П605А - 340-480
П606 - 480
из старой

Ничего не перепутано ?

И вот это подскажите пожалуйста. Из старой таблицы.
Что за цифра 1200 ?
при росте тока с 80 до 400, F взлетает с 300 до 1200 ?
Тип транзистора (год/Производитель)20 мА80 мА400 мА
П605А1203001200
Просто Бокарев собирается мерить при 100мА.
"Для транзисторов средней мощности типа П605-701-306 ток будет в районе 100ма"
То есть частота заведомо, раза в 4 меньше максимально достижимой ?
Александра Сергеевича прошу не ругаться, я просто спрашиваю.
P.S. Цитаты при исправлении не вставляются.
 
И после этого частота П605 уменьшилась в полтора раза, я правильно понял ?
Все правильно, причину я указал здесь
https://ldsound.club/index.php?threads/vybor-tranzistorov-dlja-usilitelja.643/post-30465
если коротко, то был резонанс из-за проволочных резисторов

И вот это подскажите пожалуйста. Из старой таблицы.
Что за цифра 1200 ?
при росте тока с 80 до 400, F взлетает с 300 до 1200 ?

Просто Бокарев собирается мерить при 100мА.
"Для транзисторов средней мощности типа П605-701-306 ток будет в районе 100ма"
То есть частота заведомо, раза в 4 меньше максимально достижимой ?
Александра Сергеевича прошу не ругаться, я просто спрашиваю.
P.S. Цитаты при исправлении не вставляются.
120, 300, 1200 частота в кГц, с повышением тока она возрастает, думаю если дальше увеличивать ток, то на определенном токе начнется снижение
 
Странно, что 402 и 404 так разнятся...
Интересно посмотреть зависимость этой разницы от тока. Хотя бы в двух точках. Сохраняется ли разница, или будет сближение, расхождение.
Если закаскодить вторым этажом тот же ГТ403, то связка и до мегегерца дотянется.
Один из вариантов германиевого цирклотрона показал "полосу мощности" до 2 МГц в полочку.
 
Акулиничев как, не боитесь?
 

Вложения

  • f.1967-04.031-01.jpg
    f.1967-04.031-01.jpg
    593.9 KB · Просмотры: 347
Чего его бояться? Но лучше прочитать, и забыть.
Почти класс В, что облагорожено использованием германиевых транзисторов.
Полоса и неравномерность на очень тонкого ценителя.
 
Если почитать статью- то слова "почти класс Б" - сразу исчезнут, потому что ток покоя при питании 18 вольт- 25 мА. Ну а если не читая что нибудь просто ляпнуть..
В общем вот схема отрисованная более понятно, и на более менее доставаемых транзисторах.
Недостаток- очень высокая чувствительность, и входной транзистор включеный с заземлённым эмиттером не охвачен общей ОС. В итоге искажения - велики.
STBE.jpg
 
Последнее редактирование:
Я ранее показал дискретный простой однокаскадный усь ,который встретили в штыки из за сложности , но сами показывают более сложные двухкаскадники. Умора
 
Умора когда выясняется что когда то Акулиничев делал безоосные усилки. Это человек который продвигал в массы глубокую ООС.

По измерениям в модели у усилка 68 года на частоте 1кГц при мощности ватта полтора искажения примерно -30 дБ (2%) и хвост гармоник так штук в 70 плавно спадающих.

Кому хочется проверить в железе может проверить. Искажения на средних частотах упали по сравнению с прототипом раз в 20, но на ВЧ всё так же довольно печально- npn германия в симуляторе побыстрее не нашлось, да и вряд ли он нужен при таких выходниках. Зато ГТ308 в УН снизил искажения на 10дБ. Вместо него наверное ГТ309, 322, П416 подойдут.
STBE_O.jpg

зуев.jpg
И то, полугерманиевый.)
 
Схема простая и интересная, помнится, было условие , транзистор VT2 нужно отобрать с каким-то высоким коэффициентом усиления.И в статье говорилось о высокой скорости нарастания сигнала, как одного из условий качества звучания
 
Вот этот журнал, страница 33 начало.) Ну мало ли, кто не читал, кому интересно.
 

Вложения

Ну надо же! Я и забыл, что именно из этого журнала позаимствовал из статьи Черкунова идею диска для ЭПУ - рисунок 1е ! И реализовал на практике._kluch
 
Вот этот журнал, страница 33 начало.) Ну мало ли, кто не читал, кому интересно.
позабавил журнал..
схема генератора шума прибоя и измеритель ёмкости конденсатров...
 
От Митрофанова и Пикерсгиль, на п602 и п701 можно и без ЭМОС

Схемы вот
 

Вложения

  • f.1971-03.036.jpg
    f.1971-03.036.jpg
    457.6 KB · Просмотры: 343
  • f.1971-03.037.jpg
    f.1971-03.037.jpg
    481.7 KB · Просмотры: 355
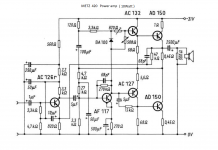
Классика германия
 

Вложения

  • Metz 420.png
    Metz 420.png
    488.6 KB · Просмотры: 393
  • Elektuur441966-78_0035.jpg
    Elektuur441966-78_0035.jpg
    312.1 KB · Просмотры: 407
  • Elektuur441966-78_0036.jpg
    Elektuur441966-78_0036.jpg
    259.6 KB · Просмотры: 355
А это не классика
 

Вложения

  • DSC00186.JPG
    DSC00186.JPG
    303.9 KB · Просмотры: 381
Все бы хорошо, но лампа входная проблемная.
 

Статистика форума

Темы
3,306
Сообщения
263,406
Пользователи
2,548
Новый пользователь
Александр Н.
Назад
Сверху Снизу