Германиевые УНЧ

Достаточно вспомнить о экспоненциальной и квадратичной проходной характеристике, и у каких транзисторов какая.
Кстати, р-канальные полевые имеют более линейную, чем квадратичная, характеристику. Даже мосфеты. Некоторые p-канальные с кубической характеристикой.
р-n-р кремниевые биполярные линейнее кремниевых n-p-n, у германиевых биполярных все наоборот.
 
Последнее редактирование:
У вас неверное понятие о полевиках, особенно латералах.

Разговор начался об одном параметре, который мало о чем говорит. Андронникову можно верить?

"Добавлю от себя. Транзисторы, что я так или иначе использовал в выходных каскадах по своим предпочтениям расположу в следующем порядке:
1) биполярники ONS MJ15024\15025,
2) биполярники ONS MJL21193\21194
3) биполярники Sanken 2SA1215\2SC2921
4) биполярники Sanken 2SA1216\2SC2922
5) биполярники ONS MJL1302\3281
6) биполярники Toshiba 2SA1943\2SC5200
7) полевики Magnatec BUZ900DP\BUZ905DP
8) полевики Hitachi 2SJ49\2SK134
9) биполярники Toshiba 2SA1942\2SC5199
10) полевики Toshiba 2SJ201\2SK1530
11) биполярники Sanken 2SA1186\2SC2837
12) полевики Hitachi 2SJ162\2S1058
13) полевики Toshiba 2SJ115\2SK405
14) IGBT Toshiba GT20D101\GT20D201
15) полевики IR IRF240\IRF9240

Были и иные транзисторы, но указанные типы я имел возможность подбирать и сравнивать в однотипных схемах.

На мой слух все полевики обладают несколько упрощенным звучанием (в примерно равных условиях с биполярами), имеют явные проблемы с басом в виде его рыхлости и гипертрофированности из-за большего выходного сопротивления повторителей, а Тошиба и Ректифаер еще и добавляют некоторую грязь на ВЧ. Лучшими из полевиков, мною опробованных, я бы назвал пару 2SJ49\2SK134 при условии соединения параллельно не менее 3...4 транзисторов в плечо и BUZ900DP\BUZ905DP без параллеленья. Но в любом случае, по моему мнению, MJ15024\15025 и MJL21193\21194 существенно превосходят названные ПТ практически во всех отношениях. Несколько уступают им наиболее мощные санкены, в основном по динамике и управляемости баса и разрешению нижней серединки. На верхних частотах при правильном выборе тока покоя 2SA1215\2SC2921 дают несколько лучшие результаты, но, в общей картине они уступают."


2SJ162 2S1058 аж на 12 месте, Александр Сергеевич, не думаю что Hitachi уступали Renesas.
 
Последнее редактирование:
"Не вертье никому. Мне - можно."
Линейность транзисторов паспортная характеристика. Но все меняется радикально в каждой конкретной схеме, где они используются.

У меня парные латералы продули вчистую ирф-кам, оставив далеко позади и кремниевые биполярные.
СИТы еще лучше себя показали.
Германиевые в РР схемах заняли место где-то между лампами-триодами с ТВЗ, и полевыми транзисторами.
 
Последнее редактирование:
Автор усилителя Grimmi:

Недостатки мощных Mosfet транзисторов

Отказ от применения мощных полевых MOSFET транзисторов (в звуковых каскадах) в пользу мощных биполярных транзисторов.

Мощный MOSFET транзистор нуждается в постоянной защите затвора шумными стабилитронами, при установке которых, дополнительный шум стабилитрона добавляется в звуковой сигнал, что частично нейтрализует их достоинства и приводит к необратимой деградации звукового сигнала.

Некоторые MOSFET транзисторы (к примеру HITACHI) имеют встроенные в корпус стабилитроны. Такой транзистор автоматически термостабилизирован, что значительно упрощает схему включения, но качество звука оставляет желать лучшего.

У мощного MOSFET транзистора при больших стабильно - постоянных токах потребления (класса "А") возникают искажения термического происхождения (на частотах ниже 100 Гц), это способствует развитию динамической компрессии звука и добавляет "инертность" в звучание.
Конечно можно мотивировать - биполярные транзисторы также имеют термо искажения. Но надо признать, их основные выбросы находятся за пределами диапазона слышимости, где вероятность воздействия на проходной сигнал значительно сокращается.

В сигнальных цепях затворов мощных полевых транзисторов необходимо применять антизвонные резисторы, которые ликвидируют разброс токов при переключении транзисторов и исключают их задержки при включении | выключении. Такое очевидное и правильное схемное решение снимает проблему полностью. В следствии этого получаем, усиленный этим транзистором негативный шум антизвонного резистора и звук приобретает дополнительную инертность.
Это явление (шум резистора при протекании электрического тока) доказано ещё сто лет назад теоремой "Котельникова - Найквиста". Об этой фундаментальной теореме как-то сразу многие забыли или не хотят знать, пологая, что рекламная популярность MOSFET транзисторов легко изменит физику тока/напряжения.

Большие индуктивности в цепи истока мощного мосфета, плюс паразитные ёмкости между затвором одного транзистора и истоком другого могут разрушить сигнал до неузнаваемости. Сильный разброс входных ёмкостей MOSFET транзисторов и неравенство пороговых напряжений вызывают разброс транзисторов по протекающему току, что исключает их параллельное применение. Следовательно необходимо эмитировать выходное сопротивление в усилителях мощности обратными связями и ставить истоковые резисторы, что негативно влияет на звук и противоречит нашей концепции.

В последствии практических экспериментов выявлено, мощный MOSFET транзистор имеет только одно преимущество - простота применения и чуть более линейные показания приборов. Однако не надо забывать, наше ухо нелинейно и усилитель изготовлен не для приборов, а для ушей и головы. Лучше один раз услышать, чем десять раз измерить.

Вот одни из лучших (список неполный) мощных IGBT и MOSFET транзисторов с которыми провели тест (в порядке убывания качества звука): EC10N20, ECW20N20, BUZ900, SPP03N60S5, 2SK956, 2SK1529, GT20D10, 2SK1530, 2SK1058, IRFP240, IRFP150.

Для любителей MOSFET транзисторов отметим, лучшие звуковые способности демонстрируют высокоскоростные транзисторы с маленькой входной/проходной ёмкостью. Но, многие высокоскоростные транзисторы могут спровоцировать резкость на СЧ/Вч. Отличные результаты звукопередачи можно получить на карбид кремниевых полупроводниках фирмы "Infineon". Мягко и красиво играют звуковые серии фирмы "FUJI". MOSFET транзисторы "IRF, IRFP" совсем непригодны для достижения высококачественного звука, но для экспериментов очень даже неплохо.

При всем том мощный биполярный транзистор "MJL21194" всегда и везде лучше всех, так как он способен пропустить относительно большой управляющий ток через переход база-эмиттер. Этот технический недостаток биполярного транзистора создаёт дополнительный поток энергии в n-p переходе, с характерными особенностями режима класса "А". Совершенно естественно, общее звучание приобретает дополнительную динамику и имеет искажения звука исключительно низких порядков, которые хорошо маскируются основным звуковым сигналом и незаметны на слух. Также этими искажениями обусловлена природная нелинейность биполярного транзистора и лампы, которая достаточно точно эмитирует нелинейность нашего слуха, и отсутствие этих искажений воспринимается как ненатуральность и резкость звука. Полевые транзисторы переключаются с высокой скоростью выдавая всплеск искажений высоких порядков, которые несовместимы с нашим слухом.

Полевой транзистор работает без утечки постоянного тока в затворе, что лишает звуковой сигнал мощной | "пробивной" токовой поддержки. В последствии этого процесса, слабый звуковой сигнал не имеет возможности преодолеть относительно большую ёмкость затвора, без участия мощного поднесущего постоянного тока и все гармонические составляющие звукового спектра вязнут в ёмкости затвора, это приводит к частичной потери звуковой информации.

Установлено, что MOSFET транзистор всегда звучит хуже NFET транзистора, который всё же имеет очень маленькую утечку тока в канале затвор-исток. Это явление ещё раз подтверждает вышесказанное - протекание звукового сигнала только по направлению протекания постоянно тока, что гарантирует мощную энергетическую поддержку сигнала и как следствие высокое качество звуковоспроизведения.

Короче говоря - чем больше ток утечки через базу (затвор), тем лучше звук. Ведь все хорошо знают закон проводимости "Ома", из которого вытекает - чем больше ток, тем меньше сопротивление. Однако непонятно - почему в полевом транзисторе, этот закон не будет работать? Совершено очевидно, если протекает большой ток, значит на пути сигнала нет реальных препятствий. А если тока нет, то есть "запор" или затвор.

Отметим, все MOSFET транзисторы изначально проектировались как переключатели и их электронный переход не предназначен для усиления сигнала. Выключатель - вот их прямое назначение. Только дешевизна и простота установки MOSFET транзистора обеспечивает им популярность в аудио изделиях, на которых сразу можно поставить "крест".

Всё то, что изложено выше справедливо для применения в однотактных повторителях мощности, но нет противопоказаний для использования этой концепции в других усилительных конструкциях. В двухтактных схемах все негативные явления удваиваются и добавляются процессы несовместимости транзисторов разной проводимости.

В наших изделиях применяются MOSFET транзисторы фирмы "FUJI" (только в сервисных цепях), так как они способны выдержать повышенное напряжение пробоя цепи затвор/исток, что обеспечивает им более надёжную защиту от перенапряжения на данном участке.
 
"На мой слух все полевики обладают несколько упрощенным звучанием (в примерно равных условиях с биполярами), имеют явные проблемы с басом в виде его рыхлости и гипертрофированности из-за большего выходного сопротивления повторителей." Вот с этой частью высказывания я полностью согласен,т.к. тоже пришёл к данным выводам.А до,этого у Селфа в книжке читал,что полевики хуже биполяров на его взгляд.
 
Полевой транзистор работает без утечки постоянного тока в затворе, что лишает звуковой сигнал мощной | "пробивной" токовой поддержки.
После этого перла ценность опуса минус единица.

"упрощенность звучания" полевиков скорее от отсутствия типичного для кремниевых биполярных мусора в звуке. Что иногда непривычно и сбивает восприятие.
 
Разговор начался об одном параметре, который мало о чем говорит. Андронникову можно верить?

"Добавлю от себя. Транзисторы, что я так или иначе использовал в выходных каскадах по своим предпочтениям расположу в следующем порядке:
1) биполярники ONS MJ15024\15025,
2) биполярники ONS MJL21193\21194
3) биполярники Sanken 2SA1215\2SC2921
4) биполярники Sanken 2SA1216\2SC2922
5) биполярники ONS MJL1302\3281
6) биполярники Toshiba 2SA1943\2SC5200
7) полевики Magnatec BUZ900DP\BUZ905DP
8) полевики Hitachi 2SJ49\2SK134
9) биполярники Toshiba 2SA1942\2SC5199
10) полевики Toshiba 2SJ201\2SK1530
11) биполярники Sanken 2SA1186\2SC2837
12) полевики Hitachi 2SJ162\2S1058
13) полевики Toshiba 2SJ115\2SK405
14) IGBT Toshiba GT20D101\GT20D201
15) полевики IR IRF240\IRF9240

Были и иные транзисторы, но указанные типы я имел возможность подбирать и сравнивать в однотипных схемах.

На мой слух все полевики обладают несколько упрощенным звучанием (в примерно равных условиях с биполярами), имеют явные проблемы с басом в виде его рыхлости и гипертрофированности из-за большего выходного сопротивления повторителей, а Тошиба и Ректифаер еще и добавляют некоторую грязь на ВЧ. Лучшими из полевиков, мною опробованных, я бы назвал пару 2SJ49\2SK134 при условии соединения параллельно не менее 3...4 транзисторов в плечо и BUZ900DP\BUZ905DP без параллеленья. Но в любом случае, по моему мнению, MJ15024\15025 и MJL21193\21194 существенно превосходят названные ПТ практически во всех отношениях. Несколько уступают им наиболее мощные санкены, в основном по динамике и управляемости баса и разрешению нижней серединки. На верхних частотах при правильном выборе тока покоя 2SA1215\2SC2921 дают несколько лучшие результаты, но, в общей картине они уступают."


2SJ162 2S1058 аж на 12 месте, Александр Сергеевич, не думаю что Hitachi уступали Renesas.
Мнение Андронникова это не одно и то же, что мнение АБ. К тому же , на первых местах у него не абы что, а BUZ900-905 и 2SK134-2SJ49 , из серии "хрен найти" А я рулил тем, что было рядом и получил удивительные результаты. Но как всегда. то денег не было, а то транзисторы исчезли насовсем. И так всю жизнь))))

"На мой слух все полевики обладают несколько упрощенным звучанием (в примерно равных условиях с биполярами), имеют явные проблемы с басом в виде его рыхлости и гипертрофированности из-за большего выходного сопротивления повторителей." Вот с этой частью высказывания я полностью согласен,т.к. тоже пришёл к данным выводам.А до,этого у Селфа в книжке читал,что полевики хуже биполяров на его взгляд.
Мне предостаточно своего слухового мнения, а также мнения одного интересного коллектива с форума схем нет, в теме про Минуэтик от Black Mur , он же Mypussic от Vadik . Эта схемочка , как обозвал нежно её автор Володя Джумайло- "две пердинки с волосинкой" с первых звуков очаровала навсегда. И ничего другого сочинять и повторять СЕБЕ точно не собираюсь. Даже прочитав мнение целой армии инженеров.
 
Это явление (шум резистора при протекании электрического тока) доказано ещё сто лет назад теоремой "Котельникова - Найквиста".
Это не Никитич, написал, это приведенная им цитата наукобраза.
Наукобразу даже не "минус единица", но все минус 5!
После этого перла ценность опуса минус единица.
С чем согласен в пять раз сильнее.
 
Вовсе не обязательно те же мосфеты включать только по схеме ОС.
Схема ОИ, или ОИ-ОЗ никем не запрещена. Мало того, иногда схема ОИ ликвидирует недостатки мощных полевых транзисторов, те же тепловые искажения, которые от модуляции крутизны импульсным нагревом кристалла.

Так же как схему включения ОК биполяров не обязательно запитывать от источника напряжения, с низким Rout. Здесь же на форуме несть числа очень положительных результатов при запитке ихних баз от генератора тока.

Есть еще мощные JFET, в том числе современные.
Вот ничего не имею против заводить их в режим с токами затвора. Особенно если этот режим предусмотрен паспортом, а часто так и есть.
 
Последнее редактирование:
Стесняюсь спросить, чтоб не показаться идиотом - а какое отношение теорема Котельникова имеет к шумам резисторов? Что я прогулял в ВУЗе?
 
Никакого отношения она не имеет.
Так что можно спокойно выдохнуть, и продолжить германиевую тему.
 
Отож и почти всё остальное в этом опусе - аналогичного уровня. :(
 
Сей опус - тестовая наживка, и тех, кто её глотает, можно дальше "разводить на бабки". А те, кто проходит мимо, понимая что это чушь - автоматически отсеиваются сами.
 
Последнее редактирование:
"Отнюдь.... сказала графиня!" ;-)
Лично я читаю эту тему с интересом.
Ностальгия...
Паяю/ваяю сейчас ушной УС на П605/609.
В классе А . В этом варианте радиаторы не очень большие
получаются.
 

Вложения

  • 10-watt-class-b-amp-03.jpg
    10-watt-class-b-amp-03.jpg
    254.2 KB · Просмотры: 459
Юрку в коллекцию
 

Вложения

  • user43_pic16094_1671205374.jpg
    user43_pic16094_1671205374.jpg
    47.2 KB · Просмотры: 305
Старые П10-П16 лучше по параметрам.

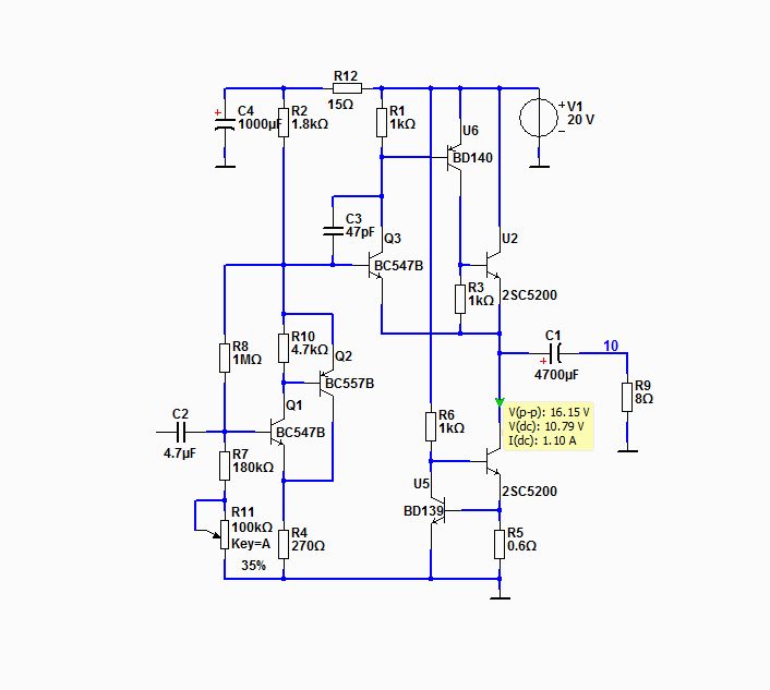
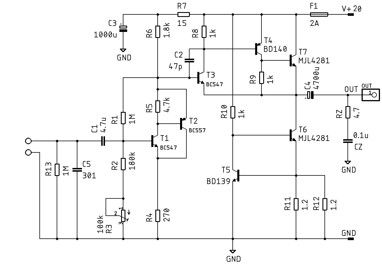
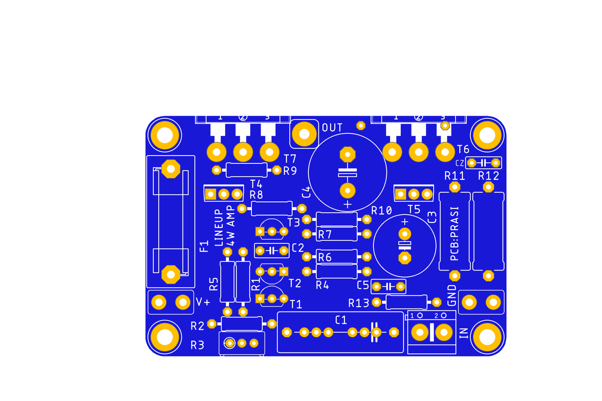
Или вот схема, чистый класс А, 4 Вт - THD 0,1%, 1 Вт - RMS искажения составляют всего 0,006% (на частоте 1 кГц) .
Файл для симуляции прилагается, могут покрутить любители.
Со слов собравших звучит волшебно. Правда это не германиевый. Выходные транзисторы могут быть 2SC5200, MJL3281 или MJ21194. 2 варианта монтажа на плате.
 

Вложения

  • SCH.png
    SCH.png
    23.5 KB · Просмотры: 440
  • LineUp A Thingy.zip
    LineUp A Thingy.zip
    1.6 KB · Просмотры: 136
  • LAY.png
    LAY.png
    42.6 KB · Просмотры: 429
  • LINEUP 4W AMP-OPT1.png
    LINEUP 4W AMP-OPT1.png
    157.2 KB · Просмотры: 254
  • OPT3-LAY.png
    OPT3-LAY.png
    48.4 KB · Просмотры: 275
  • OPT3-PCB.png
    OPT3-PCB.png
    163.9 KB · Просмотры: 341
  • LINEUP 4W AMP-OPT3_2021-06-12.zip
    LINEUP 4W AMP-OPT3_2021-06-12.zip
    187 KB · Просмотры: 142
  • LINEUP 4W AMP-OPT3_2021-11-23.zip
    LINEUP 4W AMP-OPT3_2021-11-23.zip
    143 KB · Просмотры: 128
Последнее редактирование:
Старые П10-П16 лучше по параметрам.

Или вот схема, чистый класс А, 4 Вт - THD 0,1%, 1 Вт - RMS искажения составляют всего 0,006%.
Файл для симуляции прилагается, могут покрутить любители.
Со слов собравших звучит волшебно. Правда это не германиевый.
П10 это военка , как и п11 п13 . А МП 35-36-37 уже ширпортеб.
 
Что Пугачев, Вега, Аккорд однояйцево. Схема 1963г Wireless World лучше намного
 
Или вот схема, чистый класс А, 4 Вт - THD 0,1%, 1 Вт - RMS искажения составляют всего 0,006% (на частоте 1 кГц) .
Файл для симуляции прилагается, могут покрутить любители.

Вот интересно, чего такого экстраординарного хотел добиться автор схемы, применяя выходные транзисторы на 350В Uкэ при питании по 10В на транзистор. В их даташите есть график hFE, снятый при напряжениии 5В, и там всё печально. Зато ОБР до 350В здесь - это победа! (над здравым смыслом) _preved
А по поводу симуляций С.И. Агеев, например, писАл, что симулятор не моделирует адекватно работу транзисторов в режиме квазинасыщения (в который их здесь загнали).
 
Последнее редактирование:
Симулятор должен адекватно отражать работу схемы в любой точке ВАХ использованных приборов.
 
Вот интересно, чего такого экстраординарного хотел добиться автор схемы, применяя выходные транзисторы на 350В Uкэ при питании по 10В на транзистор. В их даташите есть график hFE, снятый при напряжениии 5В, и там всё печально. Зато ОБР до 350В здесь - это победа! (над здравым смыслом)
Я просто из темы зарубежного форума выбрал схемку покрасивей, вот разработчика.
4watt-full-pub.jpg
 
Последнее редактирование модератором:
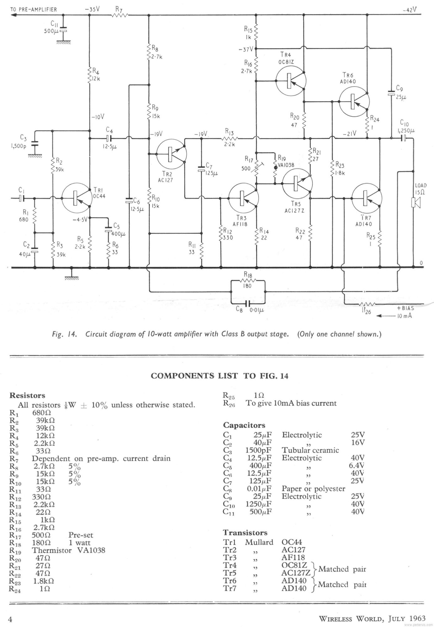
Wireless World Nov 1961
 

Вложения

  • Tobey & Dinsdale power amp Nov61 p1.jpg
    Tobey & Dinsdale power amp Nov61 p1.jpg
    539.6 KB · Просмотры: 292
  • Tobey & Dinsdale power amp Nov61 p2.jpg
    Tobey & Dinsdale power amp Nov61 p2.jpg
    465.7 KB · Просмотры: 297
  • Tobey & Dinsdale power amp Nov61 p3.jpg
    Tobey & Dinsdale power amp Nov61 p3.jpg
    472.4 KB · Просмотры: 285
  • Tobey & Dinsdale power amp Nov61 p4.jpg
    Tobey & Dinsdale power amp Nov61 p4.jpg
    445.1 KB · Просмотры: 252
  • Tobey & Dinsdale power amp Nov61 p5.jpg
    Tobey & Dinsdale power amp Nov61 p5.jpg
    528.4 KB · Просмотры: 265
Юра, предлагаю безвозмездно услугу, находишь крутую на свой взгляд схему а я ее оформляю.smile_29
Шнырять через vpn здесь https://worldradiohistory.com/Wireless_World_Magazine.htm Формат выхода по заказу. _hm_
 

Вложения

Последнее редактирование:
Юра, предлагаю безвозмездно услугу, находишь крутую на свой взгляд схему а я ее оформляю.smile_29
Шнырять через vpn здесь https://worldradiohistory.com/Wireless_World_Magazine.htm Формат выхода по заказу. _hm_
Оно замечательно, но двиг форума так превьюх не показывает. Нужно качать.
 
Попался комплект Корвет стерео. В усилителе выставил пол питания, Ixx 15ма. Поет. Юрий Робертович, скажите чем он лучше Веги 101? Еще он шипит как змея на полной громкости без сигнала на входе
 
Шипит как змея, он ни при чем. В первую очередь проверяйте электролиты по питанию.
 

Последние сообщения

Статистика форума

Темы
3,306
Сообщения
263,433
Пользователи
2,548
Новый пользователь
Александр Н.
Назад
Сверху Снизу