Гибрид из усилителя Агеева и не только

3,4 см

Радиаторы или с Брига или Барка вроде как по памяти.

Кулер тихоходный на подшипнике, не рассматриваешь Серёга?
 
Это, наверное ширина полоски.
Мне нужна толщина основания из которого рёбра торчат.
Кулер тихоходный на подшипнике, не рассматриваешь Серёга?
Хотел бы обойтись без вентилятора.

И ещё. Серёга, ты находишься далеко. Павел ближе, но у него тоже какая-то хрень на работе, непонятно когда встретимся.
Поэтому я пока займусь пилением своего варианта, ну и площадь твоих радиаторов посчитаю. Потом узнаю что есть у Паши. А там узнаем, есть ли смысл мне посылку слать.

Радиаторы или с Брига или Барка вроде как по памяти.
Неважно от чего. Я насчитал 1361 см2. Почти хорошо. Добавить бы ещё по 200 см2, было бы совсем хорошо. Не знаю, насколько это важно.
Пока ждём.

Ещё раз просмотрел. Поясню.
У дяди Саши поперек пары таких же радиаторов "От Димы" вместо дрына прикручена планка с колоночными клеммами.
Назначение толстого дрына в том чтобы можно было прикрутить плату с лампами и не коснуться саморезами радиаторов, которые под напряжением питания КТ, а стеклотекстолит с обратной стороны с фольгой.
Просто саморезы здесь удобны.
 
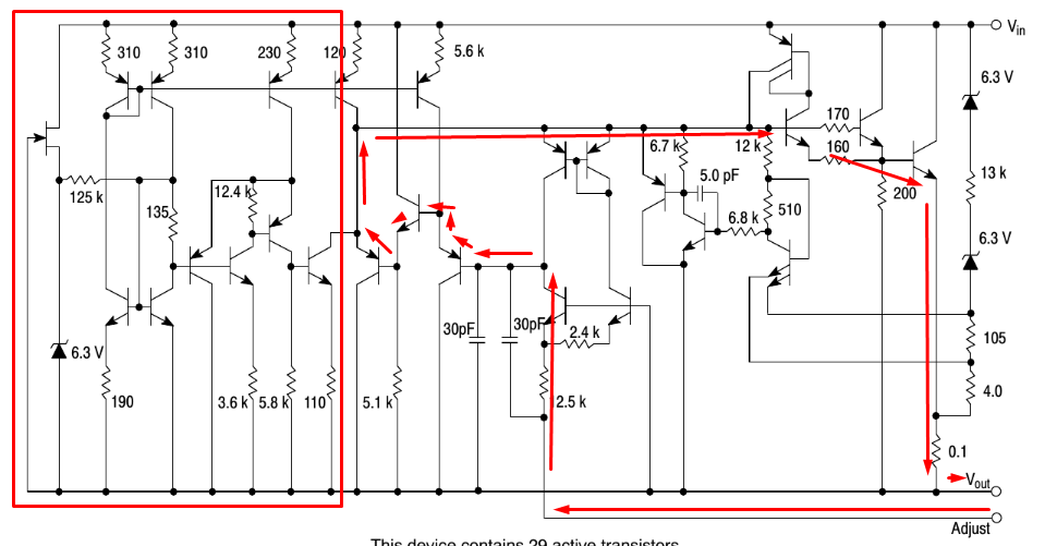
я конечно не совсем в тему ...но поясните что такое я накопал на просторах? что то гляжу на сей чудо-девайс и мыслей даже глупых в голове нету ..это как так , на стабилизаторах то ?
1710252639033.jpeg
 
IMG_20240312_164018_edit_122172550304902.jpgIMG_20240312_165209_edit_122159120689282.jpg
Хочу на обратной стороне портов плату защиты...
 
я конечно не совсем в тему ...но поясните что такое я накопал на просторах? что то гляжу на сей чудо-девайс и мыслей даже глупых в голове нету ..это как так , на стабилизаторах то ?

А как на стабилизаторных лампах делают УМ. Так и на интегральных по сути это те же усилители.
 
А как на стабилизаторных лампах делают УМ. Так и на интегральных по сути это те же усилители.
всем схема интересная конечно , особенно запредельными гармониками , но вот скорость нарастания какая то хилая ...сдается мне , что звучит крайне скучно и утомительно
 
всем схема интересная конечно , особенно запредельными гармониками , но вот скорость нарастания какая то хилая ...сдается мне , что звучит крайне скучно и утомительно
Всё что интересно надо пробовать и проверять.
 
всем схема интересная конечно , особенно запредельными гармониками , .
тут ты прав. гармоник чёт многовато, а главное не приведены ИМД. которые должны быть весьма не малы.
 
1710252639033-jpeg.90863

1971603.jpg

это как так , на стабилизаторах то ?
Чисто технически, это микросхемы, и там, унутре, генератор опорного напряжения на бандгапе Видлара с усилителем.

1710259191168.png

Эту модель запилили инженеры Тексас Инструментс - из полного бессилия рассчитать схему на бомажке.
 
Последнее редактирование:
1710260706061.png

317-я - тоже вполне себе усилитель. Слева выделена область термостабилизированного источника опорного напряжения.
 
по какому принципу они слова корежат
Есть таблица соответствий букв латиницы и кириллицы, так что и этот форум автоматически транслитерирует названия тем.
 
Валяется у меня такой моторегулятор. Лет десять собираюсь к нему микросхему управления купить. Всё забываю. Не сильно, видимо, нужна. А сам переменник вроде ничего так, регулирует и не шуршит.
 
Лампу надо, СЕ 6с4с, я пока не включил, не понял, что к.н.и. фигня, не даром все аудиофилы слушают 2а3, 6с4с, 300b, 45
 
Робертович напомнил, про хороший, качественный звук на этих компонентах )
 
С 2007г, СЕ на 6с4с, ни на какой променяю. Худ на sa1943 под кроватью года два лежит, с неделю послушал и убрал
 
Ну наверно не просто срастить ламповый пред с транзисторным оконечником. иначе бы давно схему увидели.
 
Тогда гибридник Лачиняна, на Веге много
 

Вложения

  • 2006_._07.djvu_.jpeg
    2006_._07.djvu_.jpeg
    902 KB · Просмотры: 228
Сейчас жую тему гибридника, там все ой непросто. Сам по себе повторитель, не охваченный ООС, звучит паскудненько. Хотя сигнал как бы красивее не найти. И вопрос, чем его качнуть, чтобы звука не изгадить- еще та тема. 90 процентов кандидатов в драйверы обсыпалось с первой прослушки . остались пара лампочек и те не блещут усилением.
" Будем искать)))"
ПС. Теперь понятно, почему сдохла моя тема АБ4, гибридника на повторителе с ламповой раскачкой. Не то пальто, нужен особый подход.
Повторитель качается повторителем, причем либо лампа с высокой S, либо каскодный вариант ( его не пробовал). Тогда первым ламповым каскадом балУйся до НЕХОЧУ. Так-ска-ать: твори,выдумывай ГАРМОНИЗИРУЙ!
А по гамбурскому счёту: как ни крути - дваПи - единица!
 
Сейчас жую тему гибридника, там все ой непросто. Сам по себе повторитель, не охваченный ООС, звучит паскудненько. Хотя сигнал как бы красивее не найти. И вопрос, чем его качнуть, чтобы звука не изгадить- еще та тема. 90 процентов кандидатов в драйверы обсыпалось с первой прослушки . остались пара лампочек и те не блещут усилением.
" Будем искать)))"
ПС. Теперь понятно, почему сдохла моя тема АБ4, гибридника на повторителе с ламповой раскачкой. Не то пальто, нужен особый подход.
А якщо таки підійти з іншого ракурсу?
Наприклад, як то зробили Лачинян, Дідден та розробники 122 Веги. Обхватити повторювач не зворотнім, а прямим зв'язком. Він від того стане більш лінійним.
А на його розкачку таки потрібне дещо з наднизьким вихідним опором. Можливо, на кількох лампах, якщо вже так кортить.
Схемотехнічні мінімалісти негодують;)
 

Александр Бокарёв

А как же АБ1?
Вроде всё по Фен-шую...
А что, у нас АБ1 уже выродился в истоковый повторитель? Там как раз все силы брошены на борьбу с свистящими фалло....пардон, фолловеро-имитаторами звука. Ну б их всех нахер-с. Пардон за мой французский.
зато счас только что-то сложилось в плане драйвера для мощного выходного повторителя на латералах с ООС по Акулиничеву. По приборам супер суперский, сейчас второй канал соберу и буду слухать. До этого день убит на переборы вариантов, в отвал ушла гора ламп, на которые были уверенные надежды.
Как ни крути, драйвер для повторителя нужен мощный, способный работать без напряга на нагрузку 50 килоом и выдавать вольт 40 чистяком в полосе герцы- сотни кГц.
Из всех кандидатов не обоср...пардон, не обосрамились лишь СРПП на 6н6п и в триодном включении приборные пентоды E180 F и EF860 . 6Н6П отпала по усилению, и прожорливости. Осталось отслушать пентотриоды.
 
Последнее редактирование:

Статистика форума

Темы
3,308
Сообщения
263,715
Пользователи
2,548
Новый пользователь
Александр Н.
Назад
Сверху Снизу