Гибрид из усилителя Агеева и не только

Прошу знатоков развеять опасения
Даже со стабилитронами на входе можно угробить м\схемы или транзисторы. Одежда и мебель дома это замечательные генераторы высокого напряжения. Шарик из фольги или проводочки вокруг ножек дёшево и сердито.
 
Даже со стабилитронами на входе можно угробить м\схемы или транзисторы. Одежда и мебель дома это замечательные генераторы высокого напряжения. Шарик из фольги или проводочки вокруг ножек дёшево и сердито.
Методы борьбы известны. Просто я не ожидал здесь такой засады.

В общем, если транзисторы ещё живы, я приму меры и уже не угроблю. Но я их уже руками брал и статика уже могла действовать. Теперь включение покажет, живы или нет.
А я то думал успокоят..
 
Я про полевики с изолированным затвором, естественно, знаю. А вот про то, что большой и мощный мосфет угробить можно не знал. Удивлён.
Ты удивишься ещё больше, когда узнаешь, что твой большой и мощный полевик тоже МОСФЕТ, со всеми его вениками. Вся радость, что его емкость затвора не комариные 5 -10 пик у крошки мосфета типа КП301. А тыщ 100 нанофарад. Уморисся заряжать.
 
Повеселю знатоков транзисторных дел, в частности знатоков полевых транзисторов.
Собираюсь использовать транзистор IXTH16N10D2. Это N-MOSFET, мощный и по идее не должен бояться статики. Я так думаю, по идее статики боятся только полевые транзисторы с изолированным затвором.
Я эти транзисторы из пакетика доставал, в руках крутил, за ноги держал, ничего не заземлял. Но вчера попался мне на глаза пакетик, в котором я их получил. А там написано - "Девайсы боятся статики". Вот наклейка:
Посмотреть вложение 91409
Я её рассмотрел, удивился и даже испугался.
Неужели эти транзисторы могут бояться статики?
Нахрена такие наклейки лепить?
Прошу знатоков развеять опасения.
А они с каким затвором, по вашему? Как раз- они то и с изолированным. Но затвор у них довольно мощный- должны выжить, этож не маломощные свистульки от чиха помирающие.
 
Ясно. Ждём следующие выходные. Надеюсь включить.
И ты ещё круче удивиссе, когда узнаешь, как просто и быстро проверяется любой полевик обычным стрелочным тестером Ц4313 Ц4315, как это делал на рынке , весело и непринужденно наш общий знакомый Вильевич. Пользуюсь его методикой, никогда не подводила.
 

Вложения

  • DSC02426.JPG
    DSC02426.JPG
    295.5 KB · Просмотры: 130
И ты ещё круче удивиссе, когда узнаешь, как просто и быстро проверяется любой полевик обычным стрелочным тестером Ц4313 Ц4315, как это делал на рынке , весело и непринужденно наш общий знакомый Вильевич. Пользуюсь его методикой, никогда не подводила.
Вильевич когда-то показывал, более десятка лет назад. Да и тестер стрелочный не помню где в кладовке валяется.
Транзисторы уже к радиатору прикручены, немного с БП поколдовать и можно включать. Поэтому в выходные всё узнаем.
 
Кто хочет купить латералы, покупают. Они ещё пока есть в продаже. В основном не подобранные. А у Александра подобранные. Ему других не надо.
 
Сашик, а ты, оказывается, глазастый. Да, это 2SJ162. _hm_
Дык, барин, 600 пик только у Р-шных латераловс-с!

Аккурат сейчас сижу слушаю своего гибрида лампы и латералов. И как бы давно не слышал такого правильного, мощного и красивого звука. Но добыть его -пришлось помудохаться не один годик. Заодно усомниться в чужих намоленных решениях.
Макет Рио де Фанейро
 

Вложения

  • IMG_20240318_164613_1.jpg
    IMG_20240318_164613_1.jpg
    376 KB · Просмотры: 192
  • IMG_20240318_174448.jpg
    IMG_20240318_174448.jpg
    566.6 KB · Просмотры: 195
Аккурат сейчас сижу слушаю своего гибрида лампы и латералов. И как бы давно не слышал такого правильного, мощного и красивого звука. Но добыть его -пришлось помудохаться не один годик. Заодно усомниться в чужих намоленных решениях.
Макет Рио де Фанейро
Я правильно понимаю это на 6с45п
 
Я правильно понимаю это на 6с45п
Именно на ней. остальные на ступеньку ниже по разным причинам.
Хотя, с отменным результатом сработали 6Ж49ПДР 6Ж11П-Е 6Ж9П E180F EF860 .

Будет добры режимы вашего варианта.
Режимы найдены чисто из соображений симметричного ограничения на нагрузке 50 ком(входное мощника) . питание 285, в аноде 15 кил, в катоде 200Ом. 150 в на аноде. 1. 5 в в катоде.

И ежели подвести краткий итог по гибриднику, то будет следующее.
На данный момент работает сочетание линейного без ООС и термостабильного вых каскада на латералах с недостатком в виде повышенного выходного сопротивления и вакуумного триода со средним усилением, высокой крутизной и низким внутренним сопротивлением. Оба каскада охвачены общей ООС в сетку триода, по схеме инвертирующего усилителя. Выходное получается в районе 0,5 Ома. Усиление порядка 20 .
Полоса от единиц до сотни тысяч Герц. Ток покоя 200мА.
Звучание лучше всех прежних вариантов, это не транзистор и не лампа. нечто другое интересное. Результат устроил на все сто. Ничего не фонит.

Это здорово.
Схема будет? Интересно.
Схема будет, когда свою отслушаешь и мнение поимеешь, свое, а не мое. Мало ли, чего я тут нахеромутил. Ты же делаешь по конкретной схеме , от конкретного автора, вот и доделай, послушай. А не понравится- двигайся дальше.
 
Последнее редактирование:
Как правило все гибридные схемы очень похожи и просты на вид, но когда дело касается реализации в железе и деталюшках, сразу возникают огромное количество всяких тонкостей , начиная с подбора активных элементов и заканчивая проводами. И ещё , процентов на 80% в таких конструкциях занимает блок питания, особенно если класс А.
Полностью соглашусь с Александром - цитирую , " это не транзистор и не лампа, нечто другое интересное ", особенно это проявляется на классической и джазовой музыке, такой глубины и масштаба, с удивительной естественностью звучания, редко на чём услышишь . Однако дело это долгое и дорогое , особенно сейчас. Но тот кто это реализовал правильно , дальше уже не ищут , так как лучше не получается. Всё сказанное является лично моим мнением и не претендует на истину.
 
АБ:
Схему зажал!
Свою с агеевским ВК отслушал. Отложил в сторону.
В классе А тоже отслушаю. Надеюсь, в следующие выходные.
Из твоей пока интересен способ заведения обратной связи. Это же можно опробовать и с агеевским ВК. Может получиться чуть лучше чем сейчас. Поэтому любопытно. Принцип видел, но конкретная реализация интереснее.
Ну и латералы тоже лежат на всякий случай. Правда хрен знает какие в смысле подлинности, но вроде с хорошего сайта.
 
Если дойдёт до их применения, проверю. Сейчас и так много чего не успеваю, даже без дополнительных заморочек.
 
Как правило все гибридные схемы очень похожи и просты на вид, но когда дело касается реализации в железе и деталюшках, сразу возникают огромное количество всяких тонкостей , начиная с подбора активных элементов и заканчивая проводами. И ещё , процентов на 80% в таких конструкциях занимает блок питания, особенно если класс А.
Полностью соглашусь с Александром - цитирую , " это не транзистор и не лампа, нечто другое интересное ", особенно это проявляется на классической и джазовой музыке, такой глубины и масштаба, с удивительной естественностью звучания, редко на чём услышишь . Однако дело это долгое и дорогое , особенно сейчас. Но тот кто это реализовал правильно , дальше уже не ищут , так как лучше не получается. Всё сказанное является лично моим мнением и не претендует на истину.
Вот поддержу на все 100%, у меня произошло именно так. С тех пор на лампы, типа ГМ70, не смотрю. Что еще интересно, в процессе монтажа, лет десять уже назад, выяснилось, что в вых каскаде гибридника возник низкоуровневый возбуд на частоте около 4-х мгц, один проводочек не там припаял. Убрал возбуд и пожалел, ушло что-то важное. Уже много позже решил провести контролируемый эксперимент и результат получился, можно сказать, «очень интересный».
 
Вот поддержу на все 100%, у меня произошло именно так. С тех пор на лампы, типа ГМ70, не смотрю. Что еще интересно, в процессе монтажа, лет десять уже назад, выяснилось, что в вых каскаде гибридника возник низкоуровневый возбуд на частоте около 4-х мгц, один проводочек не там припаял. Убрал возбуд и пожалел, ушло что-то важное. Уже много позже решил провести контролируемый эксперимент и результат получился, можно сказать, «очень интересный».
Просто мечтаю, что гибрид номер 2 будет звучать значительно лучше гибрида номер 1. Собственно это изначально предполагалось, гибрид с ВК Агеева изготовлен как точка отсчёта.
И хотелось бы узнать, какие противовозбудные меры предпринимать для исключения возбуда в Вашем ВК класса А.
Впрочем, для начала надо включить и что-нибудь увидеть.
 
Вот поддержу на все 100%, у меня произошло именно так. С тех пор на лампы, типа ГМ70, не смотрю. Что еще интересно, в процессе монтажа, лет десять уже назад, выяснилось, что в вых каскаде гибридника возник низкоуровневый возбуд на частоте около 4-х мгц, один проводочек не там припаял. Убрал возбуд и пожалел, ушло что-то важное. Уже много позже решил провести контролируемый эксперимент и результат получился, можно сказать, «очень интересный».
В процессе возни с гибридом обнаружился даже не возбуд, а неуверенный возбудишка, на каком-то одном уровне сигнала. Самое забавное, что проявлялся на синусе, меандр чистый. Убрался конденсатором распаянным прямо на выходных транзисторах, между стоками, куда питание идет. Сопельки в 15 см от платы до транзисторов хватило вогнать их в истерику.
 
У мя в агеевском тоже было.
Убрал свив провода к транзисторам и по питанию поставил 0,1 мкФ.
 
Уж что гибридники умеют хорошо - так это меандр усиливать! При этом на ВЧ синус стремится к пиле, а меандр - загляденье! _hm_
 
В агеевском на 100 кГц синус. Он там по минус 2 дБ. Дальше не смотрел.
 
Уж что гибридники умеют хорошо - так это меандр усиливать! При этом на ВЧ синус стремится к пиле, а меандр - загляденье! _hm_
А этот гибридник случайно не ООС?
 
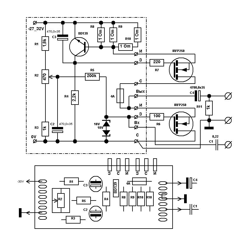
Вот. Это Чуфолли.
 

Вложения

  • Amp.jpg
    Amp.jpg
    88.4 KB · Просмотры: 183
Год назад макетил для интереса выходной каскад на полевиках вертикалах, IRFах комплементарных. Там при токе менее 700мА ступенька неизбежная. Выхода два. Или АВ + общая ООС убивающая ступеньку, либо чистый А с током за ампер. Естественно, с потерей мощности. А еще неприятность- ток покоя у вертикалов плывет с разогревом. Термотранзистор спасает дело.
 
Год назад макетил для интереса выходной каскад на полевиках вертикалах, IRFах комплементарных. Там при токе менее 700мА ступенька неизбежная. Выхода два. Или АВ + общая ООС убивающая ступеньку, либо чистый А с током за ампер. Естественно, с потерей мощности. А еще неприятность- ток покоя у вертикалов плывет с разогревом. Термотранзистор спасает дело.
Зато, по словам Александра, Чуффоли хорошо работает на НЧ, имеет выхсопр 0,2 Ома и не содержит дефицитных или дорогих деталей. Вполне народный вариант для двухполосного усилителя в НЧ полосу. Самое дорогое в нём - радиаторы, потому как класс А.
В ВК Сергея Васянина деталей ещё меньше, но они дороже. Не столь народно.
 
Нет смысла в НЧ полосе однотакт применять.
 
Зато, по словам Александра, Чуффоли хорошо работает на НЧ, имеет выхсопр 0,2 Ома и не содержит дефицитных или дорогих деталей. Вполне народный вариант для двухполосного усилителя в НЧ полосу. Самое дорогое в нём - радиаторы, потому как класс А.
В ВК Сергея Васянина деталей ещё меньше, но они дороже. Не столь народно.
Нет, дядька. Дороже всего там ящик с кондерами по сотни тыщ микрофарад и мокрый лоб от битвы с фоном. И силовик, от которого лампочки притухают при включении.
А так- да фигня.
 

Статистика форума

Темы
3,308
Сообщения
263,740
Пользователи
2,548
Новый пользователь
Александр Н.
Назад
Сверху Снизу