Катушка Тесла-Мишина. Работающая схема от АБ

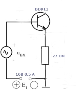
От питания 10 вольт и резистор 27 Ом давал ток 0,5А в базу-эмиттер мощных транзисторов,смотрел падение на переходе. У нормальных мощных, с кристаллом 2 на 2 мм - 4 на 4мм падение 0,7- 0, 8 вольта . У подделки с кристаллом 1 на 1мм и гордой надписью BD911 падение 1.1 вольта
Нормальный транзистор этой серии -привычные 0,85 в , по памяти.
Спасибо. Я попытался изобразить, гляньте?
 

Вложения

  • 358.jpg
    358.jpg
    26.5 KB · Просмотры: 82
Спасибо. Я попытался изобразить, гляньте?
Эмиттер в землю, с питания в базу ток через резистор, вольтметром смотрим падение на переходе..Открытый переход тот же диод с падением 0,6-1в в зависимости от величины протекающего тока и площади кристалла
 
Вы уже реализовали и испытали какой-то проект, или пока в процессе?
Я переделывал два прибора ТГС-7А, умощнял их схемами Александра Бокарева. На одном, для сестры, оставил штатную АПЧ. Она женщина в возрасте и далекая от техники поэтому не стал усложнять прибор. Себе на приболре ввел переключатель АПЧ-Ручная настройка, добавил регулятор уровня и индикатор потребляемого тока. Пользуюсь в основном режимом АПЧ. Когда отдал в пользование свой прибор родственнику, решил сделать прибор с нуля. Мне осталось намотать импульсный трансформатор для БП и засунуть все хозяйство в корпус. Думаю за каникулы успею.
 
Я переделывал два прибора ТГС-7А, умощнял их схемами Александра Бокарева. На одном, для сестры, оставил штатную АПЧ. Она женщина в возрасте и далекая от техники поэтому не стал усложнять прибор. Себе на приболре ввел переключатель АПЧ-Ручная настройка, добавил регулятор уровня и индикатор потребляемого тока. Пользуюсь в основном режимом АПЧ. Когда отдал в пользование свой прибор родственнику, решил сделать прибор с нуля. Мне осталось намотать импульсный трансформатор для БП и засунуть все хозяйство в корпус. Думаю за каникулы успею.
Сейчас посчитал, сколько времени пролетело с начала темы в 2015 году, когда попросил знакомый наладить схему генератора для катушки, ничего не шло у него, хотя он человек с радиотехническим образованием. И постепенно сложились кубики, из которых выросла схема, рабочая и повторяемая. Но только сейчас получилось нечто простое , надежное и мощное. АПЧ не макетил, хотя идея простая и понятная.
Но есть желание сделать простую схему с катушкой в роли задающего контура генератора , уже все для этого есть. Загвоздка была в дефицитном терморезисторе , для АРУ. Сейчас он есть, можно пробовать.
 
Эмиттер в землю, с питания в базу ток через резистор, вольтметром смотрим падение на переходе..Открытый переход тот же диод с падением 0,6-1в в зависимости от величины протекающего тока и площади кристалла
Понятно, спасибо. Подправил.
Приятель занес еще такой приборчик. Им тоже проверю
08.jpg

Я переделывал два прибора ТГС-7А, умощнял их схемами Александра Бокарева. На одном, для сестры, оставил штатную АПЧ. Она женщина в возрасте и далекая от техники поэтому не стал усложнять прибор. Себе на приболре ввел переключатель АПЧ-Ручная настройка, добавил регулятор уровня и индикатор потребляемого тока. Пользуюсь в основном режимом АПЧ. Когда отдал в пользование свой прибор родственнику, решил сделать прибор с нуля. Мне осталось намотать импульсный трансформатор для БП и засунуть все хозяйство в корпус. Думаю за каникулы успею.
Понял. Да тема заинтересовала. Спасибо. Если не затруднит - можно полную схему того прибора, что Вы сейчас строите увидеть? Можно в ЛС, если это не по теме.

Сейчас посчитал, сколько времени пролетело с начала темы в 2015 году, когда попросил знакомый наладить схему генератора для катушки, ничего не шло у него, хотя он человек с радиотехническим образованием. И постепенно сложились кубики, из которых выросла схема, рабочая и повторяемая. Но только сейчас получилось нечто простое , надежное и мощное. АПЧ не макетил, хотя идея простая и понятная.
Но есть желание сделать простую схему с катушкой в роли задающего контура генератора , уже все для этого есть. Загвоздка была в дефицитном терморезисторе , для АРУ. Сейчас он есть, можно пробовать.
Хорошие новости! Может я поторопился, и стоит немного подождать с покупкой деталей?
 
Последнее редактирование модератором:
Я так делал при настройке вых каскада по Агееву.http://archive.radio.ru/web/1987/02/030/
Сперва с отключенными выходными транзисторами (а достаточно эмиттеры отсоединить) смотрел ток покоя по амперметру в питании и напряжения Б-Э , чтобы по 0,6 было , базы цеплял к делителю , среднюю точку делал резючками килоом на 15. Потом подкидывал выходные транзисторы и ток покоя по идее утраивался, был 70 ма, становился 200.
Что касаемо схемы вых каскада из журнала Радио 2 за 1987, там есть заковыка. Антизвонные резисторы 30 Ом в базах предвыхода и 5 ом в базах выхода давали разбег выходного тока покоя , не получалось настроить, пока не додумался взять эти резисторы небольшими и одинаковыми. А по схеме там засада, в принципе работает, но токи распределяются по каскадам......несправедливо ))))

Теперь токи распределяются несколько более справедливо.

1735179007939.jpeg


1735179029422.jpeg


1735179049916.jpeg
 
Не кто не подскажет какой диаметра фанеры нужен под такой вид катушки, и на какую частоту? Может кто то мотал подобную.
UTP_Coil.jpg

На озоне есть копеечный генератор на 2206, вполне можно использовать для наших нужд, но со следующими доработками:
- регулятор точной настройки заменить на многооборотник 1 кОм,
- у регулятора уровня выхода поменять крайние выводы (по часовой в стоке уменьшает)
- из пяти частотозадающих конденсаторов кроме наименьшего остальные можно не распаивать
gen2206_.jpg
 
Последнее редактирование модератором:
Схема в сообщении 2049. Но она не полная. Есть печать, там присутствуют моточные элементы. По ней пытаюсь собрать полностью прибор. Как запущу, поделюсь и схемой, и печатью.
 
- регулятор точной настройки заменить на многооборотник 1 кОм

Вместо регулятора грубой настойки можно поставить перемычку.
Вместо регулятора точной настойки я поставил многооборотник 50К, работает хорошо.
 
Этим кунштюком не проверите реальную площадь кристалла. Токи не те.
Коллега slami посоветовал дать проверочный ток в переход база-коллектор, как более крепкий . По памяти, напряжение не этом переходе мало отличалось от Б-Э.
Понял, спасибо, поравил
010.jpg
 
Последнее редактирование модератором:
Можно уточнить: какая длина провода в катушке, провод: медь или медь на алюминии, и какая частота катушки при этом получилась?
Катушка моталась стандартной витой парой (медь) на основании из ламината, длина провода 21 м, по частоте точно не скажу, т.к. комплект делался давно, ушел в народ. Ориентировочно 280-283 кГц. Ламинировано пленкой.

Можно уточнить: какая длина провода в катушке, провод: медь или медь на алюминии, и какая частота катушки при этом получилась?
Также мотал в этом габарите проводом МГТФ 0,2, Мишин этот провод очень пиарил одно время.
Закончу усилитель, померяю какая частота получилась.
 

Вложения

  • MGTF_Col.jpg
    MGTF_Col.jpg
    721 KB · Просмотры: 84
Также мотал в этом габарите проводом МГТФ 0,2, Мишин этот провод очень пиарил одно время.
Закончу усилитель, померяю какая частота получилась.
Давно есть идея мотать в три провода, потом один убрать. Получится катушка с межвитковой изоляцией воздухом, который с его эпсилоном 1 не вмешивается в добротность катушки.
ПС. А может и не в три, а в четыре.
 
А чем его фиксировать он же скользкий не к чему не липнет.
Святые слова!!! Все именно так и было! Отчего принято решение не делать плоскую катушку, а намотать торик. Намотал имеющимся запасом МГТФа, получил 400кГц, пригорюнился. Плюнул, вернулся к ПЭВ 0,51 и катухе 130мм.
 
Давно есть идея мотать в три провода, потом один убрать. Получится катушка с межвитковой изоляцией воздухом, который с его эпсилоном 1 не вмешивается в добротность катушки.
ПС. А может и не в три, а в четыре.
В четыре логичнее.
Вырастет диаметр, хотя в какой-то мере это скомпенсируется из-за уменьшения паразитной ёмкости.
 
Последнее редактирование:
Особенно выраженный эффект дает катушка при судорогах в стопе, когда крючит пальцы и сделать ничего нельзя. Достаточно положив катушку на пол, стать на нее ногой. Через секунду судорога исчезает, потом нужно минуту постоять и проблема уходит.
Причина судорог (как правило, ночью)- недостаток поваренной соли в организме. Много воды вымыло соль. Послюни палец - и в солонку. Рассосать. соль И так три - 4 раза. У меня есть катушки, самодел. Но ночью искать аппарат как-то не додумался.
 
Причина судорог (как правило, ночью)- недостаток поваренной соли в организме. Много воды вымыло соль. Послюни палец - и в солонку. Рассосать. соль И так три - 4 раза. У меня есть катушки, самодел. Но ночью искать аппарат как-то не додумался.
Ваш случай одна из множества причин судорог в мышцах. И если сводит стопу от недостатка соли, то почему не сводит икроножные мышцы, которые рядом и так же страдают от процесса.
Кстати, как называется философское направление, когда из единичного случая сочиняется вселенская теория?
И отчего, зная, что ночью схватит судорога, в уме не сложится кинуть на пол катуху, а прибор поставить рядом.
 
Александр, Вы на катушку контура 0,18 мГн, какой провод и какой длины делали?
 
Александр, Вы на катушку контура 0,18 мГн, какой провод и какой длины делали?
Взял валявшуюся на столе катушку колоночную Мундорф 0,18 мГн, мотана по памяти проводом 0,6 или 0,7.
Программа CEC v.06 в помощь, считает любую катуху.

Да, все верно! Спасибо! Заказал почти все! Пока не нешел только резисторы на 0,12 Ом.
8 резисторов по 1 Ому 0,125 ватта в параллель.
Мне проще, есть проволока манганиновая, 9 Ом на метр. Отмерил линейкой, отрезал и паяй спиральку в плату.
 
8 резисторов по 1 Ому 0,125 ватта в параллель.
Мне проще, есть проволока манганиновая, 9 Ом на метр. Отмерил линейкой, отрезал и паяй спиральку в плату.
Хорошая идея. Поискал, и тоже нашел такую. Продают метражом. Какую лучше взять: 0,1 или 0,2 мм? Или другую толщину искать?
 
Хорошая идея. Поискал, и тоже нашел такую. Продают метражом. Какую лучше взять: 0,1 или 0,2 мм? Или другую толщину искать?
0,4 мм по памяти. Иначе засветится как лампочка .Поищите таблицу для манганина с погонным 9 Ом на метр, узнаете диаметр.
 
0,4 мм по памяти. Иначе засветится как лампочка .Поищите таблицу для манганина с погонным 9 Ом на метр, узнаете диаметр.
На нескольких сайтах посмотрел, везде диаметр 0,25 мм увидел на сопротивление 8,5 - 12,5 Ом на 1 метр длины. Может смотрю неправильно?

Есть никель-хромовая нагревательная проволока 0,4 мм. Сопротивление 8,7 Ом\метр. Это можно применить?
 
Увидел. Только я не понимаю как это делать. Какой резистор для этого взять, какой провод и какой длинны?
Диаметр провода примерно 0.2, отмотайте пару метров, измерьте сопротивление, пересчитайте в нужное вам, отрежьте
Намотайте на что угодно
 

Есть никель-хромовая нагревательная проволока 0,4 мм. Сопротивление 8,7 Ом\метр. Это можно применить?
нихром запаять непросто. Делать обжимку в медь не проще. Проще найти фарфоровые проволочники, которых везде как грязи. https://www.chipdip.ru/product/sqp-...m=---autotargeting&yclid=17359671087458680831
 

Статистика форума

Темы
3,302
Сообщения
262,881
Пользователи
2,544
Новый пользователь
vlad'mir
Назад
Сверху Снизу