Открытая АС на динамиках 4ГД (4ГДШ)

ABart

2 ранг
Регистрация
8 Фев 2024
Сообщения
458
Реакции
181
Баллы
17
Страна
РБ
Имя
Иван
Камрады, и все таки, что лучше использовать для щитов: советскую лакированную ДСП или МДФ?

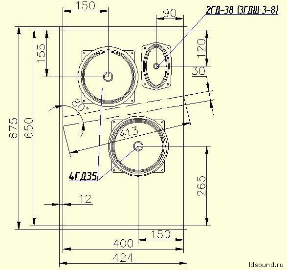
За основу взята эта конструкция Александра Лукина.

IMG_20190727_151142_.jpg


Чертежик.jpg


Но задние бортики будут в виде косынки с расширением к низу, они же будут служить подставкой. Верхний бортик будет 20 мм, внизу максимальная ширина до 100 мм. Небольшой наклон назад, чтобы направить ВЧ динамики примерно на высоту ушей слушателя.
Все динамики будут установлены спереди, небольшая фрезировка для того, чтобы их утопить на толщину корпуса. Сзади отверстия под дины сделаны в виде конуса, чтоб убрать трубу.
Поправьте, если не правильно.

Примерно вот так:

Untitled.png
 
да хоть фанеру ) лишь бы жесткость конструкции была .
Да жесткости хватит, размер не сильно большой.
А какой материал более "глухой": ДСП или МДФ? Или для щита это не так критично?
 
А какой материал более "глухой": ДСП или МДФ? Или для щита это не так критично?
Если нужна хорошая жесткость и малая вибрация у щита, то лист фанеры, ДСП или МДФ можно прикрутить болтами на раму из сварных, стальных или алюминиевых уголков. А вертикальное или слегка наклонное положение фронтальной поверхности такой АС можно также формировать за счет мощных уголков, образующего косынку для подставки в районе пола.
 
Если нужна хорошая жесткость и малая вибрация у щита, то лист фанеры, ДСП или МДФ можно прикрутить болтами на раму из сварных, стальных или алюминиевых уголков. А вертикальное или слегка наклонное положение фронтальной поверхности такой АС можно также формировать за счет мощных уголков, образующего косынку для подставки в районе пола.
Именно так и планирую реализовать.
 
Да жесткости хватит, размер не сильно большой.
А какой материал более "глухой": ДСП или МДФ? Или для щита это не так критично?
интересный вопрос ... .
но ближе к коробкам и опр. тонкостям ...
от лучшего к худшему - МДФ, Фанера, ДСП если в общем без ребер жесткости и пр. "ушей" "боковин" "ваты поверх"
На деле разницу мдф или фанера не услышите . Что карману проще на то и смотрите. Не ищите золотца там где нету его =)

не забудьте что можно наклонить не только "все" динамики вместе с панелью но также и 1 динамик =)

но только вы решаете какие "моря отражений" будут вас окружать =)
 
не забудьте что можно наклонить не только "все" динамики вместе с панелью но также и 1 динамик =)

но только вы решаете какие "моря отражений" будут вас окружать =)
Тут еще много зависит и от комнаты, где все это будет устновлено, а она у меня обычная, жилая.

Подскажите еще по поводу боковин, на сколько критична их установка в данной конструкции? Или их можно вовсе убрать? Я так понимая, они выполняют роль не только элемента декора?
 
Подскажите еще по поводу боковин, на сколько критична их установка в данной конструкции? Или их можно вовсе убрать? Я так понимая, они выполняют роль не только элемента декора?
фактически у вас не щит а ОЯ просто он не глубокий
если внутри заделать ватой разницы не будет большой \ если не трогать будет "ведро" ОЯ
вам этот опыт пережить придется =)
 
фактически у вас не щит а ОЯ просто он не глубокий
если внутри заделать ватой разницы не будет большой \ если не трогать будет "ведро" ОЯ
вам этот опыт пережить придется =)
Я имею в виду трапецеидальные боковины, не ящик. Если будет рама, к которой привинчен щит, нужны ли эти боковины?
 
Тогда задача еще упрощается. Рама из уголков, достаточная для устойчивости панели, боковины затянуты звукопрозрачной тканью. Сама панель обклеена пленкой или шпоном.
По поводу отверстий с рупорами с тыльной стороны панели, правильное решение?
 
тут не понял о чем речь ...
Динимики устанавливаю спереди панели. Сзади панели отверстия под динамики делаю в виде конусов, чтоб убрать "трубу" (снимаю фаски, чтоб конус начинался от бортика динамика).
 
Ярчайший представитель этого семейства - Верфедейл СФБ-3
 
Динимики устанавливаю спереди панели. Сзади панели отверстия под динамики делаю в виде конусов, чтоб убрать "трубу" (снимаю фаски, чтоб конус начинался от бортика динамика).
по хорошему окна в раме перекрывать нельзя
а по уму динамик может и не почувствует
1757337082434.png
 
Ярчайший представитель этого семейства - Верфедейл СФБ-3
Спасибо за ссылочку! Интересно, что пищик дует в потолок.

по хорошему окна в раме перекрывать нельзя
а по уму динамик может и не почувствует
Посмотреть вложение 150489
Да, имею в виду вот это:

1757337082434.png
 
Ярчайший представитель этого семейства - Верфедейл СФБ-3
Увидел "схему" и выпал в нерастворимый осадок _shok_
Хотя...
Резонансные частоты у 12" и 10" - разные, обрыв снизу размажется. Дины стоЯт по-разному по высоте и по ширине = на СЧ и немного на мидбасе влияние комнатных отражений - разное для двух излучаетелей, при удачном сочетании места АС и слушателя АЧХ АС+комната может сгладиться. Сами дины также имеют разную собственную АЧХ, при удачном сочетании... см. выше. Может статься, не всё так плохо. А вот результат работы третьего динамика, излучающего вверх, зависит от высоты помещения, расстояния до слушателя (меняется угол) и, собственно, свойств потолка. И он сильно непредсказуем. И он вообще-то СЧ/ВЧ, а не ВЧ: 4 мкФ - немало, при 15 Ом заявленных получаем 2,5 кГц по -3дБ!
Однако, измеренные параметры прикололи неслабо! https://www.diyaudio.com/community/threads/wharfedale-sfb-thiele-small.305084/
Super 3 Tweeter Alnico
Fs 820.28 Hz
Re 6.15 Ohms
Le .135mH@10kHz
Qms 4.943
Qes 8.209
Qts 3.065
Zmax 9.85 Ohms
Что-то мне не верится... Полная добротность ТРИ? Сопротивление 7 Ом вместо "все по 15"?
W10CSB.JPG
Он работает бэк-вокалистом: его отдача на 6дБ ниже отдачи НЧ динамика...
W12FS.JPG
Добротность явно рассчитана на дурное выходное сопротивление лампового усилителя.
 
Последнее редактирование:
нужны ли эти боковины?
а)дополнительная площадь (свёрнутого) щита
б)опора
в)жесткость конструкции
г) привычный внешний вид
Выбирайте самостоятельно:)
 
Увидел "схему" и выпал в нерастворимый осадок
Там всё чётко. Ей сравнивали с живым оркестром. На старом Аудиопортале такую собирали. На оригинальных динамиках. Тема была длинной, интереснойи насколько помню - без особого срача.
Кстати у https://ldsound.club/threads/akusticheskaja-sistema-korvet-stereo-sa-5.1662/ ШП тоже имеют разные частоты собственного резонанса. По ссылке моя бывшая АС и была на руках такая же и тоже динамики с разной частотой.
Для восьми ом? 5000 Герц? Ну пусть он дотянется на октаву ниже. 2500 Герц. Вряд ли пищалка запоёт на данной частоте громче чем выше частоты раздела.
 
Увидел "схему" и выпал в нерастворимый осадок _shok_
Всё-таки это начало развития настоящей акустики.
И предполагаю что это моно, отсюда и пищалка вверх - нужен какой-то звуковой объём, нужно побольше отражений от стен, нужно псевдостерео.
Ни о какой локализции иструментов речи не было, наоборот, с ней боролись.
Вспомните акустические схемы приёмников высшего класса эры моно. Ставили по нескольку "пищалок" типа 1ГД-18 (дедушка 2ГД-40) по углам и направленные в разные сторона, и уж точно НЕ на слушателя, чтобы отвязать звуковой образ от приёмника, у этого решения был внук, увы забытый - bifonic
Пример - "Сакта" на базе 5ГД-1RRR
sakta_old_101716.jpg

Резонансные частоты у 12" и 10" - разные, обрыв снизу размажется.
Характерно что даже с такими щитами и динамиками спад от 100 Гц с крутизной 12 дБ/октава.
Думаю, главное достоинство - середина за счет качества самих динамиках.
Может статься, не всё так плохо.
Особенно тогда, для людей не испорченных самбухерами.
А вот результат работы третьего динамика, излучающего вверх, зависит от высоты помещения, расстояния до слушателя (меняется угол) и, собственно, свойств потолка. И он сильно непредсказуем. И он вообще-то СЧ/ВЧ, а не ВЧ: 4 мкФ - немало, при 15 Ом заявленных получаем 2,5 кГц по -3дБ!
Наверное, главным было НЕ обеспечение Hi-Fi то есть высокой ВЕРНОСТИ воспроизведения, а получения необычного приятного звука. И поскольку, я в этом давно убедился, что щит (ну и ОЯ) звучит КРАСИВО (при хороших динамиках), такая штука вполне может звучать.
нужны ли эти боковины?
Выше написали. Нужны, хотя звук ящики портят и тем больше чем они меньше и глубже, но держать-то надо.
В старых радиоприёмниках это получалось автоматически, тем более что надо было оградить потроха от шаловливых ручонок.
Думаю, для действительно хороших динамиков желательно щит, а для всяких второсортных 4ГД-35 лучше ящик.
Кстати, я не раз писал. Был у меня измерительно-проверочный ОЯ из мощного усиленного картона, ширина 35 см, по бокам внизу широкий, наверху очень узкий, специально. Лицевая сторона - параллелепипед. Внизу солидный груз из трансформатора и т. п. Так вот, почти везде (измерять можно по разному) на АЧХ в области 500 Гц был мощный бугор, как раз полдлинны волны. И это при боковушках всего 6...10 см сверху!
Делал маленький ОЯ для 2ГД-40 и там, был горб, на более высокой частоте, конечно, что меня огорчило при том что глубина ящика на память 6 см. А почему такая глубина, а не щит? Сверху, над ОЯ стояла пищалка сдвинутая вглубь.
И тут я убедился, что даже такой не золотоухий как я, слышит разницу и недостатки. Вообще, слышит подобные вещи большинство, если выслушивать. Это совсем не критично, но есть.
Наверное, надо делать отверстия в боковушках чтобы резонансов не было, а прочность и устойчивость были. Но заниматься этим уже лень, пусть другие делают.
Конечно, всё это удифилия и на это лучше наплевать, что нормальные люди и делают.
Снова скажу - микрофон в помощь, только надо наловчиться им правильно пользоваться и программами пользоваться честными, а не теми которые "чего изволите?".
 
Наверное, надо делать отверстия в боковушках чтобы резонансов не было, а прочность и устойчивость были.
Но почему никто (почти) не рассматривает улучшение свойств ОЯ матрасом/гулей/колбасой ЗПМ-а? Если он в силах прибить межстеночные резонансы в ЗЯ, то кто запретил проделать то же самое в ОЯ?
Второй вопрос. Разве нельзя впиндюрить по диагонали картонку на всю ширину боковинок? резонансы по двум координатам и сдуются (меньше всего ослабится первый кратный резонанс, равный удвоенной частоте основной моды), а третьей стенки-то и нету.
Третий вопрос. Почему не сделать ОЯ в виде апериодической нагрузки: довольно длинный ящик с увеличивающейся к выходу плотностью ЗПМ и без задней стенки?
Та там вариантов пруд пруди.
 
Но почему никто (почти) не рассматривает улучшение свойств ОЯ матрасом/гулей/колбасой ЗПМ-а? Если он в силах прибить межстеночные резонансы в ЗЯ, то кто запретил проделать то же самое в ОЯ?
Второй вопрос. Разве нельзя впиндюрить по диагонали картонку на всю ширину боковинок? резонансы по двум координатам и сдуются (меньше всего ослабится первый кратный резонанс, равный удвоенной частоте основной моды), а третьей стенки-то и нету.
Третий вопрос. Почему не сделать ОЯ в виде апериодической нагрузки: довольно длинный ящик с увеличивающейся к выходу плотностью ЗПМ и без задней стенки?
Та там вариантов пруд пруди.
Делал такой ящик-трубу в надежде, что поглотитель убъет резонансы.
Резонансы остались, а за счет куцего огрызка вместо фронтпанели получил дополнительное уродство . Выкинули в итоге этого франкенштейна.
 
Но почему никто (почти) не рассматривает улучшение свойств ОЯ матрасом/гулей/колбасой ЗПМ-а?
Я пробовал кое-как в том же испытательном ящике с резонансом 500 Гц. Да, даже кое-как прилепленная вата несколько помогает.
Если он в силах прибить межстеночные резонансы в ЗЯ, то кто запретил проделать то же самое в ОЯ?
А многие ли делают эти самые ОЯ??
Второй вопрос. Разве нельзя впиндюрить по диагонали картонку на всю ширину боковинок? резонансы по двум координатам и сдуются (меньше всего ослабится первый кратный резонанс, равный удвоенной частоте основной моды), а третьей стенки-то и нету.
Логично, но надо делать, пробовать. Желают этим заниматься не только лишь все.
Третий вопрос. Почему не сделать ...
Та там вариантов пруд пруди.
Почему да почему?? Никому не надо, вариантов много и микрофон очень сильно поможет, но делать никто не хочет тех кто делает раз и обчёлся. Вон Мешин за всех отдувается (он не один), работает как Стаханов. Прям конвейер, и как не надоест...
Ну и желающих делать щит-ОЯ примерно столько же.
Почему?
- МАЛАБАСА (главная причина),
- много места занимают.
Ну и желательны всё-таки старые динамики делавшиеся для ОЯ - это высокая добротность, не слишком низкий резонанс + возможность работать без пружины воздуха в ЗЯ, без выпрыгивания из зазора, хорошее качество звучания на СЧ (голос, инструменты), повышенная чувствительность позволяющая работать от лампового однотакта и не мощных усилителей на германии и к тому же не всякая музыка на этом будет хорошо звучать. Колбасы и дикотэки не получится.
Скорее всего я ошибаюсь, но при испытаниях в пробном ОЯ из картона, старьё звучало лучше, хотя у новых динамиков АЧХ ровнее...
Не раз отмечал такое: АЧХ хорошая, всё вроде правильно, а звук не радует.
 
Не раз отмечал такое: АЧХ хорошая, всё вроде правильно, а звук не радует.
К примеру, как прямая АЧХ может радовать мой слуховой аппарат, когда у меня с 6 килогерц начинается небольшой завал до 8, потом ровная линия до 13 и далее сильный спад, с 1кГц до 4 присутствует подъём сверх нормы.
По НЧ с 40 тоже спад, чем ниже тем больше. Поэтому и накручиваю себе параболу и только тогда могу воспринимать звуковую информацию в полном объёме.
Пробовал 2 недели слушать ровную АЧХ, чуть адаптировался но до конца не смог привыкнуть.
К тому же кривые равной громкости имеют место быть.
 
Камрады, ещё один вопрос, возможно глупый, не плюйтесь: возможно ли избавиться от родных крепёжных ушей и закрепить динамики с лицевой стороны щита? Как лучше это организовать? Портят весь вид эти уши. Можно фрезернуть щит и утопить их, потом закатать под плёнку, но вдруг ппонадобится ремонт или замена дина.

2779.jpg
 
Последнее редактирование:
К примеру, как прямая АЧХ может радовать мой слуховой аппарат, когда у меня
Ну возрастные и профессиональные изменения слуха - отдельный разговор, для этого и делаем для себя, как нравится, а не для дяди.
Но я имел в виду немного другое - локальные неравномерности, вероятно вызванные лёгкими и тонкими, а значит и "ломкими" диффузорами, но в силу лёгкости обладающими хорошей динамикой и отдачей, но сдувающимися при повышении мощности.
Потом (может ошибаюсь) стали делать более толстые и прочные, но тяжёлые диффузоры "утюги" с худшей динамикой, но способные выдерживать бОльшие подводимые мощности, АЧХ у них имеет меньше локальных неравномерностей, при этом плавные неравномерности могут быть немалые.
Вероятно, таким примером могут быть 15ГД-11. Да, они выдерживают немалую мощность, но звуки голоса через них не впечатляют. Это хорошая поддержка для 75ГДН.
И смешно, но я не могу с ходу назвать несколько моделей хороших СЧ динамиков. Несомненно таких много среди импорта, но как-то мимо меня, а интересны не такие СЧ динамики как 4ГД-6 (на мой взгляд маловаты, а для СЧ размер имеет значение), и не 8 дюймов на СЧ - это уже многовато, а размер 5...6,5 дюймов. В этом размере есть кое-что советское, но это не СЧ, а скорее НЧ динамики типа 10ГД-34 у которых и бас так себе, и СЧ - "спасибо, не надо". Понятно что я профан в этом деле раз не понимаю почему не видно хороших СЧ динамиков для трехполосок.
Должно быть что-то типа 2ГД-40 но помощнее и лучше не эллипс.
Пробовал 2 недели слушать ровную АЧХ, чуть адаптировался но до конца не смог привыкнуть.
Значит и не надо, а коррекцию удобнее делать в усилителях.
В слуховых аппаратах это норма и правильно надо настраивать под конкретного человека что вполне реально особенно если заранее снять аудиограмму слуха, не помню как называется.
А почему нельзя для себя добавить блок с фиксированной коррекцией? Причем с переключателем: "для всех" и "для себя".
Вот Пасс не стесняется делать что ему нравится и сделал что-то подобное несложным активным фильтром. Хочешь - включай.
В простейшем (ничего изобретать и паять не надо) случае - отдельный эквалайзер.

возможно ли избавиться от родных крепёжных ушей и закрепить динамики с лицевой стороны щита?
А зачем себе усложнять жизнь? Уши - это хорошо и удобно.
Портят весь вид эти уши.
Поставьте рамочку с акустической тканью снаружи.
 
А зачем себе усложнять жизнь? Уши - это хорошо и удобно.

Поставьте рамочку с акустической тканью снаружи.
Рамочку с тканью думал сделать и одевать при хранении, а при прослушивании - снимать.

Нашёл у себя ещё пару 5гдш-4-4. Но они не пара к 4гд-35?

2780.jpg
 
Последнее редактирование:

Статистика форума

Темы
3,313
Сообщения
264,649
Пользователи
2,551
Новый пользователь
Александр Н.
Назад
Сверху Снизу