Sirius
1 ранг
- Регистрация
- 15 Мар 2023
- Сообщения
- 1,320
- Реакции
- 1,257
- Баллы
- 61
- Страна
- Украина
- Город
- Одесса
- Имя
- Александр
В размере 5" тоже не нашел из доступного. Есть варианты 2-3" у китайцев на пластике, относительно доступные. Но еще провожу исследования, измерения и прослушивание.Потом (может ошибаюсь) стали делать более толстые и прочные, но тяжёлые диффузоры "утюги" с худшей динамикой, но способные выдерживать бОльшие подводимые мощности, АЧХ у них имеет меньше локальных неравномерностей, при этом плавные неравномерности могут быть немалые.
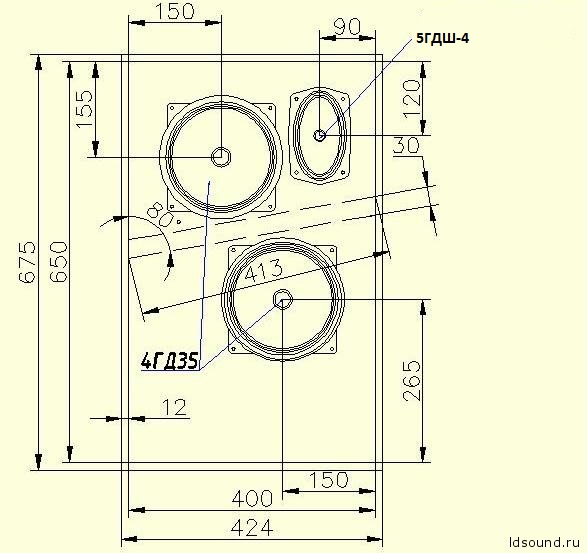
Вероятно, таким примером могут быть 15ГД-11. Да, они выдерживают немалую мощность, но звуки голоса через них не впечатляют. Это хорошая поддержка для 75ГДН.
И смешно, но я не могу с ходу назвать несколько моделей хороших СЧ динамиков. Несомненно таких много среди импорта, но как-то мимо меня, а интересны не такие СЧ динамики как 4ГД-6 (на мой взгляд маловаты, а для СЧ размер имеет значение), и не 8 дюймов на СЧ - это уже многовато, а размер 5...6,5 дюймов. В этом размере есть кое-что советское, но это не СЧ, а скорее НЧ динамики типа 10ГД-34 у которых и бас так себе, и СЧ - "спасибо, не надо". Понятно что я профан в этом деле раз не понимаю почему не видно хороших СЧ динамиков для трехполосок.
5" дюймов собирал на раме 10гд-34 с МС от 35гдн с легким диффузором из новодела на пене. Звук получился яркий, но из-за того что диффузор тонкий его ломает уже с 2,5-3 кГц. Сейчас эксплуатируется в составе 3х полоски в корпусах Романтики-121.
В тоже время, китайские 2 и 3" с пластиковым диффузором начинает ломать много выше, там где слух не такой разборчивый. Оттого звук мягкий и слитный.




Ожила тема


