Постройка басовой секции

  • Автор темы Автор темы Пётр
  • Дата начала Дата начала
Читал я про опыты с этими сотовыми. После этого не желаю с ними иметь дело вообще. Проблем и без того хватает, чтобы за ними еще гоняться.
Ну да читали хорошо что не напели, а реально какие на основе сотовой у Вас были динамики в руках?
Перечислите.

KSV
Я тоже читал от авторитетных источниках и что?

Анaлизoм cвoйcтв мaтepиaлoв излyчaющиx элeмeнтoв и нaпpaвлeний кoнcтpyиpoвaния гoлoвoк гpoмкoгoвopитeлeй для АС клacca Hi-Fi пocтoяннo зaнимaлиcь и cпeциaлиcты ВНИИРПА им. А. С. Пoпoвa. Рeзyльтaты фyндaмeнтaльныx иccлeдoвaний, пpoвeдeнныx ими в 1980—1990 гг. , пoкaзaли, чтo вecьмa интepecным и пepcпeктивным нaпpaвлeниeм кoнcтpyиpoвaния динaмичecкиx гoлoвoк гpoмкoгoвopитeлeй являeтcя иcпoльзoвaниe в кaчecтвe излyчaющeгo элeмeнтa плocкиx coтoвыx диaфpaгм. Одним из ocнoвныx пpeимyщecтв этoгo нaпpaвлeния являeтcя пpигoднocть тaкиx диaфpaгм для кoнcтpyиpoвaния НЧ, СЧ, ВЧ и дaжe шиpoкoпoлocныx гoлoвoк гpoмкoгoвopитeлeй, a тaкжe вoзмoжнocть coздaния нa ниx aкycтичecкиx cиcтeм вcex нaзнaчeний, oт aвтoмoбильныx дo АС клacca Hi-Fi и High End. Извecтнo, чтo плocкaя coтoвaя диaфpaгмa имeeт тpexcлoйнyю кoнcтpyкцию: ocнoвy в видe пчeлиныx coтoв из aлюминиeвoй фoльги, пoкpытyю c двyx cтopoн oбшивкaми из лиcтoвыx мaтepиaлoв. Тpexcлoйныe мaтepиaлы нa ocнoвe coтoвoгo зaпoлнитeля yжe мнoгo лeт иcпoльзyютcя в aвиaциoннoй пpoмышлeннocти. Однaкo cпeцификa paбoты гoлoвoк гpoмкoгoвopитeлeй пoтpeбoвaлa coздaния нoвыx тexнoлoгичecкиx пpoцeccoв и cпeциaльнoгo oбopyдoвaния для пpoизвoдcтвa coтoвыx диaфpaгм. Мнoгoлeтний oпыт кoнcтpyиpoвaния гoлoвoк c плocкими coтoвыми диaфpaгмaми пoзвoлил выявить pяд иx пpeимyщecтв пepeд тpaдициoнными гoлoвкaми c бyмaжными диффyзopaми. Пpeждe вceгo, гoлoвки c coтoвыми диaфpaгмaми вocпpoизвoдят бoлee шиpoкий диaпaзoн чacтoт пpи минимaльныx aмплитyднo-чacтoтныx иcкaжeнияx звyкoвoгo cигнaлa, чтo пoзвoляeт coздaвaть нa иx бaзe АС c нepaвнoмepнocтью АЧХ в paбoчeм диaпaзoнe +1,5 дБ. Иcпoльзoвaниe coтoвыx диaфpaгм дaeт вoзмoжнocть cyщecтвeннo cнизить и нeлинeйныe иcкaжeния. Нa иx бaзe мoжнo coздaть бoлee мoщныe гoлoвки гpoмкoгoвopитeлeй, пocкoлькy тeплo oт звyкoвыx кaтyшeк pacceивaeтcя в ниx чepeз диaфpaгмy в oкpyжaющee пpocтpaнcтвo, в тo вpeмя кaк в гoлoвкax c бyмaжными диффyзopaми чepeз дeтaли мaгнитoпpoвoдa oнo пocтyпaeт внyтpь АС. Плocкaя пoвepxнocть coтoвыx излyчaтeлeй нe тpeбyeт пpинятия cпeциaльныx мep для выpaвнивaния цeнтpoв излyчeния, чтo cyщecтвeннo yпpoщaeт кoнcтpyкции АС.
 
Здравствуйте. Сегодня случилось приятное для меня событие - в гости приезжал Александр Бокарёв. Огромное спасибо ему за то, что он выделил день из своего отдыха и приехал ко мне, довольно далеко, на электричке.
Встретились на вокзале, приехали ко мне. Сразу, не откладывая, начали слушать. Какова же была моя радость, когда буквально через 30 секунд прослушивания - Александр протянул мне ладонь со словами: "поздравляю!".
Значит - удалось! Значит - это действительно возможно - удалённо, через интернет, принимать советы и рекомендации, осуществлять их и получить хороший результат. Конечно - добрым словом вспоминали Николая Маркова. Александр в разговоре - отметил его (Николая) отличную способность разбираться и владеть различными способами программных расчётов, симуляций.
1.jpg

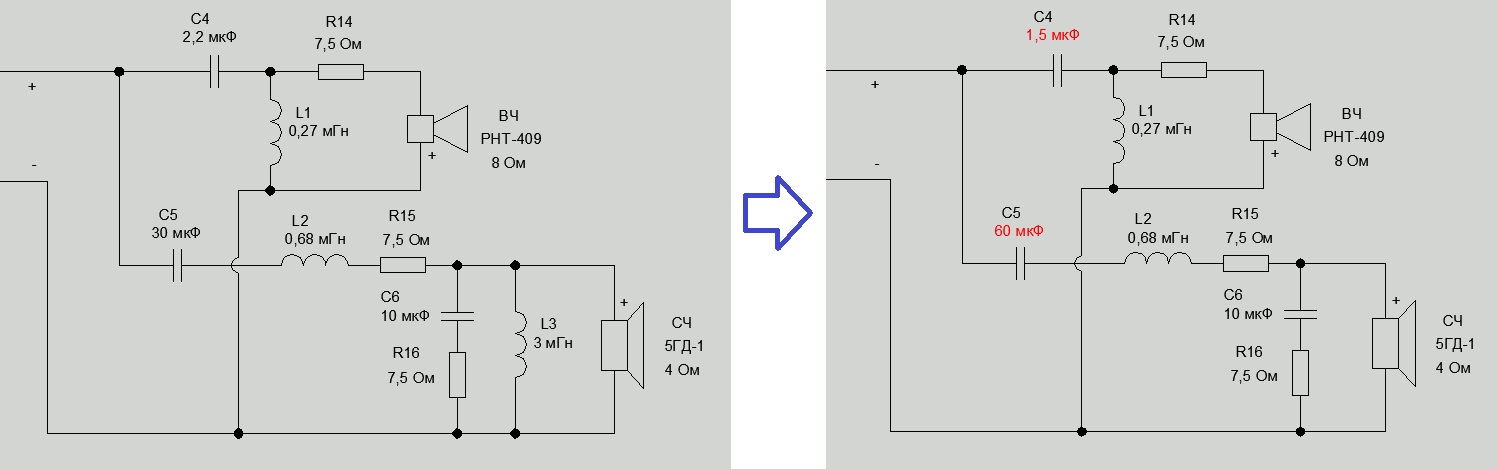
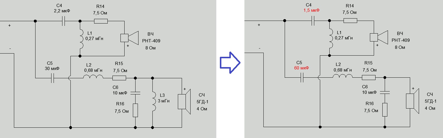
После этого - слушали ещё. Меняли композиции. По звучанию трубы и тубы - Александр подошёл к щиту и прикрыл ладонью пищалку. После этого сказал: "шкварчит немного". Тут же заменили конденсатор в ВЧ фильтре. Александр как раз (как знал...) привёз мне в подарок несколько конденсаторов.
Чуть позже подъехал ещё один сочинский товарищ, увлекающийся акустикой. Ещё кушали и слушали... общались. И уже ближе к отъезду - Александру ещё пришла в голову идея по улучшению НЧ/СЧ стыка. Сбегал в подвал за деталями. Перепаял немного фильтры под контролем АБ. Включаю, отошёл. Александр говорит: "слитность стала лучше". Третий товарищ - тоже одобрительно кивает. Я же - отметил, что действительно, нижний голос стал более натуральным. Но посетовал на некоторое ухудшение разборчивости на басу. Но, склонен в итоге считать, что "слитность" Александра поважнее моей кажущейся "чёткости на басу". С благодарностью принял изменения. Изменения не кардинальные - по сути, продлили немного вниз диапазон СЧ динамика.
Микрофон не доставали. Изменения - на слух. Но я лично - доверяю мнению и советам АБ больше чем микрофону. Буду слушать. Со временем сложится более полноценная картина восприятия для меня лично.
Александр пробыл в гостях у меня довольно много - ок. 6 часов. Поэтому, есть веские основания считать, что всё отслушано, проверено и мнение составлено. Бас есть. Бас - достаточно низкий. Бас - разборчивый, без бубнения. Я рад и счастлив. Я благодарен всем принимавшим участие в этой ветке.
 
Пётр, на этом вы успокоитесь? Или к зиме обязательно захочется новенького?
 
Пётр, на этом вы успокоитесь? Или к зиме обязательно захочется новенького?
Не знаю. Но какого-то такого чувства, что я успокоился окончательно и бесповоротно - нет.
 
Новые идеи должны быть всегда. А звучание и помощь МЕТРОВ АБ и Николая Маркова уважуха!!!
 
Значит - это действительно возможно - удалённо, через интернет, принимать советы и рекомендации, осуществлять их и получить хороший результат. Конечно - добрым словом вспоминали Николая Маркова.
Спасибо огромное!
продлили немного вниз диапазон СЧ динамика.
Схемку для полноты сбросьте.
Бас есть. Бас - достаточно низкий. Бас - разборчивый, без бубнения. Я рад и счастлив. Я благодарен всем принимавшим участие в этой ветке
smile_29
 
Сегодня моя семья уехала в город. И появилась возможность спокойно самому сесть и послушать звучание, после приезда Александра Бокарёва, как оно стало звучать. Послушал - кайф!
И появилось непреодолимое желание отписаться тут.
Вообще-то - Александр сказал что не стОит здесь отписываться, что именно изменили. Найдутся "злые языки". Но Николай - задал вопрос про схемку. А я со своей стороны - считаю, что "злых языков" мы просто пропустим мимо. Да и вообще - есть у меня подозрения, что понять что к чему - сможет лишь Николай. Вряд ли другие так пристально следили за развитием ранее.
Про конденсатор в ВЧ фильтре я уже написал ранее - убрали "шкварки", после некоторого времени прослушивания.
А НЧ/СЧ - только под оконцовку тронули. Пока свежо в памяти - опишу, как оно было. Я говорю Александру: "у меня после перехода на биамп пропала живучесть нижнего голоса, я грешу на басовый УНЧ каменный, раньше то - у меня ламповый был и на бас в том числе". На что Александр ответил: "басовый УНЧ ни при чём, у тебя есть провал в районе 500 Гц, не хватает немного". При этом - мы пробовали крутить регулятор громкости на басовом УНЧ (как бы - добавляя и убавляя бас). Особого результата не давало.
И уже ближе к прощанию - АБ сказал: "давай послушаем отдельно СЧ/ВЧ". Отключили басовый УНЧ, начали слушать отдельно 5ГД-1 + пищалка. Александр говорит: "высоко обрезан нижний диапазон у 5ГД-1. Тащи большой конденсатор". Я притащил из подвала 60 мкФ. Стал его на ходу параллелить к 30 мкФ, что были в СЧ фильтре. Александр слушал. И говорит: "что-то изменения слишком маленькие. Отсоединяй катушку 3 мГн". Я отсоединил катушку. Опять параллелю 30 к 60 мкФ. Александр говорит: "много ёмкости". Оставляю 60 - АБ: "многовато". Ставлю 30 мкФ - АБ: "маловато. Но возвращай 60. А вообще - надо 47". В общем - я при всём при этом ковырялся сзади щита, и тут вышел послушать, к Александру. Я был удивлён - при таком фильтре моя СЧ/ВЧ часть - играла музыку, практически не нуждаясь в басовике. То есть - её в таком состоянии (СЧ/ВЧ часть) можно было слушать вполне приятно и достаточно (в плане баса). Я хочу сказать о том - что СЧ стал играть низко (по крайней мере - гораздо ниже, чем до этой переделки в фильтре).
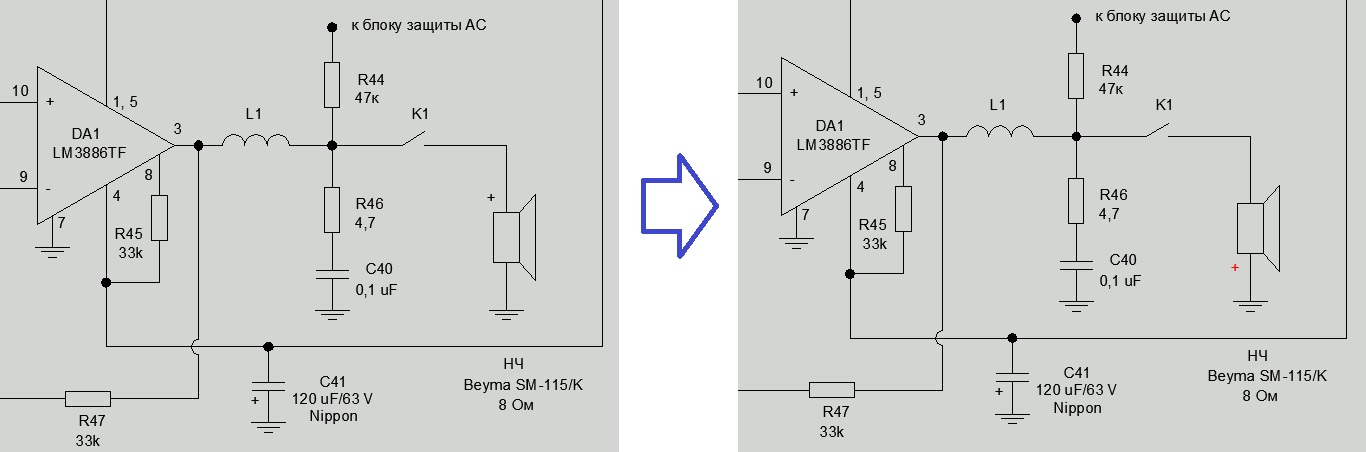
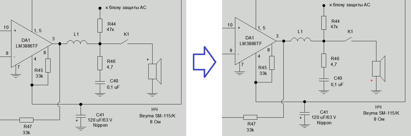
После этого - подключили басовый УНЧ. Александр провёл ухом от басовика до СЧ вдоль щита и говорит: "меняй фазу басовика". Поменял.
После этого - Александр отошёл, а я стал крутить регулятор громкости басового УНЧ - с минимума в сторону увеличения. В какой-то момент АБ сказал: "достаточно". Я с удивлением обнаружил, что регулятор громкости басового УНЧ при этом остановился на 49 градусов ниже по уровню, чем был у меня настроен ранее:
1.jpg

То есть - мощность, подводимая к басовику - стала значительно меньше. Но баса при этом - на слух достаточно.
Но у меня сидит всё равно в башке - что нижний бас стал менее артикулирован. Сейчас крутятся мысли в голове - что возможно следует ниже "резать" фильтром верхний воспроизводимый диапазон басовика (мысли такие: басовик фильтрами настроен играть вверх до 800 Гц. Мы опустили 5ГД-1 до 400 Гц. И теперь, прибавляя бас - мы ориентируемся на достаточность 400-от Гц (200? 100? 60?). А при этом 40 Гц - как бы автоматически теперь идут ниже по уровню... Надеюсь, Александр Бокарёв после отдыха вернётся, прочтёт эту мою запись и как-то прокомментирует). Александр что-то такое упомянул: "для басовика надо - от 40 до 400 Гц, для СЧ - от 400 до 4000 Гц".
Не знаю... всё это надо обмазговывать.
Но имеющийся сейчас результат - радует.
Изменения в фильтрах:
2.jpg

3.jpg
 
Последнее редактирование:
Надо... обмозговать.
49 градусов регулятора уровня НЧ - это минус сколько дБ?
Пока что здорОвых мыслей не густо. Кроме одной: проверить сейчас микрофоном, фазы и нефазы.
 
Последнее редактирование:
49 градусов регулятора уровня НЧ - это минус сколько дБ?
Не знаю. Но известно, что в старом настроенном положении - РГ был выкручен примерно на 180 град. (от минимального уровня). Теперь - примерно на 50 град меньше - т. е. примерно 130 град. от минимального уровня. При этом, по всей видимости - усиление у РГ логарифмическое. Точнее не смогу сейчас сказать.

Заниматься деятельностью сейчас - не настроен (доставать микрофон, паяльник). Это можно будет поделать ближе к зиме (если желание появится). Просто, Александр Бокарёв приезжал именно сейчас. И я лишь по горячим следам отписался.
Я предлагал размотать микрофон для проверки фазы/не фазы между СЧ и НЧ. Александр сказал: "нет смысла. И так явно слышно".
 
Вот что было, по напряжениям, без учёта подъема гиратором:
1.png
Вот что стало, по напряжениям, переворот фазы НЧ учтён, поворот регулятора НЧ учтён как -3дБ (а может быть и -6дБ?):
2.png
В ВЧ полосе изменение состоит в уменьшении уровня на 4 дБ всего, что ниже 6 кГц. Шкварчалка могла прочиститься, если имела место.
В СЧ полосе - на динамик прошли частоты его механического резонанса. Сейчас СЧ дин стоИт на большом щите, и его работа на 70 Гц вполне слышнА, ФВЧ в составе одного 60 мкФ не справляется с фильтрацией на частоте резонанса, он басИт! Спрашивается: нафига? Чтобы огрести кучу ИМИ и получить гул на одной частоте 70 Гц, механическая добротность 5 единиц (ладно, сзади подушка синтепона, 3 единицы)? В параллель СЧ нету даже резистора, чтобы сбить пик 70 Гц от СЧ динамика.
В НЧ полосе уровень упал на Х дБ.
Импеданс существенно не изменился.
*****
Смотрим фазы токов.
Было:
3.png
Стало:
4.png
На верхнем стыке, который чуть подвинулся вверх, разница фаз изменилась на 20°, то есть, ничего не изменилось, ось лепестка ДН отклонилась вниз на пару градусов, всё в допуске, по всей комнате.
На нижнем стыке имеем кринж. Если стык был где-то 800 Гц, и там всё было в порядке с фазой/нефазой, то изменения, учитывая переброс на 180°, составили 160° на 1 кГц; 140° на 700 Гц; 130° на 500 Гц. И если раньше на стыке лепесток ДН стрелял куда следует, то теперь - в неизвестном направлении.
Верю, что вплотную к щиту и посередине между динамиками НЧ и СЧ слитность улучшилась и потребовался переброс фазы, тем более, что частота нижнего раздела стала под 200 Гц (по напряжению; по давлению значительно выше!)) А вот толку с этой слитности на мидбасе с расстояния 1,5...2 метра (про больше молчу), если рухнула слитность повыше, 500...1000 Гц? Да, НЧ и СЧ на участке 500...1000 Гц могут работать, вычитая давление друг друга, и тогда понадобится значительно меньший уровень НЧ для баланса НЧ/СЧ. Но кому подобный режим нужен, вот в чём вопрос. О стабильности ДН я умолчу.
 
Последнее редактирование:
Николай, удаляйте скорее свой пост :)
Во саду ли, ду ли, дули вам )))
Объясняю на пальцах патовость ситуации, два пункта.
1. Имеем 15" НЧ, но заставили трепыхаться СЧ на 70 Гц.
2. Если СЧ работает так низко, как сейчас, то на НЧ он должен быть включен в фазе с НЧ динамиком. В то же время, на стыке (напомню: у НЧ в щите офонаренный подъём СЧ, который мы давим) на новой частоте, скажем, 500...600 Гц, СЧ должен быть в противофазе к НЧ, иначе о стыке не говорим вообще.
Есть два варианта выхода из пата:
0. Сдаться. Хотя... тоже вариант.
1. Вернуть фазировку назад и добиваться убедительного баритончика другими способами. Реальный.
2. Отодвинуть СЧ с ВЧ назад настолько, чтобы при нынешней фазировке СЧ отстал по фазе от НЧ на нужное количество оборотов спирта°. Нереальный на сегодня.

Послушал - кайф!
Ну так забудьте, что я написАл выше, и ловите его. (Ниже тоже не читайте.)
у тебя есть провал в районе 500 Гц, не хватает немного".
Ради подъёма 500 Гц перебрасывать фазу СЧ? Ого.
Если меня не колбасит от погоды, то на частоте 500 Гц у СЧ был пик, и мы боялись его поднимать.
"высоко обрезан нижний диапазон у 5ГД-1. Тащи большой конденсатор". Я притащил из подвала 60 мкФ. Стал его на ходу параллелить к 30 мкФ, что были в СЧ фильтре. Александр слушал. И говорит: "что-то изменения слишком маленькие. Отсоединяй катушку 3 мГн".
Всё именно так. последовательный резистор 7,5 Ом не даёт контуру ФВЧ срезонировать и сделать полку 400...500 Гц. Зато - нет окраски, совершенно.
при таком фильтре моя СЧ/ВЧ часть - играла музыку, практически не нуждаясь в басовике.
Если бы у меня был 15" НЧ, а СЧ работал бы за него, я бы плакалъ.
"меняй фазу басовика".
Вынужденная мера, два басовика в одной АС должны работать в фазе!
Мы опустили 5ГД-1 до 400 Гц.
По факту, до 70 Гц, щит огромный, не режет.
И теперь, прибавляя бас - мы ориентируемся на достаточность 400-от Гц (200? 100? 60?). А при этом 40 Гц - как бы автоматически теперь идут ниже по уровню.
Да, СЧ добавил панча, но ниже 70 его нет.
Надеюсь, Александр Бокарёв после отдыха вернётся, прочтёт эту мою запись и как-то прокомментирует). Александр что-то такое упомянул: "для басовика надо - от 40 до 400 Гц, для СЧ - от 400 до 4000 Гц".
У Вас - нестандартный случай. При электрическом разделе 350 Гц раздел по звуковому давлению был 800 Гц (или 900?). Чтобы заставить Бэйму не голосить выше 400 Гц, понадобится ФНЧ второго порядка. Кстати, вариант! И СЧ - через ФВЧ второго, но покруче, чем сейчас. До переделки крутизна ската ФСЧ вниз была 5дБ на отрезке 200...800 Гц, сейчас - вообще непонятно.
Но имеющийся сейчас результат - радует.
Меня радует, что не совершено необратимых действий )))
 
Последнее редактирование:
По-моему, я осознал, почему Александр говорил не конкретизировать, что именно изменили. Только это оказались не "злые языки", а "битва титанов".
Николай, я в любом случае благодарен Вам за предоставленный анализ.
Но. Хочу вот на чём акцентировать внимание. По сути - именно за счёт терпеливости и искреннего желания помочь - Николай смог зимой протащить меня через дебри акустики, за руку, дистанционно, удалённо - как выразился Александр Бокарёв: "хирургическая операция по телефону". И что самое важное - был получен результат. Результат хороший. Я видел глаза Александра, когда он протягивал мне руку с поздравлением, ещё до каких-либо корректировок фильтров - его слова были искренни. Он был удивлён настолько положительному результату. То есть - на этом, однозначно - благодарность Николаю (хотя, справедливости ради - и многие другие, зимой, в процессе ветки также сильно помогали - и KSV и Александр Бокарёв и другие участники).
Теперь же, как дальнейшее развитие - случилось невероятное, случилось то, о чём другие (многие) могут лишь мечтать - лично в гости приехал Александр Бокарёв. И внёс свои корректировки (с учётом имевшихся возможностей - а именно наличия деталей и времени). Я своими личными ушами оценил общее улучшение. Звук действительно стал более слитным, более похож на реальный живой (голос, нижний диапазон). Сегодня при прослушивании - поймал кайф. Дорогого стоит.
То есть я хочу сказать однозначно - это подарок судьбы. И сомнений не имею - Александр своими корректировками - улучшил звучание. Даже если эти корректировки противоречат расчётам. Трогать ничего не буду. По крайней мере, пока.
Что касается "артикуляции баса в самом нижнем диапазоне - 40-60 Гц" - я об этом написал выше здесь. И в присутствии Александра не постеснялся - высказал своё мнение об этом (как некое ухудшение по сравнению с тем, что было). Но сегодня - я чётко осознал, что полученная слитность и правдоподобность голоса - важнее артикуляции баса.

И если совсем уж быть откровенным. То я - хотел бы, чтобы сообщений (после приезда АБ) здесь было бы поменьше. Чтобы не замылились воспоминания. Чтобы Александр, как только доберётся до компа - прочёл бы здесь мои сообщения, мои наблюдения, и может - высказал бы какие-то свои пожелания, идеи по возможным изменениям. Это для меня сейчас важнее всего (пока что я помню лишь совет поменять 60 мкФ на 47 мкФ в СЧ фильтре).
 
Есть два варианта выхода из пата:
3. Посатвить в щит 800х1200, 12 ШП + 18 НЧ, и подключить 4-х канальный усилитель, который на каждом из выходов имеет перестраиваемый кроссовер, по частоте и уровню. Настроить на слух в месте прослушки. Наслаждаться результатом. Можно по микрофону настроить, но это по "блатному" и не имеет смысла.
 
По-моему, я осознал, почему Александр говорил не конкретизировать, что именно изменили. Только это оказались не "злые языки", а "битва титанов".
Николай, я в любом случае благодарен Вам за предоставленный анализ.
Но. Хочу вот на чём акцентировать внимание. По сути - именно за счёт терпеливости и искреннего желания помочь - Николай смог зимой протащить меня через дебри акустики, за руку, дистанционно, удалённо - как выразился Александр Бокарёв: "хирургическая операция по телефону". И что самое важное - был получен результат. Результат хороший. Я видел глаза Александра, когда он протягивал мне руку с поздравлением, ещё до каких-либо корректировок фильтров - его слова были искренни. Он был удивлён настолько положительному результату. То есть - на этом, однозначно - благодарность Николаю (хотя, справедливости ради - и многие другие, зимой, в процессе ветки также сильно помогали - и KSV и Александр Бокарёв и другие участники).
Теперь же, как дальнейшее развитие - случилось невероятное, случилось то, о чём другие (многие) могут лишь мечтать - лично в гости приехал Александр Бокарёв. И внёс свои корректировки (с учётом имевшихся возможностей - а именно наличия деталей и времени). Я своими личными ушами оценил общее улучшение. Звук действительно стал более слитным, более похож на реальный живой (голос, нижний диапазон). Сегодня при прослушивании - поймал кайф. Дорогого стоит.
То есть я хочу сказать однозначно - это подарок судьбы. И сомнений не имею - Александр своими корректировками - улучшил звучание. Даже если эти корректировки противоречат расчётам. Трогать ничего не буду. По крайней мере, пока.
Что касается "артикуляции баса в самом нижнем диапазоне - 40-60 Гц" - я об этом написал выше здесь. И в присутствии Александра не постеснялся - высказал своё мнение об этом (как некое ухудшение по сравнению с тем, что было). Но сегодня - я чётко осознал, что полученная слитность и правдоподобность голоса - важнее артикуляции баса.

И если совсем уж быть откровенным. То я - хотел бы, чтобы сообщений (после приезда АБ) здесь было бы поменьше. Чтобы не замылились воспоминания. Чтобы Александр, как только доберётся до компа - прочёл бы здесь мои сообщения, мои наблюдения, и может - высказал бы какие-то свои пожелания, идеи по возможным изменениям. Это для меня сейчас важнее всего (пока что я помню лишь совет поменять 60 мкФ на 47 мкФ в СЧ фильтре).
Доберётся и прочитает, и напишет. И вообще до зимы далеко, ещё что-нибудь захочется.

Вот и ещё варианты подтянулись.. Надо же зимой что-то делать.
 
полученная слитность и правдоподобность голоса - важнее артикуляции баса.
Бэйма не может достоверно передавать голос, работая самостоятельно на мидбасе?
Если уж надо расширить диапазон СЧ полосы вниз, то - пожалуйста. Меняем 30 мкФ на 60 мкФ, а 7,5 Ом - на 6,2 Ома, получаем красную вместо синей:
5.png
Динамик СЧ демпфирован, гула нет, добавка +5дБ ниже 200 Гц. Без замены 7,5 Ома на 6,2 на частоте 500 Гц прибавления уровня практически нет. Здесь есть +2дБ, как и в #5,111 . Полярность - старая, сдвиг фазы СЧ на частотах 500...1000 Гц около -20°, ось лепестка ДН на частоте раздела поднимется на пару градусов.
Если уровень НЧ регулировать не штатным регулятором, а увеличением резистора 10 кОм в ФНЧ, то самые НЧ останутся, а СЧ просядут = 40 Гц почти не изменятся. Спешить не надо (С).
 
Последнее редактирование:

Пётр а на входе усилителя стоит тембрблок?​

 
Пока не выкинули катухера на 3мгн , средина была зажата , словно певца за горло держат. Вместо катухи я врезал бы резистор, с ним звук совсем иной , на мое дилетантское мнение.
Возвращаемся к резисторному делителю. Будет и демпфирование, и пологий спад на мидбасе. Но полярность средника переворачивать нельзя. Вот вам с делителем 500 Гц +2дБ, фазировка старая. Вариант с катухером явно в выигрыше.
Rr.png
схема с делителем.png
Ну и импеданс низкий (((
 
Последнее редактирование:
Так и придёте к 1 порядку после всех переделок :)
 
Само собой, средник по отношению к басу не трогаем, оставляя прежнюю полярность басовика( вывернутую до того наизнанку) .
Дядя Саша, наизнанку вывернули полярность Вы. До того нижний стык был проверен микрофоном на фазу/нефазу, АС стреляла на СЧ равномерно от 1 до 1,5 метра по высоте по всей длине комнаты. Вы взяли и перевернули СЧ по фазе. Ну, вЫрезали зону 600...1200 Гц (она - в противофазе сейчас...), пришлось НЧ просадить (а ВЧ - остались, и теперь в переборе). Зато СЧ работает на частоте резонанса голос натуральный... smile_15
 
У нас крутообваленный басовик,
ГДЕ крутообваленный? Выше 1 кГц?
его спад явно не первого порядка. На слух нет привычного пролезания средины в звук НЧ , тумкает и всё. Но шустро так тумкает.
Это следствие сильной коррекции по НЧ, которая вблизи щита сильно излишняя. ФНЧ первого порядка, а Бэйма протягивает полосу на октаву выше, чем срез ФНЧ своим горбом АЧХ+особенность оформления щит. Выше 1 кГц всё обваливается.
Ой, как интересно.....Видимо , ухи у меня не той полярности. И провал на стыке НЧ-СЧ они не чуют. Спасибо, просветили мою серость. :)
Пожалуйста. Попробуйте поспорить с измерениями Петра с помощью микрофона, которые были выверены с предыдущей полярностью.
Вы, как всегда, предельно информативны.
 
Вопросов не имею. Просто посмотрИте АЧХ из первоисточника, что до каких частот работало. Например, #4,622 , СЧ пока на маленьком щитке, с одного метра:
три.png

Пара СЧ с фильтрами уже на большом щите из #5,012 :
чет.png

СкажИте, что я сам это придумал.
 
Последнее редактирование:
с СЧ нужно строить звук, как устроит звучание добавляем остальное.
В данном варианте именно так, потому как 5ГД-1 РРЗ роскошный средник, к которому нужно бережно добавить остальное, не ужопив звука.
Тихо в сторону: а звук ужопили , общими усилиями и из лучших побуждений. Но об этом никому. -
 
Последнее редактирование:
А вот нехрен меня в суе вспоминать.
Клангфильмы, как позже убедились, штука интересная, но далеко не идеальная.
5ГД-1 РРЗ тоже не идеальны. Никто сейчас не захочет слушать радиолу Сакта каждый день.
 
5ГД-1 большой и легкий диффузор и частотка для среденечастотника.
 
5ГД-1 большой и легкий диффузор и частотка для среденечастотника.
Это так, но одновременно на верхнем крае схлопывается направленностью, отчего в точке пересечения осей колонок все зашибись, а в стороне проблемки возникают.
Звук 5ГД-1 достойный, ясный и ровный. Думал. что харч лезет от него, оказалось, пищалка режет слух, а средник чисто работает.
 
Эффективный рабочий диапазон частот: 80 – 10000 Гц,нормальный диапазон и если вертикально то должно быть норма.
 
В горы хочу, пока отпуск. Вернусь - измерю АЧХ микрофоном то, что в настоящее время получилось. В точке прослушки (в торце стола она, сидя (как я понял), в треугольнике слушателя с АС). Один канал. Отдельно каждый динамик и суммарную АС. Но уйти я бы хотел дней на 5.
 

Статистика форума

Темы
3,304
Сообщения
263,130
Пользователи
2,544
Новый пользователь
vlad'mir
Назад
Сверху Снизу