Постройка басовой секции

  • Автор темы Автор темы Пётр
  • Дата начала Дата начала
Собрал ФНЧ с участием операционного усилителя, по схеме предложенной Николаем Марковым (для правого канала). Запустил басовик через этот ФНЧ и с помощью эквалайзера АРО на слух нашёл частоту среза снизу для СЧ динамика. При этом, в эквалайзере АРО фильтр для СЧ динамика был задан такой, какой дают два межкаскадных конденсатора (Q=0,5). Далее - Николай посчитал, какие нужны ёмкости межкаскадников, чтобы получить такой же фильтр внутри лампового УНЧ, без участия компьютерного эквалайзера.
Собрал всё в кучу. Теперь, у меня такая ситуация: левый канал остался в старом состоянии. Схема левого канала:
схема сущ.jpg
Заснял измерения. Отдельно басовик зафиксировать не удалось (торопился). На графиках - все три полосы и СЧ/ВЧ.
Для замера басовика в ближнем поле - СЧ прикрывал подушкой. Басовик в ближнем поле:
1 (4).png
Микрофон на 1 м от АС , по высоте - между НЧ и СЧ:
2 (3).png
Микрофон в равностороннем треугольнике с АС, высота ушей сидящего (120 см от пола):
3 (2).png

Правый канал. Мои поиски.
Получившаяся схема:
схема нов.jpg
басовик в ближнем поле:
4 (1).png
1 м от АС, между НЧ и СЧ:
5.png
микрофон в равностороннем треугольнике, 120 см от пола:
6.png

Теперь - имею возможность без участия компьютерного эквалайзера сравнивать на слух левый и правый канал.
 
АЧХ двух имеющихся у меня динамиков 5ГД-1:
первый - https://ldsound.club/attachments/4-png.84004/
второй - https://ldsound.club/attachments/2-png.84144/
синим цветом - АЧХ в упор к динамику (свип-тон)
красным цветом - АЧХ на расстоянии 1 м по оси (розовый шум)

Что касается сравнения предыдущего и нового варианта. Послушал. Расстроился... - так как не услышал преимущества однозначного нового варианта по отношению к предыдущему. Таким образом - ставится под сомнение моя деятельность. Надо будет аккуратно всё обмозговать и ещё послушать, посравнивать. Главное - чувство объективности не потерять.
На данный момент, пожалуй (но не явно) - новый вариант разборчивее играет бас. Но у предыдущего варианта - голос эмоциональнее и натуральнее.
 
Заснял актуальную АЧХ моих экземпляров 5ГД-1.
В моих щитах, в моей комнате.
Микрофон на расстоянии 1 м по оси динамика. Сигнал - розовый шум, сглаживание 1/3 октавы. Динамик подключен к усилителю напрямую (без каких-либо фильтров).
Синим - динамик в левой АС, красным - в правой АС.
1.png
 
Поменял щиты местами. И снова точно так же измерил динамики 5ГД-1 (тот который вчера был левым, сегодня стал правым).
4.png
красная и малиновая, а также синяя и зелёная - один и тот же динамик (это видно по АЧХ выше 4 кГц). Поменяно расположение справа/слева
 
Поменял щиты местами. И снова точно так же измерил динамики 5ГД-1 (тот который вчера был левым, сегодня стал правым).
Посмотреть вложение 122006
красная и малиновая, а также синяя и зелёная - один и тот же динамик (это видно по АЧХ выше 4 кГц). Поменяно расположение справа/слева
То есть, возможные пары красный+синий или зелёный+розовый, нда... Зато понятно, что разницу на частоте 90 Гц даёт левый угол, а холмик 250 Гц - правый угол.
 
Последнее редактирование:
Анекдот навеяло, Брежнев пришел в Кремль , один ботинок черный, другой коричневый. Ему говорят: вы бы вернулись домой, переобулись....-Так я уже был дома, а там такие же стоят, один черный- другой -коричневый!
Аккурат Петин случай.
А если без шуток, то судя по картинкам, у средника яма в важнейшем участке , район килогерца. Эта засада куда важнее вошканья с не тем басом и его достоверностью.
По памяти, с басом там все как надо. А вот срединку надо бы подправить.
Было такое, динамик реагировал на оформление, проблему решили иным размещением его на панели, подальше от полок и стола.
На АЧХ динамика без оформления видна эта ямка, где рядом пара бугорков, выравнивающих провал в некоторой степени, дефицита средины нет. Но решать надо, первым делом выяснить, откуда жаба берется. У 4ГД35 то ж самое только страшнее, причина-подвес .
 

Вложения

  • 5гд1.jpg
    5гд1.jpg
    211.1 KB · Просмотры: 77
Последнее редактирование:
4гд35 и 4гд36 шкварчит с помазанным подвесом, в зажатом ящике(когда гибкость определяется воздухом) и после попыток коррекции перестраиваемым LR фильтром. По АЧХ все вроде норм, а в ухах назойливый харч. Солистов хочется убить. А вот классика, джаз и амбиент - заслушаешься.

ПС Чего абсолютно нет в 4гд8е, там другая проблема - недостаточный хедрум. Поэтому следую вашему совету по отбору динамиков для проекта - сначала послушать, а измерения потом.
 
4гд35 и 4гд36 шкварчит с помазанным подвесом, в зажатом ящике(когда гибкость определяется воздухом) и после попыток коррекции перестраиваемым LR фильтром. По АЧХ все вроде норм, а в ухах назойливый харч. Солистов хочется убить. А вот классика, джаз и амбиент - заслушаешься.

ПС Чего абсолютно нет в 4гд8е, там другая проблема - недостаточный хедрум. Поэтому следую вашему совету по отбору динамиков для проекта - сначала послушать, а измерения потом.
Вспомнил забавный случай. Привезли пару Филипсов 12" , дюалконы. На средине яма, как раз в районе 1, 5 кгц. Конструктив. Нет решения. От нечего делать стал на микрофоне подносить к центру динамика всякие предметы и вдруг сработало, валялся переходник сетевой в виде стаканчика, в дне его отверстия под разные вилки. И этот стаканчик срезонировал аккурат в нужном участке и выровнял звук и АЧХ в идеал.
Уже стал думать про тонкую перекладину над динамиком , на ней этот стаканчик.
Но этих переходников уже давно нет в продаже, закрыли тему, динамики продали.
Вот и подумал: над центром 5ГД-1 повесить "зонтик" , конус с прорезями или отверстиями, на тонкой ножке, контрапертурное тело во всей красе. Обязано сработать.
 
4гд35 и 4гд36 шкварчит с помазанным подвесом, в зажатом ящике(когда гибкость определяется воздухом) и после попыток коррекции перестраиваемым LR фильтром. По АЧХ все вроде норм, а в ухах назойливый харч. Солистов хочется убить. А вот классика, джаз и амбиент - заслушаешься.

ПС Чего абсолютно нет в 4гд8е, там другая проблема - недостаточный хедрум. Поэтому следую вашему совету по отбору динамиков для проекта - сначала послушать, а измерения потом.
Там иначе решалась проблема в 4ГД35 , клеится кольцо на край подвеса и клеем прихватывается первая волна подвеса к краю этого кольца. Провал уходит. была статья в радиве, с замерами до и после. И есть повторившие такую доработку, с АЧХ до-после.
 
Там иначе решалась проблема в 4ГД35 , клеится кольцо на край подвеса и клеем прихватывается первая волна подвеса к краю этого кольца. Провал уходит. была статья в радиве, с замерами до и после. И есть повторившие такую доработку, с АЧХ до-после.
Статья была, провал уходит(свидетельствую), харч на месте!
 
Я растянул график АЧХ 5ГД-1, что выложил Александр Бокарёв, так чтобы совпал масштаб по ось дБ с теми АЧХ, что я намерил со своих динамиков. И наложил.
1.png
 
Я растянул график АЧХ 5ГД-1, что выложил Александр Бокарёв, так чтобы совпал масштаб по ось дБ с теми АЧХ, что я намерил со своих динамиков. И наложил.
Посмотреть вложение 122029
Есть замеры другой пары 5ГД-1, там НЕТ этой дыры на 1 кгц. Так получилось. Но дыра появилась, когда принести колонку на этом динамике, но на низкой подставке. И стол наваливал отражение , образуя яму. Подняли динамик выше-яма ушла.
Проверь в упор к среднику. если яма осталась- причина в динамике. Ушла- оформление и окружение.
ПС. У тебя средник- в яме сидит или снаружи щита?
 
Последнее редактирование:
Вот ачх ТЕХ динамиков из колонки на 5ГД-1 на подставке. Увеличивай и ищи яму.
 

Вложения

  • 5ГД1  РРР  в щитке 40см  над опорой.jpg
    5ГД1 РРР в щитке 40см над опорой.jpg
    181.4 KB · Просмотры: 79
Я растянул график АЧХ 5ГД-1, что выложил Александр Бокарёв, так чтобы совпал масштаб по ось дБ с теми АЧХ, что я намерил со своих динамиков. И наложил.
Посмотреть вложение 122029
Динамики сняты в совершенно разных баффлах (один - без ничего, другой - на приличном щите) и в помещениях с разной реверберацией, приплюсованной к прямой волне (не устану повторять, что отсутствие временнОго окна - неустранимый минус Спектралаба). Однако, наличие ям 700 Гц у одного и 1 кГц у другого 5ГД-1, при одинаковом баффле, которые НЕ пропали при перестановке щитов, говорит о родовой болячке.
У тебя средник- в яме сидит или снаружи щита?
Чтобы получить яму, нужен четвертьволновой колодец. Для 700 Гц нужен колодец глубиной 12 см, для 1 кГц - 9 см...
Вот ачх ТЕХ динамиков из колонки на 5ГД-1 на подставке.
1. Это совершенно другие динамики. 2. О том, что комната реверберацией замазывает ямы на АЧХ, писАл неоднократно.
 
Динамики сняты в совершенно разных баффлах (один - без ничего, другой - на приличном щите) и в помещениях с разной реверберацией, приплюсованной к прямой волне (не устану повторять, что отсутствие временнОго окна - неустранимый минус Спектралаба). Однако, наличие ям 700 Гц у одного и 1 кГц у другого 5ГД-1, при одинаковом баффле, которые НЕ пропали при перестановке щитов, говорит о родовой болячке.

Чтобы получить яму, нужен четвертьволновой колодец. Для 700 Гц нужен колодец глубиной 12 см, для 1 кГц - 9 см...

1. Это совершенно другие динамики. 2. О том, что комната реверберацией замазывает ямы на АЧХ, писАл неоднократно.
Эт как, простите, кто там что замазывает, кто на ком стоял? Ровная ачх второго розлива измерена в полуметре от динамика в щиточке примерно 30 на 40. Комната даже не догадалась, что в ней творилось, спала. А дыра на АЧХ в этой колоночке была, отражение от стола, для которого делалась . Крутанули щит вверх тормашками, куда что делось.
Насчет влияния колодца впереди динамика- ваша правда, не спорю. Хотя, икс его знает. На 2 кгц сделать ямку хватило пары досок по 16мм.
 
Динамик-лопух имеет право наврать Вам на верхней серединке при расстоянии меньше двух-трёх диаметров. Дыр 700 и 1 кГц сие не касается, они точно есть.
Было всякое. И как будет в другой раз и что с ним делать икс его знает
На всякий -повторю. Может, пропустили.
Колонка, полочник. Стояла на стуле, край стула выдавался вперед, колонка в глубине. На АЧХ неустранимая яма в районе 1-1, 5 кгц. Которой нет в упор к динамку. Подвинул колонку на край сиденья, вровень к с краем колонки. РОВНО.
 
Последнее редактирование:
Эт как, простите, кто там что замазывает, кто на ком стоял? Ровная ачх второго розлива измерена в полуметре от динамика в щиточке примерно 30 на 40. Комната даже не догадалась, что в ней творилось, спала. А дыра на АЧХ в этой колоночке была, отражение от стола, для которого делалась . Крутанули щит вверх тормашками, куда что делось.
Насчет влияния колодца впереди динамика- ваша правда, не спорю. Хотя, икс его знает. На 2 кгц сделать ямку хватило пары досок по 16мм.
Любую 8-ку к поверхности краем ставишь - здравствуй дыра на 1,5кГц плюс-минус.
 
Здравствуйте.
У меня некий этап по поводу акустики. Хочу отписаться.
Главная мысль такая. Прошлым летом мне посчастливилось - в гостях был Александр Бокарёв. По возможности (по наличию времени и обстоятельств) - тогда была произведена корректировка системы. С хорошим результатом.
Но по прошествии какого-то времени, мне снова захотелось позаниматься с акустикой. Основное направление - стыковка НЧ и СЧ (с целью - повышение отдачи НЧ). В личной переписке, у Александра была такая мысль - что можно испортить полученный результат. И было предложено, как выход - обратиться к человеку в моём городе (зовут Антон), который также увлекается звуком и хорошо слышит нюансы акустики. Это был вариант предложенный Александром.
Далее - я здесь (в этой ветке) пытался начинать корректировку АС. Мы дошли до момента, когда стал применять компьютерный эквалайзер "АРО". Вопросы-беседы по этой теме были скучны для большинства. И Николай Марков - тогда вышел на меня в личной переписке-теме. С тех пор мы работали с ним. Я рассказал ему о цели: требуется внести изменение в АС. Но при этом - не ухудшить звучание, полученное летом с участием А.Б. И рассказал, что итоговым критерием - будет приглашение в гости третьего независимого человека (в качестве эксперта) - Антона. Мы с Николаем Марковым проделали довольно большую работу (на мой взгляд) за прошедшее время. В какой-то момент Николай сказал - вот теперь можно звать Антона. Вчера Антон приезжал ко мне в гости (за что ему огромное спасибо) и уделил мне порядка трёх часов.
Проделаны были разные эксперименты с Николаем ранее. Но я сейчас отпишусь о тех изменениях, которые оказывали положительное влияние (ну или хотя бы - не отрицательное). И оставались как результат.

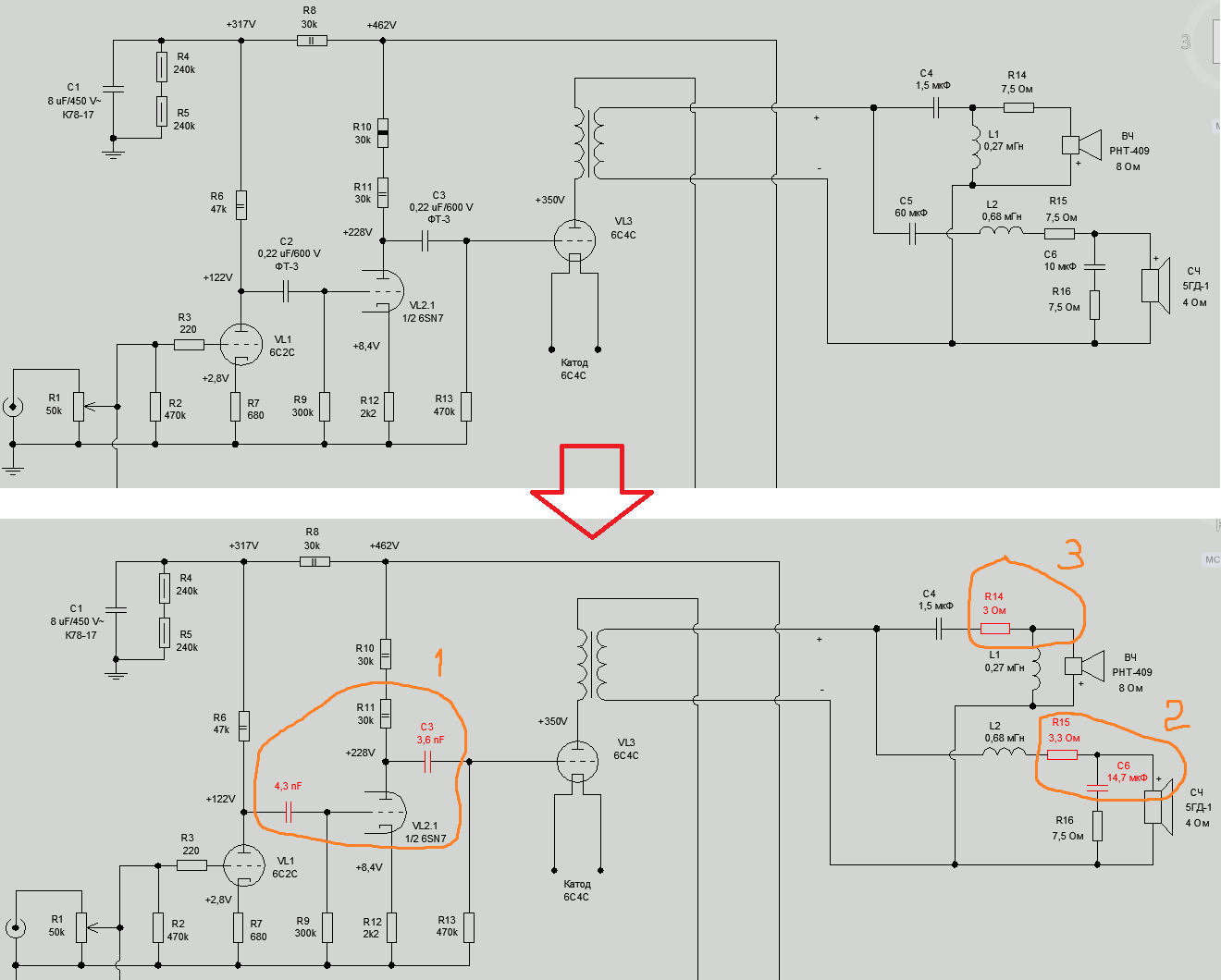
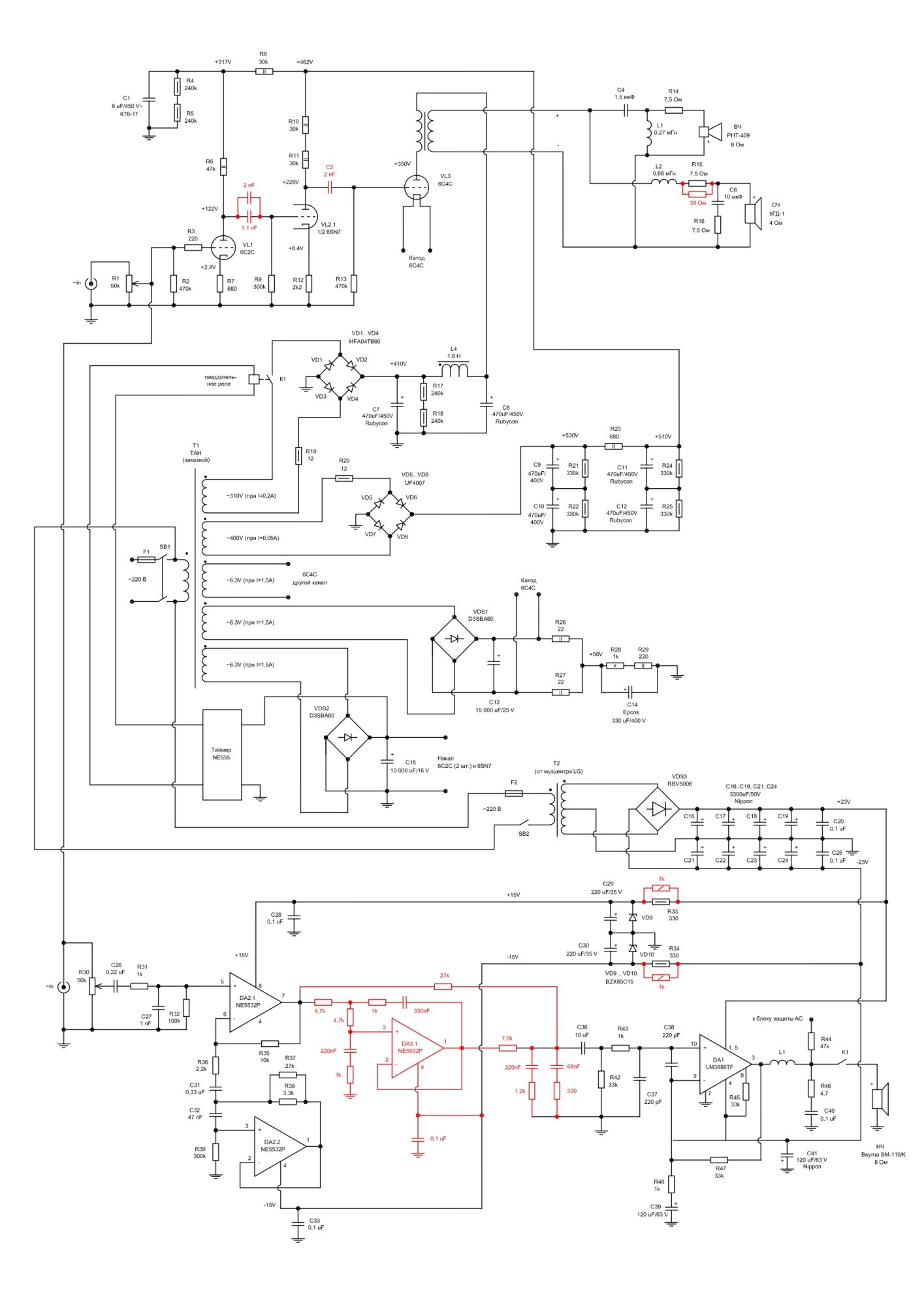
Общие изменения в схеме:
4.png
5.png

1 - вместо конденсатора 60 мкФ в пассивном фильтре перед СЧ динамиком - были установлены малые межкаскадные конденсаторы в схеме лампового усилителя (один канал). На слух - я разницу этого этапа не уловил (между тем что было и что стало). Микрофон - фиксирует примерно одинаковый ход АЧХ для этого изменения (то есть, что было "до" и что стало "после").
2 - изменение номиналов этих деталей - дало подъём в области 200 Гц для СЧ динамика. Симулятор Николая отображал это вот так:
2.png
это изменение - значительно повлияло на звук. До этого момента, все другие манипуляции - не давали преимущества по сравнению с летней настройкой. В летней настройке - голос был лучше. Но после указанного изменения - они (звучание, голос) как минимум, сравнялись (на мой слух). Это был переломный, как мне кажется, момент.
3 - в какой-то момент Николай обратил внимание на небольшой провал в зоне стыка СЧ и ВЧ по АЧХ. И в качестве корректировки предложил перекинуть резистор в ВЧ по другую сторону катушки и уменьшить номинал. Эффект получился такой:
1.png
эффект оказался такой - что суммарная АЧХ в зоне стыка чуть поднялась, а в районе 10 кГц - чуть уменьшилась. По графику - выглядело как верное направление. На слух - я разницы не расслышал.
4 - поиск оптимального "шельфа". В схему активного ФНЧ был припаян переменный резистор, позволяющий на ходу менять уровень верхней и нижней полки ФНЧ (менять разницу в дБ между верхней и нижней полками):
3.png
дело в том, что нижняя полка - придаёт голосу некие положительные свойства. И без этого - не получался голос таким, как был в летнем варианте. На слух я подобрал оптимальное положение переменника и установил постоянный резистор 20 кОм.

Стык НЧ и СЧ динамиков, при расположении микрофона на расстоянии 30 см между НЧ и СЧ выглядит так:
6.png

Приезд Антона. Левая АС - настройка лета 2024. Правая АС - экспериментальная, с указнными выше изменениями.
1. Антон указал, что правая АС по его мнению - это летняя настройка (он тогда ещё не знал, какая из них какая). Он ошибся.
2. Он сказал, что по общему восприятию - летняя АС (верная, левая) представляется как слитная полноценная трёхполоска. Экспериментальную же АС он охарактеризовал как звучание "трифоник".
3. На песне Джо Дассена - он сказал, что в экспериментальной АС немного задран вверх уровень в районе 200 Гц. В летней же АС, по его мнению - в этой области голос более натурален. На песне "Мумий Тролля" - эта разница на 200 Гц - не ощущалась (не проявлялась).
4. Он сказал, что звучание экспериментальной АС ему напомнило работу в автозвуке. Когда - есть отдельный сабвуфер, обрезанный довольно низко по частоте.
5. Когда Антон ловил нужный уровень баса экспериментальной АС на музыке Джо Дассена - регулятр остановился примерно на том же положении, где находится уровень баса летней АС (то есть примерно на 4 дБ полка баса ниже полки СЧ динамика). На рок-музыке, Антон накрутил уровень баса такой, что полка басовика вышла примерно на уровень полки СЧ. Вообще - по уровню баса, Антон сказал - "это вкусовщина". Для него - это не так принципиально.
6. По общим его словам - я для себя сделал вывод - что его, по крупному, - не устраивает звучание ни левой ни правой АС. Но для себя - он бы выбрал как развитие - звучание левой АС (летней), за счёт бОльшей слитности работы басовика и СЧ. И тот факт, что уровень НЧ (в диапазоне 40-100 Гц) ниже - ему не принципиально.

Но всё же, подводя итог нашей встречи - Антон сказал, что считает, что правая АС (экспериментальная) звучит лучше чем левая (летняя). Но - следует чуть убавить уровень в районе 200 Гц. Он так же сообщил - что это его окончательное решение учитывает мои предпочтения в музыке. И ещё Антон сказал, что считает, что если бы Александр Бокарёв был бы рядом - он также бы одобрил выбор правой (экспериментальной АС).
 
200 -250 Гц вообще гадкая частота, МУМУтроль , ее придавить - звуку только на пользу.
Свои летние впечатления я уже рассказывал, добавить нечего.

Дядя Пётр, а скажи, к какому звуковому образу ты подтягиваешь звук своей домашки? Что в основе слуховой памяти? S90 ? JBL ? Соревнования по автозвуку? Или звук кинозала в центре Сочи ?
 
Дядя Пётр, а скажи, к какому звуковому образу ты подтягиваешь звук своей домашки? Что в основе слуховой памяти? S90 ? JBL ? Соревнования по автозвуку? Или звук кинозала в центре Сочи ?
Из перечисленного - я бы выбрал звук в кинозале.
Кстати, Антон также упомянул - что звучане летней (левой АС) - более академическое. Звучание правой АС (экспериментальной) - более драйвовое.
 

Статистика форума

Темы
3,304
Сообщения
263,082
Пользователи
2,544
Новый пользователь
vlad'mir
Назад
Сверху Снизу