Александр Бокарёв
1 ранг
- Регистрация
- 12 Ноя 2019
- Сообщения
- 30,244
- Реакции
- 15,333
- Баллы
- 395
по мне, так просто всё и красиво. оставил бы как есть.
Смотрите видео ниже, чтобы узнать, как установить наш сайт в качестве веб-приложения на домашнем экране.
Примечание: Эта возможность может быть недоступна в некоторых браузерах.
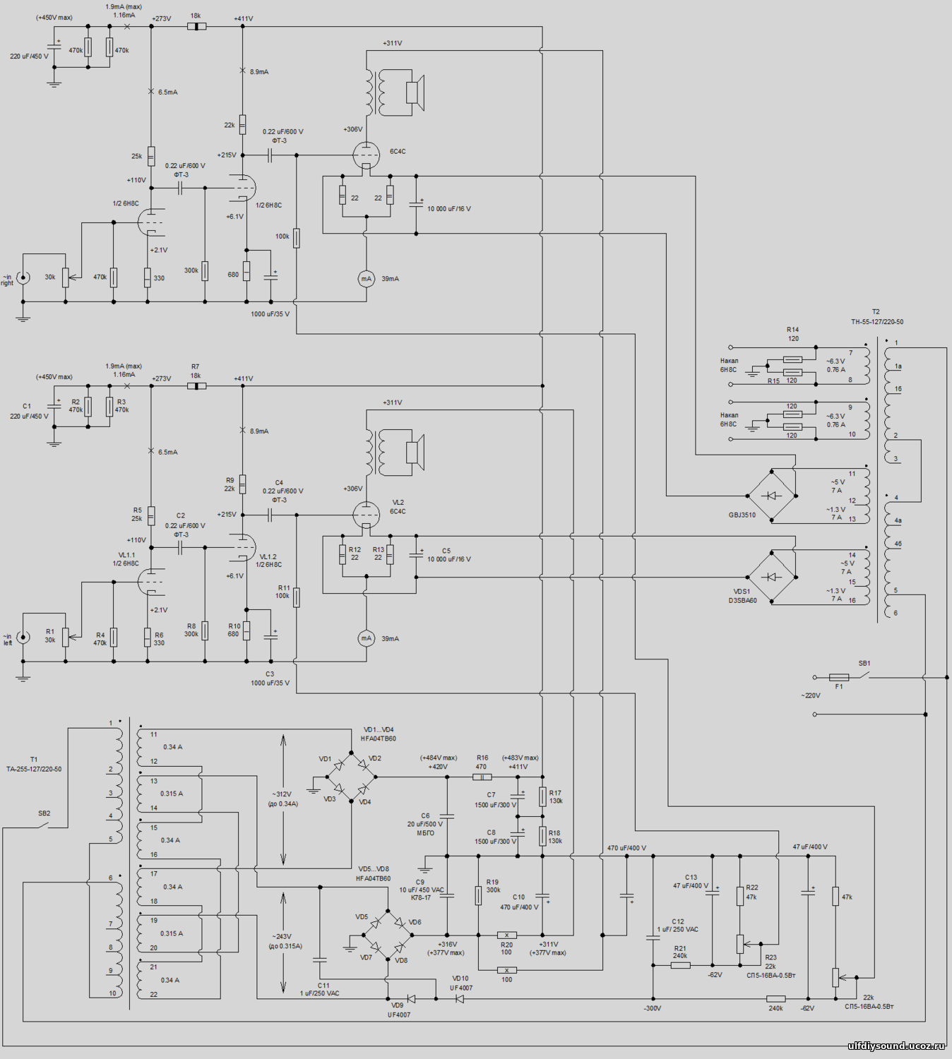
Не хочу придираться и тем более обидеть, но почему бы схему сюда не добавить?Пётр, ловите схему, на почте...
Саша, РР-шник на 6с4с почти как СЕ на 6с4с.
Я так понял, что Юрий не против, чтобы я разместил схему здесь:Пётр, конечно можно скинуть, просто у меня ничего не работает...
Как Вам будет угодно. Если Вам нужна такая тема - делайте. Я поправлю ее и помещу в нужный раздел или договоримся в какой раздел добавить. В этом никого не ограничиваю. ?Модератору:
я вижу, что тема общения уходит от заглавия топика. Но не уверен, что Вы одобрите создание новой ветки мною. Моя практика общения чуть ранее на форуме Дмитрия Горнова ( http://ulfdiysound.ucoz.ru/ ) - привела к тому, что модератор там в итоге объединил все темы созданные мною и назвал в итоге большую объединённую тему "Эксперименты Петра". Меня это вполне устроило. Лишь бы была возможность общения, без ущерба для форума.
Я заметил, что Вы уже немножко подкорректировали название топика. Полностью "за".
Хочу продолжить общение по интересующим меня вопросам здесь (без создания нового топика), а насколько это уместно в этом разделе и под этим названием топика - решите, пожалуйста, на своё усмотрение. Совершенно не против, если Вы переместите или переименуете ветку. Одного прошу - не удаляйте, пожалуйста (был печальный опыт на Вегалабе...) мне очень удобно пользоваться подобными ветками в дальнейшем.