Постройка басовой секции

  • Автор темы Автор темы Пётр
  • Дата начала Дата начала
Мне пришлось делать медленный заряд для емкостей, чтобы не вздрагивать(14000 мкф). Заодно его исп. для жестчения ламп, формования электролитов
 
У меня стоят МТ-0,5вт 20 ом на мостик HER108, их много есть, тоже стоит на конденсатор 4700мкф*400в, а перед ним Др на 2гн, никаких вопросов, лет 10 наверное.
К78-17 постоянка 450в*1,4=630в. ~13в уберите, их лучше в первичку добавить
 
~13в уберите, их лучше в первичку добавить
В этом случае у меня ещё больше увеличится напряжение (которое высокое) и уменьшится напряжение для выходных ламп. Сейчас обмотки ~13В у меня подключены встречно, чтобы уменьшить напряжение питания ECC85.
У меня стоят МТ-0,5вт 20 ом на мостик HER108, их много есть, тоже стоит на конденсатор 4700мкф*400в, а перед ним Др на 2гн, никаких вопросов, лет 10 наверное.
Значит, пока оставлю свои 12 Ом. Сгорит - так сгорит. Тогда и задумаюсь. А сейчас - пусть обмотку транса предохраняет.
 
Пётр, переделал бы совсем БП, сеть 1-2, 5-4, и добавил 9-10, это будет 230 вольт. ~13 и ~13 вольт еще можно добавить.
18-19, 7-8, 17-16 это примерно 260 вольт переменки, или +350 вольт. И не надо конское Еа для ЕСС85, оно совсем не нужно, это не Бруски.
Накал ~5 вольт и ~5 вольт, добить балластником, и ~6,3 вольт, как у меня #3,233. Подумайте хорошо, должно получиться.
 
Пётр, переделал бы совсем БП, сеть 1-2, 5-4, и добавил 9-10, это будет 230 вольт.
Обмотка 9-10 рассчитана на ток 0,42А. 230х0,42=97 Вт я смогу лишь взять как мощность всего трансформатора. Мало. Иначе - превышу ток через обмотку (расчётный). Об этом ALSS говорил. Когда в итоге написал - что следует параллелить вторичные обмотки, если их подключать к первичной.
 
У него ведь все вторичные обмотки по 0,42а, не понял?
 
У него ведь все вторичные обмотки по 0,42а, не понял?
Вторички-то по 0,42 А. А вот первичка на ток 1,45 А. АLSS говорил - надо обязательно параллелить вторички, если хотим таким образом продлить первичку. Иначе - по току не вывозим (мощность транса упадёт).
 
Аналогичные проблемы. Есть одна свободная тонкая обмотка, для продление первички не годится.
 
Иначе - по току не вывозим (мощность транса упадёт).
Да не может мощность трансформатора упасть, он как был 280 Вт, так и остался, а вот снимаемая мощность может чуток перегрузить обмотки (сравните в моем расчете требуемые 0,6 А и допустимый ток одной обмотки 0,42 А, вот потому и параллелить приходится). Кстати, не сгорит старый зеленый заслуженный трансформатор при такой перегрузке, но не будем идти против документации.
Далее - поставьте одну обмотку 112 В на мостик и посадите полученное напряжение минусом на питание выходного каскада, вот и с учетом увеличенной первички и связанного с этим уменьшением вторичек получится меньше 500 В для входа да и дополнительные фильтры можно на каждый канал добавить против пульсаций.
Раз имеются ограничения в номиналах, то поставьте по 2 резистора 12 Ом последовательно во все цепи.
 
Изменение размера IMG_20230112_215826_resized_20230112_101547513.jpg

Собрал полностью макет (один канал) по схеме, что выкладывал в крайних сообщениях (лампы в работе).
При напряжении в сети 212В, напряжения в основных точках макета составили:
- на выходе фильтра питания ECC85: +527В;
- на выходе фильтра питания 6П41С: +322В;
- на катоде выходной лампы: +43В;
- напряжение катод-анод выходной лампы: 274В;
- ток через каждую из выходных ламп: 68 мА.

Что не устраивает:
1. Присутствие в схеме слишком высокого напряжения (после удвоителя оно составило +550В). Это не безопасно. Возможен пробой где-нибудь между проводами. Боюсь, что используемый конденсатор (450VAC) может быть пробит высоким напряжением, при повышенном напряжении в сети.
2. Немного кажется, что напряжение катод-анод выходной лампы (274В) маловато. Наверное, 290В - было бы лучше. Но тут я не уверен.

Предложение от ALSS - про двухэтажное питание - я понял. Возможно, это и есть рациональное решение в моём случае. Подумаю.
Вместо МЛТ-0,5 по 12 Ом токоограничивающих перед мостом питания выходных ламп - нашёл и поставил МЛТ-1 по 10 Ом.
 
1.jpg

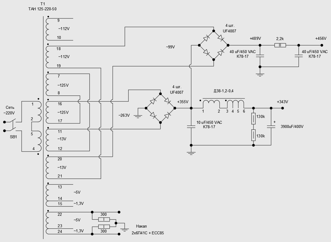
Вот такое питание можно реализовать. Если я ничего не путаю.
Из минусов: низкое напряжение питания для выходных ламп. Непонятно, что будет с пульсацией питания для ECC85.
Из плюсов: задействуется немного вторички, для уменьшения "зуда" и всяких нехороших наводок в сердечнике. Напряжение для ECC85 не сильно завышено.
 
Пётр, цел еще ТА255, с ним проще сделать, ТАН125 подальше к СЕ на 150 ма, ничего не получается толкового
 
Пётр, цел еще ТА255, с ним проще сделать
Да, цел. И не гудит (насколько помню).
Но к нему - придётся накальный транс придумывать.
И обмотки на ТА 255 - на 0,34 А и 0,315 А. Может по току не хватить, если я вдруг захочу по 70 мА через выходные лампы пропускать.
Но подумать можно. Я также этот ТА на примете держу. Он у меня изначально - в макете присутствовал.
 
330 В х 0,045 А = 14,85 Вт
0 перед 45 пропустили при наборе на калькуляторе
 
Вот! Ноги нащупали почву)

И ту я вспомнил, что эта лапочка давала 20 ватт при этом, напуганный справочником я побоялся верить своим глазам и вот, что интересно: девиз - жарьте свои лампы актуален?.
 
1.jpg

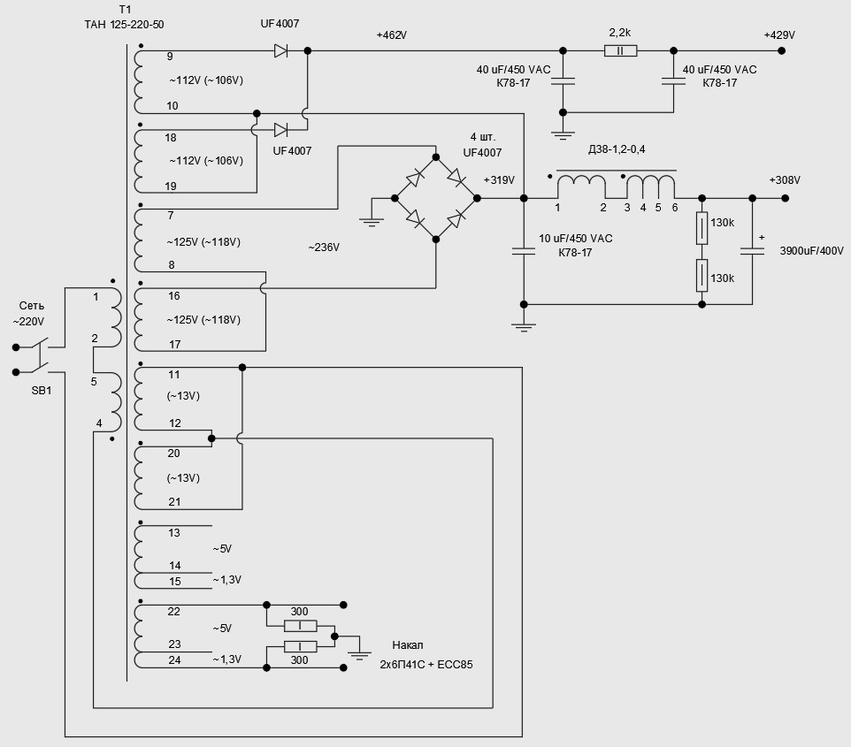
Вот такой вот вариант ещё можно сделать. Он корявый по реализации, но имеет преимущества по значениям напряжений, по сравнению с тем вариантом, что у меня по факту сейчас собран на макетной фанере.
С такой схемой БП я могу получить напряжения (теоретические) после фильтров БП против того, что имею сейчас:
- для питания выходного каскада могу получить 343В, против фактических 326В.
- для питания ECC85 могу получить 456В против фактических 502В.
В общем-то, при этом я выполню своё стремление - понижу напряжение питания драйвера и повышу напряжение питания выходного каскада. Может, - на этом остановиться. И реализовать.
 
На этом хватит, там сразу сеть по максимуму, 1-5 и 6-10, 268 вольт
У меня был 6н9с-РР на 6п3с, и два канала. Накальник ТН46 127-220
 
Здравствуйте.
Бередит моё сознание одна идея. .....
Задача - использовать существующие ящики (ЗЯ объёмом 120 литров, с отверстием под установку 15" динамика). Уж очень мне чем-то понравился тот вариант звучания баса, который получил в этом ЗЯ.
Доходит до таких размеров в поисках получения баса... :) smile_23

акустика.jpg
 
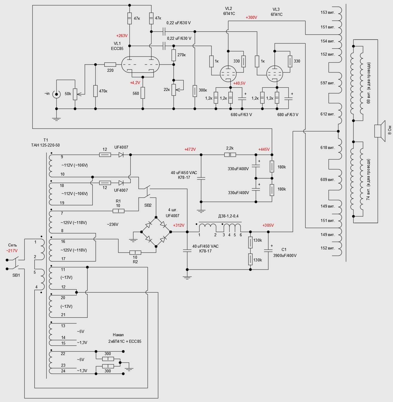
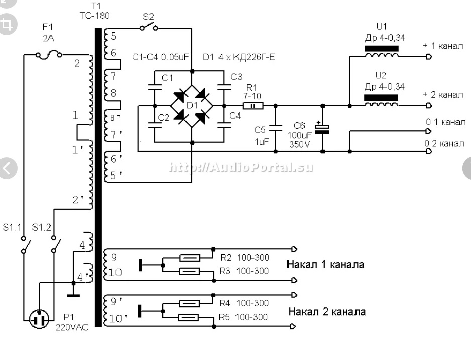
Вчера собрал БП по мотивам своих крайних мыслей (переменка 263В перед основным мостом, плюс переменка 99В перед мостом второго этажа).
Много напряжения (на нижнем этаже). Напряжение на катодах выходных ламп доходило до 49В - это 82 мА через каждую лампу, при моих 600 Ом катодных. Других подходящих резисторов в катоды в нужном количестве нет. Эти - работали на пределе возможностей (4 Вт на двух МЛТ-2 параллельных). Напряжение анод-катод лампы выходной 296В. Мощность на лампе ок. 24 Вт (многовато). Напряжение на конденсаторе 3900 мкФ/400 В - было 355 В. Боюсь, при повышенном напряжении в сети могу превысить 400В. А этого не хотелось бы допустить.
По условиям кондюка 3900/400 и имеющихся катодных резюках - всё же хочу попробовать предложение ALSS. Задействовать два по ~13В вторички в качестве первичной обмотки, и вторым этажом повышенное напряжение для ECC85. Понимаю, что сильно понизится напряжение питания выходных ламп. Зато по надёжности при повышенном напряжении в сети - выиграю.
Вчера заметил - при напряжении в сети 210В и ниже - ТАН почти не слышно. При повышении напряжения в сети до 230В - начинает гудеть гораздо громче.

Собрал очередную схему макета. Думаю - скорее всего этот вариант собирать в корпус. Вчера не успел послушать. Думаю сегодня. Если не услышу что-то неприятного...
1.jpg

красным цветом - указаны реально замеренные напряжения.
Вызывают вопросы резисторы R1 и R2. Помогите пожалуйста с ними разобраться. Как я понимаю - их назначение - в момент включения не допустить очень большой величины тока. Ведь изначально C1 разряжен и при пуске, пока его обкладки заряжаются - идёт значительный ток, чем-то похожий на КЗ. И в этой ситуации - самое неприятное - это повредить вторичную обмотку силовика. Не знаю, насколько это возможно/вероятно. Диоды моста, рассчитанные на ток 1А - вряд ли сожгутся, думаю.
Но есть отрицательный момент. Я тут прикидывал - при токе через выходные лампы по 70 мА - постоянного тока на два канала надо 70х4=280 мА. А переменного получится 280х1,35=378 мА. Так вот: на резисторе R1 произойдёт тогда падение напряжения: 378 (мА) х 10 (Ом) = 3,78 В. На R2 - ещё столько же. В результате - я теряю ок. 8 В переменки. Не хотелось бы. Следующий вопрос - по мощности I в квадрате умноженное на R: (0,378)2х10=1,43 Вт. Получается, что даже моих МЛТ-1 одноваттных - по мощности не хватает.
В общем - я бы хотел убрать из схемы R1 и R2. Но не понимаю, чем это чревато. Меня заботит в первую очередь пусковой ток. Насколько реально повредить вторичную обмотку силовика или диоды?
 
Последнее редактирование:
Вчера собрал БП по мотивам своих крайних мыслей (переменка 263В перед основным мостом, плюс переменка 99В перед мостом второго этажа).
Много напряжения (на нижнем этаже). Напряжение на катодах выходных ламп доходило до 49В - это 82 мА через каждую лампу, при моих 600 Ом катодных. Других подходящих резисторов в катоды в нужном количестве нет. Эти - работали на пределе возможностей (4 Вт на двух МЛТ-2 параллельных). Напряжение анод-катод лампы выходной 296В. Мощность на лампе ок. 24 Вт (многовато). Напряжение на конденсаторе 3900 мкФ/400 В - было 355 В. Боюсь, при повышенном напряжении в сети могу превысить 400В. А этого не хотелось бы допустить.
По условиям кондюка 3900/400 и имеющихся катодных резюках - всё же хочу попробовать предложение ALSS. Задействовать два по ~13В вторички в качестве первичной обмотки, и вторым этажом повышенное напряжение для ECC85. Понимаю, что сильно понизится напряжение питания выходных ламп. Зато по надёжности при повышенном напряжении в сети - выиграю.
Вчера заметил - при напряжении в сети 210В и ниже - ТАН почти не слышно. При повышении напряжения в сети до 230В - начинает гудеть гораздо громче.

Собрал очередную схему макета. Думаю - скорее всего этот вариант собирать в корпус. Вчера не успел послушать. Думаю сегодня. Если не услышу что-то неприятного...
Посмотреть вложение 54642
красным цветом - указаны реально замеренные напряжения.
Вызывают вопросы резисторы R1 и R2. Помогите пожалуйста с ними разобраться. Как я понимаю - их назначение - в момент включения не допустить очень большой величины тока. Ведь изначально C1 разряжен и при пуске, пока его обкладки заряжаются - идёт значительный ток, чем-то похожий на КЗ. И в этой ситуации - самое неприятное - это повредить вторичную обмотку силовика. Не знаю, насколько это возможно/вероятно. Диоды моста, рассчитанные на ток 1А - вряд ли сожгутся, думаю.
Но есть отрицательный момент. Я тут прикидывал - при токе через выходные лампы по 70 мА - постоянного тока на два канала надо 70х4=280 мА. А переменного получится 280х1,35=378 мА. Так вот: на резисторе R1 произойдёт тогда падение напряжения: 378 (мА) х 10 (Ом) = 3,78 В. На R2 - ещё столько же. В результате - я теряю ок. 8 В переменки. Не хотелось бы. Следующий вопрос - по мощности I в квадрате умноженное на R: (0,378)2х10=1,43 Вт. Получается, что даже моих МЛТ-1 одноваттных - по мощности не хватает.
О пусковом токе:
В общем - я бы хотел убрать из схемы R1 и R2. Но не понимаю, чем это чревато. Меня заботит в первую очередь пусковой ток. Насколько реально повредить вторичную обмотку силовика или диоды?
При желании пусковой ток можно ограничить с помощью резистора в цепи первичной обмотки трансформатора. После заряда емкостей резистор перемыкают.
Да и трансформаторы мне привычнее использовать разные для накала и анодного питания.
Хотя резистор можно воткнуть и в цепь вторичной обмотки.
 
Вчера собрал БП по мотивам своих крайних мыслей (переменка 263В перед основным мостом, плюс переменка 99В перед мостом второго этажа).
Много напряжения (на нижнем этаже). Напряжение на катодах выходных ламп доходило до 49В - это 82 мА через каждую лампу, при моих 600 Ом катодных. Других подходящих резисторов в катоды в нужном количестве нет. Эти - работали на пределе возможностей (4 Вт на двух МЛТ-2 параллельных). Напряжение анод-катод лампы выходной 296В. Мощность на лампе ок. 24 Вт (многовато). Напряжение на конденсаторе 3900 мкФ/400 В - было 355 В. Боюсь, при повышенном напряжении в сети могу превысить 400В. А этого не хотелось бы допустить.
По условиям кондюка 3900/400 и имеющихся катодных резюках - всё же хочу попробовать предложение ALSS. Задействовать два по ~13В вторички в качестве первичной обмотки, и вторым этажом повышенное напряжение для ECC85. Понимаю, что сильно понизится напряжение питания выходных ламп. Зато по надёжности при повышенном напряжении в сети - выиграю.
Вчера заметил - при напряжении в сети 210В и ниже - ТАН почти не слышно. При повышении напряжения в сети до 230В - начинает гудеть гораздо громче.

Собрал очередную схему макета. Думаю - скорее всего этот вариант собирать в корпус. Вчера не успел послушать. Думаю сегодня. Если не услышу что-то неприятного...
Посмотреть вложение 54642
красным цветом - указаны реально замеренные напряжения.
Вызывают вопросы резисторы R1 и R2. Помогите пожалуйста с ними разобраться. Как я понимаю - их назначение - в момент включения не допустить очень большой величины тока. Ведь изначально C1 разряжен и при пуске, пока его обкладки заряжаются - идёт значительный ток, чем-то похожий на КЗ. И в этой ситуации - самое неприятное - это повредить вторичную обмотку силовика. Не знаю, насколько это возможно/вероятно. Диоды моста, рассчитанные на ток 1А - вряд ли сожгутся, думаю.
Но есть отрицательный момент. Я тут прикидывал - при токе через выходные лампы по 70 мА - постоянного тока на два канала надо 70х4=280 мА. А переменного получится 280х1,35=378 мА. Так вот: на резисторе R1 произойдёт тогда падение напряжения: 378 (мА) х 10 (Ом) = 3,78 В. На R2 - ещё столько же. В результате - я теряю ок. 8 В переменки. Не хотелось бы. Следующий вопрос - по мощности I в квадрате умноженное на R: (0,378)2х10=1,43 Вт. Получается, что даже моих МЛТ-1 одноваттных - по мощности не хватает.
В общем - я бы хотел убрать из схемы R1 и R2. Но не понимаю, чем это чревато. Меня заботит в первую очередь пусковой ток. Насколько реально повредить вторичную обмотку силовика или диоды?
С такой емкостью анодного питания видится резистор в сетевой обмотке силовика, пробовать надо, скажем, начать с 500 Ом 10 ватт, пуск растянется на несколько секунд, потом остановится на каком-то напряжении, банки частично заряжены, ударного тока не будет. А потом реле сетевое-таймер замкнет балластный резистор по сети.
 
С такой емкостью анодного питания видится резистор в сетевой обмотке силовика, пробовать надо, скажем, начать с 500 Ом 10 ватт, пуск растянется на несколько секунд, потом остановится на каком-то напряжении, банки частично заряжены, ударного тока не будет. А потом реле сетевое-таймер замкнет балластный резистор по сети.
Это приличное усложнение схемы.
Там перед большой ёмкостью дроссель стоит. У него сопротивление постоянному току 42 Ом. Ещё любопытно: будет ли индуктивность дросселя создавать сопротивление дополнительное, или же пульсирующий ток при зарядке конденсатора - всё же для дросселя является постоянным и индуктивной составляющей сопротивления тут не будет?
А есть формулы, по которым можно посчитать, как будет воздействовать ударный ток (ток зарядки конденсатора в момент включения)? На какие элементы повлияет пагубно в первую очередь. А также - критерии состояния этих самых деталей после пускового тока.
Вообще, хотелось бы обойтись минимальным набором деталей, с минимальными потерями напряжения в режиме устаканившейся работы усилителя.
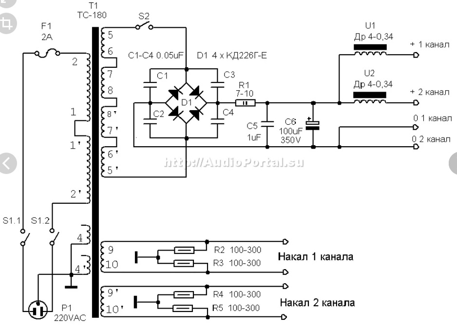
Вот, подобно этой схеме:
1.jpg

подобрать бы расчётным путём минимальное значение R1, обеспечивающем невыход из строя деталей (всех) при пуске.
С реле - это уже сложнее.
Ну и вообще - насколько близко это к реалиям - действительно ли можно спалить обмотку силовика, либо диоды, если пренебречь мероприятиями по уменьшению пускового тока?
 
С такой емкостью анодного питания видится резистор в сетевой обмотке силовика, пробовать надо, скажем, начать с 500 Ом 10 ватт, пуск растянется на несколько секунд, потом остановится на каком-то напряжении, банки частично заряжены, ударного тока не будет. А потом реле сетевое-таймер замкнет балластный резистор по сети.
Собственно я это и написал. Но у Петра ТАН, а не ТА + ТН, что хуже. Ему придётся нечто такое в цепи вторички городить.
Если обойтись без софт старта, может ничего и не сгорит, но как-то нехорошо. Например силовик может быстрее загудеть всерьёз. А оно нам надо?
 
Это приличное усложнение схемы.
Там перед большой ёмкостью дроссель стоит. У него сопротивление постоянному току 42 Ом. Ещё любопытно: будет ли индуктивность дросселя создавать сопротивление дополнительное, или же пульсирующий ток при зарядке конденсатора - всё же для дросселя является постоянным и индуктивной составляющей сопротивления тут не будет?
А есть формулы, по которым можно посчитать, как будет воздействовать ударный ток (ток зарядки конденсатора в момент включения)? На какие элементы повлияет пагубно в первую очередь. А также - критерии состояния этих самых деталей после пускового тока.
Вообще, хотелось бы обойтись минимальным набором деталей, с минимальными потерями напряжения в режиме устаканившейся работы усилителя.
Вот, подобно этой схеме:
Посмотреть вложение 54690
подобрать бы расчётным путём минимальное значение R1, обеспечивающем невыход из строя деталей (всех) при пуске.
С реле - это уже сложнее.
Ну и вообще - насколько близко это к реалиям - действительно ли можно спалить обмотку силовика, либо диоды, если пренебречь мероприятиями по уменьшению пускового тока?
Дядя Пётр! ты вкрячил в схему пушпулла, нечувствительную к пульсациям по анодному питанию, дикую банку на 4 тыщи мкф, теперь мучаешься вопросом, как облегчить жизнь силовику и себе. А нельзя выставить эту бочку из схемы вообще , без этих хлопот?
 
Здравствуйте.
Обратился я в "Аудиоинструмент" с вопросом возможности изготовления и цены нужных мне выходных трансформаторов (с заниженным Ктр). Получил ответ: могут изготовить с нужным мне Ктр, на базе TW10PP, цена за один - 3500 руб. Пара с доставкой, обойдутся мне примерно в 7500 руб.
Жалко денег тратить. И трансы потом, с таким Ктр - не ходовыми будут (перепродать, или применять где). Да и УНЧ планируется - не как основной, а больше в качестве развлечения.

Мотать сам трансы - не боюсь. Результат "самомото" - меня вполне устраивает по звуку. Но есть проблема - мои трансы через некоторое время начинают сначала потрескивать в динамиках (примерно через пару лет), а затем и вовсе уходит в обрыв первичка.
Я много думал, в чём причина. Пришёл к мнению - плохого качества провод на первичной обмотке. Зато его у меня много. Бобину подарили на работе. Возможно - "на тебе Боже, что мне не гоже...", но - "дарёному коню зубы не смотрят..."
На этот вариант - я могу рассмотреть вариант покупки нового провода для первички (для вторички - у меня имеется провод, который пока не давал подозрений подумать плохо о его качестве). На "Авито" есть предложение - предлагается провод (по отзывам людей - нормальный провод), любого диаметра, продажа от 500 грамм. Цена за 1 кг - 1800 руб, цена катушки для отмотки и пересылки - 100 руб. В общем, с учётом всех расходов, я могу получить полкило провода для первички примерно за 1400 руб. Знать бы наверняка, что дело лишь в проводе...

Есть и другие мысли. Внешне - имеющийся у меня провод - абсолютно нормальный, отслоения лака не наблюдаю. Порою думаю - может, пока я мотал предыдущие трансы - провод был с внешних слоёв бобины, которую могли повредить механически до меня. Может, к данному моменту - я посматывал внешний слой с бобины и теперь уже - провод пошёл нормальный... Может ещё - ранее я давал слишком большую натяжку при намотке, допускал "узелки" - есть вероятность, что если мотать поаккуратнее то может получиться успешно.

В общем - три варианта у меня: покупка новых трансов; покупка нового провода и намотка самостоятельно (железо с катушками - от ТС-90 имеется); не заморачиваться - и мотать имеющимся проводом (просто, постараться поаккуратнее).
 
Наматывать имеющимся с учетом полученного опыта и опасений - это неделя-две, никто никуда не убежит.
Поставить на наработку - первичку в сеть через лампочку НАКАЛИВАНИЯ 40 ватт.
 
Здравствуйте.
Обратился я в "Аудиоинструмент" с вопросом возможности изготовления и цены нужных мне выходных трансформаторов (с заниженным Ктр). Получил ответ: могут изготовить с нужным мне Ктр, на базе TW10PP, цена за один - 3500 руб. Пара с доставкой, обойдутся мне примерно в 7500 руб.
Жалко денег тратить. И трансы потом, с таким Ктр - не ходовыми будут (перепродать, или применять где). Да и УНЧ планируется - не как основной, а больше в качестве развлечения.

Мотать сам трансы - не боюсь. Результат "самомото" - меня вполне устраивает по звуку. Но есть проблема - мои трансы через некоторое время начинают сначала потрескивать в динамиках (примерно через пару лет), а затем и вовсе уходит в обрыв первичка.
Я много думал, в чём причина. Пришёл к мнению - плохого качества провод на первичной обмотке. Зато его у меня много. Бобину подарили на работе. Возможно - "на тебе Боже, что мне не гоже...", но - "дарёному коню зубы не смотрят..."
На этот вариант - я могу рассмотреть вариант покупки нового провода для первички (для вторички - у меня имеется провод, который пока не давал подозрений подумать плохо о его качестве). На "Авито" есть предложение - предлагается провод (по отзывам людей - нормальный провод), любого диаметра, продажа от 500 грамм. Цена за 1 кг - 1800 руб, цена катушки для отмотки и пересылки - 100 руб. В общем, с учётом всех расходов, я могу получить полкило провода для первички примерно за 1400 руб. Знать бы наверняка, что дело лишь в проводе...

Есть и другие мысли. Внешне - имеющийся у меня провод - абсолютно нормальный, отслоения лака не наблюдаю. Порою думаю - может, пока я мотал предыдущие трансы - провод был с внешних слоёв бобины, которую могли повредить механически до меня. Может, к данному моменту - я посматывал внешний слой с бобины и теперь уже - провод пошёл нормальный... Может ещё - ранее я давал слишком большую натяжку при намотке, допускал "узелки" - есть вероятность, что если мотать поаккуратнее то может получиться успешно.

В общем - три варианта у меня: покупка новых трансов; покупка нового провода и намотка самостоятельно (железо с катушками - от ТС-90 имеется); не заморачиваться - и мотать имеющимся проводом (просто, постараться поаккуратнее).
Кто-то рассказывал, как проверяли провод на наличие дефектов изоляции , протягивали через ванну с водой, под напряжением, трещины в лаке давали сигнал.
 

Статистика форума

Темы
3,305
Сообщения
263,304
Пользователи
2,543
Новый пользователь
vlad'mir
Назад
Сверху Снизу