Схемотехника усилителей 2021

  • Автор темы Автор темы rngtng
  • Дата начала Дата начала
Будем считать, это моим ''чудачеством''.
Берёшь. Качаешь отсюда симулятор:
Как им пользоваться там тоже описано, вплоть до видео для начинающих.
Проектируешь что хочешь в угоду своим чудачествам, паяешь, и всем хвалишься как хорошо получилось. Какие платы красивые, какие шибилянты прозрачные, серединки сочные и "бассы" плотные.
Заодно и уровень свой поднимешь.
 
Берёшь. Качаешь отсюда симулятор:
жаль интерфейс не как в симе,там намного удобнее и рисовать и "приборы" подключать виртуальные,точность конечно хуже чем в капе и лспайсе
 
нет, у меня задача несколько другая.
Я попробую развёрнуто, но лаконично.
1) тренируюсь в паянии. Ибо ещё не привык быть 1 глазым.
2) пока паяю (УЖЕ паяю) что то мелкое. Наушники - кучу.
3) потом перейду (планирую) к усовершенствованию УЖЕ имеющийся усилителей.
Это исходя из имеющихся деталей и возможности что то переделать не слишком ужасно (эстетично) на их платах.
Тоесть не хочется больших "соплей", поэтому получается, что комплементары не поставить - изучал наилучшие схемы КВАЗИ.
4) уже бО'льшие ПЕРЕделки ''полуфабрикатных'' усилителей.
5) может дойду до изготовления с НУЛЯ (тоесть с платой) усилителей....
Вот руки чешутся, а знаю, что пока не готов.... Раскачаться надо, да и подготовиться... А то то что сейчас делаю - на кухонном столе, урывками от супруги.
А ''рабочее место'' пока не разобрал - проблемы...
Из детальных кладов пока где то 80% только раскопал.
Да и эту эпопею надо начинать с БП. Тоесть с клада трансов, до которого, основного, ещё не докопал.

Тоесть это я всё своё описал. Понятно, что всё это время.... А делается всё это медленно... Наверно старый стал, дни мельтешат быстро, мало что успеваю.

Да, как то я толком не ответил на начальный вопрос
Главное - довести до возможного максимума совершенства то, что имею.
Это и уже усилители и это ещё разрозненные детали.

Тоесть НЕ стоит задача достичь МАКСИМУМА, предельного, но на современных деталях.
А именно - МАКСИМУМ выжать из того, что уже есть.
Будем считать, это моим ''чудачеством''.
Я понимаю, что легче и быстрее на современных деталях. Что китайские дешОвые платы на микрах ''лучше''.
Но - каждому своё....
Может это у меня ностальгия по 80, 90м годам, когда я много сам паял.
Изучайте LTspice или Microcap.90% вопросов отпадут,а главное время сэкономите.
 
жаль интерфейс не как в симе,там намного удобнее и рисовать и "приборы" подключать виртуальные,точность конечно хуже чем в капе и лспайсе
К счастью в "интерфейсе" ничего общего,
более жуткой рисовалки, чем мультисим трудно придумать,
"приборы" нужны только туповатым студентам ПТУ,
точность можно сделать точно такую же, как в ЛТС, но для этого надо знать свой инструмент.
 
жаль интерфейс не как в симе,там намного удобнее и рисовать и "приборы" подключать виртуальные,точность конечно хуже чем в капе и лспайсе
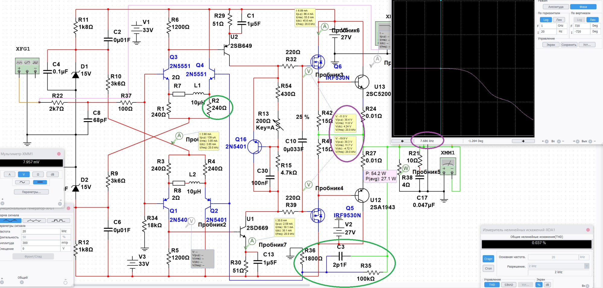
Дело в том что в ЛТ-спайсе эти виртуальные приборы не особо нужны. Спектр можно посмотреть буквально в любой точке схемы, хошь по напряжению, хошь по току, эпюры напряжений-токов- мощности. Графики температуры построить для любого компонента на схеме и всё такое. Для этого не нужно никаких "вольтметров или амперметров с измерителями гармоник" которые здорово загромождают схему. Да и пересечения проводников часто в мультисиме непонятны, то ли у тебе пересечение с соединением или без него. Не видно.
А ещё схема в ЛТС выглядит очень похоже на то как я её вручную вычерчивал раньше. Это удобно.
Вот мультисим пара примеров:
1713271785718.png1713271834587.png
мешанина кака-то.
А вот ЛТС:
1713271912098.png
Главный измерительный прибор на схеме выглядит как точка "out" на выходе. ЗЫ пометки на схеме мои для одного упоротого любителя мс.
 
Последнее редактирование:
да не приборы,а рисовать схему в симе удобнее,копировать и двигать элементы
я с симе за 5 мин нарисую то что в спайсе займет 15 мин,может привык,,,,,
 
АВК,у Селфа одно,у Алексей1 в симуляторе другое,т е при не симметричном съеме сигнала с диффкаскада он ничем не лучше ОЭ,а при симметричном линейнее в 17 раз
делай с джифетом 2SK170 в первом каскаде он намного линейнее,и крутизна приличная 22ма\в,только схему переверни,чтобы в уне p-n-p стояли и шиклай был вверху,тк он n-канальный,чуть хуже кп 303,307 из за меньшей крутизны
и миллера выброси,сделай трехполюсную коррекцию
а модель для анализа можно? или хотя бы просто схему
 
Последнее редактирование:
да не приборы,а рисовать схему в симе удобнее,копировать и двигать элементы
я с симе за 5 мин нарисую то что в спайсе займет 15 мин,может привык,,,,,
Нет. Не удобнее. Ты просто ЛТС не умеешь.
 
а модель для анализа можно? или хотя бы просо схему
какую? усилителя или сравнения дк с оэ
Нет. Не удобнее. Ты просто ЛТС не умеешь.

я в нем не работал,в капе и симе только,а спайс пробовал,чего то раздражает нет удовольтствия,привык копировать и двигать элементы а не выбирать каждый раз
 
я в нем не работал,в капе и симе только
Я про мс могу судить только по качеству схем которые наблюдаю. Как там рисовать да что- не в курсе. А вот глаза сломать- за нефиг делать. )
 
там берешь основное- резик кондер и транзистор и все,,,,копируешь и передвигаешь куда надо,поворачиваешь,а потом уже параметры нужные выбираешь
 
привык копировать и двигать элементы а не выбирать каждый раз
А шо, в спайсе не копируются и не двигаются?))
Хаха. )) Смотри Юрий.)
1713273989205.png

Незнание не освобождает от выполнения. smile_1
 
может быть я не пробовал,в симе очень удобно выделил перетащил мышью и тд
 
там берешь основное- резик кондер и транзистор и все,,,,копируешь и передвигаешь куда надо,поворачиваешь,а потом уже параметры нужные выбираешь
1713274178142.png

Или так ещё.
 
Опять не так...
Поясняю.
ЛТС4 УЖЕ скачан и базы БОЛЬШИЕ, советских транзисторов к нему.
Да, собираюсь поставить на ХРюшу как только смогу - руки дойдут.
И так дел других полно.
Про КВАЗИ - это у меня НЕ самоцель. Просто ТаК уж выходит.
А насчёт комплементарного усилителя - тоже есть планы.
Просто я их СЮДА на форум не тащу....
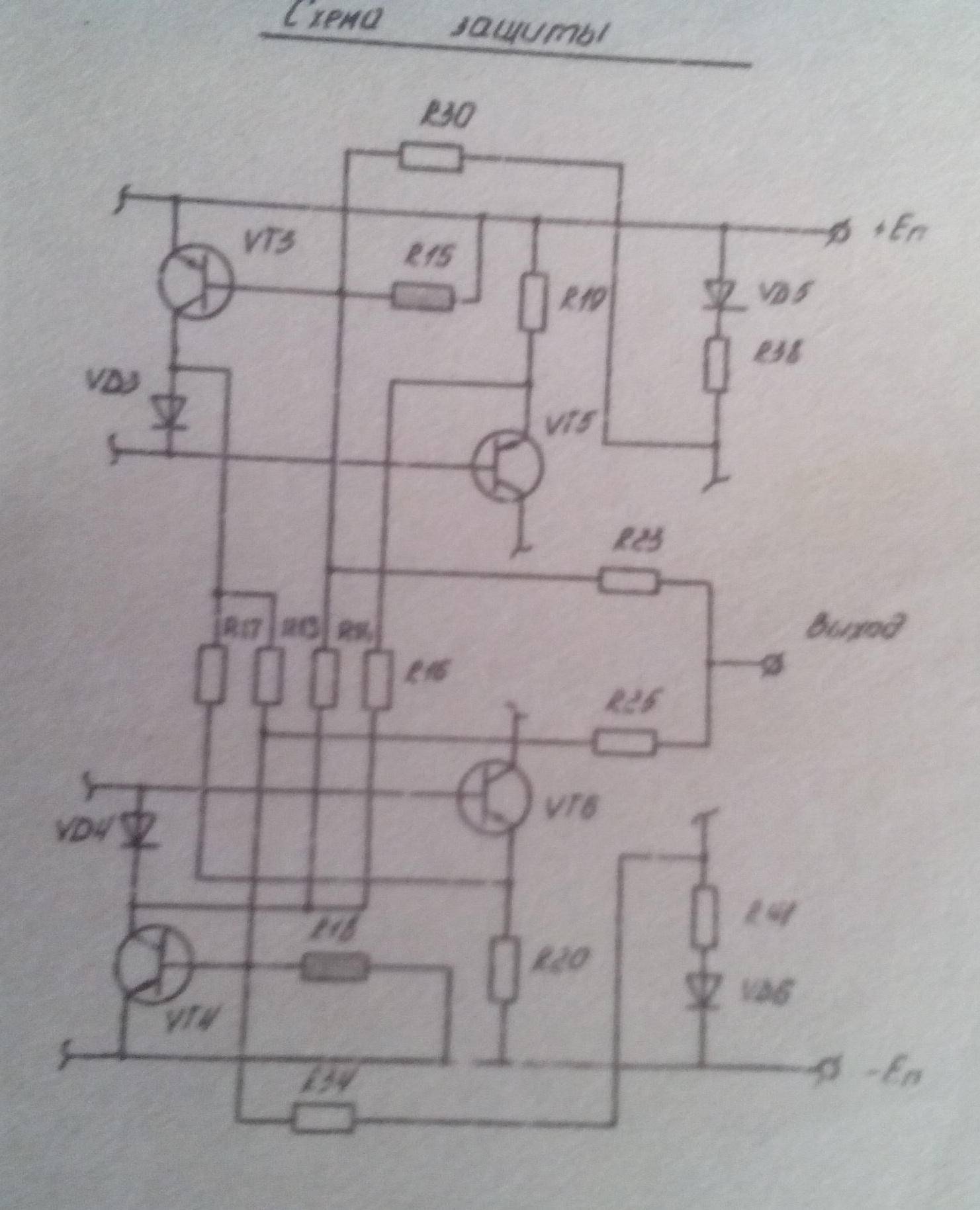
Ладно. Есть 2 схемы. Реальные, тоесть уже в железе.
Схемы тут ниде выложу.
А то меня за мою ''любовь'' к КВАЗИ уже затюкали.
Вот, может чего толкового по их улучшению подскажете.
Только они у меня в очереди ПОСЛЕ квази стоят.
 

Вложения

  • IMG_20231015_113400.jpg
    IMG_20231015_113400.jpg
    293.2 KB · Просмотры: 133
  • IMG_20231015_115831.JPG
    IMG_20231015_115831.JPG
    322 KB · Просмотры: 331
  • 2023-05-23_12-53-52.png
    2023-05-23_12-53-52.png
    139.1 KB · Просмотры: 131
я ж тебе квази нарисовал как переделать ,вот и делай,что еще надо?
а это симметричная схема ,но она требует подбора бэтты в плечах как можно ближе,это тоже как бы развернутый дифф с симметричным сьемом сигнала и миллера убрать сделать двухполюсную коррекцию
а зачем ОС в последней схеме? на эмиттер первого каскада?
 
Последнее редактирование:
Мощная схема - как есть.
Единственно выходники я в 1991м заменил с пластика на металл и в БП добавил по 22000 МКФ в плечо.
Так вот, планирую шунтировать электролиты по 220мкф в ООС плёнкой по 4,7мкф, и заменить столько же в симметрирующе-разряжательный конденсатор вместо 0,068.
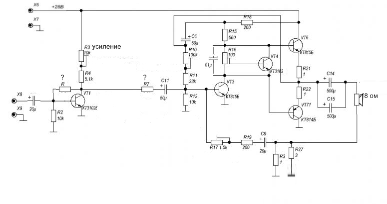
А по слабой схеме, то это мне посоветовали ТАК переделать, а на самом деле она сейчас такая - схема внизу
 

Вложения

  • ЩЦМ рost1.jpg
    ЩЦМ рost1.jpg
    65.4 KB · Просмотры: 115
  • IMG_20231015_113940.JPG
    IMG_20231015_113940.JPG
    342.3 KB · Просмотры: 98
  • IMG_20231015_113852.JPG
    IMG_20231015_113852.JPG
    480.9 KB · Просмотры: 108
Да корпус с боковыми радиаторами эквалайзер мощный транс защита и стрелочки,радиаторы как в Степь-103 трансляционный.
 
Надо же .Режим ЭА .
Хе-хе! :)
А схема-то, практически как в "Корвет 100У-068СМ"! :)
Кто от кого вдохновлялся?! :)

На досуге - прогоню в LTspice. Забавно!

PS
Только цена огорчает, сто тридцать пять рублей СССР, это мне было недоступно...
Так что, - отчасти и хорошо, что я про него не знал в то время.

PPS
Всмотрелся в Приложение №4.
Нет, это не ЭА, транзисторы ВК будут-таки запираться. Но средний ток покоя удерживаться должен, правда, он конский - от 100 до 300 миллиампер. У моего "Корвет 200УМ-088С" столько же, - но суммарно в 9 (девяти) запараллеленных транзисторах каждого плеча, по 33mA в каждом...
Оптронную цепь уже видели в каком-то пафосном Denon'е, за огромные деньжищи.
 
Последнее редактирование:
Скорее с какого нибудь японца слизана
 
С ума обалдеть!!!!

Усилитель «Юниор» от радиоконструктора «Старт»

Я даже не слышал о таком...
Да ещё и с корпусом!... Мечта.
Да что там ''мечта''....
Вон он в углу стоит прикрученный к улучшенным S90. С 1991г. в рабочем состоянии.
У товарища такой же был, и ТАК же улучшенный железными выходниками и дополнительными банками по 22000 МКФ.
Тоже вроде ничего - работает и ладно....
Тоесть заводское ''исполнение'' надо немного ДОделать.
Ну а как я его переделаю, я описал.

Если будут какие мысли - простые, прошу высказать.
 
Я сугубо про способ слежения за сквозным током ВК говорю. В "Корвет 100У-068СМ" тоже есть датчики тока в коллекторных цепях ВК, и там действительно предотвращается запирание транзисторов.
 
У "Юниора" есть БОЛЬШУЩИЙ недостаток - при случайном искрении на входе - вот нечаянно кабель в звуковой карте задел, и ВЧ динамик сразу же исходит дымом. Уже 3й.... :-(
 
Там нет его фишка не работает толком.а вот если все лищнее выкинуть а оставить только усиление как я скидывал скелет в своей теме то все прекрасно.
 
ВЧ динамик сразу же исходит дымом. Уже 3й.... :-(
Скорректировать надо правильно.
Или - последовательно с ВЧ ГД включить лампочку из автомобильной фары, как Бокарёв советует.
 

Статистика форума

Темы
3,305
Сообщения
263,178
Пользователи
2,544
Новый пользователь
vlad'mir
Назад
Сверху Снизу