Схемотехника усилителей 2021

  • Автор темы Автор темы rngtng
  • Дата начала Дата начала
Вот меня интересовало можно ли сделать JLH на дарлингтонах, тем самым решив проблему слабой нагрузочной характеристики ВК, да ещё вдобавок убрать проблему терморазгона дарлингтонов без эмиттерных резисторов? Вот это всё я решил и решение работает для фазорасщепителя как по схеме ОЭ, так и ОК. Да и другие люди тоже оценили. Ну и чутка схем до кучи..
То, что сделали с JLH, это ужоснах. Можно посмотреть на форму коллекторного тока Q5 на полном размахе сигнала? Так же интересует поведение схемы при питании от нестабилизированного выпрямителя, с пульсациями по питанию.
Подобрать пару дарлингтонов с идентичным усилением по току - та ещё задачка, если это не в симуляторе. Не вижу смысла в дарлингтонах, если на выходе 2SC5200. Они сами по себе хороши.
Ну, и моё отношение к двухполюсной коррекции знаете.
Остальное пока не смотрел.
ЗЫ. JLH с операционником даже смотреть не стану.
ЗЗЫ. Схема с лампой - Карпова начитались? Тут лампа для чего - чтобы было?
 
Последнее редактирование:
Від виходу в бік входу:
1) вкотре повторюю, схема Дарлінгтона на виході підсилювача в двотактному емітерному повторювачі, що працює в класі АВ, професійно непридатна. Від послідовності літер "комутаційні спотворення"
Да ладно вам, в фм50-2, в стоке стоит именно Дарлингтон (825-27), и звучит всё это дело оч. неплохо, по крайней мере для концертника.
То есть, звук вполне рабочий, но конечно без изысков.
2) гарну фразу пару сторінок тому написав Григорий щодо вбивства підсилювача навантаженням каскаду підсилення напруги. Спочатку ми героїчно набираємо підсилення, потім вбиваємо його нікчемним вхідним опором двійки підсилювача струму. Тому, виключно трійка від Локанті, жодних двійок. Бо не буде чого на спотворення обмінювати.
. Пробовал в макете вот такой вариант. В безооснике, включал осцилл прямо на выход УН, на выходе ставил либо двойку, либо тройку Локанти и смотрел синус на максимальном не искаженном сигнале: с нагрузкой 4 Ом, и без нагрузки. В двойке, под нагрузкой синус резко плющится и проседает, в тройке, только чуть уменьшается амплитуда, но синус не плющится
3) співвідношення режимних струмів VT1-VT4 i VT5, VT6. Так можна з улюбленого вами кліпінгу не вийти.
Это мне пока непонятно, какое соотношение оптимально?
4) напруга між колектором і емітером VT2, VT3. Якщо вже підгоряє повторно закаскодити вхідні транзистори, вчиться робити це в Зуєва.
Здесь тоже непонятно, какое напряжение оптимально ?
Учиться у Зуева?....так я и считаю его входную часть - эталонной ( для себя )
 
Комутационные искажения....с чего то всплыла эта тема в голове.
стоит смотреть когда "подача" на сумматор (ВК) ровная (симметричная), там пусть голова болит (топологию выбрать нужную, а не "танцевать с бубном" вечно).
По мне, забанить Кривоид как класс.
 
стоит смотреть когда "подача" на сумматор (ВК) ровная (симметричная), там пусть голова болит (топологию выбрать нужную, а не "танцевать с бубном" вечно).
По мне, забанить Кривоид как класс.
Для этого тогда нужно брать за опору не смещение, а сам сигнал, и отталкиваться от него, а не от стабильности смещения между базами. Где то видел схемы, где плечи работают полностью раздельно, а не через общее смещение. Может это самые правильные схемы.
По идее, в идеальном случае, через выключенный транзистор ВК (сумматор), все равно должен течь какой то ток, он всегда должен быть в режиме "готов к работе", и как только сигнал переходит через ноль в его область, он должен сразу включаться в работу по своему плечу.
Может в топологии Локанти так и происходит, не знаю
 
То ви просто не вмієте їх приготувати. _da

А от всі три схеми, що ви навели, уваги таки не варті.

Майже нічого не дають. Тим більше, той конденсатор.
Про микры спорить не буду....

Про варианты - вариантики схемы Лина.... Ну как так не дают.....
Нет, всёж хоть какие то изменения - отличия должны быть ???
Пусть не столь координальные, может на слух и не заметные.... Но всеж заметные приборно или на симуляторе?
 
вставлю свои пять копеек.
Поизучав прибывший УНЧ на германии, Кёртинг, с трансформаторной раскачкой выходного каскада, потом смакетив такой каскад отдельно, удивлен высокой линейностью и симметрией такого выхода даже без ООС. Да, есть признаки паразитов от катушек трансформатора , неустранимая змейка на полке меандра , остальное зачетно.
К тому же принудительная перезарядка базы вторичкой межкаскадника с практически нулевым сопротивлением обеспечивает работу транзисторов с предельными показателями и с отменной термостабильностью.
 
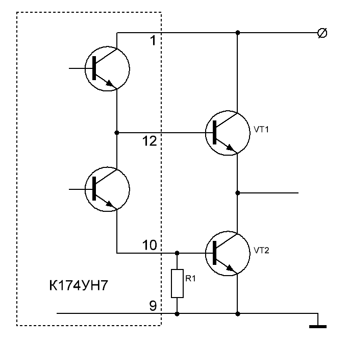
Ни у кого нет транзисторной модели на К174УН7 для МикроКап?. Пришла такая идея, ведь у неё 9 и 10 вывод расщепляется, можно ли создать Худ на К174УН7 с двумя дополнительными транзисторами, или композит. Пока интерес чисто теоретический...
Худ на К174УН7.GIF
 
вставлю свои пять копеек.
Поизучав прибывший УНЧ на германии, Кёртинг, с трансформаторной раскачкой выходного каскада, потом смакетив такой каскад отдельно, удивлен высокой линейностью и симметрией такого выхода даже без ООС. Да, есть признаки паразитов от катушек трансформатора , неустранимая змейка на полке меандра , остальное зачетно.
К тому же принудительная перезарядка базы вторичкой межкаскадника с практически нулевым сопротивлением обеспечивает работу транзисторов с предельными показателями и с отменной термостабильностью.
как то симулировал, в теме ИИП на Паяльнике, общий вывод "средней точки" на вторичке - повышает межобмоточную ёмкость (намотал и прибором, в т.ч. и на 100К снял, там в самом деле около 1мкФ). "Гуру" заругались, типа мерить ёмкость на трасформаторе - нельзя.
Но сима, замеры её увидели... вопрос так остался открытым (для меня)

Пушков, так же "мучал" Циклотрон, результат , на слух, - всё остальное выбросил. Но, там квадрат на 20К ни какой, пока квадратный не станет - не буду Ж. мучать. ТГР же заменили на быстрые ИМС, может "из ИИП" есть ещё решения, применить бы в аудио.
 
как то симулировал, в теме ИИП на Паяльнике, общий вывод "средней точки" на вторичке - повышает межобмоточную ёмкость (намотал и прибором, в т.ч. и на 100К снял, там в самом деле около 1мкФ). "Гуру" заругались, типа мерить ёмкость на трасформаторе - нельзя.
Но сима, замеры её увидели... вопрос так остался открытым (для меня)
Думаю 1 мкФ это слишком много, на высоких частотах скорее всего методика измерения неправильная и следствие неправильная емкость. Чтобы правильно измерить межобмоточную емкость нужно закоротить выводы одной обмотки и выводы другой обмотки, затем меж обмотками замерить емкость, иначе индуктивность обмоток такую кашу покажет... Короткозамкнутый виток резко уменьшает индуктивность, кроме того соединяет емкость относительно начала и конца обмотки.
Я когда измерял были емкости от 100пФ до 1000 пФ
емкость трансформатора.GIF
 
Я когда измерял были емкости от 100пФ до 1000 пФ
емкость трансформатора.GIF
замыкал только первичку, а на вторичке две обмотки было (с общей средней точкой). Прибор и 100Гц, 1К, 10К, 100к позволяет измерять (плюс минус роли не играли). Вопрос в той теме был задан не мной, я лишь подтвердил его результаты (замыкать две вторички, как общую точку для земли, на трасформаторе).
Кстати, для двухполярки из 220в и 50Гц, на веге обсуждалось, два моста независимых - однозначно, лучше.
Да, если не замыкать две вторички, ёмкости, примерно, такие и были.
 
Последнее редактирование:
Если есть средний вывод вторички, нужно все три вывода вторички соединить вместе. Если не соединить, а измерять на каком-то выводе отдельно, будет работать коэффициент трансформации и умножать емкость. Средний вывод никак не может увеличить емкость сильно, чем две обмотки
 
Посмотреть вложение 82198
Собрал модель по мотивам. НУ, вполне себе ничего так усилитель.
если интересно можете ознакомиться с особенностями ломаного каскода в вашем варианте.
Нагрузка УН порядка 1,5 МОм параллельно входу ВК (входное которого достаточно высокое).
Вот информация к размышлению.
Оптимальной нагрузкой УН является примерно 25 кОм, при этом ГВЗ менее 100 нс, усиление около 65 дБ, при усилении с ООС 20 дБ петлевое будет около 45 дБ (вполне достаточно для снижения искажений).
 

Вложения

  • cascode-folded_20kHz_R2=10_RL=25k.png
    cascode-folded_20kHz_R2=10_RL=25k.png
    48.9 KB · Просмотры: 115
  • cascode-folded_20kHz_R2=100.png
    cascode-folded_20kHz_R2=100.png
    48.9 KB · Просмотры: 108
  • cascode-folded_20kHz_R2=47.png
    cascode-folded_20kHz_R2=47.png
    52.6 KB · Просмотры: 102
  • cascode-folded_20kHz_R2=10.png
    cascode-folded_20kHz_R2=10.png
    57.4 KB · Просмотры: 103
  • cascode-folded_RL-var_Bode.png
    cascode-folded_RL-var_Bode.png
    61.9 KB · Просмотры: 105
  • cascode-folded_Bode.png
    cascode-folded_Bode.png
    77.4 KB · Просмотры: 103
если интересно можете ознакомиться с особенностями ломаного каскода в вашем варианте.
Взял в свой "инструментарий".
Хотя в принципе, мне хватает и такого УН ( Без ВК )
hMCX3aw0JmP3QbvCVBTLQ_qFmNE-960 (1).jpg
 
если интересно можете ознакомиться с особенностями ломаного каскода в вашем варианте.
Нагрузка УН порядка 1,5 МОм параллельно входу ВК (входное которого достаточно высокое).
Вот информация к размышлению.
Оптимальной нагрузкой УН является примерно 25 кОм, при этом ГВЗ менее 100 нс, усиление около 65 дБ, при усилении с ООС 20 дБ петлевое будет около 45 дБ (вполне достаточно для снижения искажений).
А какое ГВЗ у тройки повторителей после УН?
 
То, что сделали с JLH, это ужоснах. Можно посмотреть на форму коллекторного тока Q5 на полном размахе сигнала? Так же интересует поведение схемы при питании от нестабилизированного выпрямителя, с пульсациями по питанию.
В чём ужас конкретно? Вот токи управляемого ГСТ, кондёра вольтдобавки и ток эмиттера фазорасщепителя (амплитуда вых. сигнала близка к максимальной, на пиках напряжение на коллекторе гст становится больше базового, диод шоттки между Б-К держит транзистор гст в эти моменты закрытым). В данной схеме усовершенствованный ГСТ, ток покоя не зависит от изменений напряжения питания и температуры самого ГСТ, psrr тоже хороший.
SuperJLH_токи1.pngSuperJLH_psrr.png

Не вижу смысла в дарлингтонах, если на выходе 2SC5200. Они сами по себе хороши.
ЗЫ. JLH с операционником даже смотреть не стану.
ЗЗЫ. Схема с лампой - Карпова начитались? Тут лампа для чего - чтобы было?
Если вы смысла не видите, это не значит что его нет. В случае с дарлингтонами/мосфетами можно взять да и выкрутить ток покоя на 100мА, чтоб избавиться от печки. С одиночными транзисторами так сделать нельзя. И потом, фазорасщепитель с дарлингтонами меньше нагружает входной транзистор - искажений будет меньше. А чем вам лампа не угодила? При размахе амплитуды на выходе лампового УНа 60 vpp искажений порядка 0,0002% плюс короткий триодный спектр, в сочетании с хорошим ВК (с корректором) можно сделать отличный гибридник с очень низкими искажениями без общей ООС. Ну или такой:
Гибрид100552.png
 
Последнее редактирование модератором:
Последнее время набирают популярность модификации усилителя Агеева на основе ОУ со следящим питанием:

  • бюджетный усилитель Шаманкова с биполярными транзисторами на выходе;
  • разновидности усилителя «Minuetik» с полевыми транзисторами на выходе;
  • итальянский усилитель PUCCINI с Дарлингтонами на выходе
вот пару тестов модели усилителя PUCCINI
 

Вложения

  • PUCCINI_Bode.png
    PUCCINI_Bode.png
    84 KB · Просмотры: 141
  • PUCCINI_Loop-Gain.png
    PUCCINI_Loop-Gain.png
    36.1 KB · Просмотры: 128
  • PUCCINI_20kHz-spectr.png
    PUCCINI_20kHz-spectr.png
    77.9 KB · Просмотры: 126
  • PUCCINI_10kHz-dist.png
    PUCCINI_10kHz-dist.png
    84.5 KB · Просмотры: 135
Вспомнил сегодня что давно хотел попробовать с ВК Локанти, и сделал.
IMG_20240107_193831.jpg
Звук как вырвался на свободу, особенно по верхам,стал не давиться натужно, а порхать.
Идея все оттуда же, оппозитное включение транзисторов, давит динамику и плодит искажения,поэтому нужно их разделять, вплоть до сумматора (выхода)
Хотел сделать это и с УН, но вспомнил что он несимметричный.
Но для симметричной запитки УН, плечи надо делать так же как в драйвере, разделять.
Резисторы считаются просто, по току покоя который был до этого в смещении, думаю разберётесь.
IMG_20240107_193907.jpg
 
Последнее редактирование модератором:
оторвал в Лайкове от выхода, сложил: Кг уменьшился, "пик ту пик" в предклиппе увеличился % на 30. Но, там ещё кое что "пилил", по мелочи, а ЭА это "груз", одно название. Да, латералы в ВК, повезло, что открытые (0,003%, 1 Вт, 20К). Поект валяется, перекупил КИТ у извесного инженера (там не получилось, как и у всех - Г. в отстое в итого), совсем не до него.
Схему, мультик больше не покажу, извините, пока в железе всё не обмеряю.
 
оторвал в Лайкове от выхода, сложил: Кг уменьшился, "пик ту пик" в предклиппе увеличился % на 30. Но, там ещё кое что "пилил", по мелочи, а ЭА это "груз", одно название. Да, латералы в ВК, повезло, что открытые (0,003%, 1 Вт, 20К). Поект валяется, перекупил КИТ у извесного инженера (там не получилось, как и у всех - Г. в отстое в итого), совсем не до него.
Схему, мультик больше не покажу, извините, пока в железе всё не обмеряю.
Лайков на латералах делал года 4 назад, двойка в ЭА с усилением в пару раз. Работала спокойно в стыке с опером, полоса неплохая, синус чистый, клип ровный, есть в архиве на всяк случай. А! Вспомнил. Неудобняк в том. что выходные транзисторы нельзя посадить на общий радиатор, как обычно.
 
А чем вам лампа не угодила?
Против лампы, как таковой, ничего не имею против. Но в этой схеме она как на корове седло. Евгений Карпов ( сайт next-tube) любитель такой схемотехники.
 
Усилители на сверхминиатюрных лампах с пачку сигарет не пугают? :)
Не, я не об этом. А о том , что JLH - схема о четырех транзисторах. Просто и брутально. Можно добавить один - два, но не более. А цепь вольт-добавки лучше вообще не трогать. Там все нормально.
 
Добрый вечер, сколько в вольтах в передклиппе выдал (без ограничения) относительно + и - по питанию (каким напряжением питали)?

Добавлю, Лайков интересен термо узлом (повторяюсь), хоть с латерами это перебор (но, так получилось и оригинл и реплика валяются, надо же их куда пристроить).
В отличии "как у всех", там ровненько в подаче (термо на малых токах и в интересном месте)
 
Против лампы, как таковой, ничего не имею против. Но в этой схеме она как на корове седло. Евгений Карпов ( сайт next-tube) любитель такой схемотехники.
Корова на седле, это когда лампа стоит первой, а выхлоп УНа на транзисторе. Лампа в этом случае будет в малосигнальном режиме и спектр будет не ламповый. У меня выхлоп УНа на лампе - это даёт при больших размахах выходного напряжения характерный ламповый короткий спектр с одновременным низким уровнем этого спектра.
 
ну, да, УН, почти всегда, (геть каскоды и прочие "костыли") - "слабое звено"
 
Добрый вечер, сколько в вольтах в передклиппе выдал (без ограничения) относительно + и - по питанию (каким напряжением питали)?
Надо лезть в тетрадку. Потери на латералах приличные, у них внутри зарыто 3 Ома примерно.

Корова на седле, это когда лампа стоит первой, а выхлоп УНа на транзисторе. Лампа в этом случае будет в малосигнальном режиме и спектр будет не ламповый. У меня выхлоп УНа на лампе - это даёт при больших размахах выходного напряжения характерный ламповый короткий спектр с одновременным низким уровнем этого спектра.
Уехал на прослушку к приятелю гибрид с раскачкой на EF86 в триоде и выходом на повторителе с 1058-J162 . Выходное 1. 5 Ома, колонку 8 Ом рвет в клочки.
За основу взял Лиано Тринити.Но по-своему, проще.
Llano_trinity_100_schem_1of4.jpg

оторвал в Лайкове от выхода, сложил: Кг уменьшился, "пик ту пик" в предклиппе увеличился % на 30. Но, там ещё кое что "пилил", по мелочи, а ЭА это "груз", одно название. Да, латералы в ВК, повезло, что открытые (0,003%, 1 Вт, 20К). Поект валяется, перекупил КИТ у извесного инженера (там не получилось, как и у всех - Г. в отстое в итого), совсем не до него.
Схему, мультик больше не покажу, извините, пока в железе всё не обмеряю.
щас найду схему свою.

Готово.Но есть схемы на листах А4,в другом месте,там все замеры полосы и мощности
IMG_20240107_192435.jpgIMG_20240107_192425_1.jpgIMG_20240107_192345.jpg
 
Уехал на прослушку к приятелю гибрид с раскачкой на EF86 в триоде и выходом на повторителе с 1058-J162 . Выходное 1. 5 Ома, колонку 8 Ом рвет в клочки.
За основу взял Лиано Тринити.Но по-своему, проще.
Ошибка в схеме лампового драйвера ? Или так и надо, каждый транзистор реагирует на свою полуволну сигнала.
 
Ошибка в схеме лампового драйвера.
а У МЕНЯ правильно, не переживайте.

Ошибка в схеме лампового драйвера ? Или так и надо, каждый транзистор реагирует на свою полуволну сигнала.
У верхнего растет ток при положительной полуволне. У нижнего при отрицательной.
Само смещение сделано так. что входное сопротивление вых каскада не грузит ламповый пред. Мне эта идея по душе, сделал так же.
 
Но есть схемы на листах А4,в другом месте,там все замеры полосы и мощности
для меня в Лайкове важно "пик ту пик" в предклиппе, тем более у Вас без драйвера (потятно, что полевые, но всё же). Спасибо, всем Доброй ночи.
 
для меня в Лайкове важно "пик ту пик" в предклиппе, тем более у Вас без драйвера (потятно, что полевые, но всё же). Спасибо, всем Доброй ночи.
Давайте я завтра найду основные схемы, там есть синусоида с пиковым значением. По памяти, 20 в на пике с питанием +-25 -27
И если мне не изменяет склероз, то именно невысокие цифры выходного напряжения задвинули эту схему в темный угол.
да! Правильно! Спаял Минуэтик и он нахлобучил по размаху выходного напряжения этот ЭА . Вот в чем его минус.
 
Последнее редактирование:

Статистика форума

Темы
3,305
Сообщения
263,267
Пользователи
2,544
Новый пользователь
vlad'mir
Назад
Сверху Снизу