Petr-51
2 ранг
- Регистрация
- 29 Дек 2023
- Сообщения
- 691
- Реакции
- 30
- Баллы
- 15
- Страна
- Беларусь
- Город
- Могилев
- Имя
- Александр
- Предупреждений
- 1
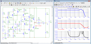
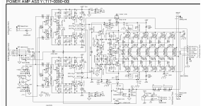
все остальные 9999 содержатся в задержке прохождения сигнала. Выше я привел работу усилителя Лозицкого. Для примера неправильного подхода к проектированию работа усилителя Боба Корделла ВС-1. Презентация:Одно условие достойного звука есть. Осталось узнать остальные 9999 -и Золотой ключик у нас в кармане.
https://www.youtube.com/watch?v=UxTmGzg-1rg



).