Vik
2 ранг
- Регистрация
- 21 Авг 2020
- Сообщения
- 920
- Реакции
- 559
- Баллы
- 49
- Имя
- Виктор
Хорошо если так, а то в ЧиД 1160 руб штучка, под заказ 2-3 недели.а ещё они дешевле любых литералов или санкенов.
Смотрите видео ниже, чтобы узнать, как установить наш сайт в качестве веб-приложения на домашнем экране.
Примечание: Эта возможность может быть недоступна в некоторых браузерах.
Хорошо если так, а то в ЧиД 1160 руб штучка, под заказ 2-3 недели.а ещё они дешевле любых литералов или санкенов.
зато они производятся у нас и их китаецы тоже пока не подделывают. опять же- линейный график до двух ампер это очень хорошо. мало? поставь две пары, санкены по три четыре пары тыкать никто не мешает- а тут религия не позволит.
Ефект Ерлі в каскаді підсилення напруги має значно менший вплив на результат. ніж в каскаді підсилення струму і джерелах сталого струму.Как лучше противодействовать эффекту Эрли в каскаде усиления напряжения?
- вместо одного транзистора, включенного с ОЭ, применить пару ОЭ+ОБ, - включенную каскодно
- охватить транзистор, включенный с ОЭ, цепью ООС, служащей попутно и коррекцией всего УНЧ
То, швидше, проблема термінологічнаДополнительный вопрос:
- почему Т-образную цепочку коррекции (C-R-C) называют "двухполюсной", ведь она (судя по всему) формирует не два полюса, а один, но второго порядка?
Ну можно на начальном этапе простить "ошибки роста".Эти транзисторы обладают "бессмысленной" совокупностью параметров и цены."


У кт818/819 тоже 15 А и что? Кому надо ток - пожалуйста, надо частотные свойства - урежь ток.
Вроде как всё очень неплохо. Даже лучше, чем 2SC5200У pnp (VL035DP) бетка на 15А грустная, очень. Здесь не ток урезать надо, а "оптимистичный маркетинг".
docs.yandex.ru
А у остальных на 15 А что будет? Давай будем реалистами- 15А это место где транзистор- сгорает. Вот и всё. я так к этому отношусь.Зато Ic заявили аж до 15А! И что там у них будет, на тех 15А? Маркетинг оптимистичный, да.
График Ft от Ic для pnp вообще не приведён (наверное, не просто так "забыли"). И до сих пор неизвестно, довели те pnp "до ума" или нет. По такому результату, это или предвыходники-переростки, или выходники бета-версии для тестирования. ИМХО
Мало ли что Агеев говорил. Он кроме советских дряньзисторов ничего не видел в то время. Тошиба так не считает. 2SC5200 вполне себе звуковые. "Suitable for use in 100-W high fidelity audio amplifier’s output stage"Ну и куда эти 200 В пробивных?....
Насколько я знаю, чем выше пробивное, тем хуже звуковые качества, это еще Агеев говорил ( вроде бы )
Поэтому считаю тест на ИМИ пустой тратой времени. Ничего нового по сравнению с проверкой спектра на частоте 20 кГц он не дает. Было известно более 70 лет назад.
1 кГц вы услышите и на НЧ динамике, который не способен воспроизводить 20 кГц, без всякой измерилки.
Мало ли что Агеев говорил. Он кроме советских дряньзисторов ничего не видел в то время. Тошиба так не считает. 2SC5200 вполне себе звуковые. "Suitable for use in 100-W high fidelity audio amplifier’s output stage"
Как раз раздельное управление выходными транзисторамисовсем не то, что я хочу
А я понял, если правильно понял, что кто-то когда-то что-то сказал, а мы краем уха услышали, краем мозга подумали и теперь будем делать только так. Может, он выпимши был.То о Сергее Игоревиче речь, если я правильно понял. А он и всякое видел, и всякое применял.
Что легко выполнимо, учитывая небольшой ток потребления.Добавлю от себя, что всё то, что левее выходного каскада, должно питаться от стабилизированного напряжения.
Ви знову все переплутали.Ну и куда эти 200 В пробивных?....
Насколько я знаю, чем выше пробивное, тем хуже звуковые качества, это еще Агеев говорил ( вроде бы )
Вообщем, я бы не купил, даже по норм. цене, не нужны такие.
А я понял, если правильно понял, что кто-то когда-то что-то сказал, а мы краем уха услышали, краем мозга подумали и теперь будем делать только так. Может, он выпимши был.
Смотреть надо не характеристики насышения, а КВАЗИНАСЫЩЕНИЯ (или напряжения начала насыщения при базовых токах, близких к Ic/h21э, а не многократно задранных). Дело в том, что Rc - коварная штука, оно максимально в линейном режиме на границе квазинасыщения, а затем, при росте тока или уменьшении напряжения, приводит к открыванию коллекторно-базового перехода "внутри" транзистора, что приводит как к отбору тока базы (падению H21э), так и к модуляции этого Rc за счет заливки высокоомного слоя коллектора носителями. Последнее - процесс инерционный, и вызывает резкий рост эффективной коллекторной емкости, одновременно снижая видимое на статической ВАХ падение напряжения коллектор-эмиттер. Напряжение насыщения - оно так и называется, поскольку соответствует полному насыщению тела коллектора носителями, когда его сопротивление падает до минимума (максимальная модуляция). Время рассасывания - это как раз время удаления этих носителей, модулирующих проводимость коллекторного (а не базового, как в старых совковых учебниках) слоя.
Эффект наиболее выражен у высоковольтных транзисторов (особенно pnp) в силу того, что для повышения пробивных напряжений приходится использовать слаболегированные и толстые (т.е. высокоомные) коллекторные области.
В стандартных SPICE- моделях этих эффектов нет, они не моделируются, но в жизни - имеются во всей красе.
НЕТ.речь видимо от тех самых легендарных термалсраках? За которые уже две недели как говорят в буфете искусственных минеральных вод у Публия Сервилия Воскобойникова?

Частный случай конкретной схемы. Подключаем УН к отдельному повышенному напряжению, и вот уже имеем сильно меньшее предклиповое Uкэ выходников. И предвыходников это тоже касается. А особенно касается именно тех транзисторов, которые будут первыми входить в это самое квазинасыщение. В схеме, с которой взята картинка, наиболее вероятно, это будут транзисторы УН.Сиреневенькое это напряжение на коллекторе выходника, зелёненькое - на эмиттере. А расстояние между ними - это и есть напряжение к-э.

Правильно. Невнимательно читающие. _daНе так страшно квазинасыщение , как люди невнимательно читающие то что написано.
Всё это известно и понятно, но цена выбора - "правильный подбор транзисторов" vs "несколько дополнительных напряжений питания"....
Також, допомагає розділене живлення за Локанті напругою, що поступово підвищується від вихідних каскадів в напрямку вхідних.
За все гарне і корисне потрібно платити.Всё это известно и понятно, но цена выбора - "правильный подбор транзисторов" vs "несколько дополнительных напряжений питания".

По всей видимости не надо загонять транзистор в режим , когда его коллекторный ток близок к Ic. Нелинейность h21э у 2SC5200 начинается от 5А, тогда как Ic=15A. 100 Ватт на 8 ом. Вам мало? Поставьте два в параллель.Смотреть надо не характеристики насышения, а КВАЗИНАСЫЩЕНИЯ (или напряжения начала насыщения при базовых токах, близких к Ic/h21э, а не многократно задранных).
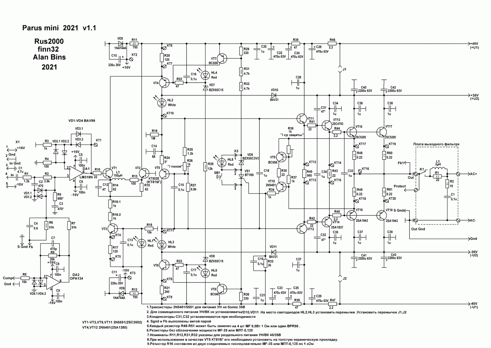
Что то похожее делал и Карпов. Работает на мой взгляд неплохоВыходной каскад очень интересный. Вывернутый повторитель Уайта. Не припомню такого решения у Карпова. Я такое первый раз вижу. Я бы запомнил.
Ага, ага я и думаю, ну вот нафыига такие транзисторы, как КТ809 ?Ну и куда эти 200 В пробивных?....
Насколько я знаю, чем выше пробивное, тем хуже звуковые качества, это еще Агеев говорил ( вроде бы )
Для концертников, они норм, причем даже не - мостовых концертников, а полумостов, Стелать питание 2 х 90 В, вот тебе и 500 Вт / 4 Ом, но это будут оч. дорогие концертники, потому что высоковольтные банки по питанию, будут стоить полцены усилителя.
Вообщем, я бы не купил, даже по норм. цене, не нужны такие.
Не просто повторитель напряжения в паре с источником тока, а именно повторитель напряжения в паре с ИТУН, который, в свою очередь, управляется током нагрузки? Такое видел только в повторителе Уайта. Ну, и я на эту тему размышлял.Что то похожее делал и Карпов. Работает на мой взгляд неплохо
Если мне не изменяет память, они применялись в блоках строчной развёртки некоторых телевизоров.Ага, ага я и думаю, ну вот нафыига такие транзисторы, как КТ809 ?
А стоит ли овчина выделки,может посмотреть токи в эмиттерных резисторах на выходе и раздельное управление плечами не понадобится?Я про С. Агеева, он в этой теме продвинутый.
так точно.
У меня полностью раздельный тракт по плечам, от входа,(сплиттер) до выхода.(сумматор)
И он полностью на дискретах.
Я здесь рисовал корявенько топологию одного плеча (второе аналогично - зеркально), но как то реакции ноль, позже нарисую нормально.
Если взять усилитель Л.Зуева, то до УН, у него как раз такая топология.
Я просто хочу продолжить её дальше по тракту, на "попробовать "
Это схема не для замеров искажений, только для звука ( эксперимент )
ВК КарповаНе припомню такого решения у Карпова. Я такое первый раз вижу. Я бы запомнил.