Схемотехника усилителей 2021

  • Автор темы Автор темы rngtng
  • Дата начала Дата начала
Грааль с дыркой в виде полюса выходного каскада и гранатой условно устойчивой ЛАФЧХ, занятно. :) Вероятно, у автора "гранаты другой системы" :)
я пропустил один кондерчик, но и с ним схема работает очень криво, по Жуковски
искажения первого периода слабонервным не смотреть! особенно Neulo
 

Вложения

  • GRAAL_clip.png
    GRAAL_clip.png
    93.6 KB · Просмотры: 116
  • GRAAL_10kHz-FCD.png
    GRAAL_10kHz-FCD.png
    81.2 KB · Просмотры: 122
  • ГРААЛЬ_Жуковского.png
    ГРААЛЬ_Жуковского.png
    125.9 KB · Просмотры: 145
Последнее редактирование:
я пропустил один кондерчик, но и с ним схема работает очень криво, по Жуковск
Как вариант, ёмкости C6,C11 можно вообще исключить, усиление итун можно уменьшить ёмкостью между коллекторами Q16,Q.11. В целом, схема бестолковая, глупость. :)
 
1. Так чому Ви швидкість вимірюєте в герцах ?
2. Спростив спеціально. Якщо почнем більш точно - аналогія з квантовим комп'ютером, часу на підсилювачі не залишиться.
Это разные параметры, НО vitamir прав, не надо ЭТОтобсуждать ЗДЕСЬ.

Ладно -' коротко.
Мозговой ритм биотоков ГАМА он до 150 герц.

А скорость передачи электро импульса по нерву теплокровного до 150 метров в секунду.

Цифра 150 и там и там, а параметры совсем разные.
 
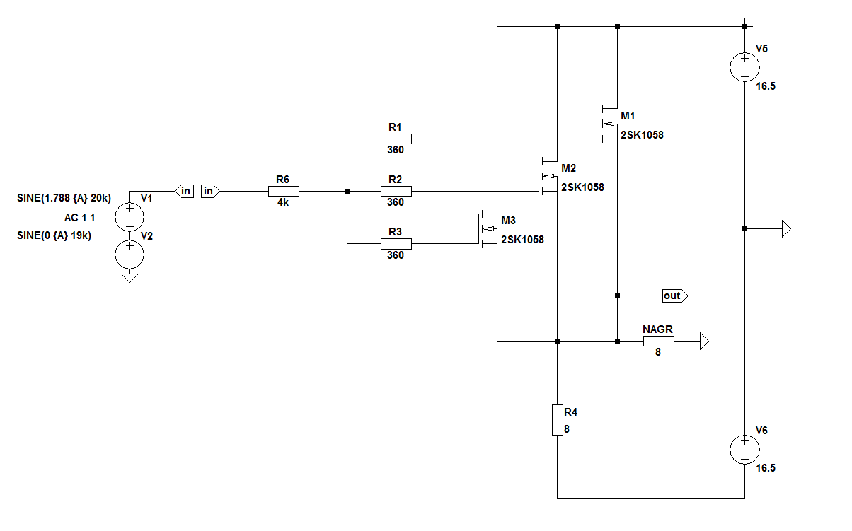
это параметры ГРААЛЯ, работа твоего учителя, есть чем гордиться
параметры моделей выходных транзисторов от Корделла даже лучше чем по паспорту. Может надо было идеальные поставить?
Как видите все модели корделовские кроме предвыходных транзисторов, взял из модели какого то сагиттариуса
Акулиничев, под которого он пытался сработать в гробу бы перевернулся глядя на этот шедевр
Видите ли господин Петров, никаких учителев у меня нету. Друзья- есть.
Что касаемо недостатков класса А самого по себе- они вам неизвестны? Странно.. А мне известны ещё с 2016 года, пожалуй, это когда я телефонник в классе А проектировал, именно с этим я и столкнулся- необычно да? Ток покоя выходного каскада должен соответствовать току нагрузки.
Вы бы хоть дурость свою при себе держали, что ли?
 
СМЕРШ, это я еще не показал искажения типа SID твоего дерьма, просто лень возиться, настраивать
 
СМЕРШ, это я еще не показал искажения типа SID твоего дерьма, просто лень возиться, настраивать
Давайте лучше про ваше поговорим? Про замечательные методики апгрейдов, очень интересные. Да?
 
не иначе как Джон Керл приложил руку как консультант (или как разработчик), чувстсвуется рука мастера
А что мы имеем на выходе ГРААЛя, кривой асимметричный сигнал, позорище! А что уже говорить про меандр на более высоких частотах.
А что скажет начальник транспортного цеха тов. Хуан?
 

Вложения

  • GRAAL_20kHz-square.png
    GRAAL_20kHz-square.png
    84 KB · Просмотры: 113
Последнее редактирование:
Приведя устройство под названием Грааль в рабочее состояние, я задал степирование конденсатора параллельного резистору ООС, который изначально 15пФ, степировал от 10 до 15пФ с шагом в единицу. И что у нас выходит?
1709480203559.png
Это "задержки в развитии" дона Педры. Видно что в общем они изменяются в полтора раза, пропорционально данному конденсатору.
Подадим на вход сигнал ИМД, 19+20кГц, если дон Педра мне расскажет как усилитель может предсказывать амплитуду данного сигнала- то пусть называет его стационарным, а пока- пусть молчит в тряпку.
1709479664843.png
Что же вышло? Искажения почти неизменны, за исключением ультразвукового диапазона где видно что рост конденсатора углубляет ООС. И это всё- влияние "задержек" не обнаружено.

1709479910918.png
Это меандр на оптимальной ёмкости.
А ниже- при степпировании конденсатора:
1709479869833.png
Выходит что при 10 и 11пФ усилитель не слишком устойчив, даром что "задержки" минимальны, три последних ёмкости- уже достаточно хорошо подходят, тут автору выбирать, или собирающему подбирать.
 
Последнее редактирование модератором:
Мне мой друг Алексей намекнул что обзывать господина Петрова не есть конструктивно.
Тогда будем конструктивно.
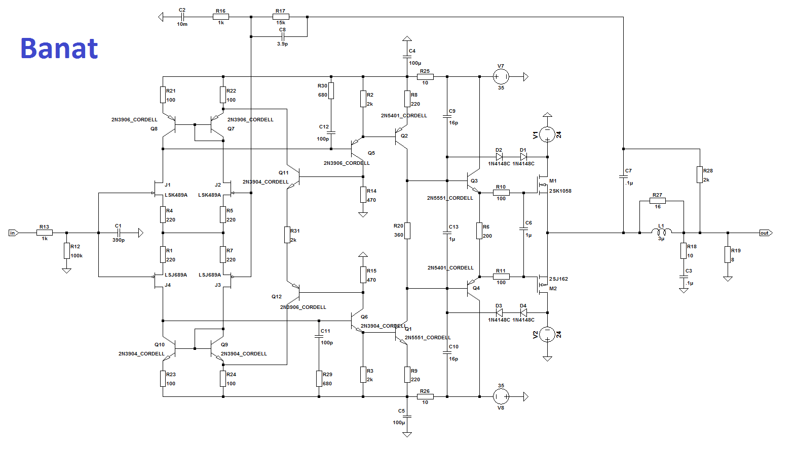
Усилитель Баната вырос в воот такую схему:
Посмотреть вложение 89444
с вот такусеньким петлевым усилением:
Посмотреть вложение 89445
именно поэтому по одному спектру Кг предсказать ИМД не получается. Мало данных.
Посмотреть вложение 89446Посмотреть вложение 89447
В общем и целом схема удалась. И должна отлично работать. Правда будет ли её хозяин паять- я не знаю.)
Из особенностей. Выходная катушка охвачена оос. И заодно- конденсатор С2 по схеме не обязательно такой здоровый, хватит и 100мкФ, это для снятия спектров он такой в модели.
А ещё цепочка стабилизации из транзисторов Ку11 Ку12 прибила ИМД децибел так на 25 по палке 1кГц.
NEULO, скажи краще, чи R21, R22 та R23, R24 справді однакового номіналу? Це не перекошує вхдні дифкаскади?
 
NEULO, скажи краще, чи R21, R22 та R23, R24 справді однакового номіналу? Це не перекошує вхдні дифкаскади?
У модели в таком виде вышло на выходе около 3мВ. Если нижнюю пару заменить на такую же но с буковкой С - то постоянка вырастает до 7мВ. Всё что знаю.)

NEULO, скажи краще, чи R21, R22 та R23, R24 справді однакового номіналу? Це не перекошує вхдні дифкаскади?
Да, невнимательный я был. Завтра померием, наладим. Но в принципе рисунок печатной платы не изменится. Так что наш сербский друг её уже может разводить, номиналы- подгоним.
 
Что там такого мастерского вы увидели?
винтажный усилитель 40-летней давности без искажений усиливает и сигнал частотой 300 кГц (и это весь тракт, неизвестно какими ФНЧ он там давится). Посмотрите видео где Коржевский рассказывает и показывает как его Нирвана прекрасно работает до 700 кГц.
https://www.youtube.com/watch?v=kxk6_Kylq50
Ну а что же ГРААЛЬ?
 

Вложения

  • GRAAL_250kHz.png
    GRAAL_250kHz.png
    90.1 KB · Просмотры: 319
  • GRAAL_250kHz_RL=8.png
    GRAAL_250kHz_RL=8.png
    86.9 KB · Просмотры: 112
Последнее редактирование:
Ну а что же ГРААЛЬ?

Подадим Граалю на вход куда более суровый сигнал. 300+301кГц номинального уровня. Чтобы господин Петров не возникал- я снял и спектр, это значит что усилитель испытание прошел и рассчёт был закончен. Крупно, чтобы даже слепой видел. Да, для Грааля режим тяжеловат- это всё таки не Мастер, и даже не Данс Макабр, и всё же. Покажь Петров как твой гитарник и с какими искажениями- усилит.
1709531908084.png

А вот его спектр в номинальном диапазоне частот:
1709532069127.png
Как там твои "гитарники"? ) Смогут такой выдать?

винтажный усилитель 40-летней давности без искажений усиливает и сигнал частотой 300 кГц (и это весь тракт, неизвестно какими ФНЧ от там давится). Посмотрите видео где Коржевский рассказывает и показывает как его Нирвана прекрасно работает до 700 кГц.
https://www.youtube.com/watch?v=kxk6_Kylq50
Ну а что же ГРААЛЬ?
1709532877605.png

Может хоть 10МГц усиливать, как там у нас в звуковой полосе дела? :unsure:

Петров, это что такое? Это нирвана так усиливает? 150кГц всего то.
1709533309048.png
Чтоб я так усиливал. Да меня сожрут и не подавятся.
С другой стороны- Коржевский молодец, такая конструкция крутая. Я половины не понял зачем это и как работает)
 
Последнее редактирование модератором:
винтажный усилитель 40-летней давности без искажений усиливает и сигнал частотой 300 кГц (и это весь тракт, неизвестно какими ФНЧ от там давится). Посмотрите видео где Коржевский рассказывает и показывает как его Нирвана прекрасно работает до 700 кГц.
Ширина полосы пропускания УМЗЧ по уровню мощности Р(-3дБ) (50% от Р(макс), фнч откл.) достаточно точно характеризует качество схемотехники усилителя.
 
Последнее редактирование:
Ширина полосы пропускания УМЗЧ по уровню мощности Р(-3дБ) (50% от Р(макс)) достаточно точно характеризует качество схемотехники усилителя.н
и каким образом? например нирвана выдающая на 150 кгц кривой синус со ступенькой это хорошо или плохо? а петровские "гитарники" с имд -40дб, зато полоса то какая? несешь ты фигню Славик.
 
Последнее редактирование модератором:
Нужно быть объективным - у Коржевского кривой синус давал генератор, он это упоминает и, после замены генератора, далее все хорошо на глаз. Но это отступление лирическое, а сама суть в том, что и сам Коржевский говорит - полоса не была самоцелью, просто приятный бонус. Так что кивать в его сторону не стоит. Ну никак не донесу я наверное, что не требуется от аудиоусилителя усиливать в полную полосу мегагерц. Это банальная глупость. Если только вам не нужен широкополосный лабораторный усилитель, но это уже несколько иная категория, отличная от аудио.
А Коржевский молодец, рукастый мужик и за это ему респект. Есть в его конструкции что-то приятное, радиолюбительское, с прилежанием выполненное.
 
Подадим Граалю на вход куда более суровый сигнал. 300+301кГц номинального уровня. Чтобы господин Петров не возникал- я снял и спектр, это значит что усилитель испытание прошел и рассчёт был закончен. Крупно, чтобы даже слепой видел. Да, для Грааля режим тяжеловат- это всё таки не Мастер, и даже не Данс Макабр, и всё же. Покажь Петров как твой гитарник и с какими искажениями- усилит.
Посмотреть вложение 89757

А вот его спектр в номинальном диапазоне частот:
Посмотреть вложение 89758
Как там твои "гитарники"? ) Смогут такой выдать?


Посмотреть вложение 89762

Может хоть 10МГц усиливать, как там у нас в звуковой полосе дела? :unsure:

Петров, это что такое? Это нирвана так усиливает? 150кГц всего то.
Посмотреть вложение 89763
Чтоб я так усиливал. Да меня сожрут и не подавятся.
С другой стороны- Коржевский молодец, такая конструкция крутая. Я половины не понял зачем это и как работает)
Что ж вы батенька врёте на счёт Нирваны и искажений , автор подавал сигнал с примитивного генератора ВЧ ГУК-1 150 Кгц и выше и честно признался что форма сигнала искажена.
 
Нужно быть объективным - у Коржевского кривой синус давал генератор, он это упоминает и, после замены генератора, далее все хорошо на глаз. Но это отступление лирическое, а сама суть в том, что и сам Коржевский говорит - полоса не была самоцелью, просто приятный бонус. Так что кивать в его сторону не стоит. Ну никак не донесу я наверное, что не требуется от аудиоусилителя усиливать в полную полосу мегагерц. Это банальная глупость. Если только вам не нужен широкополосный лабораторный усилитель, но это уже несколько иная категория, отличная от аудио.
А Коржевский молодец, рукастый мужик и за это ему респект. Есть в его конструкции что-то приятное, радиолюбительское, с прилежанием выполненное.
да, конструкция впечатляет. сама схема- не особо. а повторяемость равна примерно нулю, увы.
 
слух, а почему врёте? мне каждый ролик досконально надо глядеть? или может быть автору ролика сразу нормальный генератор взять? или например, о ужас! , взять редактор видео и вырезать из него ненужные помои. а? было бы неплохо. а по итогу- имеем что имеем.
Мало того , частота среза этого усилителя по уровню -3дБ составляет 780 кГц. У нас во всех областях теперь так , называется это вырвать кусок из полной информации не разобравшись в сути, а на поверку оказывается всё с точностью до наоборот.
 
Любой спор легко разрешается при прямой слуховой независимой экспертизе нейтральными экспертами в слепом прослушивании.
 
Мало того , частота среза этого усилителя по уровню -3дБ составляет 780 кГц. У нас во всех областях теперь так , называется это вырвать кусок из полной информации не разобравшись в сути, а на поверку оказывается всё с точностью до наоборот.
с точностью до наоборот это как? на самом деле усилитель у него стоял вверх ногами и генератор- тоже, поэтому электроны быстрее падали на анод и получилась ступенька? )

Мало того , частота среза этого усилителя по уровню -3дБ составляет 780 кГц. У нас во всех областях теперь так , называется это вырвать кусок из полной информации не разобравшись в сути, а на поверку оказывается всё с точностью до наоборот.
кстати я твою схему на повторителях глядел тут.. хм. а ты её оос охватывать будешь или -30дб искажухи на 1кгц - устроит?)
 
Не думаю, что разработчики Г3-118 читали в своё время статью Видерхольда.:)
О инвертирующем сумматоре, для компенсации искажений "ЗГ" также не писалось.
2024-03-04_223234.png
 
Не думаю, что разработчики Г3-118 читали в своё время статью Видерхольда.:)
Посмотреть вложение 89803
Никакого отношения к статье в немецком журнале выходной усилитель ГЗ-118 не имеет.Совсем иной каскод . Удивляете. Вы еще выхлопом ГЗ-111 удивитесь. Тоже нетрадиционное решение 70 годов.
 
ага. давай Петрова позовем , пущай нейтрально послушает.
Васильев- это всё благие пожелания, которые не исполнятся просто никогда.
кстати я твою схему на повторителях глядел тут.. хм. а ты её оос охватывать будешь или -30дб искажухи на 1кгц - устроит?)
Так покажите результат , потому и просил помочь.
 
Согласен, "кочерга" у Видерхольда, в Г3-118 симпатично, и работает в серийных изделиях более 40 лет без замечаний.
Было ТЗ на разработку конкретного узла для этого генератора, с конкретными параметрами. Плюс элементная база и конкретный завод изготовитель (в Великих Луках). Испытания все прошли, а замечания ВП были учтены на этапе разработки.
 
Последнее редактирование:
тут структура как у Ломакина и Паршина и прототипов. Но это не значит , что
усь выходной плохой.

Офф у меня есть 118 и 111.Хорошие генераторы
 
Так покажите результат , потому и просил помочь.
Не знаю нафига это нужно. Ну да не мои проблемы.
1709584239182.png1709584402764.png1709584770900.png
1709585237893.png
А этот график посвящается всем любителям "быстроспадающего спектра". Спадать то он спадает, но ИМД- дикие, см выше.
1709584625295.png
 

Статистика форума

Темы
3,305
Сообщения
263,172
Пользователи
2,544
Новый пользователь
vlad'mir
Назад
Сверху Снизу