Но если лезть в последовательные фильтры, придётся.
Схемы замещения использую при симуляции
всех фильтров.
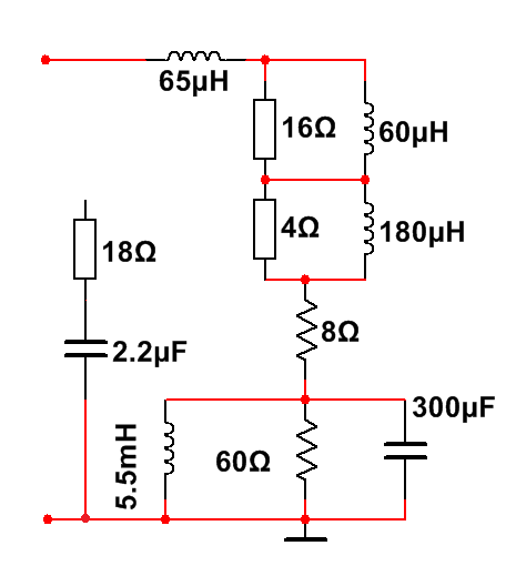
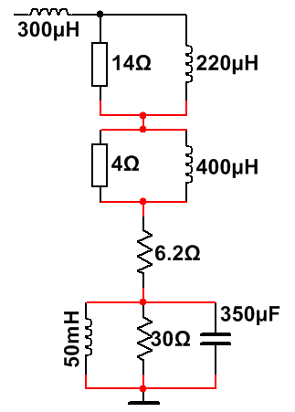
Экв. сх. на 15ГД-14 я нашёл.
А я не нашёл достоверного графика импеданса в ЛИМПе -
единственное, что требуется
чтобы Вы нарисовали эту схему для других динамиков.
Есть мысль измерить по отдельности динамики с посл. фил. а для этого отпаять один динамик и вместо него поставить этот набор RLC.
Всё гораздо проще. Вместе с Дмитрием химичили последовательный для
Апгрейд 25АС-109-2 (замена ВЧ, работа с фильтром и корпусом), и ему надо было измерять полосы НЧ и СЧ отдельно, а они связаны. Дмитрий подставлял
РЕЗИСТОР, так как в той схеме НЧ динамик мощно зашунтирован конденсатором, а СЧ динамик - выравнен резисторным делителем. Ошибка от подмены динамика на один резистор составила, согласно симуляции... меньше 1дБ (0,9дБ максимум). Так что надо смотреть на схему и упрощать себе жизнь!
Насколько трудоёмка для Вас операция вычисления эквивалента?
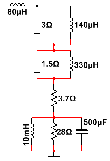
20 минут чистого времени. За основу беру похожий динамик, и быстро вгоняю график импеданса по контрольным точкам в допуски, на глаз. На одном компе - график в ЛИМПе, на другом - в Мультисиме. Подбором номиналов, НЕ расчетом.
Где этот эквивалент может пригодиться?
В любом симуляторе.
Куда уж понятнее. Нормальное выполнимое ТЗ

_da
Быстрее будет измерить импеданс реального 15ГД-14, и это будет точнее, чем эквивалентная модель.
Симулятор требует
схему. Расхождения возле частоты резонанса для фильтра (работа - от ИНУН) вообще несущественны, а выше графики всех однотипных динов совпадают (и похожих на них - часто тоже).
фильтрам еще надо обеспечить и максимально близкий к резистивному и номинальному импеданс входа АС.
Нет, в большинстве случаев НЕ требуется, особенно второе. Я-то понимаю, что Вы клоните к ИТУН, там это важно. Но, делая так, Вы искажаете реальное положение вещей, когда 99% АС работают от ИНУН (считая и ламповики, КНИ которых сильно зависят от импеданса нагрузки), и для разгрузки УМ по току импеданс АС должен быть максимальным (точнее, максимальной должна быть
активная составляющая импеданса). Я это показал в
Реактивное сопротивление АС