Транзисторные винил-корректоры

Только как это поможет вам вычислить место внезапного выгорания
Слово Макинтош навевает кислые мысли.
Мысли уже появились, а вот вес его огорчает - 45 кг! Всё что нашёл в инете по серии МА 7000,8000,9000 это дефект конструкции и проявляется он в уходе мощника в саморазогрев. В оконечнике использованы термалтраки и пара диодов используется в схеме регулировки тока покоя, в то время как регулировочный транзистор (стандартная схема) расположен на плате и теплового контакта с радиаторами не имеет! К тому же прокладки под транзисторами какие-то херовенькие. У меня большое сомнения что они ваще проводят тепло.
Всё! Заканчиваю флуд!))
 
Мысли уже появились, а вот вес его огорчает - 45 кг! Всё что нашёл в инете по серии МА 7000,8000,9000 это дефект конструкции и проявляется он в уходе мощника в саморазогрев. В оконечнике использованы термалтраки и пара диодов используется в схеме регулировки тока покоя, в то время как регулировочный транзистор (стандартная схема) расположен на плате и теплового контакта с радиаторами не имеет! К тому же прокладки под транзисторами какие-то херовенькие. У меня большое сомнения что они ваще проводят тепло.
Всё! Заканчиваю флуд!))
Прокладки типа серая тряпочка ,номекс, дрянцо.Бериллиевая керамика вне конкуренции.Термотранзистор на радиатор и проблема снята.
 
В первых г-600 от Веги-106 и то нормальный корректор был, не то что Сельф и Вогель, этот никому не нужный бред...
 

Вложения

  • г-600.jpg
    г-600.jpg
    141.3 KB · Просмотры: 442
В первых г-600 от Веги-106 и то нормальный корректор был, не то что Сельф и Вогель, этот никому не нужный бред...
Юрий Робертович, нормальная двойка получается только с нормальными транзисторами и питанием не менее 40 Вольт.
 
В первых г-600 от Веги-106 и то нормальный корректор был
У меня этих самых Вег-106 с G-600 несколько было, но чет кажется что там корректор родной был с какими-то чёрными транзисторами, хотя, возможно, и путаю. Столько лет прошло... Но звучала неплохо для тех лет. Тогда же и восприятие иное было.

я безуспешно искал схему предусилителя Pioneer SC-1800 II. Это аппарат для японского внутреннего рынка.
Кстати, в преде есть транзисторный корректор ММ - МС. В режиме ММ предусмотрен выбор входного сопротивления и входной ёмкости корректора.
Коллеги, буду рад, подсказке по поиску схемы этого предусилителя. Или похожего. Схему Макинтош нашли же. Но на том сайте такого Пионера нет, на Электротане тоже.
 
У меня этих самых Вег-106 с G-600 несколько было, но чет кажется что там корректор родной был с какими-то чёрными транзисторами, хотя, возможно, и путаю. Столько лет прошло... Но звучала неплохо для тех лет. Тогда же и восприятие иное было.
КТ209 с черным корпусом.
 
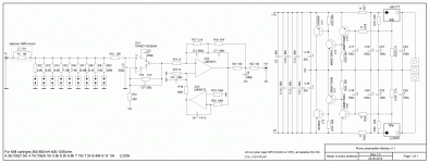
Корректор от усилителя Pioneer SA-506
Ampli-hifi-Pioneer-SA-506-schema.jpg
 
на одном форуме отзывались положительно.
 

Вложения

  • Melody.GIF
    Melody.GIF
    101 KB · Просмотры: 438
Корректор от усилителя Pioneer SA-506
Мне интереснее найти полную схему предусилителя Pioneer SC-1800. Собственно, КМК, сами пионеровские корректоры особой радости не дают. Это из опыта проживания с техникой Пионер.
 
Схема простая, но сложная настройка.
Не рекомендую, без опыта и приборов.
Еще надо обратить внимание, эта схема как и у Агеева, инвертирующие. В схеме G600 выходной транзистор тоже фазу переворачивает. В принципе это особых неудобств не создаст, если у вас один корректор.

Первым каскадом корректора нужно ставить лампу, потом коррекция, а дальше что угодно, хоть на соленых огурцах
Особенности звучания обсуждать не буду, а других преимуществ кроме высокой перегрузочной способности ламповики обычно не озвучивают.
 
эта схема как и у Агеева, инвертирующие.
Какая разница?
.................................
Насколько помню, это схема Назара. В ней Тау1 на индуктивности головки. (сообщение 283)
 
Последнее редактирование:
Этот кор только в первых Вегах, они были G-600, G-600B, G-600C, не помню какие. Друг мой взял с головой АДС-К9 уже с кором на КТ209, которую я выпросил тут же у него в Эл Б1-01.
 
Я в Эл Б-01 собрал свой первый кор по дюаловской схеме. Потом всякие разные по листочкам с рук и из журнала Радио.
 
Что в схемах транзисторных "двоек" плохо, так это огромное, и частотно зависимое выходное сопротивление.
На НЧ у них недостаточное усиление и резкий рост искажений.
 
Не все, никогда не стремился к товарищу Сухову, а после 81г после Сухова-Кенвуда вообще охладел
 
Что в схемах транзисторных "двоек" плохо, так это огромное, и частотно зависимое выходное сопротивление.
На НЧ у них недостаточное усиление и резкий рост искажений.
Этот вопрос неоднократно считали и проверяли.
Да и не те времена сейчас. Проблем с приличными тран-рами нет.
 
Не шибко популярная тема была в Радио, когда Б1-01 в продаже появилась. На Суховский массово ринулись, после публикации.
Было несколько корр-ов. Неплохой на трёх транзисторах в канале в разделе За руб Ежом в Радио, потом на трёх же КТ342 со статейкой и печатной платой, потом Сухов и ещё что-то было. И был смешной на 140УД1, и популярный на 548УН1. Плюс к тому публиковались схемы промышленных устройств со встроенными корректорами.
Было что собирать. И были много с листочков, которые ходили по рукам.
У меня долго именно с листочка был - автор инженер с физфака РГУ. Весьма удачно звучал с Аудио Техникой АТ-13Еа.
 
Проблема для аматора была с теорией.
Корректор делаешь, а что это за чудо-юдное такое RIAA? Тау из разряда оккультных наук. Тайны покрытые мраком.
Это сейчас инет и проблем нет. Радио батя выпишет- первый парень на деревне. Читать домой не давали.
Статья Сухова поэтому и стала так популярна, что очень понятно выложены элементарные понятия. Доходчиво, просто и в одном месте.
 
Не знаю в чём проблема с теорией. Искусство схемотехники печатали весьма нехилыми тиражами- бери читай просвещайся. Что я и делал(и сотни тысяч других товарищей)
 
Какая разница?
Мне кажется, что я разницу слышу. :) Некоторые фазу сети слышат, так что я не одинок.
Что в схемах транзисторных "двоек" плохо, так это огромное, и частотно зависимое выходное сопротивление.
На НЧ у них недостаточное усиление и резкий рост искажений.
Не такое уж оно и огромное, и не все считают частотную зависимость, недостатком. Вполне по силам сделать на НЧ глубину ОС 30дБ и искажения будут на уровне сотых. Ну а добавив один резистор и один транзистор, снимешь вообще все проблемы.
 
В 1977г Зыковым, и тут опять пролетел ваш Сухов
 

Вложения

  • f.1977-07.033.jpg
    f.1977-07.033.jpg
    455.8 KB · Просмотры: 508
  • f.1977-07.033.jpg
    f.1977-07.033.jpg
    455.8 KB · Просмотры: 484
  • f.1977-07.034.jpg
    f.1977-07.034.jpg
    336.2 KB · Просмотры: 633
Так трёхтранзисторные
Не такое уж оно и огромное, и не все считают частотную зависимость, недостатком. Вполне по силам сделать на НЧ глубину ОС 30дБ и искажения будут на уровне сотых. Ну а добавив один резистор и один транзистор, снимешь вообще все проблемы.
были в большой моде.
В 1977г Зыковым, и тут опять пролетел ваш Сухов
Наглядное тому подтверждение.
 
В 1977г Зыковым, и тут опять пролетел ваш Сухов
Чего вы к Сухову докопались, у него в книге очень доходчиво и грамотно рассмотрены практически все схемы корректоров.
Так трёхтранзисторные

были в большой моде.

Наглядное тому подтверждение.
Как раз так делать не надо.
 

Статистика форума

Темы
3,304
Сообщения
263,049
Пользователи
2,544
Новый пользователь
vlad'mir
Назад
Сверху Снизу