Транзисторные винил-корректоры

Книгу не читал и не хочу, к этому моменту и сам знал не хуже.

В 1982-3 году сам сочинил корректор на 544уд1 для Эл Б1-01, а корр. цепь РИАА взял у Зыкова за 1977 год.
 
В 1982-3 году сам сочинил корректор на 544уд1 для Эл Б1-01, а корр. цепь РИАА взял у Зыкова за 1977 год.
У меня возможность серьезно заниматься этим появилась только в 1988 году и корректор на основе схемы Кенвуда-Сухова был вторым, который я сделал и он был больше Кенвуд, чем Сухов. :) У меня до сих пор есть один из вариантов этой схемы, и играет он, на мой взгляд, отлично.
 
Как раз так делать не надо.
Частное мнение всегда надо обосновать.
Мне кажется, что я разницу слышу. :) Некоторые фазу сети слышат, так что я не одинок.
Но только не так. После этого доверие, на уровне статистической погрешности.

Это первый мой корректор после покупки Б1-01. Вставил в УНЧ самодельное.
На те времена - отличный. Знакомые приходили диски на пленку переписать на нем.
Но настроить его по этой табличке невозможно.
1663423353173.png
Понять "что такое RIAA" да, не больше. У Сухова + таблица с цифрами и главное описание формирования такой АЧХ.
 
Понять "что такое RIAA" да, не больше. У Сухова + таблица с цифрами и главное описание формирования такой АЧХ.
Тогда надо сюда эту суховскую статейку. Коли здесь тема посвящена транзисторным корр-ам, лишним не будет.
Я схему Сухова собирал и какое-то время слушал, на время выхода статьи было вполне неплохо. Хотя и не вах!

Смотрю, все мы в прошлом пользователи Эл-ки Б1-01. Прорывная была вертуха!
 
Смотрю, все мы в прошлом пользователи Эл-ки Б1-01. Прорывная была вертуха!
Почему пользовались? У меня до сих пор есть. В кладовке..
Лучшая из единственной в те годы.
надо сюда эту суховскую статейку.
 

Вложения

Проблема для аматора была с теорией.
Корректор делаешь, а что это за чудо-юдное такое RIAA? Тау из разряда оккультных наук. Тайны покрытые мраком.
Это сейчас инет и проблем нет. Радио батя выпишет- первый парень на деревне. Читать домой не давали.
Статья Сухова поэтому и стала так популярна, что очень понятно выложены элементарные понятия. Доходчиво, просто и в одном месте.

В 1977г Зыковым, и тут опять пролетел ваш Сухов
Сперва глянул цепи коррекции, хотел придраться к завышенной постоянной 3180, потом в конце статьи увидел точный совет по номиналам под разные ачх внизу. супер.
 
Частное мнение всегда надо обосновать.
Схема Зыкова в классическом понимании не тройка, а двойка у которой за счет снижения коэф. усиления, увеличена глубина обратной связи и для компенсации недостатка усиления добавлен каскад на отдельном транзисторе. Я считаю этот вариант хуже классической тройки, у которой все каскады охвачены ОС.
Но только не так. После этого доверие, на уровне статистической погрешности.
А Вы сами попробуйте, в муз. редакторе переверните фазу файла и сравните.
 

Вложения

Корр-ы Стрельцова и Левинзона-Логинова
f.1974-03.049.jpgf.1974-03.050.jpgf.1974-09.044.jpg

Только не надо писАть, что питающую напругу надо повыше, сам знаю. И в фазе или противофазе вых. сигнал, тоже пофигу.
 
Последнее редактирование модератором:
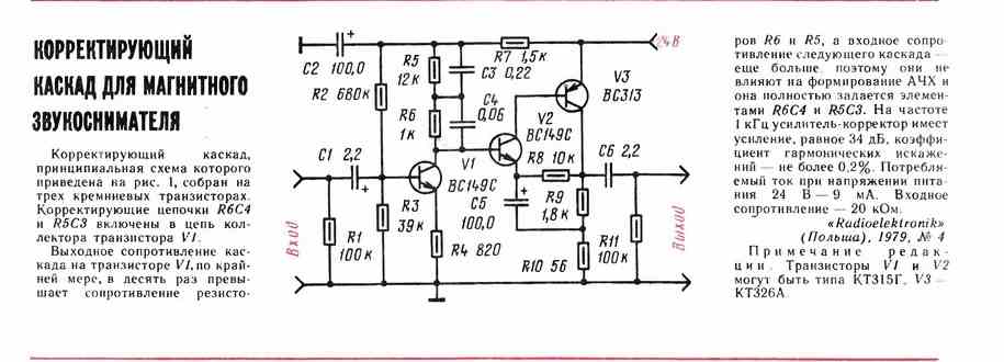
Радио 79/8, достаточно нестандартный подход для транзисторных схем тех лет.
 

Вложения

  • f.1979-08.06.jpg
    f.1979-08.06.jpg
    35.4 KB · Просмотры: 349
Есть схема для начала, спарки KTA1266, KTA1268 и 2SA3200, 2SA2240, NF=1 дБ, времени не хватает.
 

Вложения

  • Корр-р.png
    Корр-р.png
    91.2 KB · Просмотры: 271
Можно уверенно назвать классикой. До сих пор с успехом производится отечественными клонопроизводителями. Неплохой вариант для первых опытов.
 

Вложения

  • PS2 audio.jpg
    PS2 audio.jpg
    39 KB · Просмотры: 349
Желательно указывать источник откуда добыта схема.
 
Два операционника на рассыпухе с коррекцией между.Работать будет без проблем, но если есть пара оперов, суета с биполярами лишняя.
 
А легкий путь найти оригинальные операционные усилители?
 
TL072 вряд ли кто будет подделывать. Более того- многие дорогие "кетайские" ОУ - это перемаркированные TL072. Так их тут и хватит.
 
лм833 от Техас давно есть, и схема не хуже вашей
 

Вложения

  • lm833_015.gif
    lm833_015.gif
    33.6 KB · Просмотры: 328
Есть шанс купить уже их , и именно по кусачей цене. Вы будете думать что это opa2134, а это тл072
 
Есть шанс купить уже их , и именно по кусачей цене. Вы будете думать что это opa2134, а это тл072
Правильно, макетил на 082, если ожило, ставил перетыком ОРА 2134

Правильно, макетил на 082, если ожило, ставил перетыком ОРА 2134
А отличие одного лт другого-у ОПы сдвиг мизерный, милливольты на выходе, а у 082 полвольта как здрасьте
 
Я стараюсь наши компоненты использовать. 157, 544, 574 где нехватает их можно транзисторами усилить ну или композит собрать.
 
Сегодня макетил АВшничек на П605 с раскачкой опером.082й с полпинка -и побежали ,на полную до 100 килогерц, а с 544УД2 пришлось повозиться, ее неторопливые германцы заставили истерить, еле успокоил всякими коррекциями.В итоге остался 082й.
А когда стал слушать, столкнулся с непоняткой, по приборам идеальный синус на токе покоя 50 ма, а звук песочит и бас поджатый, куцый.Дал ток 120 ма, сразу услышал нормальный звук. В итоге забросил тему 605 -х, куриный у них масштаб, игрушечный.В приемник портативный самое то.А колонки тянуть не годится.

Вот этот абшник.
 

Вложения

  • IMG_20220929_131812_1.jpg
    IMG_20220929_131812_1.jpg
    398.6 KB · Просмотры: 319
Вот этот абшник.

Смущает то, что опорная "земля" у входной части усилителя и у нагрузки выхода - разные. В процессе работы схемы между ними будет возникать переменный плавающий потенциал, ухудшающий точность слежения ООС - параметры конденсаторов в ИП ведь далеко не абстрактно-идеальные. То же самое, как мне скромно думается, касается и аналогичных схем с однотранзисторным входом.
 
Смущает то, что опорная "земля" у входной части усилителя и у нагрузки выхода - разные. В процессе работы схемы между ними будет возникать переменный плавающий потенциал, ухудшающий точность слежения ООС - параметры конденсаторов в ИП ведь далеко не абстрактно-идеальные. То же самое, как мне скромно думается, касается и аналогичных схем с однотранзисторным входом.
Безопасность для колонок важнее тонкостей работы оос.И задача была послушать транзисторы в своей схеме, не по журнальной лохматых годов.
Одиночная емкость с нагрузкой в землю даст грохот при включении.Да вы сами это прекрасно знаете.Спасибо за комментарии.
 
Схема по идее Худа на 806 германии существует и в двуполярном варианте питания со средней точкой вторички.Что тянет за собой схему защиты динамиков, попытка обойтись болтающейся в воздухе нагрузкой не сработала, получался триггер.В общем, непросто все.
 
Как это к корректорам относится?
 

Вложения

Статистика форума

Темы
3,304
Сообщения
263,096
Пользователи
2,544
Новый пользователь
vlad'mir
Назад
Сверху Снизу