Транзисторные винил-корректоры

приблизительный аналог СА3130
1747641042519.png1747641116952.png
Охрененный аналог. Что ни говори. Это как ты - примерны аналог допустим Волочковой. Ну прям одно и тоже.
 
Не поспішай з висновками. Буржуазні виробники зазвичай не дають повних поелементних схем своїх виробів." Аналог" (С) то не від послідовності літер "анал"(С) ;)
 
Так измерения будут?
хотя бы в симуляторе, на УД1, УД2?
Зачем мне даташит, который намеренно сжат, для производителей совка, которые брак, по дефолту, гнали?

Именно так проверяется уровень шума в книжке Иржи Достала или в Горовице-Хилле.
да, кто же сприт, что там в учебниках? Тут, "Уж" при Ку около 8 - на УД2 "гонит", а ещё, "выкручиваться начал", теперь ему 1000 давай.
Спалился. ))
 
Так измерения будут?
Иначе этот спор бессмысленен
а мы о чём то спорим? Тут один товарищ доказывает что 544уд2 древнее гавно и ему на помойку надо..
Однако внезапно замеры усилителя показывают немного другое, а просмотр схем показывает что и зарубежных аналогов у неё просто нет- что и неудивительно, это советская разработка с нуля.
Ну а замеры, как я тебе их в метро сделаю? Рабочий день.
 
хотя бы в симуляторе, на УД1, УД2?
Зачем мне даташит, который намеренно сжат, для производителей совка, которые брак, по дефолту, гнали?
пиши письмо производителям

а мы о чём то спорим? Тут один товарищ доказывает что 544уд2 древнее гавно и ему на помойку надо..
Однако внезапно замеры усилителя показывают немного другое, а просмотр схем показывает что и зарубежных аналогов у неё просто нет- что и неудивительно, это советская разработка с нуля.
Ну а замеры, как я тебе их в метро сделаю? Рабочий день.
Просто сделай это.
И все будут тебе благодарны-наконец мы узнаем, что такое этот 544уд2 на самом деле
 
И все будут тебе благодарны-наконец мы узнаем, что такое этот 544уд2 на самом деле
Так, не надо как по Вашему, Ку - 1000, до 10 - достаточно (спасибо дизлайкам от "ни о чём", напрягли юность вспомнить)
 
Последнее редактирование:
Специально для слабоумных измерял шумы усилка "Рубеж" с 544уд2а на входе
Посмотреть вложение 135704
Но это не значит что её надо на вход УК тыкать, сдуру можно и хрен поломать. Тыб Алекс второй проверил бы, а то может уже сломал?
вот я не поленился. перерыл интернет - везде полка шума выше -140 дб, хотя оу гораздо менее шумные?
как так?
что, все дураки, один неуло умный?
единственное измерение, сравнимое с неуло это топовые оу op1612

Как у неуло получается с древним 544 получить результаты как с самыми новыми топовыми оу?
 
лучше 1000, лучше измерять большие значения, так меньше погрешности.
не надо мне отвечать, если вам это не понятно.
так Вы же начали, с "в примененной схеме ОУ", что шумит,... зачем мне Ку 1000?
У Зуева не шумит и,... она очень хороша В НУЖНОМ МЕСТЕ!!!
Тут же простые радиолюбители, не НИИ
и где Вы видели, Ку 1000, если там она грамм-да, на пластике - вполне достаточная!!!
 
лучше 1000, лучше измерять большие значения, так меньше погрешности.
не надо мне отвечать, если вам это не понятно.
Но неуло, как всегда, сольется и напишет кучу гуманитарного бредового текста о своих душевных переживаниях.
Ах, почему я должен если ты человек плохой-в таком духе
Итак, что по шумам среди того, что попалось под руку.
Питание два по 13 вольт. Обратная связь 100 ком и 100 Ом. В случаях, когда сдвиг упирался в питание. ставил емкость к 100 Омам, убирая усиление по постоянке до 1.
Шум смотрел осциллографом от пика до пика(размах) и милливольтметром В3-38 .

AD711 керамика размах шума 8-10 милливольт, по милливольтметру 1, 2 мВ сдвиг 60 милливольт с усилением 1000.

AD711 пластик , номер1, размах шума 6 мв на экране, 1.1 мВ милливольтметром. Сдвиг 0,33 вольта(!!!)

AD711 пластик , номер2 .размах шума 6 мв пик-пик, шум 1, 1 мВ. Сдвиг 0,423 вольта. (Ку =1000)

AD711 пластик номер3 размах шума 6 мв, шум 1, 15 мв, СДВИГ 70 милливольт.

Теперь держитесь. Переходим к 544УД2.
544УД2Б в металле. Позолоченная. шум по милливольтметру 8-10 милливольт, сдвиг 11 вольт (!!!) Металось на экране. пока не понял, что это выход упирается в питание, оставались только пульсации, потом снова шум . Врезал емкость.

К544 УД2А Пластик номер 1 . Шум 10 милливольт по мВ-метру. Размах 50 милливольт
К544УД2А Пластик номер2. Шум 16 милливольт по мв-метру. Сдвиг упирался в питание.

теперь пара OP-42EZ в керамике Можно выдохнуть от прежнего ужаса.Номер 1.
шум 1, 55 мВ, размах 10 мв, сдвиг 50 милливольт
Номер2. Шум 1, 55мв, размах 10мв, сдвиг 170 мв.

Были где-то ОРА 1612 ОРА 627 , но там соик, нужно перепаивать на DIP-8

ПС. Что интересно, AD711 все были как бы из одного источника, дикий перепад по входному сдвигу навевает мысли про смесь нормальных с отбраковкой. Маркировка совершенно одинаковая.
 
Итак, что по шумам среди того, что попалось под руку.
Питание два по 13 вольт. Обратная связь 100 ком и 100 Ом. В случаях, когда сдвиг упирался в питание. ставил емкость к 100 Омам, убирая усиление по постоянке до 1.
Шум смотрел осциллографом от пика до пика(размах) и милливольтметром В3-38 .

AD711 керамика размах шума 8-10 милливольт, по милливольтметру 1, 2 мВ сдвиг 60 милливольт с усилением 1000.

AD711 пластик , номер1, размах шума 6 мв на экране, 1.1 мВ милливольтметром. Сдвиг 0,33 вольта(!!!)

AD711 пластик , номер2 .размах шума 6 мв пик-пик, шум 1, 1 мВ. Сдвиг 0,423 вольта. (Ку =1000)

AD711 пластик номер3 размах шума 6 мв, шум 1, 15 мв, СДВИГ 70 милливольт.

Теперь держитесь. Переходим к 544УД2.
544УД2Б в металле. Позолоченная. шум по милливольтметру 8-10 милливольт, сдвиг 11 вольт (!!!) Металось на экране. пока не понял, что это выход упирается в питание, оставались только пульсации, потом снова шум . Врезал емкость.

К544 УД2А Пластик номер 1 . Шум 10 милливольт по мВ-метру. Размах 50 милливольт
К544УД2А Пластик номер2. Шум 16 милливольт по мв-метру. Сдвиг упирался в питание.

теперь пара OP-42EZ в керамике Можно выдохнуть от прежнего ужаса.Номер 1.
шум 1, 55 мВ, размах 10 мв, сдвиг 50 милливольт
Номер2. Шум 1, 55мв, размах 10мв, сдвиг 170 мв.

Были где-то ОРА 1612 ОРА 627 , но там соик, нужно перепаивать на DIP-8

ПС. Что интересно, AD711 все были как бы из одного источника, дикий перепад по входному сдвигу навевает мысли про смесь нормальных с отбраковкой. Маркировка совершенно одинаковая.
1747646647129.png
1747646688780.png


это AD711, значит 544 шумнее раза в 2
примерно как на графиках
 
Итак, что по шумам
что то не то у Вас с условиями измерений, Ку как размах выровнять не получается? А перекос, в один регулировать? Там крутилка для этого предусмотрена разработчиком.
измеряем шум тоже на разных приборах, так кто же симулирует по факту?
 
Последнее редактирование:
Всем на р@дость скажу, что сама дискуссия о шумах уже напоминает "белый шум", мощность которого местами даже больше (и толще), чем шум сáмого (то есть абсолютно) шумящего ОУ (или УО – усилителя отсталого /от современности/).
P. S. Придётся применять какой-нибудь OPA (который опа-опа, @мерик@-Евр0п@) 😆
 
В итоге в симуляторе Рубеж с моделью АД711 выдает 18 мкв приведенного ко входу шума, это примерно 100Дб
с моделью тл072 - 14 мкв.
с моделью АД745 - 5 мкв
не5534 - 5 мкв
опа 1612 - 2 мкв
 
Последнее редактирование:
графики видел?
тл072 в рубеже дает 30 мкв шума, смотри сколько 544 на графике
Кстати, в коллекции есть несколько сохранившихся 082-х , Тайвань или Малайзия, настоящие. Вернусь к измериле, перепаяю на 082й обвеску, гляну шумы, оч интересно
И вспомнил про AD825XN , есть парочка."Подарок из Африки"
 
Последнее редактирование:
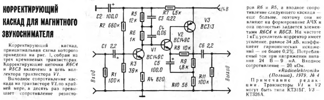
для ММ. Конструктивно все осные схемы японцы 50 лет назад перепробовали и безосные тоже. Так чего надо и сколько?
вот вариант польских радиолюбителей
добавление одного резистора повышает перегрузочную способность (см. с -М)
 

Вложения

  • R1979-08_УК.png
    R1979-08_УК.png
    279.5 KB · Просмотры: 92
  • Radioelektronik_1979-04_2kHz-square.png
    Radioelektronik_1979-04_2kHz-square.png
    50.5 KB · Просмотры: 91
  • Radioelektronik_1979-04_1kHz-AH.png
    Radioelektronik_1979-04_1kHz-AH.png
    65 KB · Просмотры: 73
  • Radioelektronik_1979-04_10kHz-FCD.png
    Radioelektronik_1979-04_10kHz-FCD.png
    50.9 KB · Просмотры: 67
  • Radioelektronik_1979-04_10kHz-spectr.png
    Radioelektronik_1979-04_10kHz-spectr.png
    52.4 KB · Просмотры: 66
  • Radioelektronik_1979-04_50Hz-burst.png
    Radioelektronik_1979-04_50Hz-burst.png
    56.7 KB · Просмотры: 75
  • Radioelektronik_1979-04_Bode.png
    Radioelektronik_1979-04_Bode.png
    55.1 KB · Просмотры: 76
  • Radioelektronik_1979-04-M_1kHz-AH.png
    Radioelektronik_1979-04-M_1kHz-AH.png
    66.8 KB · Просмотры: 56
  • Radioelektronik_1979-04-M_10kHz-spectr.png
    Radioelektronik_1979-04-M_10kHz-spectr.png
    53.5 KB · Просмотры: 61
Последнее редактирование:
это AD711, значит 544 шумнее раза в 2
примерно как на графиках
Шум м.с. с биполярным и пол. входом имеют разную природу. С пол.тран-ми все понятно и просто.
С биполярными, нужно знать сопр - е предыдущего каскада.
AD797 имеет сумасшедшим параметры только при Rи<500ом. Но в корректоре ММ уже будет
примус. На форуме есть график по которому определяется оптимальный режим конкретной м.с.
Итак, что по шумам среди того, что попалось под руку.
Почитай журнал. Там все есть. Как и что и почему.
А не фигвам будешь измерять с Ку=60дБ.
Быстро только кошки родятся.
 
В чём различие свойств ОУ, выпкщенных этими заводами?
Андронников их перемерил, ссылка, где то в ветке.
По себе скажу, УД2А - относительно быстрая, в композите настроить не получилось (но, можно), с УД2Б - почти с 5 раза, а самое прикольное, что НЕ ШУМИТ ни разу, применяться как ушник у многих.
То, что выше, как метрология и то "провальное", не мастер, но выходные параметры не корректные (кажись)
 
Шум м.с. с биполярным и пол. входом имеют разную природу. С пол.тран-ми все понятно и просто.
они обе полевые тл072 и ад711

Загрузил в чатгпт графики и попросил вычислить приведенное ко входу напряжение шума 20-20кц
1747652096233.png
 
Шум м.с. с биполярным и пол. входом имеют разную природу. С пол.тран-ми все понятно и просто.
С биполярными, нужно знать сопр - е предыдущего каскада.
AD797 имеет сумасшедшим параметры только при Rи<500ом. Но в корректоре ММ уже будет
примус. На форуме есть график по которому определяется оптимальный режим конкретной м.с.

Почитай журнал. Там все есть. Как и что и почему.
А не фигвам будешь измерять с Ку=60дБ.
Быстро только кошки родятся.
А ты не видел, что я измерял только полевые микросхемы? И не думаю, что 100 ком на неинвертирующем входе вместо перемычки что-то круто поменяет в предварительных замерах. Экран нужен от фона, но это в другой раз.
Из биполяров на входе только ОРА 1612 и разные К140
Единственное. что сделаю в другой раз, резистор ООС возьму на 10 килоом, чтобы шумел поменьше.
 
вот вариант польских радиолюбителей
Мне нравятся такие простые схемы. Прикольно, для своего времени. Вы над ней поработали, чуть раньше. Но на мой взгляд не совсем удачно. Такие вещи лучше делать с полевым на входе.
 
Мне нравятся такие простые схемы. Прикольно, для своего времени. Вы над ней поработали, чуть раньше. Но на мой взгляд не совсем удачно. Такие вещи лучше делать с полевым на входе.
Усиление обвалится с полевиком.
 
Загрузил в чатгпт графики и попросил вычислить приведенное ко входу напряжение шума 20-20кц
Посмотреть вложение 135810
Получается, 072й спокойно ставим в малошумящие схемы. По памяти, там сдвиг немалый, особенно у 082-х. А так- я на этих 082-х макетил и делал пробный пуск своего микросхемного корректора, и если все спокойно, уже ставил ОРА2134.
 
Получается, 072й спокойно ставим в малошумящие схемы. По памяти, там сдвиг немалый, особенно у 082-х. А так- я на этих 082-х макетил и делал пробный пуск своего микросхемного корректора, и если все спокойно, уже ставил ОРА2134.
ну смотря с чем сравнивать
если с опа828, то 072 уже не малошумящий
 
Мне по душе ближе двойка на N полевике на входе - и к нему гальваникой P биполяр вверх тормашками.
Так это... получился новейший полевой биполярный транзистор: так как работают оба типа носителей заряда! То есть Пуш-пульный вариант!
 
ну смотря с чем сравнивать
если с опа828, то 072 уже не малошумящий
Макетил корректор на 082, он не шумел особо, зато звучал красиво, жалею, что растрындил их направо- налево с конца90-х. Знать бы. что ждет...
 
Биполяру проще в коллектор врезать стокилоомную цепочку, микротоковый режим - самое то.
К сожалению в подобных схемах микротоковый режим не прокатывает. Страдает линейность. Эта схема практически упрощенный Никитин.
 

Статистика форума

Темы
3,304
Сообщения
263,139
Пользователи
2,544
Новый пользователь
vlad'mir
Назад
Сверху Снизу