Усилитель Корвет - Стерео

В те далекие времена когда вышла пластинка "по волнам моей памяти" слушал её на Мелодии 103, "студента" так вообще каждый божий день )))
и Дэвид Боуе со своей "лампой Аладдина".
Тогда у меня подруга отпетая меломанка была у неё как раз эта Вега 101, с первого захода установили пластинку и я услышал жесткач конкретный такой против Мелодии.
Ни за, что бы не променял свою 103ю на эту Вегу.
Вот такие слуховые ощущения в то время были))
 
В те далекие времена когда вышла пластинка "по волнам моей памяти" слушал её на Мелодии 103, "студента" так вообще каждый божий день )))
и Дэвид Боуе со своей "лампой Аладдина".
Тогда у меня подруга отпетая меломанка была у неё как раз эта Вега 101, с первого захода установили пластинку и я услышал жесткач конкретный такой против Мелодии.
Ни за, что бы не променял свою 103ю на эту Вегу.
Вот такие слуховые ощущения в то время были))
Ну у меня Маранц тоже против Веги И корвета мягенько и чисто играют.
А вот такого вовлечения и подачи у него нет.

И смотря на чём ещё слушали эту Вегу.Что за АС.Если на МАС-1М,то сочувствую.
Такая мелодия была? Играла хорошо,но АС я сменял на ширики ,они лучше были,а потом купил Веговские 15 или 20 АС не помню уже,они были лучше.
 

Вложения

  • melodija101s00.jpg
    melodija101s00.jpg
    143.7 KB · Просмотры: 91
Сколько слушал Маранцев по звуку они "ласковые" такие, слушать Шаде, нашу мадам Жасмин, но я такое не слушаю.
Мне недавно такие широкополосники попались от JVC маде ин Чина.

И смотря на чём ещё слушали эту Вегу.Что за АС.Если на МАС-1М,то сочувствую.
Родные АС всё куплено в ГУМе, не помню как они назывались.
 
Попробуйте к маранцу ас подключить через мощные резисторы 2...4ом
У мелодии вч кремний на выходе,но ее тоже можно значительно улучшить применив двухполюсную коррекцию
 
Родные АС всё куплено в ГУМе, не помню как они назывались.
Ну родные там и были МАС 1М .Вот и звук дерьмовый был.
Я то ни Викториях слушаю.
С современными колонками эти уси не очень звучат.
Как и виктории на современных усях.
Очень долго надо подбирать,чтоб всё было как надо.
 

Вложения

  • Screenshot_39.jpg
    Screenshot_39.jpg
    95.4 KB · Просмотры: 89
У маранца демпфирование большое,а с резистором будет звук живее
Маранцы разные бывают,какие умеете ввиду)
У 80мк2 вроде 120.
У 75 100 вроде.

У НАД ещё больше у 372го 150, а у НАД 325би ещё больше чем у 372го 160,хоть он и младше по классу.

Хотя по пробую как нибудь ради интереса.

Я резисторы к Ямахе ресиверу ставил когда 4ом колонки подключал,звук вообще не очень был с ними,после резистора выровнялся.
 
У Вас АС в каком оформлении?Если ЗЯ или ОЯто стоит попробовать,ФИ наоборот любит сильное демпфирование
 
У Вас АС в каком оформлении?Если ЗЯ или ОЯто стоит попробовать,ФИ наоборот любит сильное демпфирование
75й с ФИ Селейшн Ф-30
80й с БиВ 220 ЗЯ.
На второй паре Селейшн Ф-15 ФИ
ОЯ и так отлично играют что на НАД что на Маранцах
Да и вообще на чём угодно практически.
 
Маранцы разные бывают,какие умеете ввиду)
У 80мк2 вроде 120.
У 75 100 вроде.
У НАД ещё больше у 372го 150, а у НАД 325би ещё
Эти цифири демпфирования пишут для неграмотных невежд в рекламных целях.
Цифры насквозь лживые (малозначащие).
И разницы между 150 и 50 нет вообще никакой.
Что значит 150? Значит во столько раз выходное сопротивление УНЧ меньше, чем у нагрузки.
Пусть нагрузка 4 ом. Тогда 4/150=0,027 ом ну предположим. Второй случай 4/50=0,08 ом.
Жуть какая разница!!! Целых ТРИ РАЗА _scare
А теперь считаем не в симуляторе. В лучшем случае сопротивление акустического кабеля с контактами 0,2 ом. Складываем и получаем 0,227 и 0,28 ом, отношение = 1,23 м-да, какая-то разница есть, но не слишком.
Но АС практически всегда не один динамик, а несколько и с фильтрами. Пусть R катушки фильтра НЧ динамика = 0,4 ом. Считаем.
0.68/0,627=1,08. Думаете 8% здесь настолько важны? При разнице демпфирования 300% ?
Демпфирование имеет значение когда выходное сопротивление УНЧ сопоставимо с сопротивлением НЧ динамика, у транзисторных УНЧ это редкость, а вот у ламповых - сплошь и рядом.
Так что если демпфирование десятки раз и выше, не имеет значения - тысячи или миллионы.
Фанатики демпфирования не интересуются входным импедансом АС и качеством акустического кабеля. Разве что аудиофилы.
Самое смешное - те же аудиофилы часто советуют добавить ну там несколько Ом чтобы лучшее было наплевав на это демпфирование.
И на то есть основания - "лучше" бас т. е. обычно бубнение, басящий горб. А СЧ динамики нередко звучат лучше. Но АС - то одна! Одно - лучше, другое - хуже. Вот для ШП на щите выгоды могут быть однозначны.
***
Относительно замены транзисторов с Гэ усилением не в выходных каскадах, я соглашусь и легко сделаю то же. Но тут надо иметь некоторый опыт. Поэтому вернусь к тому что постоянно и без толку повторяю: если пытаешься советовать, то делай это не по себе, не по своим возможностям, а по возможностям и умению того кому советуешь. Простым перетыком транзисторов можно получить отрицательный результат, а подогнать правильно режимы, проверить возбуждение и пр. - не каждый сможет.
Поэтому "не уверен - не лезь".
Забавно что УНЧ мелодий серии 10*
C6m42hf4g56Yr_003.png

сделан по мотивам... узнаете?
1969.jpg

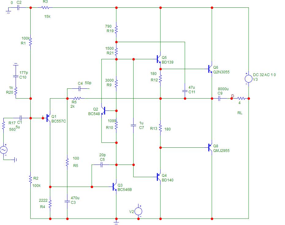
Сходство явное, хотя Мелодии работают в классе АВ. И транзисторы на заводе ставили какие были на складе и вообще доступны. Отсюда такая солянка германия и кремния. Кстати, на выходе - кремний что очень разумно, поэтому говорить о "германиевом" звуке неразумно.
Влепили дополнительно ГТ402, 404 не для звука, а потому что с кремниевыми аналогами была напряжёнка. А добавили разумно поскольку типичное усиление мощных выходных транзисторов - слёзы.
В приведённой схеме Мелодия-103 не вижу никаких препятствий для замены хренового П307 на более современный с хорошим усилением, раньше у нас таких просто не было.
От себя добавлю. Субъективно мне кажется что УНЧ с такой парой транзисторов на входе проще и звучат лучше, чем с дифкаскадом, хотя дифкаскад впоследствии победил поскольку цифирки у него лучше.
 
Он сделан скорее по Лик-30 или Тоби-Динсдейлу:)
 
В меллодии вообще нужно все поменять поставить совр кремний комплиментар,нормальную коррекцию сделать,раз в 50 искажения уменьшатся при той же схеме
 
В меллодии вообще нужно все поменять поставить совр кремний комплиментар,нормальную коррекцию сделать,раз в 50 искажения уменьшатся при той же схеме
THD - 7m% по Микрокапу у меня вышло.
Живьём не измерял, лень.
 
THD - 7m% по Микрокапу у меня вышло.
Это квази или комплиментар на выходе?туда надо 5198/1941 на выход и будет классный звук,ну и остальные транзюки сменить ,резистор в коллекторе первого каскада уменьшить до 560ом и двухполюсную коррекцию
 
Не надо никаких излишеств!
Вполне КТ818\819 справляются.
Двухполюска - пробовал, не понравилась.
 

Вложения

  • 123.jpg
    123.jpg
    54.4 KB · Просмотры: 124
туда надо 5198/1941 на выход
_scare
Двухполюска - пробовал, не понравилась.
_scare
***
Думаете, Владимир понимает о чём вы спорите?
Думаете, он всё бросит и начнёт делать по примеру "Семь нянек и останется без глаза"? Глаз в данном случае - Корвет. Уверен, если он его раскурочит, будет как старуха с разбитым корытом.
Очень надеюсь - нет.
Вот ВЫ сделайте и покажите как надо.
Я представляю что надо делать новые платы под размер, чтобы всё совпало и т. д. короче, овчинка выделки не стоит.
В школе я недоумевал - как это взрослые дяди могут спорить на тему "сколько чертей поместится на кончике иглы?"
Позже убедился, что не только могут, но что это их любимое занятие.
БЕССМЫСЛЕННОЕ.
 
_scare

_scare
***
Думаете, Владимир понимает о чём вы спорите?
Думаете, он всё бросит и начнёт делать по примеру "Семь нянек и останется без глаза"? Глаз в данном случае - Корвет. Уверен, если он его раскурочит, будет как старуха с разбитым корытом.
Очень надеюсь - нет.
Вот ВЫ сделайте и покажите как надо.
Я представляю что надо делать новые платы под размер, чтобы всё совпало и т. д. короче, овчинка выделки не стоит.
В школе я недоумевал - как это взрослые дяди могут спорить на тему "сколько чертей поместится на кончике иглы?"
Позже убедился, что не только могут, но что это их любимое занятие.
БЕССМЫСЛЕННОЕ.
Конечно не буду.
Я и так сетевой шнур заменил и выключатель.
Мне кажется достаточный апгрейд.
Но старые кондеры выходные я бы вернул.

Если хотят могут прикупить Корветы на авито,там их есть несколько.
Я свой кстати из Ленинграда умыкнул,от Юан из под носа..
Но стоят они не от 1000р как Веги.

П.С.
Они о Мелодиях уже спорят кажется.
 
Не надо никаких излишеств
R13 и R12 оторвать от выхода и заменить на один резистор .будет быстрее разряд паразитных емкостей выходников при переключении
R4 уменьшить до 680ом,и прицепить к эмиттеру УНа,в эмиттер УНа резистор 10ом,миллера сделать двухполюсным 50пф+100пф и резистор между ними на землю 1,6к
 
_scare

_scare
***
Думаете, Владимир понимает о чём вы спорите?
Думаете, он всё бросит и начнёт делать по примеру "Семь нянек и останется без глаза"? Глаз в данном случае - Корвет. Уверен, если он его раскурочит, будет как старуха с разбитым корытом.
Очень надеюсь - нет.
Вот ВЫ сделайте и покажите как надо.
Я представляю что надо делать новые платы под размер, чтобы всё совпало и т. д. короче, овчинка выделки не стоит.
В школе я недоумевал - как это взрослые дяди могут спорить на тему "сколько чертей поместится на кончике иглы?"
Позже убедился, что не только могут, но что это их любимое занятие.
БЕССМЫСЛЕННОЕ.
Все так. Если в аппарате никто не полазил и не надругался над дорожками, то полезнее вычистив его от пыли, неспешно заменить заведомо сдохшее от времени, не кидаясь менять все подряд . И пущай радует звуком.
 
Двухполюска - пробовал, не понравилась
В симуляторе не понравилась?с двухполюской эта схема может на 20кгц под 100дб усиления иметь,а обычный миллер максимум 60дб позволит
А оос тут очень важна,это Вам не А класс,тут ступеньку давить надо на вч
 
_scare

_scare
***
Думаете, Владимир понимает о чём вы спорите?
Думаете, он всё бросит и начнёт делать по примеру "Семь нянек и останется без глаза"? Глаз в данном случае - Корвет. Уверен, если он его раскурочит, будет как старуха с разбитым корытом.
Очень надеюсь - нет.
Вот ВЫ сделайте и покажите как надо.
Я представляю что надо делать новые платы под размер, чтобы всё совпало и т. д. короче, овчинка выделки не стоит.
В школе я недоумевал - как это взрослые дяди могут спорить на тему "сколько чертей поместится на кончике иглы?"
Позже убедился, что не только могут, но что это их любимое занятие.
БЕССМЫСЛЕННОЕ.
Вот за Владимира я вполне спокоен, как и за его аппаратуру. Он вполне и достаточно прагматичен.;)
Доработка мощника у Мелодии не так страшна, как кажется. Пример - ниже на фото.
Глаза - боятся, руки - делают.
P.S. К сожалению, у меня был вариант без "вольтобавки", пришлось городить сверху "мостик" из
R-C-R.
 

Вложения

  • 123.jpg
    123.jpg
    296 KB · Просмотры: 417
Вот за Владимира я вполне спокоен, Он вполне и достаточно прагматичен.;)
Не соглашусь. Он слишком осторожен. Тратит уйму времени и сил на механику, а лезть в электронику опасается, увы. Хотя механика сложнее.
Заменить транзистор, даже если сам его и сжёг - плёвое дело, они не дефицит и дёшевы.
А попробуй сломать механику и ?.. Нигде не купишь под замену, а сделать самому - трудненько.
А как заменить разбитую панель, корпус и пр. ?
 
А как заменить разбитую панель, корпус и пр. ?
Вот это - самая главная засада!
Правда, сейчас на принтерах "наплёвывают" детали вполне успешно,
но это - пластик, да и цена часто сравнима со всем реставрируемым аппаратом.:cry:
 
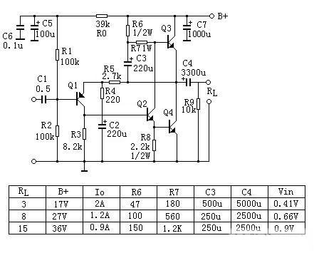
Лучшая доработка мелодии у П.Зуева .Радио 8/78.
Перепаивать старые платы тот еще хеморрой. Дорожки отваливаются
 
Лучшая доработка мелодии у П.Зуева .Радио 8/78.
На тот момент да,сегодня можно намного лучше сделать,применив комплиментар на выходе и поставив но́рмальные транзисторы с хорошей бэттой и Ft
Да и конские эмиттерные резисторы по 1ом нужно снизить до 0,16...0,22ом
 
На тот момент да,сегодня можно намного лучше сделать,применив комплиментар на выходе и поставив но́рмальные транзисторы с хорошей бэттой и Ft
Да и конские эмиттерные резисторы по 1ом нужно снизить до 0,16...0,22ом
ну полностью на кремний надо перевести ,
 
ну полностью на кремний надо перевести
Главное квази выкинуть 5198/1941 стоят как кило колбасы,не нужно жадничать,они по бэтте одинаковые и вообще лучше,чем гемор 819/818 пару подбирать
 
Главное квази выкинуть 5198/1941 стоят как кило колбасы,не нужно жадничать,они по бэтте одинаковые и вообще лучше,чем гемор 819/818 пару подбирать
зачем сюда мощные транзисторы ? три пары кт850/851 или импортных аналогов без всякого подбора и радиатор типа пластины 3-5 мм во всю заднюю стенку
 

Статистика форума

Темы
3,304
Сообщения
263,025
Пользователи
2,544
Новый пользователь
vlad'mir
Назад
Сверху Снизу