Динозавр
1 ранг
- Регистрация
- 31 Янв 2023
- Сообщения
- 3,435
- Реакции
- 1,075
- Баллы
- 72
- Страна
- Россия
- Город
- станица Пашковская
- Имя
- Александр
- Предупреждений
- 3
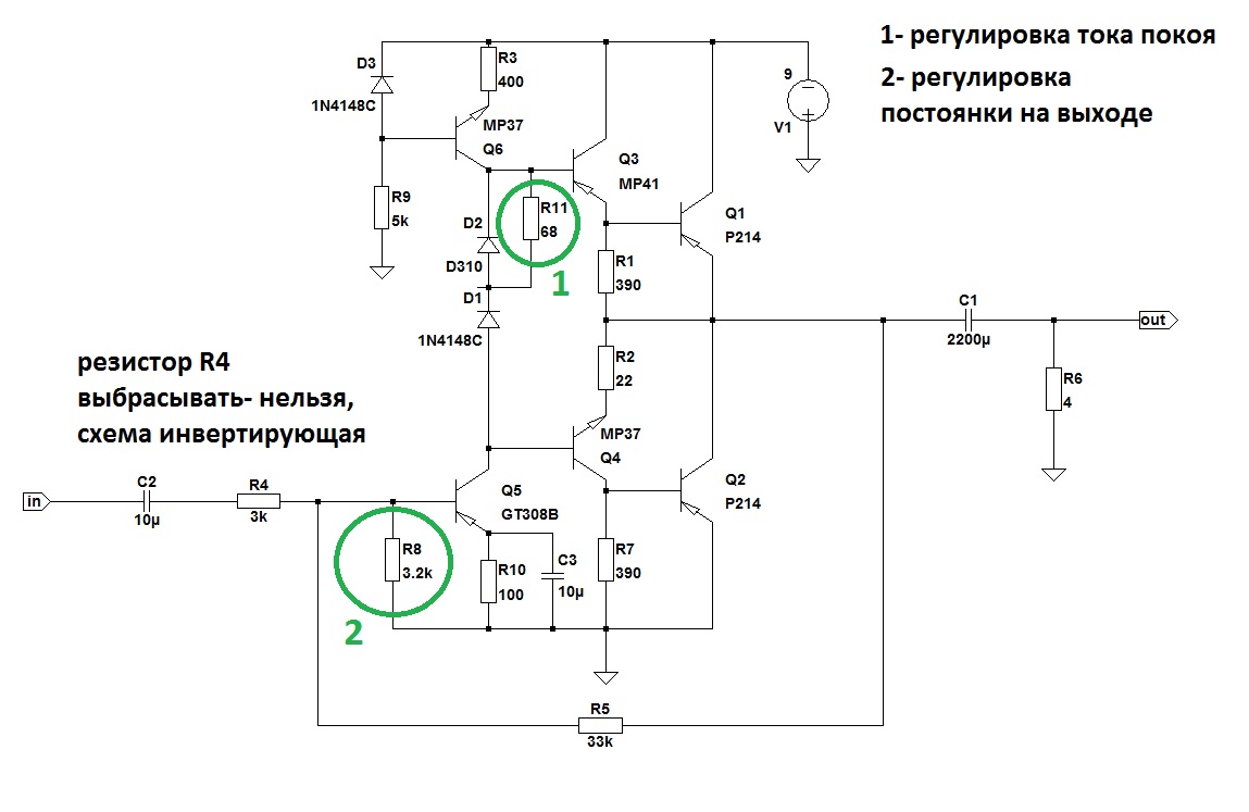
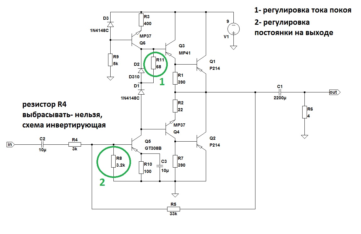
А если в плечи поставить разные транзюки (предполагаю, что вниз-высокочастотный)))Покатит в Ашнике, даже на таком навозе
