Германиевые УНЧ

При испытании К157УД2 с усилением 1000 выходной сигнал с размахом +/- 8В (16В пик-пик) снизился до +/- 6,5В (13В пик-пик) при 200 кГц
ММээээ.....544уд2А бежит усилением 30 с амплитудой 13 в пиковых -26в пик-пик- за 400кгц. Задача такая, суровая. И AD711 справляется , на равных. Прочие отстали.
 
У 544уд2 вк хилый ,не сравнить с 157уд2
 
В справочнике указано что К157УД2 допускает ток КЗ в 45 мА при питании +/-15В
 
Что еще понравилось в К157УД2, полоса с усилением 100 с конденсатором коррекции 6,8 пФ - 83 кГц (-3дБ), без коррекции ровная до 200 кГц (выше не измерял). С усилением 1000 - 200 кГц (-1,8дБ) без коррекции (с конденсатором 6,8 - 10 пФ - возбуждение).
Пожалуйста уточните, не понял последнее - тоесть с коррекцией - возбуд, а ''лысая'' - всё хорошо ?
Тоесть ? Хоть так, хоть сяк -' лысая - лучше ?
 
это же только вк линеаризируется. Зачем туда двухполюсную коррекцию . Смысла нет никакого

Ответ, очевидно, прост: чтобы изъять меньше усиления из общей петли. Кондёрчик-то заводится в весьма высокоомную точку. :)
 
В справочнике указано что К157УД2 допускает ток КЗ в 45 мА при питании +/-15В
Пропустил бы больше ,если бы имел возможность отвода тепла ,как у современных оу в SOIC_N_EP
 
Увидел тут венгров по току как п217 примерно, а по частоте передача тока 0,25 МГц против 0,1 МГц.
 

Вложения

  • IMG_20231216_184156.jpg
    IMG_20231216_184156.jpg
    156.3 KB · Просмотры: 96
  • IMG_20231216_184404.jpg
    IMG_20231216_184404.jpg
    156.4 KB · Просмотры: 103
я же не меж выводов коррекции говорю. А как у современных оу скоростных сделать. Только и всего
Так понятнее, но просто так не воткнёшь,- попробовал... Хрендель какая то. Двухполюсная как я нарисовал на голову лучше. Да она и работает у меня давным давно уже в усилке.
 
это же только вк линеаризируется. Зачем туда двухполюсную коррекцию . Смысла нет никакого
я же не меж выводов коррекции говорю. А как у современных оу скоростных сделать. Только и всего

Тот "финт" из AD825 не про коррекцию усиления в общепринятом смысле, т.к. никакого внутреннего усиления тем конденсатором не охвачено и, соответственно, не про линеаризацию, а про устойчивость ОУ при работе на тяжёлую ёмкостную нагрузку, о чём в даташите прямо и сказано:

The capacitor, CF, in the output stage, enables the AD825 to drive heavy capacitive loads. For light loads, the gain of the output buffer is close to unity, CF is bootstrapped, and not much happens. As the capacitive load is increased, the gain of the
output buffer is decreased and the bandwidth of the amplifier is reduced through a portion of CF adding to the dominant pole.
As the capacitive load is further increased, the amplifier’s bandwidth continues to drop, maintaining the stability of the AD825.
 
Я в курсе, кого и куда. Поэтому шустрого AD167-го в нижний этаж, а тормозного 1016- наверх, повторителем. Замеры по полосе не делал, новая тема перебила.
Вообще результат очень интересный и неожиданный.Я считаю ,что измерения это хорошо,но после настройки обязательно нужно ПРОСЛУШАТЬ оба варианта (с двумя гт806 на выходе и 1016 с гт806).Мне думается,второй вариант будет более басовито и наполнено ,первый более тоще.По ВЧ на слух одинаково.Поэтому тут не в экономии дело,а может получится ,что и по звуку лучше.100кГц -уже достаточно для очень хорошего звука.Среди любителей германиевого звука распространено мнение ,что лучше звучат усилители с транзисторами на выходе имеющие fгр. 300-500кГц,ниже-ВЧ нет , выше -звук тощий становится и начинает на кремний походить.
 
Вообще результат очень интересный и неожиданный.Я считаю ,что измерения это хорошо,но после настройки обязательно нужно ПРОСЛУШАТЬ оба варианта (с двумя гт806 на выходе и 1016 с гт806).Мне думается,второй вариант будет более басовито и наполнено ,первый более тоще.По ВЧ на слух одинаково.Поэтому тут не в экономии дело,а может получится ,что и по звуку лучше.100кГц -уже достаточно для очень хорошего звука.Среди любителей германиевого звука распространено мнение ,что лучше звучат усилители с транзисторами на выходе имеющие fгр. 300-500кГц,ниже-ВЧ нет , выше -звук тощий становится и начинает на кремний походить.
Все что вы говорите. имеет под собой основание вам верить и думать в ту же сторону. Потому что слух такая хитрая штука, ему может нравится откровенно дешманское нечто о трех паршивых транзисторах , в то же время навороченная расфуфырь, с которой тащится целый форум и верещит. что мы там порвали всех как тузик грелку, кроме недоумения и ощущения, что тебя на...али, ничего другого не вызывает.
 
Все что вы говорите. имеет под собой основание вам верить и думать в ту же сторону. Потому что слух такая хитрая штука, ему может нравится откровенно дешманское нечто о трех паршивых транзисторах , в то же время навороченная расфуфырь, с которой тащится целый форум и верещит. что мы там порвали всех как тузик грелку, кроме недоумения и ощущения, что тебя на...али, другого не вызывает.
Усилитель с 100кГц может лучше звучать ещё и потому,что будет иметь гораздо короче спектр,чем более высокочастотный.Хоть и иметь больше искажений низких порядков.
 
п213 слышно хорошо в разных схемах, где ВК на п213 везде характерный окрас.
Но гт 703 и ад162 отличаются, хотя они стоят в УНЧ Лен, а мне пишут про хитрый кондёр, который вроде режет частоту выше 5 кГц, но поскольку УНЧ Лен-б никто не измерял меандрами меряться не с кем, но однако просто приятно звучит и всё.
 
п213 слышно хорошо в разных схемах, где ВК на п213 везде характерный окрас.
Но гт 703 и ад162 отличаются, хотя они стоят в УНЧ Лен, а мне пишут про хитрый кондёр, который вроде режет частоту выше 5 кГц, но поскольку УНЧ Лен-б никто не измерял меандрами меряться не с кем, но однако просто приятно звучит и всё.
А еще , одновременно с кучкой транзисторов задарили плату от венгерского усилителя BEAG , на паре этих самых 161-162. Измерил, ужаснулся, транзисторы выдернул, ждут вдохновения.
 

Вложения

  • 01-Text-Verst-1S-01.jpg
    01-Text-Verst-1S-01.jpg
    189 KB · Просмотры: 271
Последнее редактирование:
Взять оригинал 1977 г. и переделать\приделать квазикомплементарного "хвоста" на германии.
Можно приделать германиевый"хвост" Дьябле:)
Из за плохих частотных свойств германия эта идея довольно таки затруднительна в реализации. Моделирование даже кремниевого квази-хвоста для Видерхолда, даже без диодов(и с ними тоже) кажет весьма неслабую ступеньку. Что будет делать германий в такой ситуации- я не знаю.)
 
В Сырицо их с использованием 140уд11 . в 8 /82 радиво
 
кажет весьма неслабую ступеньку
Сделать нормальное смещение (на транзисторе).
Взять более традиционную схему квазикаскада. Можно и от Мантридов:)
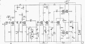
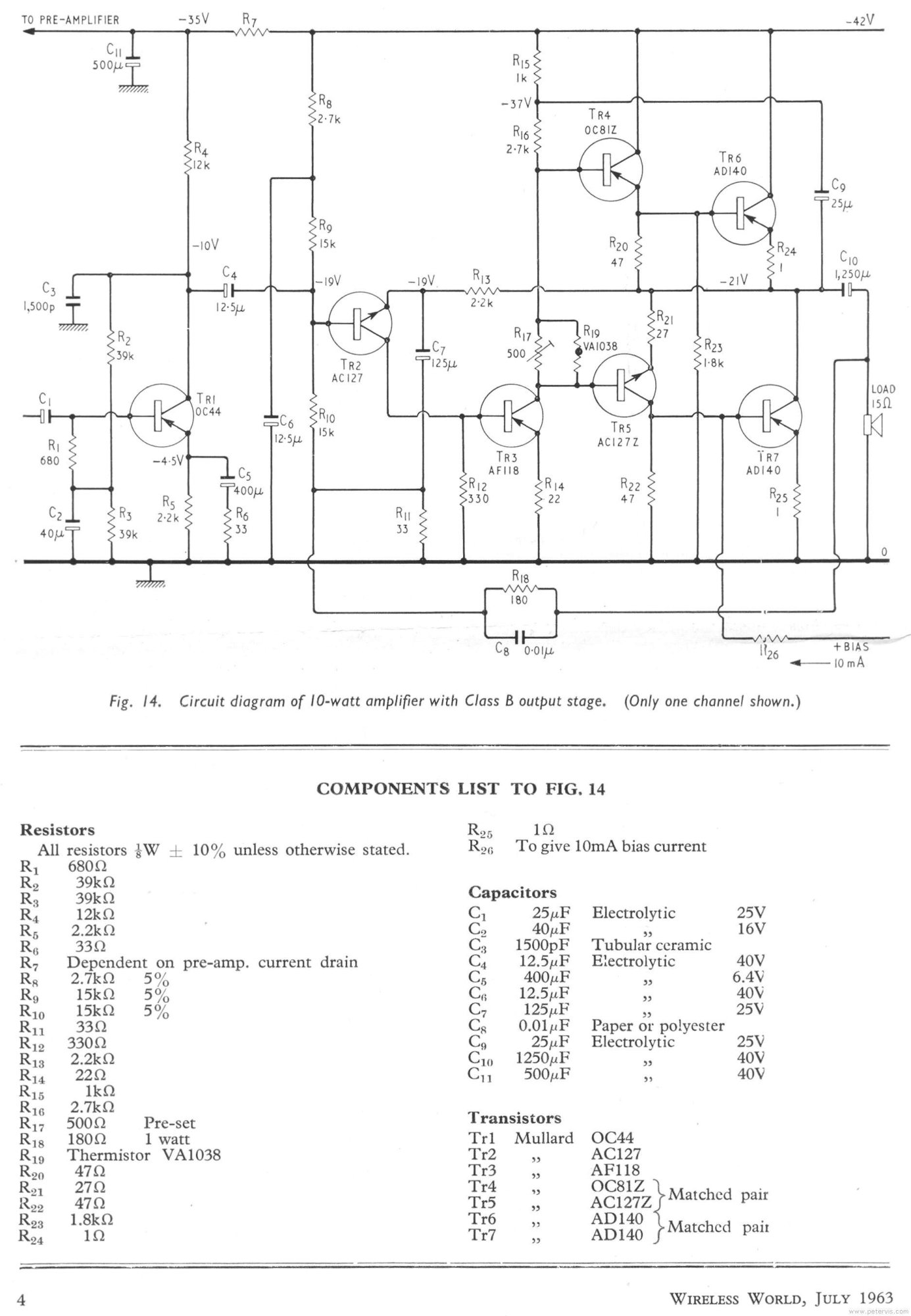
10-watt-class-b-amp-03.jpg
 
Последнее редактирование:
Сделать нормальное смещение (на транзисторе).
Взять традиционную схему квазикаскада. Можно и от Мантридов:)
Моделировал я любимую так Мовингом схему квазикаскада где МП37 берётся два и делается из них дарлингтон... Не знаю. Смысла в этом большого не нашел. Обычный квази на германии более менее норм работает.
 

Вложения

  • 5-watt-class-a-amp-04.jpg
    5-watt-class-a-amp-04.jpg
    154.9 KB · Просмотры: 171
  • scale_1200.jpeg
    scale_1200.jpeg
    182.8 KB · Просмотры: 166
В туристе для 5 Вт отличный по размеру медкаскадник 4,5 см
пт 848 маркировка

IMG_20231217_113725.jpg
 
Оно конечно хорошо перебирать схемочками, от известных.
Только засада в том. что все они АВшники, с мелким током покоя. А жизнь показала,(мне конкретно) что добавка этого тока заметно украшает итоговое звучание.
Поэтому и вожусь со схемочками, в которых ток покоя заведомо большой.Чтоб как в том анекдоте- одной проблемой меньше.
 
+-23 v (двухполярка со средней точкой ) транс ТС-40-8.
Выход двухтактный с фазорасщепительным трансформатором на П210 без смещения (легко переделать в АВ и поставить ГТ806). Раскачка - комплементарный каскад П605\П701
Купил вчера ЛОМО 6у34У3
12 Вт номинал, ну ок.
 
Многие заметили,что я усердно "топлю" за германиевые усилители,но не поняли меня или не внимательно читали.Германиевые усилители ,которые хорошо звучат -это ВЫЛИЗАННЫЕ,ПЕРЕБРАННЫЕ винтажные американские,английские или европейские усилители сделанные на высококачественных радиокомпонентах и транзисторах на выходе специально разработанных для аудио с Fгр.300-1000кГц.Преимущественно с межкаскадным трансформатором высокого качества исполнения.Плюс к этому чувствительная , специально подобранная акустика тех лет на кобальте (одно с другим неразрывно связано). Прекрасные результаты на германии у Святослава и АБ на отечественных высокочастотных мощных транзисторах в новых изысканиях. Даже из Японии усилители 1960-1970гг на германии фуфло по звуку,за совок даже вспоминать не хрен(привет усилителю из автобуса).
Всё остальное просто мусорный триппер,не имеющий даже нормального звука, убивающий ваше драгоценное время и деньги. NEULO, М. Васильев уже даже устали глумится над такими "германщиками" и правильно делают ,и я их прекрасно понимаю.
 

Статистика форума

Темы
3,307
Сообщения
263,659
Пользователи
2,548
Новый пользователь
Александр Н.
Назад
Сверху Снизу