Германиевые УНЧ

Бедный ГТ404Г, что ж над ним так поиздевались. Хоть бы закаскодили.
Усь, похоже, рассчитывался на нагрузку 16 Ом, и не ниже.
В указанные мощности при тех нагрузках "не верю". Выходные транзисторы хоть и токовые, но с невысокой бетой, совсем не составные.
 
Последнее редактирование:
Бедный ГТ404Г, что ж над ним так поиздевались. Хоть бы закаскодили.
Усь, похоже, рассчитывался на нагрузку 16 Ом, и не ниже.
В указанные мощности при тех нагрузках "не верю". Выходные транзисторы хоть и токовые, но с невысокой бетой, совсем не составные.
Схемка с питанием в 75 вольт- забава миллионера. Сразу вопрос: сколько нужно шлакоблоков, чтоб дворец построить в срок, точнее-скока ящиков новых транзисторов надо, чтобы сделать работающую схему.
 
Пониже и надо. В зависимости от возможностей предвыхода.
Вот как раз на выход таки германий.
 
Кто то собирал такой?
Я не собирал,но у меня десяток фирменных усилителей с подобной схемотехникой .Играют лучше очень многих кремниевых с кучей нулей после запятой (поэтому и покупал). На верху сибилянтов не имеют.Низ на малой громкости такой,что тонкомпенсация практически не нужна. Чуть позже выложу подобную схему ,но лучше,с немецкого сайта аудиофилов. ADZ12 - к-э 60вольт(!)
Лучше данная схемотехника поёт с альнико-кобальтовыми динамиками.Альтек выпускала с такой схемотехникой достаточно много усилителей для кинозалов в 60-70гг.,а для кинозалов в Штатах тогда всё делалось лучшее!
 
Последнее редактирование:
Транзисторы на одной подложке имеют одинаковые характеристики
Это не монокристалл, а гибридная сборка - каждый со своими характеристиками.

ADZ12 - к-э 60вольт(!)
В схеме с фазоделительным трансформатором они работают с запирающим напряжением.
 
Hoch - UpRunter - Down
2N2147
High-Quality Power Amplifier
Zn1:
R10:
R11:
R12:
R13:
R15:
R16:​
rYlBC92LneZkIUhg7a2UynJtX_K9K6l6lSsHDG5rNs7B8HELnWlfFNjsKqAkmdh05L5oX_oNB6SXU4kiufM=s0-d-e1-ft
Gu:
@f:
rYlBC92LneZkIUhg7a2UynJtX_K9K6l6lSsHDG5rNs7B8HELnWlfFNjsKqAkmdh05L5oX_oNB6SXU4kiufM=s0-d-e1-ft
Gu:
@f:
Rate
@Tc:
TYP
25
0
0
0.15
4.0
-
-
20
-
22
22
25
50
1.0
4.0
80
0.5
-
1.0
20
20
–1.0
0.02...20
–2.0
0.015...35
270
270
22
22
0.47
0.47
400
OHM​
OHM
OHM
OHM
OHM
OHM
OHM​
dB
kHz​
dB
kHz​
W
mV.RMS
A
OHM
dB
%
V
kHz
V
V​
°C​
Single-Ended Push-Pull Amplifier
Ref *?15041


Hoch - UpRunter - Down2N2147Beschreibung der Bauteile - Parts Description
C1:5.0
µF​
3V, electrolytic​
C2:200
µF​
3V, electrolytic​
C3:2.5
mF​
35V, electrolytic​
C4:39
pF​
Mica​
C5:10
µF​
3V, electrolytic​
C6:250
µF​
15V, electrolytic​
C7:39
pF​
Mica​
Q1:
40329​
PNP Transistor​
Q2:
2N3241​
NPN Transistor​
Q3:
40428​
Temperature- and voltage-compensation diode​
Q4:
40428​
Temperature- and voltage-compensation diode​
Q5:
2N2147​
PNP Transistor​
Q6:
2N2147​
PNP Transistor​
R1:1.5
kOHM​
0.5W​
R2:22
kOHM​
0.5W​
R3:270
OHM​
0.5W​
R4:1.0
kOHM​
0.5W​
R5:56
kOHM​
0.5W​
R6:22
kOHM​
0.5W​
R7:330
OHM​
1W​
R8:
OHM​
Selected to provide UCC2 rating across C3 under zero-signal conditions.​
R9:1.0
kOHM​
0.5W​
R10:270
OHM​
2W​
R11:270
OHM​
2W​
R12:22
OHM​
5W​
R13:22
OHM​
5W​
R14:33
kOHM​
0.5W​
R15:0.47
OHM​
0.5W​
R16:0.47
OHM​
0.5W​
T1:
Driver Transformer​
Turns ratio, primary to each secondary n1/n2 = n1/n3 = 3. Primary DC current-carrying capacity = 0 mA.​
 

ginalex

Тоже с интересом познакомился с данными на оригинальном сайте, года 4 назад.
Даже хотел в железе сделать, но как обычно - "руки не дошли":(
 
Чтобы не разочароваться в данной схеме,нужно на выходе оригиналы применять.Но можно попробовать 1Т910АД.
 
Чтобы не разочароваться в данной схеме,нужно на выходе оригиналы применять.Но можно попробовать 1Т910АД.
У меня был небольшой практический опыт по такой схемотхнике,
но в те годы из доступных были только П214.
Результат на макете мне не понравился.:(
А когда появились 905\906 , уже перешёл на "силикон".
Кстати, переход был затратен!...
Привык, что поставив проволочки по 0.1 мм по питанию, можно смело экспериментировать..
Германий - то в основном "дуракоустойчив".
 
Последнее редактирование:
Они могут быть приоткрыты (смещены) в рабочем полупериоде плеча, но запираются в неактивном (на обмотке переменка) обратным напряжением.
чТО запираются переменкой обратной полярности, это жуткий плюс, перезаряд базы происходит стремительно, омическое вторичек почти КЗ.
 
Хорошая схема, только непонятно каким из наших диодов можно германиевый 40428 заменить.

Думаю Д7Б пойдёт.
 
Последнее редактирование:
А я бы д310 поставил
 
каким из наших диодов можно германиевый 40428 заменить
Д7, Д310, Д311 или транзисторами МП25-26 в диодном включении(б-к замкнуть -нужно пробовать, можно вне схемы).
Есть старые аналогичные схемы до 1970г...Ток меняется подбором верхнего резистора.
Мотать в 5 проводов -3 обмотки соединить последовательно(первичка). Есть подмагничивание.
 
Последнее редактирование:
Уже писАли, берете ГТ322, сверлом диам. 4мм в радиаторе сверлишь отверстие, и вставляешь его туда, а корпус транзистора изолирован от выводов к-б-э
гт322 -термодатчик.jpgтермодатчик.jpg

Это наш УНЧ, 1968г
f.1968-12.022.jpgf.1968-12.023.jpg
 
Последнее редактирование модератором:
УЗЧ магнитофона Астра-205.
АСТРА-205 .png
 

Вложения

Последнее редактирование модератором:
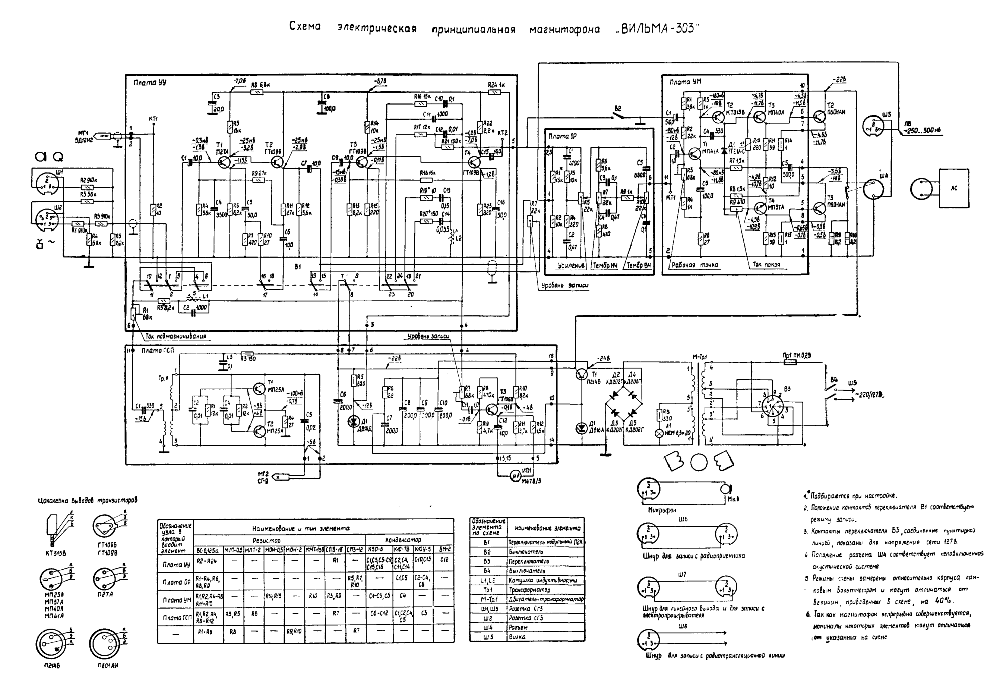
Сколько моно повторять, и Астра-207, и Вильма-303 и еще Дайна с тразист. УМ...
 

Вложения

  • Астра-207.jpg
    Астра-207.jpg
    224.5 KB · Просмотры: 270
  • wilma303instr_017.png
    wilma303instr_017.png
    773.8 KB · Просмотры: 296
Саша, собери лучше Сергея Торопова в классе В, и успокоишься на этом
 

Вложения

  • 2.gif
    2.gif
    13.8 KB · Просмотры: 442
собери лучше Сергея Торопова в классе В
Что посоветуете на выход (из германия)?
R10-асимметричная нагрузка (начальный ток) выходного каскада, как в RCA1966...
Я бы поставил китайские 882\782 по 5 рублей (но вчера...))) в параллель сколько не жалко или BDW93\94, TIP121\127.
BC153 там не выживет без радиатора (0,2вт), а нужно 0,6 (ТО-92м или ТО-126) 140,647,649,782 (китайские).Можно П605а. В помощь просится ОК.
Можно и отечественные (из тумбочки)))
 
Последнее редактирование:
Кондеры jamicon 10 мкф в фузе есть смысл менять на другие?
И там места малоpost-145741-0-17439000-1414817932.jpg16812955904281654364304632608578.jpg16812958057827082890488762378307.jpg
 
При желании, и даже без оного, можно "услышать" буквально все, что нафантазирует мозг.
Музыканты особая полузакрытая каста, со своими понятиями, со своим набором штампов эзотерики, со своей "физикой". Которая в большинстве случаев не имеет никакого отношения а реальности.
Такое ощущение что речь о каких-то наркоманах.
Тех музыкантов, которые действительно музыканты и которых я знаю лично, в этом описании никак не узнаю.
Музыкант это обычная профессия, просто ремесло.
У этого ремесла есть этапы образования начальное, средне-специальное и высшее и когда человек потратил 10.000 часов на изучение профессии он при хорошей самоотдаче становится профессионалом.
А про тех кто от бога ну там отдельная история.
Такие сразу выделяются и часто на раннем этапе.
Ещё есть люди из музыкальной семьи там где родители музыканты.
Чек может хирургом работать в кардиологии а при этом по музыке фору даст некоторым профессионалам.

Насчёт фуза, который я купил и потестил. Это очень известный фуз Zvex Fuzz Factory
На AC-128 транзисторах и кремний перед ними. Говорят так меньше шума.
Видимо у меня достаточно качественный клон этой примочки
По крайней мере германиевые и кремниевый транзисторы взяли те же самые, а как их подбирали не знаю.
Но слушаю пресеты оригинальной примочки- в тех же положениях ручек получается примерно тот же звук.
Единственное, слышно, что гитара на оригинале звучит в дорогую лампу месабуги и звук круглее естественно.
Я начал со своей тройкой по физике вроде понимать как работает транзисторная схема.
Когда есть режимы самовозбуждения - идёт просто вой на одной частоте и этот тон можно менять, ручкой или на фузе или на гитаре, а можно и закольцовывать если есть хороший дорогой дилей с такой функцией.
Тема далее
Когда транзисторы выходят на режимы закрытия и звук схлопывается резко или появляется эффект подсевшей батарейки - это когда звук прорывается и временами, а временами пропадает.
Но в целом в дешёвый транзисторный комбик мне не понравилось.
Во-первых фузз штука специфическая сам по себе звук древний и не особо используемый
Во-вторых нет педалборда и нечем дополнить его
Но после этого я включил кремниевый фуз причём от топового производителя
Гораздо более мёртвый по динамике, на ручку громкости на гитаре вообще не почти не реагирует и в общем-то совсем не то.
После чего понял, что транзисторный фузз надо обязательно послушать в лампу, но доехать до той квартиры пока нет времени.
Ну уж во всяком случае у Хендрикса было штук шесть фуззфейсов.
Он из них отобрал пару наиболее хорошо звучащих и включал их естественно в ламповый маршал.
Насколько я помню на концертах он ходил крутить ручки к кабинетам по-моему что-то типа ручки гейна подгружая звук в самом маршале.
В целом примочка на транзисторах подкупает своей чувствительностью ко всему -
динамика игры, ручка громкости, датчики, сопротивление шнура - вообще влияет абсолютно всё, и слышно сразу разницу. очень чуткая ну прямо очень чуткая педалька

Действительно потребляет какой-то 1 ма или типтого, но батарейка вообще не садится.
Но fuzz face и мой клон zvex fuzz factory немного разные. примочка хендрикса (fuzz face) сделана на древних транзисторах, которые давно не выпускаются
И она очень простая - там всего две ручки
Здесь более вариативный фузз с пятью ручками одна из которых просто громкость и есть варианты с шестой ручкой.
И тут стало понятно что когда в стратокастере активно используются ручки тона то да, уже имеет смысл ставить туда бумаго-масляные конденсаторы на тон в схему

Овердрайв примоч, гитара с тухлым синглом вроде их два сразу включено, динамик и усь сам отгадывай. По звуку плохо, может запись портит. Ацтой какой то китайский наверное.
1. примочки нет вообще. Гейн канал УМ.
2. это НЕ сингл, хамбакер.
3. записано тупо на телефон.
4. Китайский "Ацтой" отгадал.
 
Главное, что в астровской схеме не поскупились на эмиттерные резисторы ВК.
И бета у выходных транзисторов очень даже ничего. Напряжение только маловато.
П601АИ_.png
 
Последнее редактирование:
Как-то не обратил внимания на эту продуманную во всех мелочах схему УНЧ на германии.
То что надо для негромкой комфортной прослушки.
Запутали, то ругают астру 205 на п601
То хвалят астру 207 на п213
То хвалят астру 205 на п 601
Астра 207 валяется - вк сильно греется сказали что ток покоя не выставлен

Величины ёмкостей С3 и С4 в 100мкФ достаточно?


Эта штука создана для неимоверного искажения; это нормально. Для ZVex это характерно. Это же, если мне не изменяет память, вариации на тему Fuzz-Face? Искажай, и будет тебе радость и счастье. Замена емкостей на другой тип вряд ли изменит характер звука.
Насколько я понял из прочтения постройки фузов характер звука меняет соотношение кус транзисторов - но там, насколько помню речь шла про усиление, то есть фуз будет более жирный или более сухой с меньшим количеством гейна.
Ещё вроде кто-то ляпнул не помню где, про подбор номиналов конденсаторов на входе и на выходе
 
Мне вообще до одного места, как называется схема и откуда она, если придраться не к чему, продумано все , до селенового стабистора в термостабилизации. И фишка в том, что неконтакт в переменнике тока покоя не приведет к выходу из строя 601-х . И звучат схемы на 601- 605-х сильно лучше гуталина с наждаком на п216-х
А вторая фишка- в те годы 601-е и 605-е были в продаже в виде наборов радиолюбителя по цене 1,5-3 рубля. Меняй, если что.
У меня астра 207 на п 213-х
 

Статистика форума

Темы
3,306
Сообщения
263,452
Пользователи
2,548
Новый пользователь
Александр Н.
Назад
Сверху Снизу