Германиевые УНЧ

В "Маяке-203", "-205" она же стояла. И тоже выход в классе B. Звучала хорошо, но имела место ложка дегтя: шумела она сильно. Впрочем, это общая болячка 237-й серии. Точнее, используемых в ней транзисторов. А по поводу А-271/А-275: когда-то страдал на эту тему
Не, у меня была другая идея, измерить все что под руку попалось на германии. Так я и доизмерялся, что :giggle:. Короче, соответствующий вывод был мною сделан, и я это дело прекратил. А вот к2ус371 приятно удивила.
В вашей схеме R52 R53 я бы уменьшил раза в 3
 
Последнее редактирование:
Все дело в волшебных пузырьках в микросхеме к2ус371, это она дает такой красивый звук, причем в выходном каскаде транзисторы работают без смещения класс B,
Понял только что предусилитель на кремнии ,а оконечник на германии. Хотя и то что написал слабо представляю.
в Веге 101 там же тоже кремний кт 815 где то вроде в предусилителе
 
Dual
Dual.jpg
 
Последнее редактирование модератором:
Вега 312 Вот это я понимаю.
Вот если бы Вегу 312 усилок е101 помощнее чтоб меньше искажений, я и радио на FM диапазон перестроить
Может стоило бы купить что-то типа этого, и германий и fm и line in
Graetz Fantasia 302.jpgGraetz 3.jpg
 
Последнее редактирование модератором:
Если на кондере странная буква С с загогулиной в средине. то это не армянские, а Саранские конденсаторы, Мордовия. Гулаградиопром. А Армянские это с буквой К , Кофанский завод. Там ребята веселые, иногда забывали внутрь электролит налить, сухая бумага с конвейера.

IMG_20210118_192509.jpgIMG_20210118_192538.jpgIMG_20210118_192558.jpgIMG_20210118_192626.jpgIMG_20210118_192640.jpg

Все потенциометры ожили после контакта-61
Только средний (это баланс) пока плоховат
Сигнал с телефона даёт перегруз
Лёгкий но слышно
 
Вот мелкиеIMG_20210119_115515.jpg

Вот онIMG_20210119_123544.jpgIMG_20210119_125418.jpg
 
Усилитель Лина это классическая схема, см. схему проигрывателя Аккорд. Минуэтик это усилитель на ОУ и полевых транзисторах. Ув. АБ его прекрасно знает.
Минуэтик http://ldsound.ru/usilitel-moshhnosti-minuetik/
Лин

Lin2.jpg


В Веге 101 как раз схема Лина.
 
только R11=39ом
mrb0965_006.png

Есть разница...?
1956_H.C.Lin_amplifier_schematic_-_The_Original_Lin.png.jpg
 
Я избавился от ГЗКУ631 еще в 1985г, взял Электронику Б1-01, и всё.

Усилитель Лина, 1956г, и чего ХОРОШЕГО...
Гендин, 1965г
Гендин УНЧ mrb0577 1965г_083.png
 
Последнее редактирование модератором:
Эта лучше
b.1968-07.037_.jpg
 
Последнее редактирование модератором:
Сегодня пробовал транзисторы по частоте померить как Радио-1968-2, вот какие частоты получились по спаду в 1,4 раза относительно 500 Гц:
П203, П214Г, П216Б,Д, П210А - от 3 до 3,5 кГц:(
ГТ404А - 20 кГЦ
КТ853А - 40 кГц
КТ816А - 80 кГц
КТ809А - 120 кГц
КТ814В - 160 кГц
П605, КТ973А - 200кГц
КТ903Б - 500 кГц
КТ805Б - 800 кГц
Транзисторы П203, П214, П216 без радиатора при токе 0,2А 6В питании схемы становятся чуть горяченькими и при отключении базы (висит в воздухе) ток через коллектор-эмиттер достигает 0,1А!, причем замыкание база-эмиттер резистором 100 Ом практически не влияет на сквозной ток.
 
Сравним сейчас .
ВЧ транзисторы 500-800-1000кгц-3МГц, среднечастотные- 80-120 -250-300кгц, НЧ транзисторы 3-4 кгц. Все как в жизни
 

Вложения

  • IMG_20210120_170822.jpg
    IMG_20210120_170822.jpg
    495.2 KB · Просмотры: 510
Последнее редактирование:
КТ903Б - 500 кГц, и КТ805Б - 800 кГц, не может быть!
 
Мои П215ВП хорошие, 7-9 кгц. КТ837, так и есть 120 кгц.
 
Сравним сейчас .
ВЧ транзисторы 500-800-1000кгц-3МГц, среднечастотные- 80-120 -250-300кгц, НЧ транзисторы 3-4 кгц. Все как в жизни
Что-то у Вас 825-ые шибко шустрые. У меня записей нет, но по-памяти - 818/19 были в этом плане лучше ?
 
Что-то у Вас 825-ые шибко шустрые. У меня записей нет, но по-памяти - 818/19 были в этом плане лучше ?
По справочнику таки да. По жизни как бы нет. И сам делал в 80-е выходной каскад на паре 825-827 , параметры приличные. Не уступающие 818-819 .Но в серию не пошли, дефицит патамушта .
 
В РАЗЫ делал ПРОЩЕ
123.jpg

Черевань из Радио 1990/2, я про такие еще с 80-х, говорил "х. знает что хочет"
 
Выходной каскад по Агееву из Радио за 1985 год не боится КЗ, защита не нужна, схема надежнее танка. Драйвер любой годится, на опере или на рассыпухе. Звук, правда, как обычно выйдет, среднестандартнотоскливый, как все типовые схемы на биполярах
 
АШ:
А мне интересно, Вы САМИ делали такой?

Вопрос с подковыркой, кто делал
f.1981-07-08.036.jpgf.1981-07-08.035.jpg
 
Последнее редактирование модератором:
Выходной каскад по Агееву из Радио за 1985 год не боится КЗ, защита не нужна, схема надежнее танка. Драйвер любой годится, на опере или на рассыпухе. Звук, правда, как обычно выйдет, среднестандартнотоскливый, как все типовые схемы на биполярах
В основе Череваня - термостабильный Жбанов из Радио за 83-й год, 10-й номер.
Звук по тому времени был неплох. Настройка мучительна. Все цепи пришлось перенастраивать.
Но полоса хорошая и искажения низкие.

Вот Жбанов:
 
Последнее редактирование:
Попались схемки NAD-310 и NAD-3020. Интересно у NAD-310 в верхнем плече полевик BUK555
NAD-310
NAD 310.jpg
NAD-3020
nad3020pwr.gif
 
Нет, но схема NAD-310 похожа на старые германиевые усилители, только сделанный на кремнии и полевик сверху.
P.S. В этой теме иногда появляются усилители на кремнии;)

Схема интересна с той точки зрения, что можно попробовать её на германии, за исключением полевика. Он кстати для логического управления, думаю его взяли из-за малого уровня управляющего напряжения и для облегчения вольтодобавки. Также на входе стоит транзистор для термокомпенсации смещения.
 
В том-то и дело что NAD-320 это совсем другая схема полностью симметричная, да и детали современные
NAD-320.gif
 
Бр-р.....страшный сон инженера. Скорее, бред . И как такой клубок способен звучать?
Никогда не испытывал к этим усилителям симпатии.
Но недавно разобрался в причине перекоса по каналам у НАДа 326-го. Там навороты круче этого в разы. И схема забавно нарисована, фиг пойми. Зато, к чести ихних разработчиков, снизу сделан лючок для доступа к всей схемной рассыпухе, она как раз снизу, все чиповые детальки.
И сверяя кабели и разъемы на плате и на схеме, прозванивая тестером, нарисовал свою понятную карту прохождения сигналов, только после этого можно было понять, откуда и куда что движется .
Оказался дрянной китайский за пятак регулятор баланса, там пропадал сигнал, спонтанно, не поймать, то есть, то нет, схема баланса откровенно бредовая.
Есть полная схема УНЧа на бумажке и в виде файла, ежели кому надо.
 
Бр-р.....страшный сон инженера. Скорее, бред . И как такой клубок способен звучать?
Никогда не испытывал к этим усилителям симпатии.
Но недавно разобрался в причине перекоса по каналам у НАДа 326-го. Там навороты круче этого в разы. И схема забавно нарисована, фиг пойми. Зато, к чести ихних разработчиков, снизу сделан лючок для доступа к всей схемной рассыпухе, она как раз снизу, все чиповые детальки.
И сверяя кабели и разъемы на плате и на схеме, прозванивая тестером, нарисовал свою понятную карту прохождения сигналов, только после этого можно было понять, откуда и куда что движется .
Оказался дрянной китайский за пятак регулятор баланса, там пропадал сигнал, спонтанно, не поймать, то есть, то нет, схема баланса откровенно бредовая.
Есть полная схема УНЧа на бумажке и в виде файла, ежели кому надо.
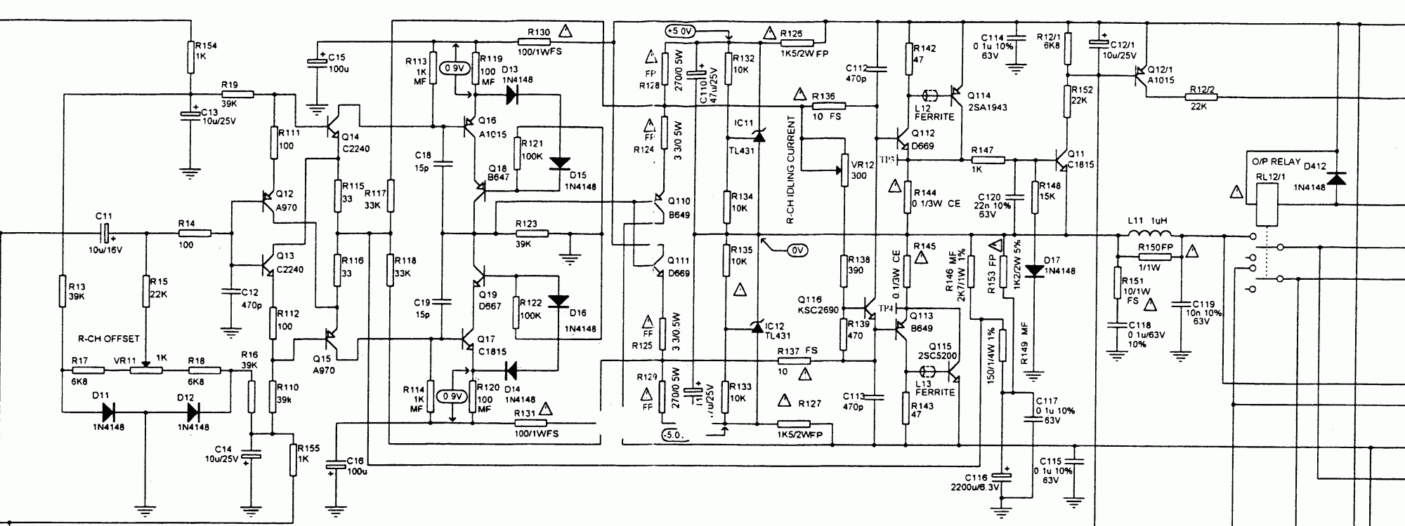
Посмотрел сервис-мануал на NAD C326, действительно схема УМ "Бр-р.....страшный сон инженера"
nad_c326bee_017.jpg
 

Статистика форума

Темы
3,306
Сообщения
263,403
Пользователи
2,548
Новый пользователь
Александр Н.
Назад
Сверху Снизу