Германиевые УНЧ

Мне даже трудно представить как он звучит,если этому говну проиграл.У меня их два было (говна)-оба с радостью по 450 зелёных каждый -улетели в Телявив.
А посмотрев схему чудо-германца сразу стало всё ясно...
Мало того ,что они на дифкаскадили,так ещё на выходе китяйский херманий.
 
Последнее редактирование:
звуки на малых уровнях в большом кинозале , динамический диапазон
Если динамик проходил тест на 0,1 Ватт ,это означало,что речевая разборчивость будет выше ( и здравствуй микродинамика ).
Вообще кроме схем ещё нужно изучать историю АУДИО и создания удачных конструкций,чем они выделялись,в чём были прорывы.Почему на пороге развития 3 тысячелетия многие вернулись на 50-70 лет назад??? Не изучая старое,не анализируя произошедшее с деградацией звука в аудио и не делая правильных выводов мы обречены в попытке сделать дома хороший звук.
Конечно,с появлением мощных дешевых усилителей громкий и чистый звук получить стало просто.Но потеряли хороший тихий звук.Поэтому и возврат назад,к "задохликам "-лампам и германию.А их для комнаты вполне достаточно.
 
Последнее редактирование:
Последнее редактирование:
На 5-6 (квазикомплементарный, комплементарный на 3-4-уже не Лин):)
Это уже не Линн?
CV12_Schaltung.jpg
 
Это уже не Линн?
Это комплементарный выходной каскад на 3 транзисторах (стал возможен позже, после появления (средне)мощных комплементарных пар с дополнительным каскадом усиления и вложенной (многопетлевой) ООС. Кроме выхлопа-сделан на кремнии:)
Например, RCA1966\HeatKit-14A. Дьявол -туда же, но двухкаскадный с непосредственной связью каскадов и общей ООС:)
Лин тоже работал на RCA:)
 
Последнее редактирование:
https://ldsound.club/threads/germanievye-unch.170/, номер сообщения 9
гт703.png

В 1981г в ЮТ купил за половину цены(помню, 35 руб) 10мас-1, переделал по Шорову, на свадьбе с Сергеем Давидовиеч Бать радио 1972-6 на ура играли, Смоки всех уделали на маг Маяк-201, 2т312, 1т321, 2т608-1т321, 2т801 и 2т803
f.1980-11.035.jpgf.1972-06.057.jpg

Да ладно, опИсаться уж нельзя.
Вскоре понял, что многополоска зло, а РТ надо всего +/-6дб до ~500гц, +/-6дб выше 3кгц, напр как Шихатова, рис 6,7,8
f.1974-09.044.jpgIMG_2013.JPG1-99_016_.jpg

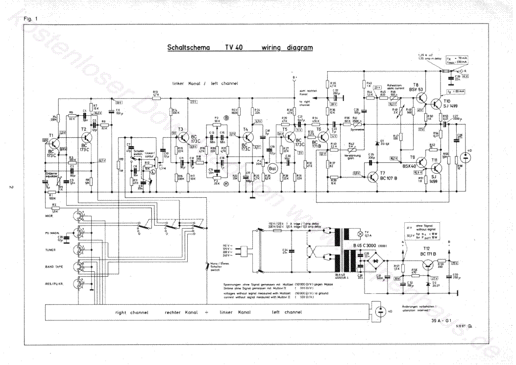
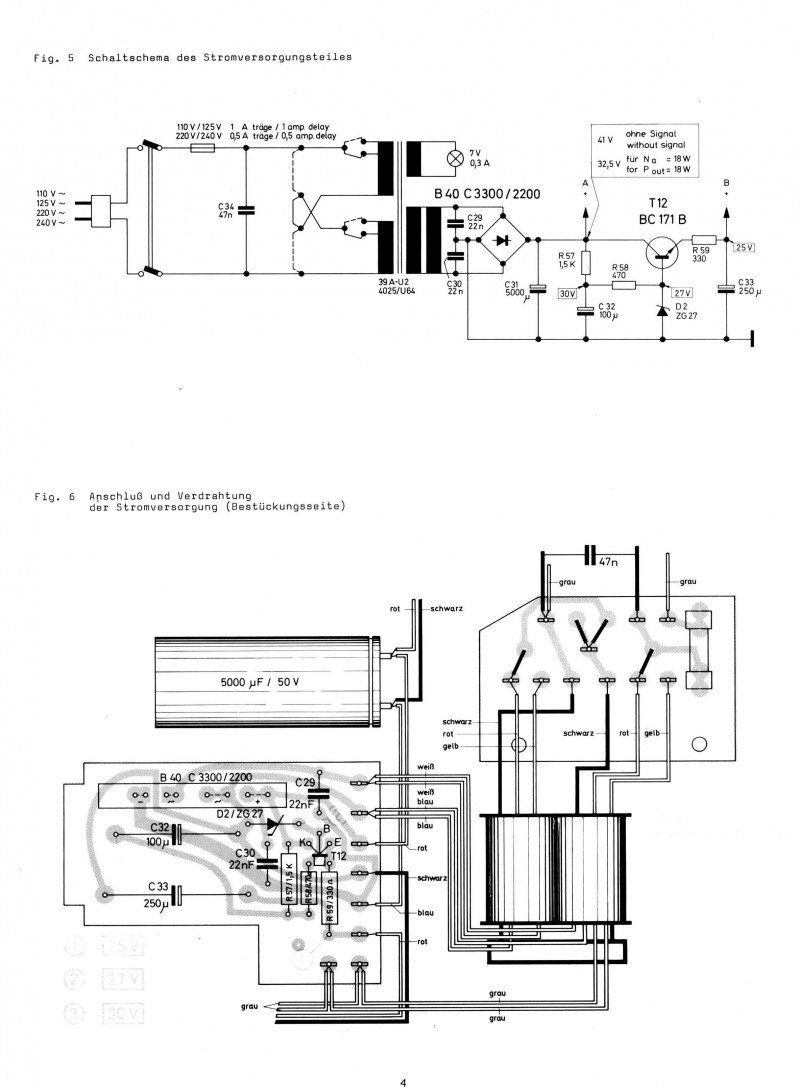
Стереоусилитель DUAL CV 40, золотой век европейского хай-фай и хай-энд. Знаменитые фирмы DUAL, TELEFUNKEN, NAD, QUAD и сотни других были погублены валом сначала японской, а потом и китайской аппаратуры, сделанной из дешёвой электронной россыпухи.
3b9469.jpg21c704.jpg

dual_cv-40_1968_instruction_sch.pdf_1.pngdual_cv-40_1968_instruction_sch.pdf_2.pngdfcae5.jpg49a9d3.jpg2000bd.jpg

Прошел все эти германиевые за 1970-2009г, и у меня свое мнение было и всегда есть, Корвет и Астра-207 из наших, и Дуаль CV1-CV20. Всё, остальное украдено и без нас. Лови эти блохи на Агееве Ге, Худе Ге и тд
ПС: а не пора ли за лампы снова?
Астра-207.jpgkorwet_st_003.gif
 
Последнее редактирование модератором:
Стереоусилитель DUAL CV 40, золотой век европейского хай-фай и хай-энд.
Схема- как в Аккорде. Драйверные и выходные транзисторы-кремний (и остальные-тоже))).
https://ru.web-bcs.com/transistor/tc/sa/SJ1499.php

SJ1499​

силиконовый NPN транзистор​

 
Последнее редактирование:
ООС разная бывает, параллельная, последовательная, комбинированная. И результат разный. Аккордом заколебал, чес слово.
 
Блин.... 3-4 каскада, германий и десятки миллионов меломанов в захвате и кайфе. А тут "500" транзисторов с граничной 200 МГц, "сто" каскадов с ОУ (сверх супер быстродействующим) и толку ноль. Никто такое не делает и тем более - НЕ покупает.
 
Слышал всё,о чём пишется в статье. Половину о чём речь имел продолжительное время.Только Лик 30 имеет смысл купить и слушать ( и только без литеры +).Но Кёртинг (на трансах) и его перемаркированные модификации ещё на ступень выше ,т.к. в отличии от Лика прозрачны и на ВЧ проработка лучше .НО ! Чтобы услышать все преимущества германия над кремнием,нужна качественная чувствительная акустика.А вот к стати акустика Ликовская вся хорошая.

АГА!!! У меня тоже был такой кит, сделал "Минимакс-2" из распиленных полок , лишних .
Настоящий Минимакс на воздушном подвесе.Там у динамика резонансная 18Гц.А наше- просто пародия как Рабинович напел.Хотя конечно тогда и эти дрова были счастье.Я только не понимаю,сегодня ,что их мучить ,когда нормальные доступны.А то получается как в той басне: "А вы друзья как не садитесь..."

Дюаль у меня гостил некоторое время, звук был хороший, только "шипел", зараза.
За Дюали Юрий Робертович (выше) истинную правду сказал,единственно добавлю CV20 на кремнии,но тоже ничего на звук.Все остальные Дюали не интересны.
 
по итогам многочисленных тестов и прослушиваний из двух одинаковых систем "лучше" звучит та, которая громче. Научно доказанный факт.
На тупой акустике, да еще и в дальнем поле, да на тугие, заезженные ухи, так и будет. Края диапазона не будет слышно.
 
Вы не поняли моей иронии. А что такое Минимакс-2 я знаю как владелец этих колонок.
Не сейчас, а тогда, в 80-е.
Вот к германию идеально на НЧ на воздушном подвесе и кобальте 12-ка или две 10-ки .И никакой ЭМОС нахрен не нужен!Долбить так будут !Причём на малой громкости без ТК ,тембров в+ до конца накрученных.А это значит,что вся музыка будет без фазовых искажений и это очень слышно в виде панорамы, стоящей как вкопанная.А все эти ЭМОСы ,ТК. и прочие костыли эквализации только убивают звук ,да и низ делают каким-то не естественным.Надеюсь,первые прослушивания вашего AD-шника это начали показывать и вы начали мне верить.
Мой 6 Ваттный Кёртинг по напору мощи ,НЧ и громкости на разной акустике несколько усилителей на кремнии мощностью до 30-35 Ватт выносил. Один хозяин Ямахи так расстроился.,что прям на следующий день её в комок отнёс и Айву кассивер какой-то дорогущий.А в начале я ему параметры показал Кёрнинга- по ним он сказал,что его только в мусорку...
Эффект у германыча как у лампы- вроде мощи нет по замерам,а на слух очень мощно.

У меня тоже Кертинг Неккерман. Пока лучше любого.
С какой акустикой пробовали? С чем больше всего понравилось? Апгред какой нибудь делали?
Есть у него слабые места,которые легко устраняются.Замена всей плёнки (рыбки) ,электролиты перепроверить ,заменить .В питании транс на мощный сменить ,в питании увеличить до 33000мкФ желательно на пром.от Мэллори.В звуке поставить Рифу.И никаких японских деталей!

Сравнивали с Обертоном от Стародубцева (вот таким http://www.hifinews.ru/article/details/21205.htm ,так
хозяин Обертона и я были в шоке,как плохо он играл.Лучше и намного Обертона пел Браун 13 ,но всё равно хуже Кёрнинга.Очень близко к Кёртингу по звуку подобрался Кляйн энд Хумели 56,но чуть сибилянтил второй гормоникой и по мощи в НЧ тоже не дотянул.
 
С какой акустикой пробовали? С чем больше всего понравилось? Апгред какой нибудь делали?
Есть у него слабые места,которые легко устраняются.Замена всей плёнки (рыбки) ,электролиты перепроверить ,заменить .В питании транс на мощный сменить ,в питании увеличить до 33000мкФ желательно на пром.от Мэллори.В звуке поставить Рифу.И никаких японских деталей!
Ничего не делал, хотя руки чешутся
Я наверное соберу отдельный аппарат и его уже буду мучать. А этот оставлю аутентичным (для дальнейшей продажи).

Акустики куча была. И на 6гд2/3гд32, и Хеко полочники, ШП на филлипсах ад9710, Парадигмы всякие, В Зингали Хоум монитор 115, таннои всякие включал (эти чужие) и т.д. В общем по мясу и вокалу, а по гармоничности он самый комфортный и спокойный. Выключать не хочется.
 
Последнее редактирование:
На тупой акустике, да еще и в дальнем поле, да на тугие, заезженные ухи, так и будет. Края диапазона не будет слышно.
Вы не поняли, или я не совсем точно сказал. Людям демонстрировали (только звук) одну и туже систему, но немного меняли уровень звука, и все безошибочно утверждали, что более громкая звучит лучше. Где-то даже в учебниках есть этот эксперимент.
 
Так это естественно, и давно известно. Притом идеально все на уровне громкости в районе 90 дБ.
 
Ребята прошу не судить строго. Я тут пару месяцев восполнял свой схемотехнические пробел. Сейчас уже более не менее соображаю что нужно делать и как. У меня пару выводов и вопросов.

Есть один коллега, выставивший под 50 коротких роликов с демонстрацией звучания разных схем. Это Бау63, который паяет и слушает кучу разных германиевых вариантов. Тем не менее во всех его экспериментах много общего:

1. Выходной каскад везде одинаковый. Это транзисторы одной проводимости, диод баксанделла, выходники без эмиттерных резисторов, как правило - две ступени, диод или пара в смещении.

2. Меняет он только выходные транзисторы и схемы усилителя напряжения.

3. С деталями, направлениями, вылизыванием хоть чего-то он не заморачиваться, что не хорошо.

4. Мне непонятна цель, чего он в итоге добивается?

Выводы: Он интуитивно на слух нашел лучшие по звуку решения, их и нужно "заимствовать". Но схема для каждых ушей нужна одна, а не тридцать - ее и доводить до ума (чего он не делает).

Я соберу две макетные платы навесным монтажом и возможностью оперативной замены всех элементов. Будет два канала, один контрольный, второй для доработок, схема не принципиально какая. Потом вычислю лучшие элементы для конкретной схемы. Это резисторы и электролиты. После этого найду направления всех проводов, даже коротких. Для чего наверное не буду соединять детали своими выводами, а соединю через кусочки провода. И потом займусь перебором активных элементов (по звуку). Для простоты выходные транзисторы буду держать в банках с водой, вместо радиаторов. Блок питания будет общим для всех экспериментов с многократным запасом и кучей обмоток.

Как думаете? Я правильно мыслю? Задача проста. Уделать мой Кертинг Неккерман.
 
Ну во первых нужно правильно поставить задачу от этого зависит сам конечный результат.Для чего нам нужен усилитель.Я подразделяю (пришёл к этому пониманию в течении 40 занятия аудио)все усилители для домашнего применения на 3 группы по мощности.Первая это до 2 Ватт,вторая до 10 и третья до 100 Ватт.
Под все три группы нужно иметь и 3 вида акустики.Вся акустика должна иметь чуйку от 92 дБ. -это первая группа,от 94дБ вторая и от 98дБ третья.
Первая группа предназначается для спальни и компьютера.Вторая для постоянного прослушивания и фоновой музыки с гостями при застолье .Третья-для танцев,плясок,с гостями.
В студиях тоже бывают мониторы ближнего,среднего и дальнего поля не просто так.
Первая группа по микродинамике на малой мощности накроет более мощных,но большую громкость дать не в состоянии и наоборот.
Теперь о Кёртинге и ему подобному по схемотехнике. Как минимум несколько человек ещё 9 лет назад на Хай-Фай ру. вылизывали его.Заменяя простые детали ,элитными или более качественными.Многие из них в последствии перестали искать свой звук и распродали свои ламповики.В основном они все с этим усилителем переходили на английские или американские,французские или датские динамики или АС на кобальте. А я стал просто покупать усилители с такой схемотехникой на Ебае для интереса ,когда видел их в идеальном состоянии.В основном они были не дооценены и продавались в среднем за 25 евро.Причина проста нужно под германий подбирать акустику иначе результат либо разочарует,либо так-себе.Так вот сравнивать нужно с вылизанным Кёртингом или его клонами (Елак,Неккерман,Сименс).
Усилители первой группы ,это сделанные на одной лампе, маленьком германыче ,схеме АБ1 и тп..Ко второй группе более мощные лампачи и Кёртиго подобные схемы.Третья группа - на полевых и кремниевых транзисторах.
 
1. Выходной каскад везде одинаковый. Это транзисторы одной проводимости, диод баксанделла, выходники без эмиттерных резисторов, как правило - две ступени, диод или пара в смещении.
Диод Шоу. Однокаскадные (Лин) и двухкаскадные. Синглтоны и с дифкаскадом, с ОООС и без. С "двойкой" и "тройкой". Класс В, АВ и А. Выходные транзисторы - сплавные (П213\217\210...), конверсионные (П605) , диффузионно-сплавные (ГТ806\906). Драйверные ГТ402\404 и МП37А\МП40А. Кремний, где это лучше.
Макеты. Некоторые неудачные (быстро сгорают))). Результатов измерений нет. Подбора пар нет(7).

Здесь есть интересные решения и практические советы: http://www.mantrid.ru/forum/showthread.php?t=1605
 
Последнее редактирование:
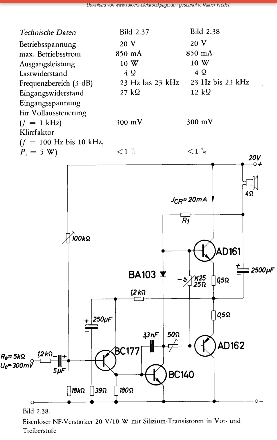
Нахожусь под впечатлением сотворенного на этих выходных усилителя на AD161-162. Настолько звук понравился, что нет желания рыть тему дальше. и проблемы с термостабильностью отвалились . да и схема- пять деталек. И если что-то себе делать, то "тики так"
 
Dual CV80 - усилитель на германии из Германии фирмы Моторола (из интернета-ролика счастливого владельца)))
Из описания: 1 тиристор, 27 кремниевых транзисторов, 4 мощных кремниевых транзистора, 7 кремниевых диодов...
Германиевые усилы у Дюала были до модели CV20 .Двадцатка и больше уже полностью на кремнии.И музыкальность теряли также.Двадцатку ещё можно слушать,дальше с каждой моделью всё хуже и хуже,но характеристики всё лучше и лучше.
На германии была восьмидесятка у Грюндика

Grundig SV-80​

 
Германиевый только выхлоп (спаренные AD166\152). Драйверы - кремний. Схема вроде американского Dynaco...(забыл и лень искать))).
Transistoren: 14× BSY76, 4× BSY51G, 2× BSY40, 8× 2N2148 or AD166, AD152; Dioden: 6× G580, 2× ZF2,7, DZ62.
 
Последнее редактирование:
То то этот Грюндиг говённо и играл,ещё и 40-ка у Грюна была тоже не очень по звуку.У телефункена 201 германий не оправдал надежд..
 
40-ка у Грюна была тоже не очень по звуку.
Та же схема с одиночными на выхлопе (варианты на европейских и американских транзисторах).
Telefunken V201 выхлоп AD166. Драйверы и пред - кремний. Классический Лин с некоторыми наворотами (вроде звщиты). Может, она и гадит на пиках.
201а - на кремнии:(

PNP silicon transistor intended as AF driver. https://www.radiomuseum.org/tubes/tube_sg2182.html
 
Последнее редактирование:
Нахожусь под впечатлением сотворенного на этих выходных усилителя на AD161-162.
Я слушал самоделку на этих транзисторах лет 35 назад у друга и был сильно впечатлён тем, что этот невзрачный усилитель на нескольких (кажется четырёх) транзисторах выдал качество куда выше, чем советские высшего класса (на одни колонки).
Вот только в СССР не было таких транзисторов и таких пар, поэтому тему создания чего-то этакого на советских Гэ транзисторах с тех пор считаю бесперспективной.
А AD161,162 и тогда и сейчас практически для нас недоступны.
Единственный недостаток того усилителя - небольшая мощность.
 
Я слушал самоделку на этих транзисторах лет 35 назад у друга и был сильно впечатлён тем, что этот невзрачный усилитель на нескольких (кажется четырёх) транзисторах выдал качество куда выше, чем советские высшего класса (на одни колонки).
Вот только в СССР не было таких транзисторов и таких пар, поэтому тему создания чего-то этакого на советских Гэ транзисторах с тех пор считаю бесперспективной.
А AD161,162 и тогда и сейчас практически для нас недоступны.
Единственный недостаток того усилителя - небольшая мощность.
С одного канала усилителя мощностью ватт 5-6 громкость была запредельная, если накрутить без искажения . А в стерео варианте так вообще с запасом.

Схема прежняя, без емкостишки в 100пф в обвеске опера АД711. Опер заменяется перетыком на наш 544УД2А в пластике или золоте, единственное что нужно, для устойчивости нашему впаять между 1-8 51 пик.
Смотрю на схему и думаю, что неплохо бы врезать успокоительный резистор между делителем на входе и неинвертирующим входом операционника, на 1 ком примерно.
 

Вложения

  • IMG_20231014_092903.jpg
    IMG_20231014_092903.jpg
    287.9 KB · Просмотры: 382
Много хороших и простых схем, не понимаю
 

Вложения

  • AD161-162.jpg
    AD161-162.jpg
    225.2 KB · Просмотры: 275
  • Uher-23-63-amp.gif
    Uher-23-63-amp.gif
    13.8 KB · Просмотры: 257
Много хороших и простых схем, не понимаю
В мире собраны десятки миллионов аппаратов по этим и похожим схемам. На что и нужно ориентироваться. А вот вариант Бокарева тоже интересен. Именно выходной каскад с четверкой 161/162). Обязательно такой попробую и вместо операционника лампу тоже попробую!.

Вообще, после баталий здесь и в других местах вырисовывается пять шесть вариантов выходных каскадов и пару тройку усилителей напряжения. Хорошо бы было их все сравнить ушами. Класс а мне не подойдёт. Слишком большое энерговыделение.
 

Последние сообщения

Статистика форума

Темы
3,306
Сообщения
263,418
Пользователи
2,548
Новый пользователь
Александр Н.
Назад
Сверху Снизу