Гибрид из усилителя Агеева и не только

У меня и так от одной обмотки.
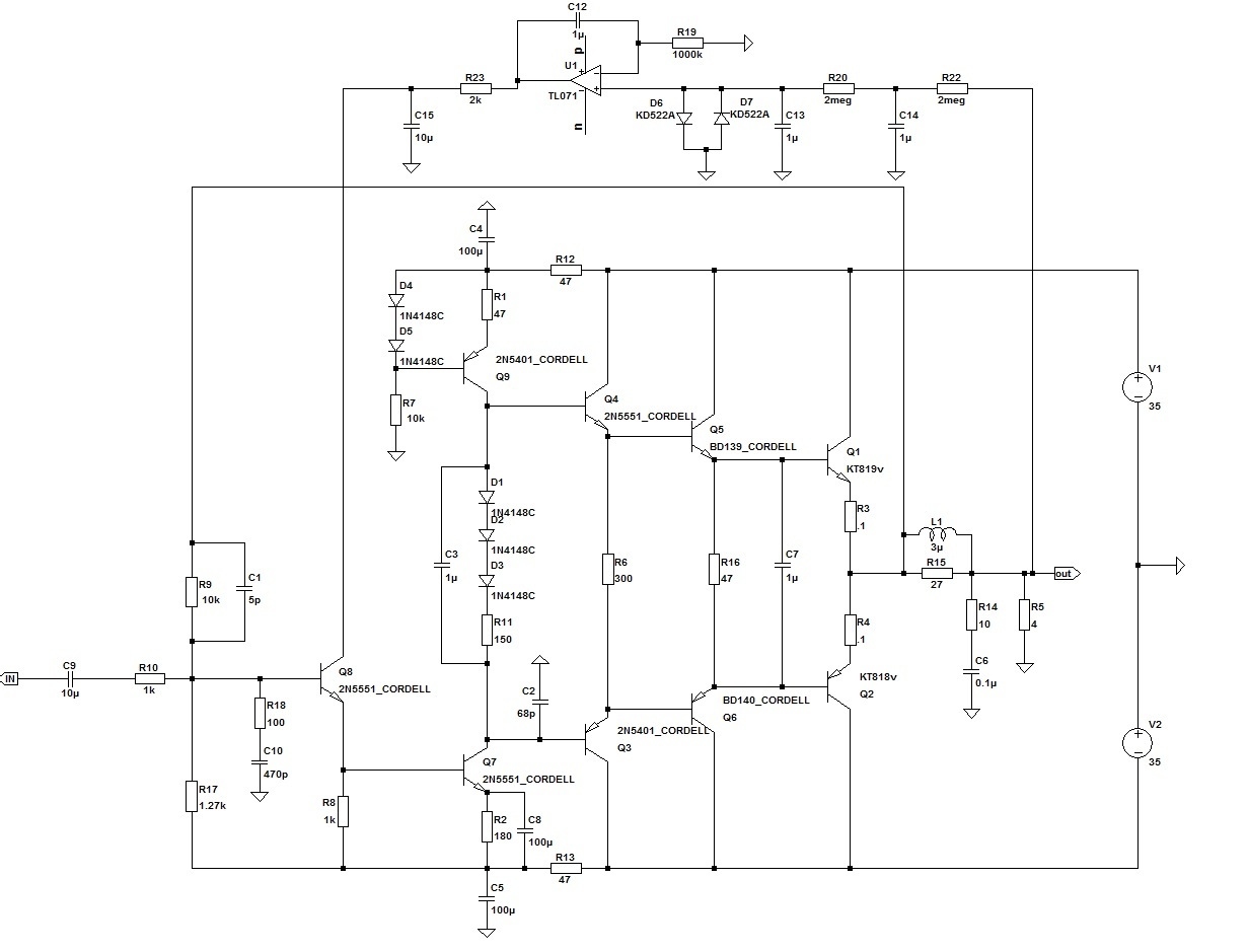
Схема питания агеевского усилителя (с виртуальным нулём) от одной обмотки трансформатора в ролике 116.
Это пост 116 в этой теме? Или где?

Но мне не сделать раздельное питание каналов потому что на одном радиаторе установлены p-n-p транзисторы ДВУХ каналов, на другом - n-p-n транзисторы тоже ДВУХ каналов и без изолирующих прокладок.
 
ролик по ссылке:)
Нудный ролик!
А смысл в том, что середина вторички трансформатора не связана со средней точкой конденсаторов. Если конденсаторы одинаковые, это работает. При разных - средняя точка должна уйти. Но, боюсь, всё конденсаторы имеют некоторые отклонения от идеала. По ёмкости, по току саморазряда и всему прочему. Это так сразу думается. Обычно ставят уравнивающие резисторы. Здесь их нет.
Но попробовать можно, с резисторами.

хочу собрать в корпус, колонки пока на даче, не подключал. думаю еще придется в них руки запустить.
Очень интересны впечатления от прослушивания.
 
Я тоже снова вернулся к своему гибриду.
Пока собраны оба канала Агеевского выходного каскада.
Посмотреть вложение 81365
Но возник вопрос. На выходе БП получилось +27, 2 В и - 27,0 В. Соответственно на выходе 0.2 В постоянки.
Вопрос, какое постоянное напряжение на выходе допустимо? Сколько максимум можно оставить? 100 мВ, 200 мВ, 300 мВ?
Не получается у меня почему-то на выходе БП одинаковые +/- 27 В.
По идее, даже 0,3 вольта на выходе дадут 0,0225 ватта на нагрузке. Вроде как и не страшно. А сколько считается допустимым?
Дядя Серёжа, теорэтик хр., брось страдать десятыми вольта. Напряжение на переходе транзистора от питания зависит......никак. Там иные причины, ерундовые. И ежели замыкается ООС, то на выходе у нас ноль нулевый. Транзисторы у тебя подобраны, двумями могучими умами, поэтому закрой свои всевидящие глаза и слушай звуки.

Нудный ролик!
А смысл в том, что середина вторички трансформатора не связана со средней точкой конденсаторов. Если конденсаторы одинаковые, это работает. При разных - средняя точка должна уйти. Но, боюсь, всё конденсаторы имеют некоторые отклонения от идеала. По ёмкости, по току саморазряда и всему прочему. Это так сразу думается. Обычно ставят уравнивающие резисторы. Здесь их нет.
Но попробовать можно, с резисторами.


Очень интересны впечатления от прослушивания.
Есть метод, но ты найдешь, как и к нему доколупаться.
Средняя точка на паре банок и мосте, средняя точка вторички к точке встречи банок.
НО. Землю динамиков мы сажаем не на среднюю точку вторички, а на отдельную землю , парой отдельных банок, звуковых.
Вот только попробуй заведи нудную песню про нехватку пары лишних банок в твоей голодающей Африке.
 
Дядя Серёжа, теорэтик хр., брось страдать десятыми вольта. Напряжение на переходе транзистора от питания зависит......никак. Там иные причины, ерундовые. И ежели замыкается ООС, то на выходе у нас ноль нулевый. Транзисторы у тебя подобраны, двумями могучими умами, поэтому закрой свои всевидящие глаза и слушай звуки.
Дядя Саша, сейчас на выходе в режиме покоя единицы милливольт. Я таки вкрячил туда подстроечники.

Есть метод, но ты найдешь, как и к нему доколупаться.
Средняя точка на паре банок и мосте, средняя точка вторички к точке встречи банок.
НО. Землю динамиков мы сажаем не на среднюю точку вторички, а на отдельную землю , парой отдельных банок, звуковых.
Вот только попробуй заведи нудную песню про нехватку пары лишних банок в твоей голодающей Африке.
Банки у меня есть, ROE. Но ставить так не хочу. Даже с уравнивающими резисторами.
Чем плох вариант от Кузнечика? - предохранитель на 1 А.
 
Дядя Саша, сейчас на выходе в режиме покоя единицы милливольт. Я таки вкрячил туда подстроечники.
Подстроечники , точнее, один, полезно врезать в одно плечо , разбив резистор смещения на два, и то, если вых каскад сам по себе и не связан с приводным опером .
 
Подстроечники , точнее, один, полезно врезать в одно плечо , разбив резистор смещения на два, и то, если вых каскад сам по себе и не связан с приводным опером .
Ух ты! Как ты догадался как у меня сделано? Только опера нет.
А давно имеющиюся пару каскадов на 6С31Б, надо просто подключить к теперь имеющимся выходным транзисторным каскадами по Агееву.
Но, блин опять времени нет. Не поверишь, я сегодня штукатурил! И, кстати, вышло почти ровно.
 
Дядя Саша, сейчас на выходе в режиме покоя единицы милливольт. Я таки вкрячил туда подстроечники.
Вспомнил. У тебя вых каскад сам по себе, качается лампой. Можно один резистор смещения сделать переменным, выставить ноль.
 
Вспомнил. У тебя вых каскад сам по себе, качается лампой. Можно один резистор смещения сделать переменным, выставить ноль.
Уже выставил. Питание с удвоением по Латуру от одного ТН-61. Осциллографом пока не тыкал, есть-ли фон не знаю. Радует, что этот ТН не гудит.
Пока снова вынужден игрушки отложить.
 
Чтоб тему немного оживить.
Наконец-то дошли руки - спаял ламповый каскадик:
IMG_20240127_150358.jpg
Лампочка посередине пока не задействована, то будет предусиление.
Пока включу так.
 
Подцепил конденсаторы в катоды.
IMG_20240127_143747.jpg
Включил. Был неправ. Синус перестал быть идеально симметричным, нижняя полуволна несколько заострилась, если приглядеться.
Смотрел на 10 кГц, при 30 В действующих на выходе.
Может быть конденсаторы прокисшие? Или просто не того сорта? Не знаю, я их счас нафиг отпаяю.
 
Конденсаторы из катодов убрал. Подключил выходной транзисторный каскад. До симметричного ограничения вышло 18 В на 8 Ом. Как бы 40 Вт при питании +/- 27 В, т.е 54 В. Ничего так, сойдёт. Но при работе на 4 Ома сдулся БП.
Блок питания вполне симпатичный с удвоением по Латуру - диоды Шоттки и 37 тысяч мкФ в плече. Ток подрос, напряжение упало и сильно.
Надо городить иной БП без удвоения. Такая грусть. Я собирался сегодня послушать гибридник, но мои АС четырёхомные. Послушать не судьба. Жаль!
 
Подцепил конденсаторы в катоды.
Посмотреть вложение 84647
Включил. Был неправ. Синус перестал быть идеально симметричным, нижняя полуволна несколько заострилась, если приглядеться.
Смотрел на 10 кГц, при 30 В действующих на выходе.
Может быть конденсаторы прокисшие? Или просто не того сорта? Не знаю, я их счас нафиг отпаяю.
Скорее всего с другими-заведомо свежими конденсаторами - будет то же самое. Поэтому я почти сразу отказался от кондеров в катоде, когда услышал разницу. Да -громкость тише-зато звук лучше. Кондеры устраняют местную ОООС в лампе когда там резистор в катоде.
 
Это всё известно и понятно. Сам иногда конденсаторы в катодах применяю, иногда не применяю. Синус вроде был симметричным. Сейчас показалось, что нижняя полуволна синусоиды с катодным конденсатором чуть-чуть острее чем верхняя, без конденсатора в катоде всё симметрично. Заметно не сильно, может быть глаз перекосило, но показалось, что такой эффект есть.
Блок питания вечером переделать поленился. Сегодня поставлю второй ТН-61, будет ещё на три с лишним килограмма тяжелее. Других трансформаторов для транзисторных усилителей у меня нет, я ими не занимаюсь. Если этот гибрид приживётся, намотаю тор на бывшем ЛАТРе.

Скорее всего с другими-заведомо свежими конденсаторами - будет то же самое. Поэтому я почти сразу отказался от кондеров в катоде, когда услышал разницу. Да -громкость тише-зато звук лучше. Кондеры устраняют местную ОООС в лампе когда там резистор в катоде.
Может быть дело в том, что я смотрел на 10 кГц и 30 В действующего?
Обычно смотрю и на меньшей частоте и при меньшей амплитуде. А может быть эти конденсаторы после долгого лежания деградировали? Надо будет подключить конденсаторы другого типа.
 
Может быть дело в том, что я смотрел на 10 кГц и 30 В действующего?
Обычно смотрю и на меньшей частоте и при меньшей амплитуде. А может быть эти конденсаторы после долгого лежания деградировали? Надо будет подключить конденсаторы другого типа.
Вы на 30 Гц и ниже посмотрите, что творится с синусом.
 
Обычно всё бывает хорошо от восьми герц, генератор ниже не работает. Да и усилители, ламповые, я обычно смотрю до 100 кГц. Начинаю обычно с 1 кГц, потом вниз, затем вверх. Сейчас увидел, удивился. Просто интересно с чем эффект связан. Пока оставил без конденсаторов.

Опять образовались дела. И надо БП переделать снова на тяжёлый после дел. Опыты потом ставить буду.
 
У вас же питание двухполярное оконечника, сделайте фиксированное смещение для лампы взяв за источник отрицательное напряжение с питания оконечника, будет намного лучше и никаких катодных конденсаторов
 
Поэтому я почти сразу отказался от кондеров в катоде, когда услышал разницу. Да -громкость тише-зато звук лучше.
Конденсаторы в катоде /эмиттере есть смысл ставить, если все это охвачено ООС, как например здесь. ( С8 )
IMG_20240128_202345.jpg
Тогда они дают доп.усиление но не вносят искажений ( почти )
 
Классно. Поменяем катодные конденсаторы на разделительные межкаскадные. Сейчас ни того, ни другого нет.
У вас же питание двухполярное оконечника, сделайте фиксированное смещение для лампы взяв за источник отрицательное напряжение с питания оконечника, будет намного лучше и никаких катодных конденсаторов
 
Конденсаторы в катоде /эмиттере есть смысл ставить, если все это охвачено ООС, как например здесь. ( С8 )
Посмотреть вложение 84867
Тогда они дают доп.усиление но не вносят искажений ( почти )
С чего это? Местная ООС "не работает"- патамушта есть общая? Тогда я могу и обратное вам заявить- Общая ОС не работает, когда в катоде стоит конденсатор! И поэтому она нафик не нужна! Да? А громкость -можно и добавить уровень на входе. На выходную мощность это не влияет-только на коэфф. усиления. Я помню-я смотрел по ослику и мерил. Так что -всё это от лукавого.
 
Классно. Поменяем катодные конденсаторы на разделительные межкаскадные. Сейчас ни того, ни другого нет.
Ну одно дело электролит в катоде, другое дело небольшая пленка на входе ( порядка 0.47мкФ), плёночные конденсаторы значительно превосходят электролиты по своим свойствам
 
С чего это? Местная ООС "не работает"- патамушта есть общая? Тогда я могу и обратное вам заявить- Общая ОС не работает, когда в катоде стоит конденсатор! И поэтому она нафик не нужна! Да? А громкость -можно и добавить уровень на входе. На выходную мощность это не влияет-только на коэфф. усиления. Я помню-я смотрел по ослику и мерил. Так что -всё это от лукавого.
ООС пофиг, кто и что плодит внутри схемы, она работает не избирательно, потому что у нее есть эталон - входной сигнал. Под него она и работает
Ну а чем больше усиление без петли, тем считается лучше для ООСных УНЧ. Любой ценой (почти)
Хотя конечно... если каскад усиления внутри петли линеен,это лучше чем, не линеен
 
На счёт оконечника, классический параллельник Агеева имеет главный недостаток в том, что выходная мощность ограничена током предвыхода. Так как предвыход в параллельном усилителе не открывает, а наоборот запирает выходные транзисторы ( достоинство решения- ниже коммутационные искажения). При открытие же выходных транзисторов ток берется из резисторов между базой и питанием. Соответственно с ростом тока базы выходников растет и падение напряжения на этих резисторах- в результате значительная нехватка мощности. Есть несколько вариантов решения проблемы:
1. Обратный диод между баз ВК ( первый вариант Агеева)
При недостатке тока в базы ВК диод открывается и отбирает ток из противоположного плеча предвыхода, ощутимый недостаток такого решения - значительные коммутационные искажения при переключении диода;
2. Вольтдобавка ( второй вариант Агеева)
Устраняет эффект значительного падения напряжения на резисторах коллектор- база выходников значительно повышает коэффициент использования питающего напряжения, недостаток - искажения вносимые самой вольтодобавкой;
3. ГСТ действует аналогично вольтдобавке, не имеет искажений присущих вольтдобавке, однако выходной ток все так же не может превышать ток ГСТ* бету выходников;
4. Динамическое управление током ГСТ, один из вариантов был предложен Игорем Semigor, при росте тока ВК растет ток ГСТ, токовое голодание не возникает;
5. ВК Заратустры, смещение реализовано термостабильной батарейкой, ток баз отбирается из батарейки потому ограничения тока не проявляются аналогично и решению 4.
ИМХО для автора исходя из требований к схеме наилучший вариант это версия ВК Заратустры.
ИМХО2 Слушать двухтактный транзисторный АВшник без ООС.. по мне в принципе не самый лучший вариант, если делается усилитель для качественного прослушивания и обязательно без ООС то лучше присмотреться к классу А или ЭА, наработки на эту тему так же есть у Игоря Semigor
 
Ну одно дело электролит в катоде, другое дело небольшая пленка на входе ( порядка 0.47мкФ), плёночные конденсаторы значительно превосходят электролиты по своим свойствам
Тогда уж предложите повышающий входной трансформатор. Круче будет.
На самом деле, если понадобится ещё и входной каскад, можно и фиксу сделать. Там один хрен межкаскадный кондер будет. Так даже интереснее.
 
Тогда уж предложите повышающий входной трансформатор. Круче будет.
На самом деле, если понадобится ещё и входной каскад, можно и фиксу сделать. Там один хрен межкаскадный кондер будет. Так даже интереснее.
Ну круче не будет, будет разве что дороже и несколько гемморойнее ( уж не люблю трансформаторы, но может кому так больше нравится).
Так как с фиксой резистор в катоде выкидывается, то усиление лампы я думаю позволит обойтись и без предусиления.
 
Ребята, я делаю простой усилитель для НЧ полосы АС в 2,5 полосы, да ещё и четырёхомной.
Мне важно малое выходное сопротивление усилителя и простота.
В ВЧ полосе будет работать ламповик на 2А3. Он давно есть, но с басами у него не очень.

Ну круче не будет, будет разве что дороже и несколько гемморойнее ( уж не люблю трансформаторы, но может кому так больше нравится).
Так как с фиксой резистор в катоде выкидывается, то усиление лампы я думаю позволит обойтись и без предусиления.
Увидим. У 6С31Б не шибко высокое усиление.
 
Ребята, я делаю простой усилитель для НЧ полосы АС в 2,5 полосы, да ещё и четырёхомной.
Мне важно малое выходное сопротивление усилителя и простота.
В ВЧ полосе будет работать ламповик на 2А3. Он давно есть, но с басами у него не очень.
Я там написал большой пост про параллельные повторители, он пока висит на одобрение модератором.
Если в кратце без интегратора - желательно использовать однополярное питание. Конденсатор на выходе или средняя точка из конденсаторов, если без ООС лучше второе.
Обычный паралельник ограничен по мощности, если надо больше 20-30Вт рекомендую посмотреть в другую сторону, самый простой вариант выходной каскад от Заратустры, там и однополярное питание и решён главный недостаток параллельника с отдачей выходного тока, под ваши требования самое лучшее ( просто, АС защищена от постоянки )
Если вам важно качество, то двухтакт в АВ без обратной связи не лучшее решение, рекомендую или ввести ОС, или если большая мощность не нужна, а безООС принципиально, то посмотрите в сторону повторителей в А и ЭА
 
Последнее редактирование:
Большая мощность не нужна. И усложнять без необходимости не хочется.
Поэтому на днях послушаю что получается сейчас. В класс А перейти, конечно, можно - на АПе давно был гибридник Сергея Васянина. Там тоже просто, но большие токи требуют радиаторы большего размера и силовой трансформатор покруче надо. Я пока решил попробовать сделать гибридник с выходом по Агееву. Не понравится если, подумаем о других вариантах.

Включил гибридник с умощненным БП.
На нагрузке 4 Ома до начала ограничения синуса 15 В. Это 56 Вт. И то надо уменьшить резисторы в БП между первыми и вторыми конденсаторами фильтра, т.к. питание просаживается с +/- 29 В на холостом ходу до +/- 25 В на полной мощности. Так вот при 56 ваттах питание было просевшим.
Выше кто-то говорил что этот выходной каскад более 25 ватт на 4 Ома не выдаст. Он выдаёт в два раза больше. Уже не плохо, хотя мне и не надо.
Далее смотрим частотный диапазон. В полосе от 8 Гц до 20 кГц завала нет совсем - 0 дБ. На 44 кГц минус 1 дБ, на 80 кГц - минус 3 дБ. Можно считать, что 6С31Б на этот выходной каскад работает нормально, тем более что это будет усилитель НЧ полосы.
Теперь чувствительность. На полной мощности я не записал, но при 10 В на 4 ом (мощность 25 Вт) на выходе на входе было 4,7 В. При 2 В на входе на нагрузке 6.3 В (9, 9 Вт) - можно послушать. На платке УН уже впаяна, но не задействована 6Н28Б. Распаяю обвеску, усиления будет достаточно. Надеюсь, и на басовую коррекцию хватит.
Первые опыты можно считать успешными. Теперь надо будет послушать и посмотреть спектралабом.
Главное послушать, не устроит - возьмусь за гибридник в классе А по схеме Сергея Васянина. Или в любом случае возьмусь потом за него.
 

Статистика форума

Темы
3,307
Сообщения
263,685
Пользователи
2,548
Новый пользователь
Александр Н.
Назад
Сверху Снизу