Гибрид из усилителя Агеева и не только

А что, избыток входного напряжения ? После моста ёмкости нет.
 
Что за дроссель первым стоит? В принципе его индуктивности хватит при токе нагрузки 5-6 А, но он должен держать преременку с мостика плюс подмагничивание и не входить в насыщение. Резисторы выкинуть, емкости поставить в параллель С1 и С2, около каждого повторителя поставить еще по емкости, не меньше 10000мкф и будет тебе счастье.
Дроссели промышленные на ток 12.5 А, 2.5 мГн. Оба. Как зовут посмотрю вечером дома.
А что, избыток входного напряжения ? После моста ёмкости нет.
Пока небольшой избыток. Не будет хватать, можно емкостишку добавить.
 
Дроссель разгрузит вторичку от лютого импульса дозаряда банок, но пульсация вырастет. Проще банку за мостом на 4700- 6800, потом дроссель или резистор, а уже потом ставишь банок сколько дури хватит.
 
Дроссель разгрузит вторичку от лютого импульса дозаряда банок, но пульсация вырастет. Проще банку за мостом на 4700- 6800, потом дроссель или резистор, а уже потом ставишь банок сколько дури хватит.
А вот таких банок у меня нет. Есть большие.
 
Вообще то любой фильтр , особенно LC ( из за максимального возможной максимальной амплитуды переменного напряжения и тока нагрузки, приводящей дроссель в насыщение ) требует расчёта, литературы на эту тему навалом и огульно всё это делать не советую. Единственно ( в поддержу Александра Бокарёва ) , это гораздо проще реализуется в фильтре CLC.
 
Пока не трещит и не греются. Но это без нагрузки. А под нагрузкой увидим.
Диоды Шоттки на 150 вольт, 30 ампер.
Без нагрузки чё им греться!
А, вообще, реальность у Вас такова, что ватт 5 будет уже за глаза и оверкиль ни к чему!
 
SiC пара есть, нормально открытые. 8 вольт запирающее, Параметры убойные.
Навскидку спаял пробный повторитель, впечатлен.
Ага, у меня 4 шт. и у тебя 2 шт. и все с одной партии Дмитрия - DIM. Угадал?
У карбидов ток покоя неспешно увеличивается и чем больше ток покоя, тем больше ток растёт. Без термодатчика не обойтись. Вот я снял график увеличения ТП за три часа и это на больших радиаторах.
 

Вложения

  • Ток покоя.GIF
    Ток покоя.GIF
    3.7 KB · Просмотры: 84
Без нагрузки чё им греться!
Поэтому написал "пока не".
Оно работало на агеевский ВК. Но это не считается.
А, вообще, реальность у Вас такова, что ватт 5 будет уже за глаза и оверкиль ни к чему!
Мне удобно сделать так:
IMG_20240321_141930.jpg
Просто 4 конденсатора уже закреплены.
 
Последнее редактирование:
Ага, у меня 4 шт. и у тебя 2 шт. и все с одной партии Дмитрия - DIM. Угадал?
У карбидов ток покоя неспешно увеличивается и чем больше ток покоя, тем больше ток растёт. Без термодатчика не обойтись. Вот я снял график увеличения ТП за три часа и это на больших радиаторах.
только показалось, что в плане роста от нагрева карбиды - как бы более... туповатые, нежели вертикалы. А мерить на пяти амперах как-то мыслей не было, и радиаторы нужно искать подходящие. потом мосты выпрямительные и трансы.....

Ага, у меня 4 шт. и у тебя 2 шт. и все с одной партии Дмитрия - DIM. Угадал?
У карбидов ток покоя неспешно увеличивается и чем больше ток покоя, тем больше ток растёт. Без термодатчика не обойтись. Вот я снял график увеличения ТП за три часа и это на больших радиаторах.
Правильно, DIM угостил SiСами. теперь сижу и думаю, что с ними делать.
Sic transit gloria mundi . _hm_
 
Т.е. после моста два дросселя, затем после них 2 х 47000.0 мкФ, затем провода к правому и левому каналам в усилитель?
Да. А перед дросселями по необходимости ёмкость 200 мкф и выше.
 
Да. А перед дросселями по необходимости ёмкость 200 мкф и выше.
В общем так даже удобнее.
Это всего лишь макет, потому можно как угодно, так и соединений меньше. Тоже хорошо.
 
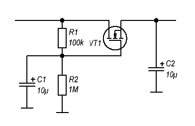
Насчет "электронных дросселей". Это название не совсем верное. Скорее это RC-фильтр с буфером.
Электронный дроссель 1.gif

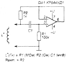
Если же говорить про дроссель, то его электронный эквивалент - гиратор
untitled.png

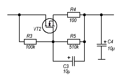
И если его реализовать на полевом транзисторе, схема приобретет немного другой вид
Электронный дроссель 2.gif

Где, R3 - это R1 (в схеме на ОУ), R4 - это R2, C3 - это С1, R5 нужен для того, чтобы создать некое смещение на полевом транзисторе (иначе он через R3 полностью откроется и будет просто резистором), С4 - конденсатор фильтра.
 
Насчет "электронных дросселей". Это название не совсем верное. Скорее это RC-фильтр с буфером.
Абсолютно правильно сказано, добавлю больше, ни какой RC не сравниться LC и дело не в крутизне спада , а в том что индуктивность , как и конденсатор сначала "запасает энергию ", а потом отдаёт.
 
Абсолютно правильно сказано, добавлю больше, ни какой RC не сравниться LC и дело не в крутизне спада , а в том что индуктивность , как и конденсатор сначала "запасает энергию ", а потом отдаёт.
Мысль первая при виде гиратора: Эй, а как же самоиндукция, вы о чем, граждане?!
 
У меня несколько подвинулись дела с ВК в классе А. Вчера спаял оба канала без подключения входов и выходов. Там надо ещё закрепить немелкие разделительные конденсаторы РОЕ 82000.0 х 25 В и плату лампового предусилителя.
Сегодня подал питание. Оба канала подают признаки жизни - напряжения на выходе регулируется, ток при изменении резистора в истоке полевика изменяется. Пока всё как должно быть.
Фильтр выпрямителя пришлось перевести из L-C в C-L-C потому что лишнее напряжение на вторичке силового трансформатора оказалось под нагрузкой недостаточным.
Думаю, на сегодня хватит.
Продолжение следует.

Продолжим.
Сегодня выбрал вечер для продолжения работы с макетом. Кое-как установил разделительные конденсаторы на выходе, перенёс с предыдущего макета плату предусилителя, подключил приборы. Включил питание пока только выходных повторителей.
И вижу чудесный симпатичный свист на мегагерцах. Как-то нехорошо.
Но я этого опасался, поэтому не подключил сразу акустику.

Думаю, проблема в разнесённом на приличное расстояние монтаже. Выглядит вот так:
IMG_20240329_225800.jpg
И на радиаторах поближе. Здесь биполярные транзисторы:
IMG_20240329_225512.jpg
Здесь полевичок:
IMG_20240329_225535.jpg
Монтаж размазанный в пространстве.
Наверное придётся перемонтировать с использованием макетки и разместить радиаторы ближе друг к другу.
 
Последнее редактирование модератором:
У меня здесь от земли до плюса питания, похоже, слишком далеко.
Только уменьшить расстояние довольно сложно.
Перед следующий попыткой надо хорошо подумать. Ну и всякими мелкими емкостишками обзавестись на всякий случай.
Хорошо с лампами - резистор в сетку впаял, и генерации нет. А здесь..
 
Бывает генерация от длинных проводов, например, у выходного каскада коллекторы идут на питание, конденсаторы 0,1-1 мкФ прямо с коллектора на землю и все...
 
Бывает генерация от длинных проводов, например, у выходного каскада коллекторы идут на питание, конденсаторы 0,1-1 мкФ прямо с коллектора на землю и все...
А так и есть, радиатор реагирует на руку. По секрету сказали.
 
Посадите на прямую, без прокладок, реагировать перестанет.

Ах... ну да, пилить родиатор - кощунство и глупость, я забыл :)
Нет там прокладок, окисел есть.
Бывает генерация от длинных проводов, например, у выходного каскада коллекторы идут на питание, конденсаторы 0,1-1 мкФ прямо с коллектора на землю и все...
Не помогает.

Дальнейшие действия ожидаются через пару часов, если ничего не помешает.
 
У Вас на втором фото я вижу потенциометр СП5-2. Он проволочный может работать как индуктивность соответственно и генерить. Была подобная ситуация попробуйте заменить на обычный.
 
Все зависит от результата!)))
Этот так. За хороший результат имеет смысл побороться.

Раскрутил макет. Пока монтаж составного транзистора выглядит вот так:
IMG_20240331_200222.jpg
Надо это дело как-то перековать. Применение макетки здесь думаю излишне. Транзистор припаяю на транзистор, а проводочки к монтажной планке. Будет возможность в базу маленького транзистора добавить резистор и, возможно, ёмкости оттуда на другие выводы.
СП2-5 заменить нечем. Безиндуктивного подстроечника нужного номинала нет.
 

Статистика форума

Темы
3,308
Сообщения
263,781
Пользователи
2,548
Новый пользователь
Александр Н.
Назад
Сверху Снизу