Гибрид из усилителя Агеева и не только

Святослав насоветовал, если бы я подключил ламповый пред сняв выход с анода на вход интегрального уся мощности то выгорел бы он до рамы, жалко мне уделывать свой Денон, подожду решений если конечно что то всплывёт, как бы не пришлось ещё в самом мощнике что то ещё регулировать, перепаивать.
Свой лампопред к Д-шнику выполнил в 2013 году на одиночке 6С7Б, она усиливала раз в 50, такой же делитель из 47ком и 1 к в землю был на выходе того преда, сигнал пришел на сетку. усилился , поджался и пришел на вход мощника такой же величины, как с регулятора уровня. Был и волшебный тумблер, напрямую с входа и через лампу. Эффект включения лампы не услышать невозможно, звук обретал объем, воздух, эхо появлялось. Возврат к звуку напрямую пугал своим убожеством.
 
Нет у меня ни правильной схемы ни 6С7Б ((
 
Могу только готовое повторить навесным монтажом.
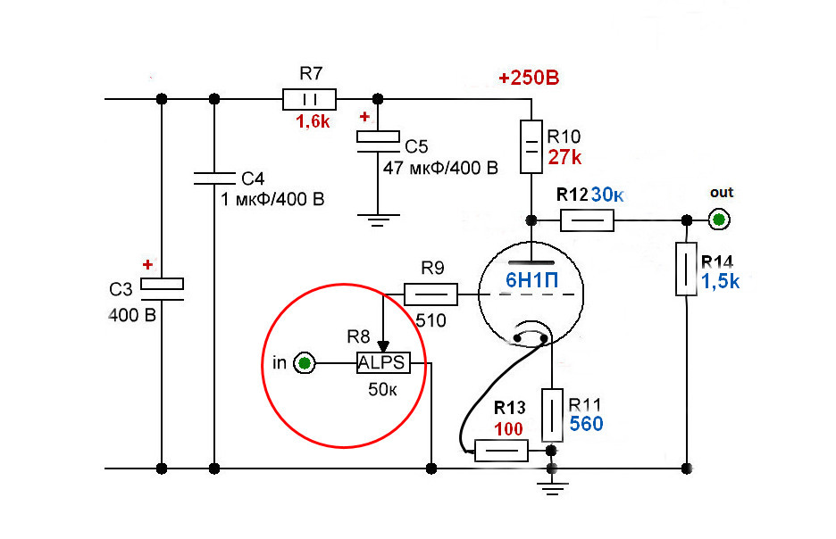
навскидку, 6Н1П, в анод 27-30 килоом, 2 ватта, в катод 560 ом 0,25-0,5 ватта, питание вольт 200-250, с плавным подъемом( кенотрон 6Ц5с вариант) . Пару банок в питание, 220 +470мкф с резючком между. И КАК БЫ ВСЁ....
Делитель забыл на выход. 30 килоом и 1, 5 ком. с 1, 5 ком снимаем сигнал нна вход мощника.
 
А всего лишь в схеме 82 года надо было вместо резистора параллельно диоду конденсатор 1мф-2.2мф поставить и на 4 ома линейность была бы та же,что и на 12 ом.
Кстати уважаемый Максим собрал ваш неофит, уже на плате, спасибо интересная схема и работает (без ОУ)
А по теме очень интересно, лет 15 назад собирал параллельник отдельно, к какому то ун подключал, на ШП динамик 8 Ом играло приятно, поэтому читаю с интересом, может к чему и придём!
 
Последнее редактирование:
Делитель на выход. 30 килоом и 1,5 ком. с 1,5 ком снимаем сигнал на вход мощника.
На входа разъём, поц двухканальный сколько кОм? и развязка на входе сетки какая будет?
Я уже было что не смогу к Денону подвесить лампу, посмотрел на свои запасы германия есть и П27-28 и другая малошумящая наша военка, из фирменных в разы намного больше транзючков но я без понятий какие транзисторы отбирать, поискал простенькие схемы германцев для мощника на входе от вольт 9-12 пока ничего вразумительного типа вот схема повторяй и будет very well )
 
На входа разъём, поц двухканальный сколько кОм? и развязка на входе сетки какая будет?
Я уже было что не смогу к Денону подвесить лампу, посмотрел на свои запасы германия есть и П27-28 и другая малошумящая наша военка, из фирменных в разы намного больше транзючков но я без понятий какие транзисторы отбирать, поискал простенькие схемы германцев для мощника на входе от вольт 9-12 пока ничего вразумительного типа вот схема повторяй и будет very well )
регулятор уровня - на входе лампы, нет никакой развязки, бегунок на сетке, с анода лампы через емкость в пару мкф на делитель, с делителя на вход усилителя.
 
Кстати уважаемый Максим собрал ваш неофит, уже на плате, спасибо интересная схема и работает (без ОУ)
А по теме очень интересно, лет 15 назад собирал параллельник отдельно, к какому то ун подключал, на ШП динамик 8 Ом играло приятно, поэтому читаю с интересом, может к чему и придём!
Вы его без ОУ подключали?
 
Дядь саш мне нужен РГ обязательно иначе я колонки пожгу нафиг мощником.

Перерисовал схему на 6Н1П:
_АБ 6Н1П.jpg
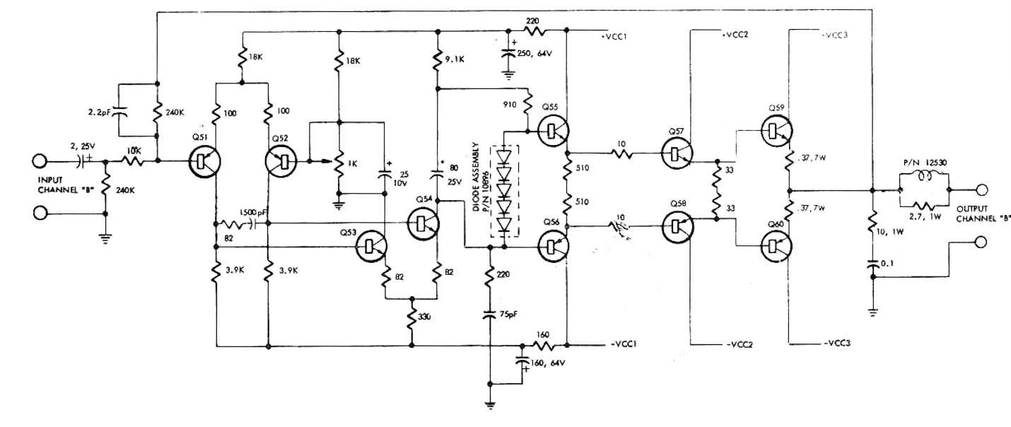
А это вход УМ Денона:
_STK 0040.png
 
Последнее редактирование:
Откуда эти картинки?
Журнал Радиомир 2011 год. В номерах с 4-го по 12 цикл статей А. Петрова "Эволюция транзисторных УМЗЧ", где подробно рассматриваются все мыслимые и немыслимые выходные каскады усилителей, с анализом достоинств и недостатков
 
В сенсі вихідних каскадів найкраще прізвище Локанті :)
 
Найкраще взагалі каскад без прізвища. Наприклад, на латералах.
 
Я думаю взагали всё таки лучше локанти. Почему? Потому что латералы или давно не выпускаются, или стоят как чугунный мост. А тройка- пожалуйста, на распространённых биполярах работает не хуже, а то и получше.
 
Я думаю взагали всё таки лучше локанти. Почему? Потому что латералы или давно не выпускаются, или стоят как чугунный мост. А тройка- пожалуйста, на распространённых биполярах работает не хуже, а то и получше.
Те же мысли. С начала 70-х засматривался на схему JBL SA-600 в болгарской книжке.
Недавно смакетил, запустилась сразу. Надеюсь вернуться к ней.
 
Последнее редактирование:
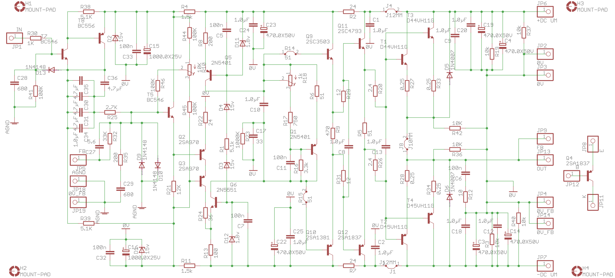
Конечно, файлы проекта Eagle 7.7.0, фото и схема

Вы его без ОУ подключали?
Да, делитель пол питания в базы и с какого то усилителя сигнал подавал, продолжать тогда не стал, делал просто ради удовлетворения интереса
 

Вложения

  • um220_2.zip
    um220_2.zip
    107.7 KB · Просмотры: 145
  • неофит.jpg
    неофит.jpg
    575.3 KB · Просмотры: 333
  • неофитС.png
    неофитС.png
    299.2 KB · Просмотры: 346
Добавлен буфер входной.
Звучание понравилось?
 
не только схема, но и режимы каскадов (токи и напряжения), подходящие транзисторы (работать будут любые)))
Все эти годы отпугивала повторить SA-600 куча питаний выходного каскада, заявленная как важное условие правильной работы. Сейчас запитать не вопрос. Важнее другое, ну,собрал, запустил. И куда его, если система давно отлажена и звучит. И место новичку привычное, на антресоли.
 

Вложения

  • jbl.png
    jbl.png
    186 KB · Просмотры: 295
  • power supply.png
    power supply.png
    175.3 KB · Просмотры: 271
  • Locanthi_scheme_Vbe.png
    Locanthi_scheme_Vbe.png
    22.2 KB · Просмотры: 283
Последнее редактирование:

Вложения

  • Locanthi-1967.png
    Locanthi-1967.png
    1.6 MB · Просмотры: 343
Не понимаю восторга от этого раритета. Абсолютно не понятен интерес
 
As is схема JBL SA-600 застаріла.
Але, потрібно зрєть в корєнь (С). ;)
Зробіть над собою зусилля.
1) у цього схемотипу найнижчий рівень спотворень перемикання.
2) цей схемотип має найширшу полосу потужности
3) у цього схемотипу прийнятний вихідний і найвищий з можливих вхідний опір
4) рівень комплементарності транзисторів не критичний. Єдина критична вимога: попередні транзистори мають бути швидшими за наступні, що досить легко виконується.
Тому, найпоширеніший в серійних підсилювачах для звуку.
 
Последнее редактирование:
Сама "трійка" на виході морально застаріла.
 
Она самая. Только в болгарской книжке все параметры и графики полосы, мощности и искажений. И еще схема, недавно привел один форумчанин.
При токе покоя 10мА обещают супер параметры? Там только БП будет сложнее всего остального усилителя.
 
При токе покоя 10мА обещают супер параметры? Там только БП будет сложнее всего остального усилителя.
Розумний рукосуй підлаштує режими під наявні транзистори і отримає максимум від схеми. Недолугий скиглитиме з будь-якого приводу.
Наочний приклад - більшість схем підсилювачів на rcl.
 
Последнее редактирование:

Статистика форума

Темы
3,308
Сообщения
263,715
Пользователи
2,548
Новый пользователь
Александр Н.
Назад
Сверху Снизу