Постройка басовой секции

  • Автор темы Автор темы Пётр
  • Дата начала Дата начала
Если имею право выбора - хочу 3 мГн. Как первый вариант.
Да пожалуйста... Щит-то как ставить будем? Если он будет стоять, как сейчас - в стороне от СЧ, то, в меру отдаления от системы НЧ всё больше геометрически высовывается вперёд. Как нижний стык сводить?
совет послушать 6ГД-1 с забавным LR корректором не нашел отклика , ну да ладно.
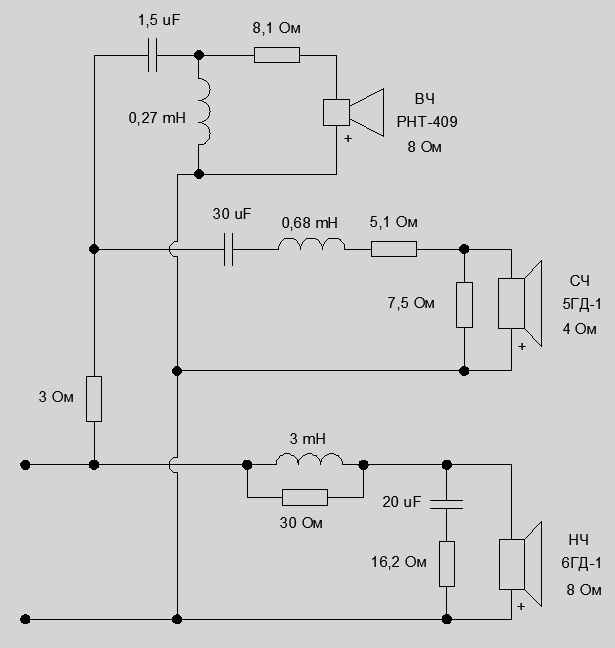
Это вариант 3 мГн.
 
совет послушать 6ГД-1 с забавным LR корректором не нашел отклика , ну да ладно.
Помню. 30 ом параллельно 3 мГн. Планирую послушать. Вчера - только АЧХ успел снять. А слушать - нельзя уже было. Все спали
Щит-то как ставить будем?
Щит будем ставить прислонённым к басовой секции в углу. А СЧ/ВЧ фанерка - над щитом примерно.
 
Так, как на последнем рисунке? Тогда нижний стык катается, как сам хочет, когда Вы по комнате ходите. Свести и слушать - в небольшой по протяженности зоне, метр шириной. Можно так и попробовать. НО. При слушании не по оси, с трёх метров - уже имеем АЧХ с 3мГн, и я дорисовал +30 Ом зелёным, и средний уровень - фиолетовым:
1.png

На долю 5ГД-1 достанется поднять уровень на... 2дБ (Пётр хочет проваленный уровень СЧ на 3дБ примерно, знать бы, зачем), и при этом - не побить горшки с 6ГД-1 от 400 до 2 кГц включительно! Что возможно только при особых усилиях по подбору глубины уствновки СЧ (чуть дальше, чем НЧ), и все СЧ будет играть 6ГД. И это - не по оси 6ГД! Представляете конструкцию? _shok_ Два щитка, развёрнутых друг относительно друга на 60°, с совмещёнными АЦ НЧ и СЧ динамиков...
Вывод: либо 3мГн - мало, либо слушать 6ГД штатно под большим углом, 45...60°. И - так же сводить.
Пётр! Фильтр зависит от угла между осью 6ГД-1 и направлением на слушателя. И - КМК - нынешний угол разворота щита близок к оптимальному. Но, сводить с трёх метров как-то не очень. Что делать?
*****
Корзина у 6ГД-1 супероткрытая, резонировать и оклеивать вроде как нечего, выпендрёж 300 Гц чисто диффузорные приколы.
 
Последнее редактирование:
либо слушать 6ГД штатно под большим углом, 45...60°. И - так же сводить.
Он нормально звучит (в басовой области) во всём объёме комнаты. Бас его - не локализуется особо. Моё мнение - совершенно не обязательно, чтобы он (6ГД-1) осью смотрел на слушателя. Мне лично всё равно, на сколько градусов он повёрнут. Беймы басовики у меня уже давно - не на слушателя смотрят.
 
Но лучше чтобы все динамики были ближе друг к другу. В этом случае легче добиться слитного звучания.

Поэтому предлагаю определиться таки с типом динамика на НЧ.
Если Бейма, добить начатое с двухполосным усилением.
Если 6ГД-1, согнать все динамики на общий щит и настроить фильтры. После этого НАЙТИ ХОРОШУЮ ПАРУ 6ГД-1РРЗ. Не факт что это удастся сделать быстро.
Т.е. надо как-то отходить от временных конструкций.
Понятно, Пете нравится 6ГД. Но этот один динамик, как понимаю, всегда может затребовать хозяин. В этом случае не будет ничего. Слушать придётся Бейму. И снова смотри пункт первый.
 
C
Он нормально звучит (в басовой области) во всём объёме комнаты. Бас его - не локализуется особо. Моё мнение - совершенно не обязательно, чтобы он (6ГД-1) осью смотрел на слушателя. Мне лично всё равно, на сколько градусов он повёрнут. Беймы басовики у меня уже давно - не на слушателя смотрят.
ПреВосХодНо. Щит с 6ГД-1 будет под углом 45°, а лучше - 60° на слушателя. А щиток СЧ - почти на слушателя. Как крепить будем? Оставите ЗЯ в какчестве подставок под СЧ/ВЧ модуль на ножке?
Первый вариант - мягкий ФНЧ. Нижний раздел - на неизвестной частоте, полярность НЧ - неизвестна! Резистором 2 Ома выставляется нужный уровень ВЧ относительно НЧ, уровень СЧ от 5ГД - устанавливается при этом автоматически, но его может быть много, потому что 6ГД лабает до 1,5 кГц. По напряжению нижний раздел 600 Гц.
2.png По АЧХ - НЧ полоса близка к #3,934 , синяя кривая.
У НЧ фильтра полка выше 2 кГц по -13дБ, а если без 20 мкФ+16 Ом - задир на частоте 6 кГц до -8дБ, можно попробовать и без неё. Импеданс отличный: 6,5 Ом на 120 Гц; 8 Ом на 900 и 10000 Гц, остальное - выше.
Вариант с бешенным режектором на 300 Гц. Импеданс не ниже 6 Ом.

6.png 8.png
 
Последнее редактирование:
Предложив послушать ОДИН динамик 6ГД-1 с корректором LR, написал. что ничего другого там не нужно. Просто динамик. катушка и резистор. В итоге непойми что.
Либо у Петра - кривой микрофон, либо его 6ГД не годится в однополоску. Сравните
3.png И
5.png
И Пётр будет слушать 6ГД не по оси вообще.
 
Последнее редактирование:
Николай, спасибо.
Предлагаю так - я попытаюсь собрать схему, что Вы сочинили. А Вы - попытаетесь ещё мне подсказать, как померить АЧХ микрофоном, чтобы выявить - правильно стыковка произошла, либо нет.
Оставите ЗЯ в какчестве подставок под СЧ/ВЧ модуль на ножке?
ну да...

Александр, не обиды для... всё что доселе я слышал от 6ГД-1 - ну никак я его не могу воспринять для себя в двухполоске. Хотя и вижу по АЧХ - что не похож он на басовик, а похож на ШП.
А послушать с катушкой зашунтированной резюком - сделаю, конечно. Один динамик. Потом уже полный обвес по Николаю.

Смешно, наверное - но обратил внимание, что мне даже розовый шум 6ГД-1 нравится. Радиольный маньяк, похоже...
 
Последнее редактирование:
Последовательный фильтрец. Минимальный импеданс - 6 Ом...
7.png9.png
Полярность неизвестна.
Все варианты сочинены исходя из НЕБОЛЬШОГО расхождения в расстояниях от НЧ и СЧ излучателей до микрофона/слушателя. Прикиньте, где в комнате НЧ на +/-5 см ближе, чем СЧ, на высоте 1,5 метра, и там будем снимать и слушать. Подъем на высоту даст нам требуемый угол на 6ГД (хотя по вертикали он менее направлен, чем по горизонтали, но всё же).
10.png
Если зайдёт - надо будет совмещать АЦ НЧ и СЧ по вертикали.
 
Последнее редактирование:
Смотри, что сделай. Свою единственную на все случаи катуху 3мГн к 6ГД-1 подшунтируй резистором Ом 27-30. LR контур . И больше ничего.
А потом расскажешь про впечатления
Сделал. Скажу я вам - с таким шунтом - это уже не басовик. Это ШП с усиленными низкими частотами. Его в таком состоянии можно без всего остального слушать (один динамик). Я и слушаю так пока что. Но я не могу сказать, что такое звучание мне по душе.
А когда просто катушка без резистора 30 Ом - то становится басовиком (на слух). Но в таком состоянии его одного - слушать невозможно.
 
Пока вижу явный плюс применения 6ГД в отсутствии необходимости в двухполосном усилении. Можно сделать АС под имеющийся SE и успокоиться. Мощность и чувствительность динамиков нормально сочетается с маломощным однотактным усилителем. Если нет желания погреметь, может получиться вполне хорошо.
Потом можно будет поиграть с ОЯ, если желание останется. По идее ОЯ должен получиться несколько менее громоздким чем щит, вспомним родной корпус приёмника Фестиваль (я про его объём). Как ОЯ будет взаимодействовать с комнатой можно узнать только попробовав.
Но разорять имеющуюся систему пока рано.
 
Прикиньте, где в комнате НЧ на +/-5 см ближе, чем СЧ, на высоте 1,5 метра, и там будем снимать и слушать. Подъем на высоту даст нам требуемый угол на 6ГД (хотя по вертикали он менее направлен, чем по горизонтали, но всё же).
По-моему, у меня не совсем так, как Вы представляете (расположение)
1.jpg

щит - могу развернуть (против часовой стрелки, если смотреть сверху)
 
Последнее редактирование:
По-моему, у меня не совсем так, как Вы представляете (расположение)
Посмотреть вложение 83262
щит - могу развернуть (против часовой стрелки, если смотреть сверху)
Подозреваю, что жена в восторге от этого "великолепия". Пока терпит?
Надо её порадовать аккуратным ОЯ (или ЗЯ, если на других динамиках), в котором будут все динамики в одном корпусе под симпатичным грилем. Вы ведь здесь живете.
Это личное мнение.
 
По-моему, у меня не совсем так, как Вы представляете (расположение)
Так и представлял, только думал, что 6ГД установлен горизонтально. А вертикально - ещё лучше, ибо вверху, на 1,5 метра, из-за бОльшей направленности результат будет такой, словно больше отвернули в сторону, ОК.
щит - могу развернуть (против часовой стрелки, если смотреть сверху)
Да, разверните против часовой. Будет ещё меньше ВЧ от него, сам он будет дальше от предметов сзади. Ещё уточните: правым боком щит касается стенки, или там щель?
 
Ещё уточните: правым боком щит касается стенки, или там щель?
Там вообще - окно, за занавеской.

Собрал предложенную Николаем схему:
1.jpg

До начала вечернего чтения детских сказок - успел немного послушать.
Вот что могу сказать. Всё же - бас не распространяется по всей комнате одинаково. Особенно это стало заметно - при попытке повернуть щит. Как только заходишь ближе к плоскости щита (как бы сбоку) - бас пропадает. В то же время - если щит и щиток (с СЧ/ВЧ) ставить так, чтобы ось всех динамиков смотрела на слушателя - мне кажется, что перебор СЧ и ВЧ (много) .
Ещё отметил, что если щит и щиток проворачивать - то уши находят такое место (оно как бы между осями), где звучание наиболее привлекательное.
В итоге: разворачивать щит (так что при этом пропадает бас, когда приближаешься к плоскости щита сбоку) - меня не устраивает. Это - слишком сильная неравномерность баса по комнате. Поэтому - в итоге я расположил щит как на фото выше. При этом - несмотря на то, что по оси получается (вроде бы) много СЧ и ВЧ - приятнее тот момент - что в комнате нет таких мест, где бас пропадает совсем. Поэтому - замеры планирую делать тоже так.
А в общем - бас есть. Он достаточный (больше (глубже, ниже) - и не надо). Звук не утомляет. Не появляется желания сделать громче. Слушать - интересно. Звучит - без каши. Но "звук вокруг" - не получается. Дальнобойность упала: в том смысле - что слушать ближе (метра 1,5 от АС) - интереснее, чем с другого угла комнаты. В этом смысле - неравномерность баса по комнате с Беймой была меньше.
Уложатся мои спать - постараюсь сделать замер АЧХ.
 
Там вообще - окно, за занавеской
+
Собрал предложенную Николаем схему:
Посмотреть вложение 83267

Всё же - бас не распространяется по всей комнате одинаково. Особенно это стало заметно - при попытке повернуть щит. Как только заходишь ближе к плоскости щита (как бы сбоку) - бас пропадает.
Да! И это его свойство спасает от образования мощных стоячих волн.
В то же время - если щит и щиток (с СЧ/ВЧ) ставить так, чтобы ось всех динамиков смотрела на слушателя - мне кажется, что перебор СЧ и ВЧ (много) .
Перебор СЧ - от 6 или от 5ГД? Ну, если и ВЧ перебор, то у 6ГД-1 отдача на пару-тройку дБ меньше на басу, чем у Бэймочки, увеличьте 3 Ома.
Ещё отметил, что если щит и щиток проворачивать - то уши находят такое место (оно как бы между осями), где звучание наиболее привлекательное.
Да, много и СЧ, и ВЧ.
В итоге: разворачивать щит (так что при этом пропадает бас, когда приближаешься к плоскости щита сбоку) - меня не устраивает.
И не надо. Если пропрёт, то будем иметь в виду, что НЧ щиты будут стоять примерно на слушателя, и гасить СЧ от 6ГД - обязательно!
Это - слишком сильная неравномерность баса по комнате. Поэтому - в итоге я расположил щит как на фото выше.
+
При этом - несмотря на то, что по оси получается (вроде бы) много СЧ и ВЧ - приятнее тот момент - что в комнате нет таких мест, где бас пропадает совсем. Поэтому - замеры планирую делать тоже так.
ОК!
А в общем - бас есть. Он достаточный (больше (глубже, ниже) - и не надо). Звук не утомляет. Не появляется желания сделать громче. Слушать - интересно. Звучит - без каши. Но "звук вокруг" - не получается. Дальнобойность упала: в том смысле - что слушать ближе (метра 1,5 от АС) - интереснее, чем с другого угла комнаты.
Когда щиты развернутся почти вдоль длины, бас направится тоже вдоль комнаты. И СЧ/ВЧ туда же довернутся, и будет лафа )))
В этом смысле - неравномерность баса по комнате с Беймой была меньше.
Потому что Бэйма, стоя в углу, сильнее всего заводит места в углах и под стенками.
 
Последнее редактирование:
Сделал замер. Микрофон на уровне ушей - что то же самое - на уровне СЧ. Расстояние до СЧ - 1,5м. До басовика - примерно столько же. Все динамики - примерно смотрят на микрофон. Результат такой:
1.png
 
Сделал замер. Микрофон на уровне ушей - что то же самое - на уровне СЧ. Расстояние до СЧ - 1,5м. До басовика - примерно столько же. Все динамики - примерно смотрят на микрофон. Результат такой:
Посмотреть вложение 83269
Очень интересная картина!
Untitled.png

Полки баса, СЧ и ВЧ - равны по уровню. Это значит, что, если хотите получить то же соотношение полок, что "было", надо уменьшить уровень одного или двух из излучающих СЧ. Хотелось бы уменьшить 6ГД. Резонанс 100 Гц - скорее всего, микрофон был близко к середине комнаты по ширине. Отодвиньтесь назад по линии АС-микрофон на 60 см в следующий раз, высота - та же. 300 Гц - это капец, задающий тон всей музыке. Без режектора кина не будет! Длинный синфазный стык - обалдеть. Уточните, какая полярность НЧ относительно СЧ? А что будет при перебросе полярности НЧ? Проверьте. Слабый верхний стык - вероятно, 6ГД вмешался не в тему, у него на 4 кГц пик АЧХ с заворотом кишок фазы. Не надо его тянуть до 4 кГц! Если бы он был в фазе, на стыке было бы больше, чем +6дБ
Итого. Пока измерьте суммарную АЧХ на 60 см дальше назад, высота - та же, одно измерение. Перебросьте полярность НЧ динамика - суммарная, второе измерение. Если заметно плохо - возвращаете назад. Из схемы удалите 30 Ом в параллель катушке ФНЧ - третье измерение, суммарная АЧХ. Удалите 20 мкФ+16 Ом - четвёртое измерение, суммарная АЧХ, итого - 4 кривых на одном рисунке. Там посмотрим.
 
Последнее редактирование:
Николай, спасибо за картину маслом.
Вижу, что моё, в общем-то положительное, восприятие звучания на слух - не стыкуется с тем, что АЧХ не соответствует нормам и правилам. Видимо, следует пытаться поправлять АЧХ
Итого. Пока измерьте суммарную АЧХ на 60 см дальше назад, высота - та же, одно измерение. Перебросьте полярность НЧ динамика - суммарная, второе измерение. Если заметно плохо - возвращаете назад. Из схемы удалите 30 Ом в параллель катушке ФНЧ - третье измерение, суммарная АЧХ. Удалите 20 мкФ+16 Ом - четвёртое измерение, суммарная АЧХ, итого - 4 кривых на одном рисунке. Там посмотрим.
Первое измерение - 60 см дальше назад. Понятно. А последующие измерения (со 2-го по 4-ое) - там же (60 см дальше назад по отношению к вчерашнему замеру)?

После вчерашнего прослушивания с резистором 30 Ом параллельно катушке на НЧ и без этого резистора - есть у меня предрасположенность думать, что без него - уйдут СЧ частоты с басовика. Если при этом мерить только общую АЧХ (со всех трёх динамиков) - можно и не увидеть, что произошло с АЧХ именно басовика.
 
Интересное развитие темы.
Двугорбый верблюд, раскрашенный Николаем, становится не столь страшным. Петины прослушивания тоже успокаивают, поскольку ему всёже слышно что-то кроме двух горбов. Напрашивается мысль о достоверности изменений, всё ли с ними нормально. У самого когда-то давно был момент с пиком на ста герцах, такой звук нравиться не может.
 
"Да простят меня женщины - речь пойдёт о мужчинах"...
Если сказать, что я просто в ах... и ох... от темы, это ничего не сказать.
Сколько отчаянного мужества и упорства в людях!!!
 
Принцип простой. Чем хуже окружающая акустическая обстановка, тем ближе нужно придвинуться к источнику звука . В идеале обойтись парой мини-мониторов на столе. Или наушниками. Остальное сильно под вопросом.
 
"Да простят меня женщины - речь пойдёт о мужчинах"...
Если сказать, что я просто в ах... и ох... от темы, это ничего не сказать.
Сколько отчаянного мужества и упорства в людях!!!
Мультик Остров Сокровищ напоминает.
Ну там, где пираты форт брали, а капитан вместо окна прикладом ружья в картину молотил :)
 
Интересное развитие темы.
Двугорбый верблюд, раскрашенный Николаем, становится не столь страшным. Петины прослушивания тоже успокаивают, поскольку ему всёже слышно что-то кроме двух горбов. Напрашивается мысль о достоверности изменений, всё ли с ними нормально. У самого когда-то давно был момент с пиком на ста герцах, такой звук нравиться не может.
100 Гц - надеюсь, первый кратный резонанс по ширине из-за того, что измерение - по середине ширины, и щит смотрит поперек - возбуждает поперечную волну. Поэтому прошу отодвинуться Петра назад на 60 см от центра комнаты. Если я правильно курю, то 100 Гц присядут на пару дБ, и вылезет основной поперечный 50 Гц. В таком случае, когда щит будет повёрнут почти вдоль комнаты, 50 и 100 Гц будут только от прямой волны - ровные, а вылезет основной продольный 30 Гц, но он нам - нужен, там щит уже слишком сильно валит, углы - не трясутся ))) Вот с 60 Гц будут проблемы, в некоторых местах.
Вижу, что моё, в общем-то положительное, восприятие звучания на слух - не стыкуется с тем, что АЧХ не соответствует нормам и правилам.
?? Очень даже соответствует, кроме муры 300 Гц. Стояков 30 и 50 Гц сейчас не наблюдается, а они были по +10...15дБ, чистый гул. Стояк 100 Гц - много Уже полоса, и он должен уйти при развороте НЧ щита вдоль (проверим!). Уровень СЧ завышен потому, что я НЕ ПОВЕРИЛ, что НЧ споётся с СЧ в столь широком диапазоне, минимум до 2 кГц. А Вы привыкли, что стоячки 30 и 50 Гц - основной окрас, а сейчас акцент действительно на СЧ.
Видимо, следует пытаться поправлять АЧХ
Будем, обязательно.
Первое измерение - 60 см дальше назад.
Уточняю: не просто назад, а - по той же линии АС-микрофон, точка на 60...70 см дальше середины комнаты по ширине .Проверяем стояки 100 и 50 Гц.
А последующие измерения (со 2-го по 4-ое) - там же (60 см дальше назад по отношению к вчерашнему замеру)?
Мы отодвигаемся, чтобы посмотреть реакцию пика 100 Гц. Но, для экономии времени - там же.
После вчерашнего прослушивания с резистором 30 Ом параллельно катушке на НЧ и без этого резистора - есть у меня предрасположенность думать, что без него - уйдут СЧ частоты с басовика.
Только выше 2 кГц, а горбик у нас на 1,5 кГц. СЧ придётся давить сильнее, но это уже вместе с пиком 300 Гц.
Чтобы Вы понимали, АЧХ полос по напряжению актуальной схемы.
Untitled.png

Если при этом мерить только общую АЧХ (со всех трёх динамиков) - можно и не увидеть, что произошло с АЧХ именно басовика.
Нам достаточно суммарных АЧХ и полос СЧ и ВЧ, снятых один раз, поскольку СЧ и ВЧ мы не трогаем, микрофон не смещаем. Что в НЧ - поймём вычитанием.
Есть и пятое измерение (5Dimentions, дожили). По схеме третьего измерения, разверните щит почти вдоль комнаты, и снимите АЧХ с трёх или четырёх метров по оси щита. Для посмотреть на пики 30, 50, 60, 90, 100, 300 Гц при положении НЧ щита, близком к штатному. Положение микрофона точно опишете.
*****
Мультисим требует отключения 30 Ом, уменьшения резистора 16 ом в ФНЧ до 4...6 Ом и противофазное включение НЧ = превращение его из ШП в НЧ. Говорит - век воли не видать.
Следующее измерение - последовательный фильтр. Его схема работает как режектор 300 Гц на 4 дБ. Если пойдёт, увеличим режекцию.
Кстати, горб 100 может состоять на самом деле из двух: второй кратный по длине 90 и первый кратный по ширине 100, а мебель и проёмы внесли коррективы для их сближения. Поэтому пятое измерение выложите с меньшим сглаживанием.
Пётр, скажите активное сопротивлене катушки 3 мГн, плиз.
 
Последнее редактирование:
В лаборатории на фирме, в комнатушке под крышей, где головой едва не задевал потолок, АЧХ всех наших колонок была внизу чудовищная. С этим смирились, лучше было не сделать никак. И как все дивно поменялось после переезда в другое здание с высокими потолками.
ПС. Кроме замера шумом , поданным в одну колонку, могу посоветовать глянуть АЧХ созданную парой колонок в сумме, в стерео, но шум нужен специальный.
https://cloud.mail.ru/public/Cju6/6NC45Hs3f трек 11.
 
И как все дивно поменялось после переезда в другое здание с высокими потолками.
У моего товарища - царство ему небесное. В своё время были первыми в нашем городке кассетник "Вега-122", усилитель "Одиссей-010" и акустика "Амфитон-50АС-022". Технологии, новьё, то да сё. В 18 м.кв. расположено. Вроде нормально. Но когда он с данными аппаратами выехал на утренник к каким-то детишкам и расположился для озвучки в комнатке с примерно 50 м.кв., то вернулся он с утренника в шоке... И больше не знал он покоя. Всё плакал о том, что не барин. Не помещик.
Сгорел в итоге от пьянки. Не по причине того утренника конечно.
 
У моего товарища - царство ему небесное. В своё время были первыми в нашем городке кассетник "Вега-122", усилитель "Одиссей-010" и акустика "Амфитон-50АС-022". Технологии, новьё, то да сё. В 18 м.кв. расположено. Вроде нормально. Но когда он с данными аппаратами выехал на утренник к каким-то детишкам и расположился для озвучки в комнатке с примерно 50 м.кв., то вернулся он с утренника в шоке... И больше не знал он покоя. Всё плакал о том, что не барин. Не помещик.
Сгорел в итоге от пьянки. Не по причине того утренника конечно.
Есть и другой результат, колонки сферы на 8" ширике и купольной пищалке спокойно озвучивают огромный зал частного дома. Совершенно не напрягаясь, заливают пространство красивым звуком.
Двигать стены и выносить окна задачи не было.
 
У моего товарища - царство ему небесное. В своё время были первыми в нашем городке кассетник "Вега-122", усилитель "Одиссей-010" и акустика "Амфитон-50АС-022". Технологии, новьё, то да сё. В 18 м.кв. расположено. Вроде нормально. Но когда он с данными аппаратами выехал на утренник к каким-то детишкам и расположился для озвучки в комнатке с примерно 50 м.кв., то вернулся он с утренника в шоке... И больше не знал он покоя. Всё плакал о том, что не барин. Не помещик.
Сгорел в итоге от пьянки. Не по причине того утренника конечно.
На утреннике было много людей, а это - отличное рассеяние и неплохое поглощение. Дело вовсе не в площади: улучшилось отношение прямая волна/отраженная, а сами отражения стали диффузными. Студия задаром. При записи концертов в концертные залы загоняли "на концерт" солдат, ибо в пустом зале эхо было страшное. Их расчетная реверберация учитывает заполненность зала людьми.
 
В малом помещении тоже можно слушать музыку, но надо понять как. А если ещё и низкий потолок, то становится ближе мнение АБ о прослушивании в БЛИЖНЕМ поле. При этом не обязательно должны быть именно минимониторы, но над размещением АС и точки прослушивания следует подумать.
 
На утреннике было много людей, а это - отличное рассеяние и неплохое поглощение. Дело вовсе не в площади: улучшилось отношение прямая волна/отраженная, а сами отражения стали диффузными. Студия задаром. При записи концертов в концертные залы загоняли "на концерт" солдат, ибо в пустом зале эхо было страшное. Их расчетная реверберация учитывает заполненность зала людьми.
Предположу обратное. Просторный зал для утренника, мебели нет, окна и стены. И народ детский внизу. Эхо и гул , особенно с накрученными до одурения и по привычке тембрами.
 

Статистика форума

Темы
3,304
Сообщения
263,138
Пользователи
2,544
Новый пользователь
vlad'mir
Назад
Сверху Снизу