Постройка басовой секции

  • Автор темы Автор темы Пётр
  • Дата начала Дата начала
Перечитал революционные события. Горло разжалось, когда, с конденсатором 60 мкФ, отключили катушку от земли. Вот что было проделано:

1.png

Действительно, разница на басах 30/60 мкФ с катушкой была невелика, а отключение катушки - очень заметно. Но отключение катушки портит стык: выше 200 Гц НЧ должен быть включен в противофазе, а ниже - в фазе, что физически невыполнимо.
Пробуйте вариант, при отключенной НЧ полосе.
2.png
Он 1:1 по напряжению выше 170 Гц, на слух 1:1 выше 140 Гц, но на частоте 100 Гц отличие уже велико. Если Вы явно отдадите предпочтение 63 соло, то это означает, что Вы хотите от СЧ динамика 100 Гц. И в конце послушайте и снимите вариант вместе с НЧ.
P.S. С увеличением резистора последовательно с катушкой АЧХ вариантов на НЧ стремятся к совпадению.
1.png
 
Последнее редактирование:
Эта схема и этот резистор?
Дя! А, может, для разжимания горла важен участок 150...300 Гц, тогда НУЛЬ Ом в помощь.
И если уж совсем невмоготу без 100 Гц для 5ГД-1, то вот вариант с Линквицем-2 в активе, без 63 мкФ.
1.png
И его ФЧХ относительно 63 мкФ. Разница на частоте 100 Гц в 45° как раз полезна для нормального стыка в противофазе.
2.png
 
И если уж совсем невмоготу без 100 Гц для 5ГД-1, то вот вариант с Линквицем-2 в активе, без 63 мкФ.
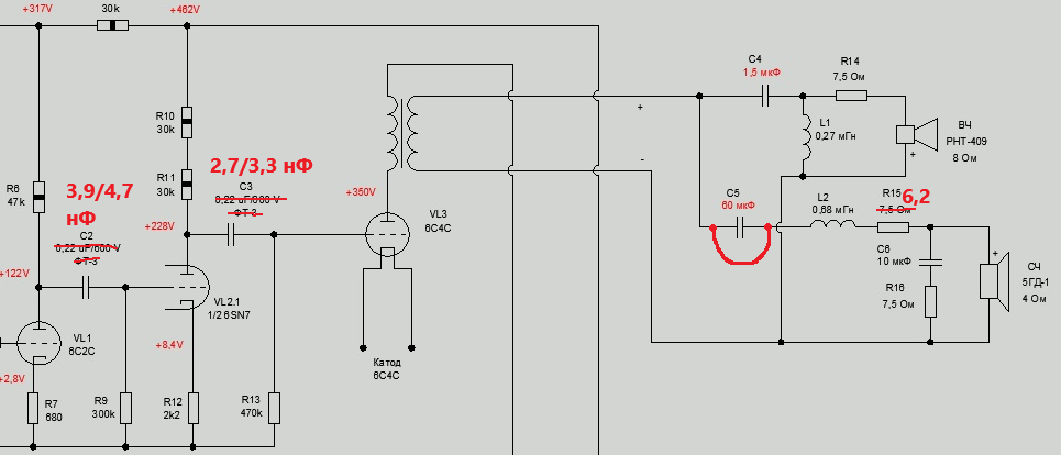
Вот эта схема для лампового УНЧ-а https://ldsound.club/attachments/tri-png.116894/ ? Раскурочиваю УНЧ, меняю первый межкаскадный конденсатор на 3,3 нФ... это я ещё не пробовал (либо уже забыл), а про катушку в СЧ фильтре - ещё плохое не забылось.
Тогда - в пассивном СЧ фильтре - остаётся такое https://ldsound.club/attachments/1-jpg.117398/ ?
 
Нет, по ссылке фвч первого порядка, а нужно уменьшить конденсаторы сразу между двумя каскадами.
Схема для Линквица -2:
Линк-2.png
Имейте в виду, что изменения уберут ИМИскажения не только в динамике, но и в самом ламповом усилителе (не полностью), так что, если сварганите, будьте готовы к прочищенному от ИМИ звуку СЧ полосы. Будет прикольно, если именно ИМИ Вам и не хватает для "баритончика"! smile_1
Кстати. Уменьшение уровня НЧ полосы на 1...1,5 дБ, возможно, поможет в плане антипластмассовости голоса!
 
Последнее редактирование:
Вот и схема актив подоспела. А я ещё пассив не опробовал. Помню, в начале ветки я менял АЧХ лампача за счёт малого межкаскадного конденсатора. И А.Б. тогда положительно, в общем-то, к этому относился. Думаю и сейчас перейти на это сразу. Учитывая, что Александр неодобрительно высказался насчёт индуктивности в пассивном фильтре.
 
в начале ветки я менял АЧХ лампача за счёт малого межкаскадного конденсатора. И А.Б. тогда положительно, в общем-то, к этому относился.
Естественно. Зачем полосовому СЧ-ВЧ усилителю напрягаться на НЧ? Без них суммарное напряжение на выходе меньше и спектр чище.
Учитывая, что Александр неодобрительно высказался насчёт индуктивности в пассивном фильтре.
Высказывание не означало "личную неприязнь" к катушке в данном месте, а касалось конкретной катушки в конкретном фильтре, не дававшей возможности СЧ полосе дотянуться до 100 Гц. Активный 2-й порядок, в принципе, - та же комбинация С по входу и L на землю, только с бОльшими номиналами и с добротностью не выше 0,5. Динамик демпфируется без катушки хуже.
 
Последнее редактирование:
Пошёл смотреть, какие имеются детальки. Выбрал пару конденсаторов: 3600 пФ и 4300 пФ
2.jpg

Снял с полки ламповый УНЧ, вскрыл его. Отпаял провода от штатных межкаскадных конденсаторов. Прикрутил новые конденсаторы. Тот который 43000 пФ - пошёл после первого каскада, тот который 3600 пФ - после второго каскада.
3.jpg

Собрал обратно, водрузил на полку.
Притащил ноутбук, размотал провода. С выхода правого канала УНЧ подключил резистор 5 Ом и ещё кусок нихромовой проволоки последовательно (3 Ом). С части проволоки - крокодилами снимал сигнал. В Спектралабе запустил свип-тон и зафиксировал сигнал:
1.png
 
Хотел спросить у Петра - на каком расстоянии от пола размещён НЧ динамик на щите? У себя планирую подобный щит с 15"нч динамиком, но пониже, примерно 45-50см от низа щита до центра динамика.
 
на каком расстоянии от пола размещён НЧ динамик на щите?
68 см

Померил АЧХ. Басовик - как раньше (громкость и полярность - дореволюционная), СЧ/ВЧ - без пассивного ФВЧ на СЧ динамике (т.е. нижний срез - напрямую от УНЧ). Резистор остался старый 7,5 Ом (не успел поменять на 6,2 Ом)
4.png

Сравнивать голос певца теперешней правой и левой АС - сегодня уже не получится

Наложил графики сегодняшние и вчерашние. Отличия на мой глаз - незначительные микрофон увидел. Хотя удивительно, конечно. Нижний срез СЧ динамика собран по совершенно другой схеме. Поражаюсь, как Николай так делает
1.jpg
 
Последнее редактирование:
Последнее редактирование:
Фона в СЧ динамике нету?
Есть фон. Если ухо вплотную к СЧ динамику приложить. Но на расстоянии 50 см - уже фон не слышно. Думаю - это вполне в пределах нормы.
Такое расстояние от пола потому, что был уже готовый щит (часть щита) с таким размером от прошлых ас?
В общем - верно. Кусок фанеры, на которой сейчас установлен басовик - это фронтпанель от бывшего ЗЯ. Тогда, по условиям распиловки листа фанеры 1525х1525 у меня получилась выгодная высота этой фронтпанели в 965 мм. Александр Бокарёв дал в то время совет: "Басовик низко к полу не опускай. Ладошку сверху до верхнего края фланца оставь".
1734498784156.png


Утром послушал правую АС (АЧХ которой фиксировал накануне перед сном). В общем - отрицательных моментов не выявил. Когда играет голос соло, без аккомпанимента - на слух воспринялось как некая "прочистка", понравилось. Когда же голос на фоне инструментов - как буд-то не хватает нижних обертонов в голосе, что ли...
Но это я как бы с пристрастием. Вечером надо будет сравнить левую АС (по результатам приезда А.Б.) как эталонную и правую АС (с которой сейчас экспериментируем). И без работы басовиков и в полный диапазон.
 
Последнее редактирование:
Вы хотите сравнивать две АС, в которых стоЯт заметно разные СЧ динамики. Они хоть звучат похоже на баритоне без фильтров?
Как Вы выставляли совпадение уровней НЧ полок: по равному напряжению на выходе ИМС (считаем, что Бэйма достаточно повторяема) или по снятой АЧХ? Щиты стоЯт в комнате по-разному и могут давать разную АЧХ на НЧ, АЧХ Вы смОтрите вместе с комнатой. А оценить надо связку динамиков. Чувствуете?
Дальше. Вчера я советовал убавить полку НЧ на 1дБ, чтобы не трогать 7,5 Ом. Так вот это неправильно. Поскольку Вы выслушиваете мелкие нюансы, а 7,5/6,2 Ома влияют в диапазоне от 50 до 1000 Гц, смещая баланс СЧ полосы вниз, то логично сравнивать звучание АС после замены 7,5 Ома на 6,2, а не после снижения басовой полки. В противном случае получаем мелкий перекос АЧХ: ниже 1 кГц уровень одной АС со старта на 1дБ меньше, чем у другой.
Скажем так, в той области звучания (нижняя область для 5ГД-1) с одинаковыми фильтрами, правый и левый динамик звучат примерно одинаково (скажем так, то интересное, что мне интересно, при одинаковых фильтрах, правый и левый СЧ передают примерно одинаково).
Что касается басовика. Сейчас, при экспериментах с правой АС - я накрутил уровень сигнала с басового УНЧ по виду АЧХ (чтобы полка НЧ была примерно на одном уровне с СЧ и ВЧ). Повторюсь, получилось так, что положение РГ басового УНЧ при этом - совпало с тем положением, что было выставлено "до революции" - по окончании прошлого сезона зимней возни, как итог. Я просто тогда - поставил метку карандашиком, у переменного резистора РГ басового УНЧ-а.
Что касается левой АС - эталонной - то басовик при её работе - играет значительно тише. Я когда сравниваю звучание левой и правой АС - подхожу и каждый раз кручу РГ на басовом УНЧ. И разница там - большая (много, порядка 49 градусов кручу переменник). Точно так же - у меня стоит риска карандашиком на нужном положении переменника. А настраивали это положение - совместно с Александром Бокарёвым. Он слушал, я постепенно прибавлял бас. Потом он сказал "стоп". Я поставил риску карандашом.
По резистору - я так понял, надо всё же в правой АС 7,5 поменять на 6,2 Ом. Ок.
 
Заметили, что СЧ имеют разную отдачу выше 2 кГц? А что-то предпринимали? Я бы подвИгал номинал 680 мкГн в одной из АС.
Спасибо за то что обратили моё внимание. Буду иметь в виду, на будущее.
Но откровенно говоря - меня выше 2 кГц в звуке - всё и существующее устраивает.
"Вштыривает" меня от звучания - именно низкий бас (40 Гц) - чтобы там по возможности было чётко, разборчиво, без гула. И панч - чтобы прям грудью ощущался. Вот за эти два показателя - я готов бороться, мне интересно. А то что выше 2 кГц - да, конечно, здорово когда там сливается всё, не звенит, не свестит, не цикает... но критерии лично у меня к тому диапазону - значительно ниже.
 
Спасибо за то что обратили моё внимание. Буду иметь в виду, на будущее.
Но откровенно говоря - меня выше 2 кГц в звуке - всё и существующее устраивает.
"Вштыривает" меня от звучания - именно низкий бас (40 Гц) - чтобы там по возможности было чётко, разборчиво, без гула. И панч - чтобы прям грудью ощущался. Вот за эти два показателя - я готов бороться, мне интересно. А то что выше 2 кГц - да, конечно, здорово когда там сливается всё, не звенит, не свестит, не цикает... но критерии лично у меня к тому диапазону - значительно ниже.
Панч нужно искать не на АЧХ, а на импульсе.
 
Вы хотите сравнивать две АС, в которых стоЯт заметно разные СЧ динамики. Они хоть звучат похоже на баритоне без фильтров? Посмотрел, 200...600 Гц одинаково, но окрас разный, а ниже 150 одни помехи, непонятно.
Посмотреть вложение 117957
Видели бы АЧХ моей стереопары в точке прослушки и раздельно по каналам. Обрыдались бы. А суммарно - да тьфу ваще. Врагам на зависть.
И Пете тоже полезно снять АЧХ на некоррелированном шуме суммарно в стерео. И выложить сюда.
 
нЕ МУЧАЙСЯ ерундой, стерео все устаканит и усреднит, забудешь что где звучит.
Да, стерео - значительно меняет звучание. В лучшую сторону. Тот же мотоцикл в "Моторатта" - в моно и в стерео - звучит сногсшибательно разно (в стерео лучше), практически, при любом уровне басового УНЧ.
 
Зыдырасте ((С) "Кавказская пленница"). Даёшь усредняющий эффект стереопары! В одну АС поставим НЧ и ВЧ, в другую - СЧ, стерео исправит. Сколько вы даёте допуск в паре на расхождение АЧХ, когда делаете для себя? На том рисунке расхождение у СЧ динамиков 4 дБ на частоте 4 кГц. Учитывая близкий стык 5 кГц, разница будет (при одинаковых ВЧ, которые - тоже разные) около 2,5 дБ.

У Петра программа без временнОго окна. В хорошем приближении, плавная АЧХ с добротными стыками = чёткий импульс.
Николай, переходите с удаленки на реальную работу, на земле, как опера говорят. И многое станет проще.
Но самое страшное в том, что вы считаете, пересчитываете, исправляете , смотрите фазы и ачехи, а в итоге налив за звук приезжает и выпивает -Остап Ибрагимович Бокарёв.
 
Последнее редактирование:
И Пете тоже полезно снять АЧХ на некоррелированном шуме суммарно в стерео. И выложить сюда.
Делал. Тот вариант АС, что как только Вы зашли этим летом. В точке прослушки
1-png.95555

красным - на некоррелированном шуме. Синим и зелёным - левая и правая АС отдельно.
 
Теперь будет лучше.
Были явные два горба - 100 Гц и 200 Гц.
Сейчас, как будто бы - горб на 200 Гц ушёл (правда, перед 200 Гц теперь наметилась яма).
Что изменилось? Мы ниже подрезали басовик и теперь его горб на 200 Гц меньше выпирает? Комната ведь осталась той же...

Ещё посмотрел... по результатам приезда А.Б. - горб на 200 Гц также пропал https://ldsound.club/attachments/2-png.116763/ но наметился горб на 300 Гц.
В общем - в плане критерия ровной АЧХ как бы вопрос. Насколько этот критерий объективен
 
Последнее редактирование:
Были явные два горба - 100 Гц и 200 Гц.
Чем выше кратность резонасна, тем он чувствительнее к смещению по координате. А ухи вообще не там, ушей двое, между ними 15 см, и, кроме первых кратных, у Вас это 30-60-(90?) и 50-100, других резонансов не слышат. 50 Гц должны гудеть на диване под стенкой, по продольной оси они в миноре. 300 Гц =50*6, его поймать надо ещё примудриться. Как сыграть флажолет высокого порядка на гитаре, точная аналогия. Так, для 300 Гц, расстояние от узла до пучности стоячей волны составляет 30 см.
в плане критерия ровной АЧХ как бы вопрос. Насколько этот критерий объективен
Вполне, при соблюдении правил измерений. Которые у Вас нарушены программой, не отсекающей отражения. Поэтому из страшных АЧХ мы вынуждены выуживать что-то близкое к полуправде типа
petr-png.117649

с плохо предсказуемой ошибкой.
То же самое касается наклона АЧХ при измерении с расстояния, бОльшего радиуса гулкости, программой, не имеющей временнОго окна либо программой, имеющей окно, но с оным, пропускающим основную часть энергии отражений от комнаты. Чем больше расстояние, тем больше уклон в сторону ВЧ должен наблюдаться. А вот насколько - сказать наперёд тяжело, потому что надо знать реверберацию реальной комнаты на разных частотах!
Что изменилось? Мы ниже подрезали басовик и теперь его горб на 200 Гц меньше выпирает? Комната ведь осталась той же...
На частотах 150...300 Гц появилась слабая направленность по вертикали, поскольку излучателей теперь двое = изменилась картина стоячих волн во вертикали. Изменились отражения сзади щита.
К Вам просьба. Выставляйте картинки в миниатюре, меньше захаращивается тема.
 
Последнее редактирование:
Дядя Коля, хватит пугать Петра умными словами. Иначе к следующему моему заезду ему не хватит Саперави в магазине, разгребать содеянное сейчас и возвращать нормальный звук.
 
Послушал. Сравнил. Сначала без работы басовиков. Однозначно - преимущество за левой АС. Главное (и, возможно, единственное в этом варианте) - она более диапазонная вниз. То есть - слышно не только голос, но и музыкальный фон, намёки на бас. Из правой же АС (экспериментируемой) в этом же варианте - голос. Без поддержки. Одинокий.
Далее - совместно с басовиками. Здесь - не так однозначно. Но всё же, по сумме, - я опять отдаю предпочтение левой АС.
Как бы, для попытки словами написать про впечатления... песня "Агаты Кристи" - Ковёр вертолёт. Так вот... вступление, проигрыш, эффекты, вертолёт и синтезатор - однозначно лучше звучат на правой АС. Но лишь до вступления голоса. Сравнение в том месте, где появляется голос - однозначно лучше звучит левая АС. И если прослушать всю композицию и самому себе задать вопрос - то я бы выбрал вариант звучания левой. На правой АС - ритм, различимые чёткие эффекты, прозрачное чистое стекло.... но голос - он не живой, пластиковый и синтезированный... этот голос - он проходит незамеченным, внимание за него не цепляется... никаких эмоций он не передаёт. В левой же АС - стекло несколько замутнённое, ритм не такой чёткий, эффект вертолёта не так отчётлив... но когда появляется голос - он не может остаться незамеченным. Он цепляет... он ярко даёт воспоминание моей юности... какие события и эмоции были связаны тогда, при распевании этой песни с товарищами, после спиртного. И именно это - для меня, и теперь - важно, именно в этой композиции.
Вот как-то так. Пока что.
 
Делов-то.....Одну колонку оставляем как была, вторую слушаем в виде модерна. Стерео устаканит до оптимума.
 
Послушал. Сравнил.
Судмедэкспертиза установила. Специально поставленный эксперимент позволил установить следующее. Вы оцениваете голос... не по голосу среднечастотного динамика! Уж "Ковёр" я знаю, и высоту голоса певца, и сам пел... в компании* и под гитару, каюсь. Высокий там голос. Не ниже 100 Гц во всей песне. А это значит, что без басовика голос должен был звучать одинаково, ибо оба СЧ воспроизводят его в точности 1:1, если только Вы заменили 7,5 Ом на 6! И, если бы на голосе партачил СЧ динамик, без НЧ полосы это было бы сильнее слышно, чем с НЧ полосой (которая бы маскировала разницу).
Что же происходит при подключении НЧ полосы?
Во-первых, у революционного варианта уровень полки НЧ <=> основных нот голоса на 4дБ меньше, но и крутизна ската на 6...7дб/октаву меньше, и слышны отзвуки всех гармоник голоса.
Во-вторых, дореволюционный по полярности с ФНЧ-2 пропускает меньше гармоник основного тона голоса порядка выше трёх.
Получается, Вам не нравится сумма работы НЧ и СЧ полос вместе на голосе по вине НЧ полосы.
Но это просто проверить, поработав теперь с НЧ полосой.
1. В АС с ФНЧ-2 убавляете уровень на тех же 4дБ, что и в революционном варианте. Сравниваете.
2. В АС с ФНЧ-2 отключаете второй по ходу сигнала конденсатор 150 нФ, стоЯщий на землю, уровень НЧ полки большой. Сравниваете.
3. То же, что и пункт 2, но -4дБ полки!
Полярность НЧ динамика постоянно в противофазе к СЧ динамику - так требует Линквиц.
4. Просто сравнить НЧ полосы без СЧ - есть ли пластмасса.
 
Последнее редактирование:
оба СЧ воспроизводят его в точности 1:1, если только Вы заменили 7,5 Ом на 6!
Каюсь. Не заменил. Вчера к зубному после работы ходил. Вернулся домой поздно. До отбоя - мало было времени на послушать. Если бы выдвигал щиты, резистор бы менял - то не успел бы послушать.
... и слышны отзвуки гармоник голоса в более широкой полосе.
Да. Интуитивно мне тоже так кажется. Такое впечатление, что басовик, работая (в левой АС) совместно с СЧ динамиком (до 800 Гц?) привносит в звучание голоса тот самый антураж (отзвуки гармоник?). Но при этом, мне так же интуитивно кажется - что "прозрачность стекла" тускнеет
Во-вторых, у дореволюционного с ФНЧ-2 меньше гармоник основного тона голоса порядка выше двух-трёх.
Я запутался. "Дореволюционным" мы называем вариант, который был в самом начале прихода в гости Александра Бокарёва этим летом ("послереволюционный" - это вариант, когда Александр уже ближе к концу дня торопился на электричку). А вот что значит "ФНЧ-2" - не понял. Ну и что значит "меньше гармоник основного тона голоса порядка выше двух-трёх" - это мне тоже не осилить.
1. В АС с ФНЧ-2 убавляете уровень на тех же 4дБ, что и в революционном варианте. Сравниваете.
Это понятно и не сложно для попробовать. Но то что будет другой результат (сравнения звучания в моей голове по отношению к левой АС) - сомневаюсь.
2. В АС с ФНЧ-2 отключаете второй по ходу сигнала конденсатор 150 нФ, стоЯщий на землю, уровень полки большой. Сравниваете.
Тоже понятно. Сложнее подготовить для прослушки. Но надежда на изменение общего звучания - больше.
4. Просто сравнить НЧ полосы без СЧ - есть ли пластмасса.
Там невозможно сравнивать. Басовик в левой АС - реально голосит. А басовик в правой АС... он как сабвуфер. Голоса практически не слышно.

Николай, у меня такой вопрос: по имеющемуся графику - https://ldsound.club/attachments/1-png.117881/ - Вы можете определить, а не слишком ли высоко обрезан диапазон СЧ динамика? То есть - может ему следовало бы позволить играть низкие частОты с бОльшим звуковым давлением?
 
Последнее редактирование:

Статистика форума

Темы
3,304
Сообщения
263,082
Пользователи
2,544
Новый пользователь
vlad'mir
Назад
Сверху Снизу