Александр Бокарёв
1 ранг
- Регистрация
- 12 Ноя 2019
- Сообщения
- 30,243
- Реакции
- 15,335
- Баллы
- 395
Динамика не при чем. Треск гитарный выделить- нужно обвалить все остальное. И спектр изгадить.
Либо пентодный пушпульник с общей ООС , самое то для рока. А сочинять схему, чтобы угодила всем муз жанрам, бесполезно. Что-то скиснет обязательно. И лучше, если скиснет нечто второстепенное. Петя уже по 22му кругу затевает порожняк.
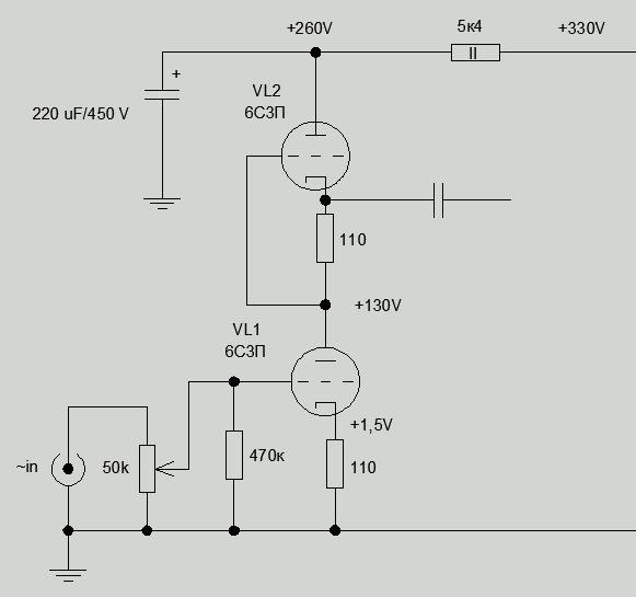
Помню, как наращивал ток через драйвер, начитавшись всяких. И не мог справиться с мешком грязи на выходе. А когда сделал наоборот, увеличил смещение, уменьшил ток, увеличил анодные и катодные резисторы, выкинув емкостные шунты, и получил звук какой надо. Но есть оговорка. При заданном и неизменном напряжении питания.
И кстати, в чем Петр железно прав, так в эффекте неузнаваемости исполнителя при работе с транзисторной микросхемой. Чужой скучный или агрессивно-наждачный звук. Лампа отыгрывает совершенно иначе, сделать мерзкий звук - непросто.
Либо пентодный пушпульник с общей ООС , самое то для рока. А сочинять схему, чтобы угодила всем муз жанрам, бесполезно. Что-то скиснет обязательно. И лучше, если скиснет нечто второстепенное. Петя уже по 22му кругу затевает порожняк.
Помню, как наращивал ток через драйвер, начитавшись всяких. И не мог справиться с мешком грязи на выходе. А когда сделал наоборот, увеличил смещение, уменьшил ток, увеличил анодные и катодные резисторы, выкинув емкостные шунты, и получил звук какой надо. Но есть оговорка. При заданном и неизменном напряжении питания.
И кстати, в чем Петр железно прав, так в эффекте неузнаваемости исполнителя при работе с транзисторной микросхемой. Чужой скучный или агрессивно-наждачный звук. Лампа отыгрывает совершенно иначе, сделать мерзкий звук - непросто.
